1.SDRAM原理
black (1)SDRAM内部存储结构:

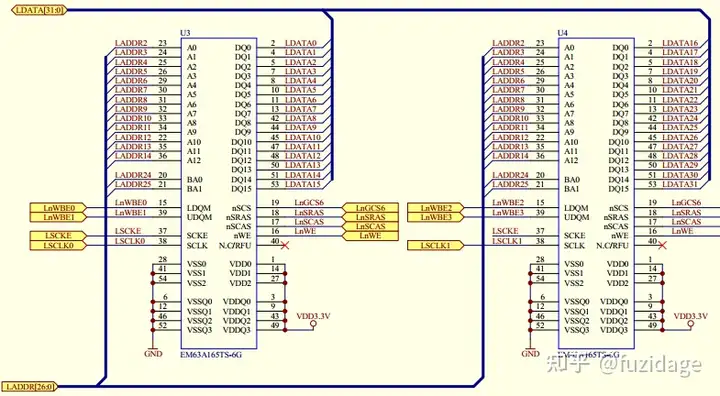
(2)再看看与2440连接的SDRAM原理图:

sdram引脚说明:
A0-A12:地址总线
D0-D15:数据总线(位宽16,2片级联成位宽32)
BA0-BA1:bank选择
nSCS:片选
nSRAS:行地址选择
nSCAS:列地址选择
nWE:写使能
SCLK:时钟
SCKE:时钟使能
(3)SDRAM的地址范围:
之前我们讲“二、不同位宽外设与CPU地址总线的连接”这一节的时候,我们留下了一个问题,SDRAM的地址范围是多少?
我们知道地址范围肯定是base_addr + size。我们根据片选接了nGCS6,base_addr=0x3000,0000,那么size是多大呢? 下图是我截取的sdram手册上的特性描述:

我们看见容量为:4M word x 16-bit x 4-bank = 32M,再看原理图我们是两片级联,所以容量为4M word x 32-bit x 4-bank=64M。所以地址范围是[0x3000_0000 ~ 0x33ff_ffff]
再以W9825G6KH这款SDRAM为例,地址总线A0-A12,数据总线D0-D15,因此内存大小:2^13 * 2^9 = = 4194304,等于4M,加上有4个bank,数据为宽16位,因此内存大小4Mx4x2字节



框图翻译成中文形式:

CLK:时钟线,SDRAM 是同步动态随机存储器,“同步”的意思就是时钟,因此需要一根额外的时钟线,这是和 SRAM 最大的不同,SRAM 没有时钟线。
CKE:时钟使能信号线,SRAM 没有 CKE 信号。
CS:片选信号,这个和 SRAM 一样,都有片选信号。
RAS:行选通信号,低电平有效,SDRAM 和 SRAM 的寻址方式不同,SDRAM 按照行、列来确定某个具体的存储区域。因此就有行地址和列地址之分,行地址和列地址共同复用同一组地址线,要访问某一个地址区域,必须要先后发送行地址和列地址
CAS:列选通信号,和 RAS 类似,低电平有效,选中以后就可以发送列地址了。
WE:写使能信号,低电平有效
A0-A12: 地址线
DQ0-DQ15: 16位数据线
BS0-BS1: BANK 选择线
LDQM,UDQM: 高低字节数据选择线
(4)SDRAM数据访问原理:
我们知道64M=2^20*2^6=2^26,那么需要26条地址线,再看看原理图,我们发现SDRAM的地址线A[12:0]只有13条,那么最多只能访问2^13=8K的数据,地址线明显配不上这么大的容量,那么它是如何解决的呢?
答:当然是拆分地址了,地址分多次传输。我们从SDRAM的内部存储结构得知要确定SDRAM的一个存储单元,先确定是哪个bank,然后再确定在哪一行、哪一列即可。
SDRAM有4个bank,由BA0、BA1决定选中哪个bank,查看SDRAM手册见下图;

然后通过选中nSRAS选中行地址,从而发送行地址;最后通过选中nSCAS选中列地址,从而发送列地址。
举个栗子: CPU执行如下指令:
ldr r0, =0x30000000;
ldr r1, [r0]; 从SDRAM基地址读取4byte数据
过程分析:
1.发出片选信号nGCS6,选中SDRAM
2.发出bank选中信号(BA0,BA1),确定是SDRAM上的哪个bank,从原理图得知CPU的ADDR24、ADDR25对应SDRAM上的BA0,BA1,所以让BA0、BA1=00,选中bankA。
从SDRAM手册确定行列地址的数目,如下图:

3.发出行地址信号nSRAS,使能行地址传输。传输行地址,确定是哪一行(看SDRAM手册确定行地址数(A12-A0)13条)
4.发出列地址信号nnSCAS,使能列地址传输。传输列地址,确定是哪一列(看SDRAM手册确定列地址(A8-A0)9条)
从而发送完整的0x30000000地址到了SDRAM,SDRAM返回4byte数据给CPU。
上一篇:s3c2440裸机-内存控制器4-SDRAM编程实现
下一篇:s3c2440裸机-内存控制器2-不同位宽外设与CPU地址总线的连接
推荐阅读最新更新时间:2026-03-01 10:32
- ASM330LHH适配器板,标准DIL24插座
- LT1071 电流升压型升压转换器的典型应用
- SECO-HVDCDC1362-15W-GEVB:用于 HEV 和电动汽车的 15 W SiC 高压辅助电源 纯电动汽车应用
- 使用 ON Semiconductor 的 KA7812E 的参考设计
- NCP5007 紧凑型背光 LED 升压驱动器的典型应用,具有模拟反馈的基本直流电流模式操作
- ADA4000-4ARZ运算放大器缓冲网络配置的典型应用电路
- 具有 PWM 调光功能的 NSI45030AT1G 350mA LED 灯串的典型应用
- DER-972 - 使用 LinkSwitch-TN2 的 6 W 高输出电流非隔离降压转换器,适用于电器
- AKD4348-SA,AK4348 24 位 8 通道 DAC 评估板
- LT1764AET-2.5 3.3 VIN 至 2.5 VOUT LDO 稳压器的典型应用

LicheeTang25K_SDRAM
Xilinx 应用指南: 使用 Virtex-5 FPGA 器件实现 DDR SDRAM 控制器
现代雷达系统的信号设计
BFR340T






京公网安备 11010802033920号