6.1 STM32串口简介
在之前的51单片机开发中已经详细地描述过串行通信协议,但是51中的串口有一个缺点,就是为了使用串口的波特率必须将晶振更换为11.0592MHz,如果采用12MHz晶振就会导致波特率误差太大,以致于串口无法正常收发,但是如果使用11.0592MHz晶振又会存在定时器计数误差(即定时器计数不准确),在STM32中很好地解决了这个问题,并且扩展了串口的应用。
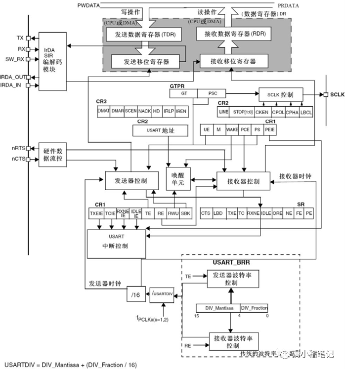
STM32F103ZET6最多可提供5路串口,有分数波特率发生器、支持同步单线通信和半双工单线通讯、支持LIN、支持调制解调器操作、智能卡协议和IrDASIRENDEC规范、具有DMA等。STM32的USART模块结构框图如下图所示。

我们可以从框图发现,STM32的波特率是低4位表示小数部分,高12位表示整数部分,这就是为什么STM32可以在不更换晶振的条件下使用串口通信。
6.2 相关寄存器
6.2.1 控制寄存器USART_CR1
| 31 | 30 | 29 | 28 | 27 | 26 | 25 | 24 | 23 | 22 | 21 | 20 | 19 | 18 | 17 | 16 |
|---|---|---|---|---|---|---|---|---|---|---|---|---|---|---|---|
| - | |||||||||||||||
| 15 | 14 | 13 | 12 | 11 | 10 | 9 | 8 | 7 | 6 | 5 | 4 | 3 | 2 | 1 | 0 |
| - | UE | M | WAKE | PCE | PS | PEIE | TXEIE | TCIE | RXNEIE | IDLEIE | TE | RE | RWU | SBK |
Bit 13:USART使能
0:USART分频器和输出被禁止
1:USART模块使能
Bit 12:字长
0:一个起始位,8个数据位,n个停止位
1:一个起始位,9个数据位,n个停止位
Bit 11:唤醒的方法
0:被空闲总线唤醒
1:被地址标记唤醒
Bit 10:检验控制使能
0:禁止校验控制
1:使能校验控制
Bit 9:校验选择
0:偶校验
1:奇校验
Bit 8:PE中断使能
0:禁止产生中断
1:当USART_SR中的PE为1时,产生USART中断
Bit 7:发送缓冲区空中断使能
0:禁止产生中断
1:当USART_SR中的TXE为1时,产生USART中断
Bit 6:发送完成中断使能
0:禁止产生中断
1:当USART_SR中的TC为1时,产生USART中断
Bit 5:接收缓冲区非空中断使能
0:禁止产生中断
1:当USART_SR中的ORE或者RXNE为1时,产生USART中断
Bit 4:IDLE中断使能
0:禁止产生中断
1:当USART_SR中的IDLE为1时,产生USART中断
Bit 3:发送使能
0:禁止发送
1:使能发送
Bit 2:接收使能
0:禁止接收
1:使能接收,并开始搜寻RX引脚上的起始位
Bit 1:接收唤醒
0:接收器处于正常工作模式;
1:接收器处于静默模式
Bit 0:发送断开帧
0:没有发送断开字符
1:将要发送断开字符
6.2.2 波特率寄存器USART_BRR
| 31 | 30 | 29 | 28 | 27 | 26 | 25 | 24 | 23 | 22 | 21 | 20 | 19 | 18 | 17 | 16 |
|---|---|---|---|---|---|---|---|---|---|---|---|---|---|---|---|
| - | |||||||||||||||
| 15 | 14 | 13 | 12 | 11 | 10 | 9 | 8 | 7 | 6 | 5 | 4 | 3 | 2 | 1 | 0 |
| USARTDIV_Mantissa[11:0] | USARTDIV_Fraction[3:0] |
Bit 15~Bit 4:波特率整数部分
Bit 3~Bit 0:波特率小数部分
注:波特率的计算公式

6.2.3 数据寄存器USART_DR
| 31 | 30 | 29 | 28 | 27 | 26 | 25 | 24 | 23 | 22 | 21 | 20 | 19 | 18 | 17 | 16 |
|---|---|---|---|---|---|---|---|---|---|---|---|---|---|---|---|
| - | |||||||||||||||
| 15 | 14 | 13 | 12 | 11 | 10 | 9 | 8 | 7 | 6 | 5 | 4 | 3 | 2 | 1 | 0 |
| - | DATA[8:0] |
Bit 8~Bit 0:数据值
包含了发送或接收的数据。由于它是由两个寄存器组成的,一个给发送用TDR,一个给接收用RDR,该寄存器兼具读和写的功能。当USART_CR1中PCE位被置位进行发送时,写到MSB的值(根据数据的长度不同,MSB是第7位或者第8位)会被后来的校验位取代。当使能校验位进行接收时,读到的MSB位是接收到的校验位。
6.2.4 状态寄存器USART_SR
| 31 | 30 | 29 | 28 | 27 | 26 | 25 | 24 | 23 | 22 | 21 | 20 | 19 | 18 | 17 | 16 |
|---|---|---|---|---|---|---|---|---|---|---|---|---|---|---|---|
| - | |||||||||||||||
| 15 | 14 | 13 | 12 | 11 | 10 | 9 | 8 | 7 | 6 | 5 | 4 | 3 | 2 | 1 | 0 |
| - | CTS | LBD | TXE | TC | RXNE | IDLE | ORE | NE | FE | PE |
Bit 9:CTS标志(如果设置了CTSE位,当nCTS输入变化状态时,该位被硬件置高,由软件将其清零)
0:nCTS状态线上没有变化
1:nCTS状态线上发生变化
Bit 8:LIN断开检测标志(当探测到LIN断开时,该位由硬件置1,由软件将其清零)
0:没有检测到LIN断开
1:检测到LIN断开
Bit 7:发送数据寄存器空
当TDR寄存器中的数据被硬件转移到移位寄存器时,该位被硬件置位,对USART_DR的写操作,将该位清零。
0:数据还没有被转移到移位寄存器
1:数据已经被转移到移位寄存器
Bit 6:发送完成
当包含有数据的一帧发送完成后,并且TXE=1时,由硬件将该位置’1’。然后写入USART_DR清除该位。
0:发送还未完成
1:发送完成
Bit 5:读数据寄存器非空
当数据被转移到USART_DR寄存器中,该位被硬件置位。对USART_DR读操作可以将该位清零。
0:数据没有收到;
1:收到数据,可以读出
Bit 4:检测到总线空闲
当检测到总线空闲时,该位被硬件置位,则产生中断。先读USART_SR,然后读USART_DR清除该位。
0:没有检测到空闲总线
1:检测到空闲总线
Bit 3:过载错误
当RXNE仍然是1的时候,当前被接收在移位寄存器中的数据,需要传送至RDR寄存器时,硬件将该位置位,先读USART_SR,然后读USART_CR清零。
0:没有过载错误
1:检测到过载错误
Bit 2:噪声错误标志
在接收到的帧检测到噪音时,由硬件对该位置位。先读USART_SR,再读USART_DR清0。
0:没有检测到噪声
1:检测到噪声
Bit 1:帧错误
当检测到同步错位,过多的噪声或者检测到断开符,该位被硬件置位。先读USART_SR,再读USART_DR清零
0:没有检测到帧错误
1:检测到帧错误或者break符
Bit 0:校验错误
在接收模式下,如果出现奇偶校验错误,硬件对该位置位。依次读USART_SR和USART_DR清零,在清除PE位前,软件必须等待RXNE标志位被置1。
0:没有奇偶校验错误;
1:奇偶校验错误
6.3 printf函数重映射
学习C语言的时候会经常用到一个函数,就是格式化输出printf,这个函数的源代码如下所示。

从上图可以看出来,printf函数实际上的核心是putchar函数,在KEIL中,由于我们使用了MicroLIB,所以putchar函数改为了fputc函数,此时,我们只需要修改fputc函数就可以完成printf重定向,重定向代码如下图所示。

6.4 串口例程
使用printf函数将串口接收到的字符串发送出去。
(1)底层寄存器文件stm32f10x.h添加串口寄存器地址。



(2)在SYSTEM目录下新建usart1目录,并在usart1目录下新建usart1.c和usart1.h两个文件。

(3)将usart1.c和usart1.h两个文件加入工程。


(4)在usart1.c文件内写入以下代码。


(5)在usart1.h添加以下代码。

(5)在1.c文件中添加以下代码。

6.5 实验结果

上一篇:独立看门狗定义及使用场景
下一篇:IOT毕设|4G智能开窗器控制系统设计
推荐阅读最新更新时间:2026-02-13 16:00
- DC1219A-A,使用 LT3495 的演示板,3-6 Vin 至 15 Vout @ 75mA 微功率低噪声升压转换器,具有输出断开连接
- 使用 Diodes Incorporated 的 ZXCP330 的参考设计
- 使用 Analog Devices 的 ADP2230ACPZ 的参考设计
- AM1G-0505SZ 5V 1 瓦 DC-DC 转换器的典型应用
- 用于软件定义无线电的 16 位、125 MSPS、2CH ADC ADP2114
- STEVAL-IPM05F,基于 IGBT IPM 的 SLLIMM 第二系列模块 STGIF5CH60TS-L 的电机控制电源板
- LT1784 的典型应用 - 采用 SOT-23 封装的 2.5MHz、Over-the-Top 低功率、轨至轨输入和输出运算放大器
- L7806A 开关稳压器的典型应用
- 使用 NXP Semiconductors 的 SN65HVD1040D 的参考设计
- 用于恒流吸收器的 NCP431A 可编程精密基准的典型应用

stm32驱动屏IC rm68042
STM32 PMSM FOC 简介
基于STM32G031的测试测量训练平台完成虚拟仪器实现
现代雷达系统的信号设计
BFR340T






京公网安备 11010802033920号