这篇文章不是介绍 nand flash的物理结构和关于nand flash的一些基本知识的。你需要至少了解 你手上的 nand flash的物理结构和一些诸如读写命令
操作的大概印象,你至少也需要看过 s3c2440中关于nand flash控制寄存器的说明。
由于本人也没有专门学过这方面的知识,下面的介绍也是经验之谈。
这里 我用的 K9F2G08-SCB0 这款nand flash 来介绍时序图的阅读。不同的芯片操作时序可能不同,读的命令也会有一些差别。
当然其实有时候像nand flash这种 s3c2440内部集成了他的控制器的外设。具体到读写操作的细节时序(比如 CLE/ALE的建立时间,写脉冲的宽度。数据的建立和保持时间等),不明白前期也没有多大的问题。
因为s3c2440内部的nand flash控制器 做了大部分的工作,你需要做的基本就是设置 几个时间参数而已。然后nand flash会自动进行这些细节操作。
当然如果处理器上没有集成 nand flash的控制器 那么久必须要自己来写时序操作了。所以了解最底层的时序操作总是好的
但是上层一点的,比如读写操作的步骤时序(比如读操作,你要片选使能,然后发命令,然后发地址,需要的话还需发一个命令,然后需要等待操作完成,然后再读书数据)。
是必须要明白的。这都不明白的话,怎么进行器件的操作呢
也就是说 s3c2440 可以说在你设置很少的几个时间参数后,将每一个步骤中 细微的操作都替你做好了。(比如写命令,你只要写个命令到相应寄存器中,cpu内部就会协各个引脚发出
适应的信号来实现写命令的操作)。
而我们所需要做的 就是 把这些写命令,写地址,等待操作完成。等步骤组合起来 。从而完成一个 读操作
就像上面说的,虽然我们不会需要去编写每个 步骤中的最细微的时序。 但是了解下。会让你对每个操作步骤的底层细节更加明了
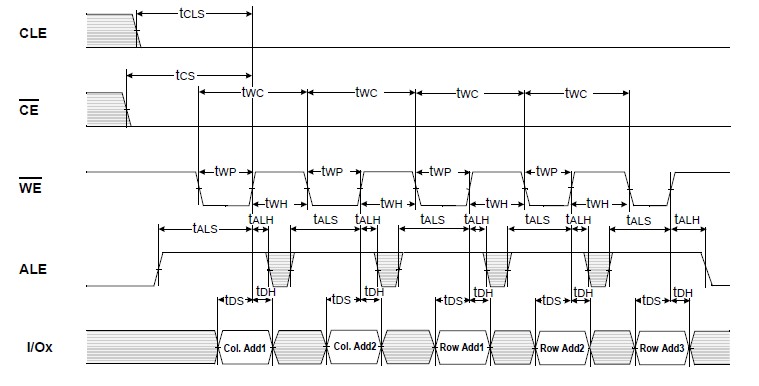
先来看一个命令锁存的时序。也就是上面说的 读 nand flash操作中不是有一个 写命令步骤吗。那么这个步骤具体是怎么实现的。
首先 我们肯定是要片选 nand flash。只有选中芯片才能让他工作啊
nand flash是通过 ALE/CLE (高电平有效)来区分数据线上的数据时命令(CLE有效),地址(ALE有效)还是数据(CLE/ALE都无效)。
那么这里既然是写命令 那么就一定是 CLE有效(高电平) ALE无效(低电平)。
同样命令既然是写给nand flash的那么 肯定有一个写周期。我们需要注意的是,写是在上升沿有效还是下降沿有效。
时序图如下:
1 这里是命令锁存是时序,那么我们要注意的其实就只有 CLE 为高电平期间这段时序。(写命令啊,CLE有效时(高电平)指示现在的数据其实命令)ALE此时一定为低电平我们可以不关心他
2 所以,CLE为 低电平的时期,其他大部分引脚上都是 灰色的阴影,这代表我们不需要关心这段时期这些引脚的电平
3 那么 这个数据是什么时候被nand flash读取到的呢, 注意到 nWE信号 在上升沿有一个贯穿所有其他引脚时序的竖线(这好像是叫生命线?我也不清楚)
这就是说明,写入的数据(命令也是数据啊,只是可以通过CLE有效来区分)是在 WE的上升沿有效。
也就是说,虽然 WE是在低电平有效,但并不是说 WE一变成低电平,命令就被锁存了(即真正获得命令)而是在 WE 的上升沿,命令才真正被锁存。
知道了上面这三点,也就知道了一个大概,那么剩下的图中也只剩那些 txx 的标号。明显它指的是时间,但是具体指什么时间呢。
指的就是箭头两边所指的两条 竖线之间的时间。(在每个信号的跳变沿,都有小竖线)
剩下的就是这些时间到底是代表什么了。这里没什么难的,刚接触的觉得看不懂。是因为之前从来没接触过。(就像单片机刚学的时候不也是各种不懂,原因就是我们从没接触过)。
这些时间标号,在数据手册的前面都有 说明

比如 tCLS tCLH 从数据手册中我们可以看到 分表代表的 CLE建立时间,和CLE信号保持时间。
简单点你可以理解为,我让 CLE引脚 变成高电平,总得给人间一点时间去变成高电平吧。总不能瞬间就变成高电平
不过从 时序图中我们能看到更多的端倪,之前不是说过 WE 的上升沿上不是有一个最长贯穿其他信号线的 竖线吗。我们说他指示了,数据(命令也是数据)
是在上升沿被锁存的,在 WE 的上升沿,我写到数据线上的命令数据才真正被锁存(接收),但是 我们注意到 CLE 信号在WE上升沿之前有就有效了。
所以我们说, 在命令数据真正被锁存之前,CLE 有效的那段 tCLS 时间叫做 CLE信号建立时间。
WE上升沿后。命令已经被接受了,但这时候 CLE 其实可以变为无效了,因为已经获取到命令了
但是他并没有立刻结束,而是 Tclh时间之后才结束。那么我们 称这段 时间 tCLH 为 CLE 保持时间。
那么再根据手册中的说明 tCS 表示 片选信号建立时间,tCH表示片选信号保持时间
tDS表示数据建立时间,tDH表示数据保持时间
这里我们看到一个小规律,在数据手册中 以 S 结尾的时间通常指的是建立时间, 以 H 结尾的时间指的是保持时间
这里命令锁存的时序就分析完了。我们再来看看 地址锁存时序图,这个图有点复杂,
因为nand flash的 特性是 地址周期通常需要好几个,就是一个地址是分几次发送的

再给出数据手册中对应时间标号的说明

同样我们按照上面分析的步骤
1 这里是地址锁存是时序,那么我们要注意的其实就只有 ALE 为高电平期间这段时序。(写命令啊,ALE有效时(高电平)指示现在的数据其实是地址)CLE此时一定为低电平,可以不用管
2 所以,ALE 为低电平的时期,其他大部分引脚上都是 灰色的阴影,这代表我们不需要关心这段时期这些引脚的电平
3 同样 WE 的上升沿有一个贯穿其他信号线的长竖线,这也是代表数据(这里其实是地址)在上升沿被锁存
那么剩下的也好理解
tCLS 这个我们不需要关心,因为 CLE 压根就是无效的。
tCS 就像之前分析的,它是指 CE片选信号在 WE上升沿也就是锁存地址之前的有效时间,也就是 CE 建立时间
tWC 呢? 不知道? 不知道 看手册啊,前面也说过这些时间标号在手册中都会给出。
从上面手册的解释我们看到,它指的是一个写周期的时间
tWP 写脉冲宽度(也就是 WE是低电平有限,twp指低电平持续时间,就是有效时间)
tWH 好理解了,就是高电平时间
ALS 这不就是 地址信号 ALE 建立时间嘛
ALH ALE信号有效保持时间啊
TDS TDH 数据建立和保持时间
就像上面对 命令时序的分析,这里 信号的 建立 和 保持时间都是以 数据被 锁存分界点(WE上升沿)
看到这里相信仔细看的人,应该大致该如何看一个时序图了,但是这里 我们牵涉到的 无非都是一些 上面 建立/保持时间。
复杂点的呢。
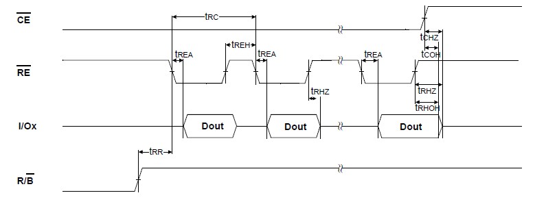
下面就来看一个复杂点的时序图,其实也不复杂,主要是说明如何在不看手册就能知道 txx指的是什么时间

这个时序其实并不复杂,只是他不是像上面分析的那样都是一些 建立时间和保持时间。这里牵涉到跟多的时间标号
不过就像前面说的. 看手册! 手册里对每个时间参数都有说明。不过初学者通常即使看手册,对这些时间参数也是不知道是什么意思。
这里我们看手册前,先来自己分析下。方法会了,手册就成了验证你对不对的东西了,而不是你寻找答案的东西。
TRC 这个参数有点简单。看他的范围 是 一个 RE周期 的时间,那么就跟前面的 tWC 应该是一样的。那它应该代表的就是 RE信号的一个周期时间(读信号的一个周期)
TREA 呢? 看标号看不出所以然,那么我们就看他的起始和结束时间 从时序图能看到,这个指的是从 RE有效(变低) 到数据出现之间的时间。
那么tREA 可想而知就应该是 读信号有效到数据被读之间的时间
后面的都是这个同样的分析方法
比如最后的那个 tRHZ 是从 RE 无效(高电平)到数据线变成高阻态 之间的时间(数据线画在中间表示的是高阻态)
看下手册中的解释 也基本就是这个意思

到这里 对于时序图怎么看,相信大家都应该能理解了。甚至可能连手册都不用看,就知道他是什么意思了。因为我们能从 时间的起始地址来推测时间标号的意思
上面这些分析,都是很底层的操作,如果我们使用 s3c2440 这种高级的处理器 这些时序操作我们根本不需要去实现,顶多也就往几个寄存器中
设置一下上面说的一些时间 然后,CPU 中的 nand flash控制器会自动完成上面所的所有操作。但是还需要了解的原因是,如果你碰到一个没有
nand flash 控制器的处理器 怎么办,那你只能亲自实现这些 具体的 写命令,写地址。等等 单元操作。
然后才能将这些单元操作组合成 读数据,写数据等操作(上面说过 比如读操作 他并不是一个简单的命令而是一系列操作,你要片选使能,然后发命令(读命令),
然后发地址(要读的数据的地址),需要的话还需发一个命令,然后需要等待操作完成,然后读书数据)
说完了 这些具体的单元操作,那么我们再来看看一个 读操作 具体需要哪些步骤。也就是我们需要真正必须掌握的时序操作
对于我这款 nand flash 读操作时序如下

我们要注意的主要是 最下面一行 即 I/Ox 信号线的状态,他指示了 读操作需要哪些,单元步骤。
1 首先 我们看到 有一个 0x00 是什么?数据?地址?命令? 看 ALE/CLE线啊,这两根线不是决定了现在的数据的类型嘛
顺着往上看,我们知道0x00是在 CLE有效期间的数据那么它就是一个命令
2 然后是 address(5Cycle) 即五个地址序列(这款nand flash 指定读数据的地址时要发送五个地址序列),往上看,是在ALE有效期间的数据,那么应该就是地址了
(对于这五个地址,前面两个是列地址,后面三个是行地址。在nand flash的物理结构中 行地址对应的某一页,列地址就对应这一页中的某一列)
3 接着又是 0x30,此时 CLE有效,那么就是命令了(也就是说这款nand flash的读操作需要两个命令)。
但是之后数据并未立刻出来,我们看到在到 DATA Output即数据输出之前还有一段时间,为什么有这段时间?
往上看 R/nB 这个数据线上说明了原因,这段时间内它是低电平 即指示现在 处于 忙碌状态,还未准备好数据输出。为什么会这样?
因为你 写了 一个命令,写了要读数据的地址,又写了一个命令。 你总要给 cpu一些时间去处理这些命令吧,
R/nB为低电平这段时间就是 在处理这些命令(实际上是根据命令将你定位的那一页数据读到内部寄存器中),
等 R/nB变成高电平了,就指示命令处理完毕,现在数据也就可以读出来了。
综上我们从手册中我们就知道了读操作的具体步骤,
1 首先nand flash 也是一个外设,要访问他就需要片选它,所以在执行时序图上的步骤之前需要片选nand flash.
2 看后面就是安装时序图来了,看时序图! 第一步先是发送一个命令 0x00.
3 看时序图! 然后发送五个地址序列(先发送两个列地址,在发送三个行地址(即页地址))
4 看时序图! 接着再是一个命令 0x30.
5 看时序图! R/nB 引脚为低表示现在正忙,正在处理这些命令,那就要等待 R/nB 引脚变为高电平
6 看时序图! 这个时候就可以读数据了
7 一次读操作结束了 nand flash 暂时是不需要使用了,那么别忘了应该 取消片选信号。
至于这每一个步骤中具体的时序,cpu中的nand flash控制器会帮我们完成。我们要做就是设置几个时间参数
这里我们反复强调了要看时序图。其实学嵌入式前期对数据手册一定要多看,看多了你就回知道,什么东西的你重点要看的,什么是和你的编程操作无关的你不需要关心。这样后面你才能,拿到一个外设 就能写出他的操作。而不用跟着书背步骤。只要手册在就行了。
上面的步骤,是一个具体的读操作的步骤,不过在使用一个器件之前我们需要初始化一下它。至于初始化也就是设置我们上面多次提到的
我们说过 s3c2440已经帮我做了很多底层的单元操作,我们只需设置几个时间参数 片内的 nand flash就会自动发出相应操作的时序操作
那么到底设置那几个时间呢。
s3c2440 手册上给出了 需要我们设置的几个参数。


从中我们可以看出 第一幅时序图是 命令和地址锁存的时序,第二幅是 数据读取和写入的时序。
可以看出,他们要设置的时间都是一样的。前面分析了那么多,这里应该不难 看出
1 TACLS 很明表示的是 CLE/ALE 的建立时间(这里并不准确,其实是 CLE/ALE有效到 WE 变成低电平之间的时间,但 WE 却是在上升沿才锁存命令/地址)
2 TWRPH0 代表的是 WE 的脉冲宽度,即有效时间
3 TWRPH1 代表的是 CLE/ALE 的保持时间
那到底设置成什么数字呢。既然 上图中读/写/命令/地址 操作需要的时间参数都是一样的
那么我们从 nand flash中随便找一个 命令时序来对照不就行了
就拿上面我们说过的 命令锁存时序来对比

那么我们就能得到下面的关系
TWRPH0 = tWP
TWRPH1 = tCLH
TACLS = tCLS - tWP
然后设置成多少呢? 看手册啊,手册中对 tWP tCLH tCLS 都会至少给出 需要的最小时间
这款芯片nand flash手册中这三个参数要求是

所以 TWRPH0 = tWP >=12ns
TWRPH1 = tCLH >=5ns
TACLS = tCLS - tWP >=0;
而这三个参数在s3c2440的数据手册中说明为

当然这里的时间都是以 HCLK 为单位的,这几个参数 是在 nand flash控制寄存器中的 NFCONF中设置的
这里我没用使用MPLL 所以HCLK是 12MHZ
所以 TWRPH0 = 0 TWRPH1 =0 TACLS =0; (如果你的时钟频率比较高,那就要设别的数了。当然有是有你真不知道,设置大点总没错,只不过速度可能会慢点。)
所以 NFCONF =0;(NOFCONF其他位数据手册中有说明,这里只是简单读操作,其他位可以不设置)
然后是初始化一下 ECC 使能nand flash控制器(我们只是设置了几个时间参数,时序的具体操作就是靠他来完成的,所以要使能他)
然后先 取消片选nand flash 因为我们现在还没有操作它啊,只是初始化一下。所以还是应该先取消片选,等真正读的时候再使能片选信号
NFCONT = (1<<4) | (1<<1) (1<<0);
(数据手册中有对应位的说明)
最后,第一次使用nand flash 我们需要复位操作一下。
综上,nand flash 的初始化代码如下
void nand_init(void){
NFCONF =0;
NFCONT = (1<<4) | (1<<1) | (1<<0);
nand_reset(); //nand reset代码在后面
}
下面代码一些地址的写法是与 nand flash 型号有关的。具体需要参考芯片手册
void select_chip(void){
NFCONT &= (~(1<<1)) ;
int i;
for(i=10;i>0;i--);
}
void deselect_chip(void){
NFCONT |= (1<<1);
int i;
for(i=10;i>0;i--);
}
void write_command(unsigned char command){
NFCMMD = command;
int i;
for(i=10;i>0;i--);
}
/*
这款nand flash 的页大小是 2K
五个地址周期 (2个列地址 和3和行地址(页地址))
*/
void write_address(unsigned int address){
unsigned int page = address/2048;
unsigned int col = address&2048;
int i;
NFADDR = col & 0xff;
for(i=5;i>0;i--);
NFADDR = (col >>8) & 0x0f;
for(i=5;i>0;i--);
NFADDR = page & 0xff;
for(i=5;i>0;i--);
NFADDR = (page >>8)& 0xff;
for(i=5;i>0;i--);
NFADDR = (page >>16)&0x01;
for(i=5;i>0;i--);
}
unsigned char read_one_data(void){
return NFDATA;
int i;
for(i=10;i>0;i--);
}
void wait_ready(void){
while(!(NFSTAT & 1));
int i;
for(i=10;i>0;i--);
上一篇:Linux I2C总线控制器驱动(S3C2440)
下一篇:S3C2440-中断体系架构
- 热门资源推荐
- 热门放大器推荐
- 使用 ON Semiconductor 的 FAN2518S 的参考设计
- LTC1530S8、3.3V/3A 稳压器
- 使用 ON Semiconductor 的 ADP3167 的参考设计
- 使用 Analog Devices 的 LT3420EDD 的参考设计
- 基于Kinetis® M的低成本单相电表参考设计
- LTC3708、具有上升/下降轨跟踪功能的 2.5V/15A 和 1.2V/15A 稳压器
- NXQ1TXH5插件板
- 应变仪仪表放大器
- WRL-13287,基于 ESP8266 802.11 无线局域网的 SparkFun Wi-Fi Shield
- 4.1W、3-LED 通用 LED 照明驱动器



现代雷达系统的信号设计
OP413EY

BFR340T






京公网安备 11010802033920号