气相色谱仪控制核心主要有单片机、DSP和ARM芯片组成。其中单片机的数据运算能力较弱;DSP(Digital Singnal Processor)是一种独特的微处理器,具有强大的数据处理能力和高运行速度,但通用功能相对较弱。相比之下,ARM芯片具有强大的事务处理功能,还可配合嵌入式操作系统使用,并适用于气相色谱仪的控制核心。意法半导体公司的STM32F101VB微处理器使用高性能的ARM Cortex—M3 32位的RISC内核,工作频率为36 MHz,内置高速存储器(高达128 kB的闪存和16 kB的SRAM),可增强I/O端口和联接到两条APB总线的外设。此外,其所有型号的器件均包含标准的通信接口(2个I2C接口、2个SPI接口和3个USART接口),1个12位的ADC和3个通用16位定时器。
1 M32F101VB外围电路设计
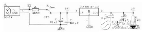
1.1电源设计
STM32F101VB微控制器的内核与I/O使用同一电源电压,只需单电源3.3 V供电。AMS1117—3.3是AMS公司生产的工LDO芯片,其特点是输出电流大、输出电压精度高,且稳定性好。该芯片输出电流可达1 A,输出电压的精度在±1%以内,被广泛用于手持式仪表、数字家电、工业控制等领域。电源电路如图1所示。

图1 电源电路
1.2复位电路
由于ARM芯片的高速、低功耗、低工作电压导致其噪声容限低,对电源的纹波、瞬态响应性能、时钟源的稳定性、电源监控可靠性等方面也提出了更高的要求。复位电路使用带I2C存储器的电源监控芯片CAT1025JI-30,以提高系统的可靠性,电路原理如图2所示。

图2 复位电路
信号nRST连接到STM32F101VB芯片的复位脚NRST,当复位按键RST按下时,CAT1025JI-30的RESET引脚立即输出复位信号,使STM32F101VB芯片复位。
1.3储器接口设计
W25X16是华邦公司推出的继W25X10/20/40/80(1~8 MB)后容量更大的Flash产品,W25X16的容量为16 Mb.W25X16的擦写周期为10 000次,具有20年的数据保存期限,支持电压为2.7~3.6 V,W25X16支持标准的SPI,还支持双输出的SPI,最大SPI时钟可达75 MHz.

图3 存储器接口电路
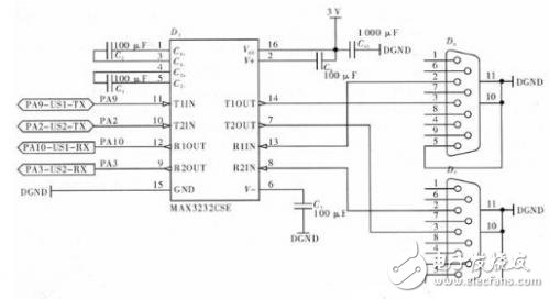
1.4串行接口设计
串口通讯电路,如图4所示。STM32F101VB内部集成了3个USART,此处使用USART1和USART2.其发送端和接收端分别与图中的TX、RX相连。

图4 串行通讯电路
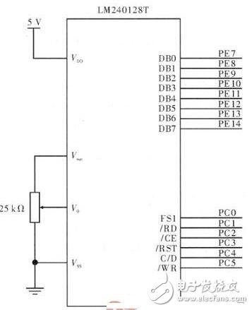
人机接口是系统的重要部分。用户通过对人机接口界面的操作来实现对系统的控制。仪器采用240×128的点阵式液晶(T6963控制器),8×4行列式按键实现对系统的控制操作。
拓普微公司生产的LM240128T点阵图形式液晶显示模块,采用RA8863(T6963C兼容)控制器,内嵌32 kBSRAM作为显示存储器。模块大小为144.0 mm×104.0 mm×15.5 mm,点阵数240×128 dot.适配Intel8080操作时序电路,8 bit并口数据传输,内置128个字符,并可进行文本显示、图形显示和文本属性显示功能。文本显示与图形显示多种显示合成方式,2 kB自定义字符库等丰富功能。

图5 LM240128T点阵图形式液晶显示模块电路
1.5网络接口设计
DM9000CEP是一款集成了快速以太网MAC控制器与接口处理的芯片,其提供了介质无关的接口,用于连接所有提供支持介质无关接口功能的家用电话线网络设备或其他收发器。该DM9000CEP支持8位、16位和32位接口访问内部存储器,以支持不同的处理器。DM9000CEP物理协议层接口完全支持使用10 Mbit.s-1下3类、4类、5类非屏蔽双绞线和100Mbit.s-1下5类非屏蔽双绞线。因此符合IEEE 802.3u规格。其自动协调功能将自动完成配置以最大限度地适合其线路带宽。并支持IEEE 802.3x全双工流量控制。
YL2J201A是带网络变压器的RJ45网络端口,连接电路如图6所示。

图6 RJ45网络端口电路
2系统测试
将设计好的气相色谱仪与电脑进行联机,能够通过工作站对仪器进行各种操作,以及通过RJ45网络端口对仪器进行远程控制。通过与上位机的联机实验可看出,与传统以单片机为控制核心的气相色谱仪相比,采用STM32F101VB微处理器的气相色谱仪功能大幅增强,不仅具有丰富的接口,还便于数据的采集、传输和处理以及对仪器的远程控制,且对数据处理的速度也有明显提高。
3结束语
使用STM32F101VB做为气相色谱仪的微处理器,不仅能兼顾气相色谱仪对大量数据的快速处理,还可使其具有丰富的通用接口,并实现对仪器的远程控制。STM32F101VB适用于作为现代气相色谱仪的控制核心,也证明了该系统设计的可行性。
上一篇:基于STM32四轴飞行器电路设计的详细图解资料概述
下一篇:五种基于STM32平台的嵌入式操作系统解析
推荐阅读最新更新时间:2026-03-19 23:06
- LTC2945IUD-1 在 -48V 系统中使用低侧检测进行电源监控的典型应用
- 用于 24V 汽车应用的 LTC4367IDD 过压电源保护控制器的典型应用
- LTC2635-HZ12 四通道、12 位数模转换器的典型应用
- 使用 ROHM Semiconductor 的 BU4821 的参考设计
- 使用 Analog Devices 的 AD9625 的参考设计
- LT1307CS8 高压反激式转换器的典型应用电路
- AD7858L 3V 至 5V 单电源、200ksps、8 通道、12 位采样 ADC 的典型应用
- AND8337/D、1.2V、1.5V DC 至 DC 单路输出电源参考设计
- DER-713 - 使用 InnoSwitch3-EP PowiGaN 和 MinE-CAP 的 65 W 高功率密度适配器
- LDK120C11R 1.1V低压降稳压器典型应用(可调版)电路

Smart GAII 可编程调节器操作手册
现代雷达系统的信号设计
BFR340T






京公网安备 11010802033920号