在追求高转换效率的电源转换器应用中,采用 LLC 谐振的 LLC 谐振电源转换器(resonant power converter)电路架构因其优异的效率表现,在近年来变得相当流行。为了进一步增进 LLC 电源转换器在重载时的工作效率,设计实例中也纷纷采用了同步整流(synchronous rectification, SR)来减少原本以二极管作为变压器输出侧整流组件的功率损耗。此外,针对轻载效率的增进,有别于通常操作状况所惯用的脉冲频率调变(pulse frequency modulation, PFM),许多专用控制器也提供了轻载控制模式 (Light-load mode) 来减少切换损失。
LLC同步整流应用电路及工作原理
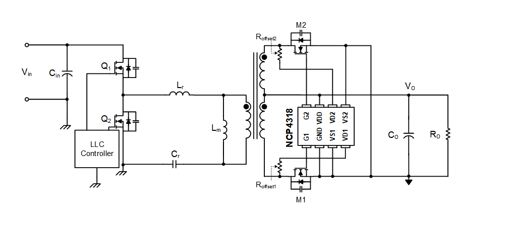
NCP4318 是适用于 LLC 架构的同步整流控制器,其应用电路如图 1所示,而其工作原理则概述如图 2。NCP4318透过 VD 与 VS 脚位来检测 SR 功率开关之汲极(drain, D)与源极(source, S)之间的电位差(VDS),以此决定其 VG 脚位的驱动信号状态。驱动信号的触发分为 DLY_EN 旗标为 LOW 或 HIGH 两种状况。一般情况下,当 VD 与 VS 脚位之间的电位差低于 VTH-ON 准位时,立即将VG输出为 HIGH。但当 DLY_EN 旗标为 HIGH 时, VD 与 VS 脚位的电位差低于 VTH-ON 准位要维持一段 tON-DLY2 的延迟时间,VG 才会输出为 HIGH。在 VG 输出为 HIGH 时,透过侦测 VD 与 VS 电位差高于 VTH-OFF 准位,NCP4318 会将 VG 信号关断。此 VTH-OFF 在 NCP4318 的设计中是一个变动的值。藉由调整 VTH-OFF,NCP4318 可以确保从 VG 关断到 VD 电压上升达 VTH-HGH 的时间差,亦即死区时间(dead time),在不同负载的状况下都保持不变。

图 1 NCP4318基本应用电路图

图 2 NCP4318基本动作原理
轻载控制模式
许多厂家推出的 LLC 控制专用 IC 都提供了轻载控制模式。虽然其触发条件和操作细节各有差异,但共通的原理是将一次侧的闸极信号控制为一个经过设计的封包(packet、pattern、package),再调整封包之间的距离,以实现功率的调变。这些封包通常具有较短的开头闸极脉冲(gate pulse),用来将LLC的谐振腔(resonant tank)储能状态操作到能够传送能量的状态,然后再使用后续的闸极脉冲将能量传递到二次侧。以 onsemi 的 NCP13992 系列为例,如图 3所示,一次侧的闸极信号按照 Q2→Q1→Q2 的顺序排列,而封包之间有一段所有闸极信号皆为低准位的休止(dormant)时间。藉由轻载控制模式,LLC电路可以避免在轻载时被操作在较高的切换频率(switching frequency),从而降低切换损失(switching loss)。

图 3 NCP13992/NCP13994的轻载操作模式
兼容性挑战
当一次侧操作为轻载操作模式,二次侧的电流波形会与通常的脉冲频率调变相当不同。首先,由于一次侧的导通时间会有长短变化,因此二次侧的电流导通时间也会有所变动。此外,并不是每一个一次侧的闸极脉冲都会在二次侧产生导通电流。实际上,视乎不同轻载操作模式的封包设计,二次侧的电流导通样态也会有所不同。有些一次侧闸极脉冲并不会让二次侧呈现出导通电流,而有些则只会导通部分时间。甚至在休止时间内,共振腔剩余的电流导通一次侧功率开关本体二极管(body diode)时,二次侧有时也会有短暂的电流导通。
当二次侧导通电流时,首先会让 SR 功率开关的本体二极管导通。此时,SR 控制器会侦测到 VD 与 VS 电位差的低准位,进而送出 VG 脉冲。然而,在轻载操作模式中,二次侧的电流会忽大忽小、忽长忽短、忽有忽无,这对 SR 控制器来说带来更多挑战。
参数调整策略
幸好,NCP4318 具有可调整的参数,可以透过调整其允许调整的部分参数来增进其与轻载操作模式的兼容性。以下列出较相关的参数及描述其分别的调整方向:
一、缩短 tON-DLY2
NCP4318 的 tON-DLY2 设计,究其原由,是为了操作于低于谐振频率模式(below resonance)的 LLC 电源转换器,在轻载时的二次侧电流导通特性所设计的机制。只要在触发到 NCP4318 的负电流侦测(SRCINV),或是脉冲跳频模式(skip mode)时,一次侧无脉冲的时间达足够长度(tGRN2-ENT),DLY_EN 旗标即会转态为 HIGH。而负电流侦测在各种轻载的瞬时过程中都很容易触发。例如,重载跳到轻载,或是在轻载时的脉冲跳频模式的进出过程,都很容易在二次侧电流缩小并缩短其导通时间的切换周期里,触发到负电流侦测。因此,在轻载状况下,NCP4318 的 DLY_EN 旗标通常为 HIGH。

图 4 低于谐振频率模式的轻载二次侧电流典型特性
对于具有轻载操作模式的控制器,设计上通常会让应该导通电流的闸极脉冲都能导通相当的电流,而每个脉冲的波宽亦倾向不如低于谐振频率模式那样长,而是更近于高于谐振频率模式(above resonance)的波形。因此,如图 4那样需要相当长度 tON-DLY2 的状况通常并不常见于轻载操作模式。基于增进 SR 功率开关的利用率的考虑,建议将 tON-DLY2 参数设定得较短。NCP4318 的 tON-DLY2 最短可以设定到240 ns。
二、缩小 KTON1/2、tINV
由于在切换的过程容易伴随如图 5所示的噪声,这些噪声可能会使 VDS 高过 VTH-OFF。因此,NCP4318 设计了最短导通时间(tON-MIN)来防止 VG 脉冲被过早地关断。NCP4318 的最短导通时间设计为基于前一个切换周期所测得的同步整流导通时间(SRCOND[n-1])的一个固定比例。这个比例取决于 DLY_EN 旗目标状态,可以是 KTON1 或 KTON2 ,如图 2所示。在最短导通时间内,VTH-OFF 会被无效化,但 VG 仍然可以透过保护机制(例如SRCINV)来关断。然而,透过保护机制关断 VG,总是需要多满足一段延迟时间(delay time),这会使关断时间稍晚一些。SRCINV 的延迟时间为tINV。如果 SR 闸极信号因为其开关导通的电流由正转负而需要被关断,多等一段时间,也就让负电流多累积一点时间,将在关断时造成同步整流功率开关上较大电压应力。
因为轻载操作模式的电流导通时间会忽长忽短,为了避免其中由长变短时,短的导通时间落入 tON-MIN 之内,您可以将 NCP4318 的 KTON1 和 KTON2 设定得短一点。NCP4318 所提供的最短参数设定为 KTON1=34%、KTON2=17%。
另外,如果一次侧的短脉宽可调整,也建议将它调整得比 KTON2 还长一些。如果一次侧的短脉宽无法稍微拉长,难免还是会需要透过 SRCINV 来关断 VG 的状况。因此,您可以将 SRCINV 的延迟时间设定得短一点。但是,要注意不要短得让如图 5的噪声触发了 SRCINV。NCP4318 的 tINV 可设定范围为170 ~ 620 ns。

图 5 VG导通时的VDS噪声
三、缩短 tOFF-MIN
通常在一个闸极脉冲刚关断的时候,为了防止受到噪声影响而误触了导通的动作,我们会在关断之后加上一段最短关断时间(tOFF-MIN),以确保闸极信号的关断状态至少维持这么一段时间。在图 3中提到,轻载操作模式通常是在封包之间插入休止时间来调整能量传递。封包里的第一个脉冲和最后一个脉冲通常都落在同一个闸极信号上,例如图 3的例子是在 Q2。连续两个 Q2 脉冲,如果休止时间比较短,同一个 SR 功率开关可能需要在关断不久后又立即开通。因此,您可以把 NCP4318 的 tOFF-MIN 设定为较短的选项。例如,低频版本(NCP4318xLx)的 tOFF-MIN 参数为 2 μs,您可以另外选择 700 ns;而高频版本(NCP4318xHx)的 tOFF-MIN 参数为 1 μs,您可以另外选为 500 ns。

图 6 tOFF-MIN使VG无法实时开通
综上所述,搭配轻载操作模式,建议的 NCP4318 参数挑选为短 tON-DLY2、小 KTON、短 tINV 和短 tOFF-MIN。在本文撰写时,尚无单一版本的 NCP4318 将以上所提到的所有参数调整到极致。根据本文撰写时 NCP4318 的规格手册,目前所有版本的 tON-DLY2 都是最短的设定。具有较小的 KTON 的版本有 NCP4318ALGP。至于 tINV,最短设定的版本包括有 NCP4318AHD、NCP4318ALGP。而 tOFF-MIN 设定为较短值的版本则包括 NCP4318ALS。
NCP4318的参数调整方式是封装后程控(in-package programming)。目前的产品方针是将每一种不同设定做成个别可定购零件编号(orderable part number, OPN)。如果您有客制参数设定的需求,可以与当地的 onsemi 业务代表或产品代理商联系。

表 1 NCP4318在本文写作当下的可定购版本列表
上一篇:大联大世平集团推出基于onsemi、Vishay和Toshiba产品的30W反激式辅助电源方案
下一篇:AC-DC控制器PCB布局指南
推荐阅读最新更新时间:2026-03-24 11:12
- 热门资源推荐
- 热门放大器推荐
- 麦米电气采用英飞凌CoolMOS™ 8 MOSFET驱动其新一代AI服务器
- 面向数据中心备电系统的电池检测新路径:EIS技术加速走向规模化应用
- Bourns 全新推出符合 AEC-Q200 标准车规级半屏蔽功率电感
- 工业级电动工具控制:电源管理与信号采集解决方案
- 德州仪器推出高性能隔离式电源模块,助力数据中心和电动汽车提高功率密度
- GM6402:40V/2A 高效降压模块,LTM8074 最佳替代,芯片涨价潮中,共模好芯不涨价
- Power Integrations将反激拓扑功率范围扩展至440W,打造比谐振设计更简洁的电源方案
- Vishay新款光电晶体管光耦合器提高工业应用的精度和能效
- 瑞萨电子推出全新GaN充电方案, 为广泛的工业及物联网电子设备带来500W强劲功率
- REF196 精密微功率、低压差堆叠电压基准的典型应用电路
- LTC4367IMS8 用于滞后调节的过压电源控制器的典型应用
- CLRC663非接触式读写器IC的典型应用
- 使用 ON Semiconductor 的 CS-5621 的参考设计
- RSO-0515S 15V、67mA输出DC/DC转换器典型应用电路
- NCP51200 3 Amp VTT 终端稳压器 DDR1、DDR2、DDR3、LPDDR3、DDR4 的典型应用
- LR645大电流SMPS启动电路典型应用
- ADR420 可编程电流源的典型应用
- DC417B,使用 LT1806CS8 多尺寸单运算放大器原型的演示板
- DM300019,用于评估 dsPIC30F 和 dsPIC33F MCU 系列器件的 dsPICDEM 入门开发板

给予AHB拓扑开关电源学习资料
稳压电源电路图
开关电源的PFC基础
现代雷达系统的信号设计
BFR340T






京公网安备 11010802033920号