LED闪烁器
来源:互联网发布者:CEgBWh 关键词: LED闪烁器 更新时间: 2026/03/13

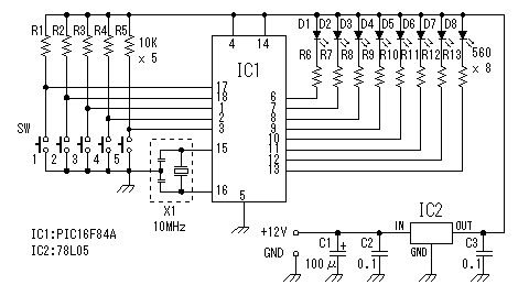
LED 闪烁器 我制作了一个LED闪烁电路,这通常用作PIC软件制作练习。该电路通过PIC软件控制八个LED的闪烁。闪烁模式可以通过五个开关来改变。


这里还没有内容,您有什么问题吗?
电子电路资源推荐
- 变频器、软起动器及PLC实用技术问答

来源:下载中心
- simulink仿真教学视频

来源:大学堂
- 机床电气PLC编程方法与实例 [高安邦,高家宏,孙定霞 主编] 2014年

来源:下载中心
- FPGA外围电路简介(英特尔官方教程)

来源:大学堂
- 常用的13种半导体功率器件介绍

来源:电路图
- 电阻的串联、并联及混联电路介绍及作用

来源:电路图
推荐帖子 最新更新时间:2026-03-25 06:55
- TI 可以申请DSP学习板吗
- TI有没有申请DSP开发板的活动,论坛有没有申请DSP开发板的活动? 如果有这样的好事,就不用话很多钱去买开发板了, 真希望能掉个馅饼,哈哈 TI 可以申请DSP学习板吗 小心饼太重,砸着你,yu同学 ! 原帖由 zhangdaoyu 于 2011-10-29
zhangdaoyu
DSP 与 ARM 处理器
- 基于STM32的噪声监测分析仪怎样实现
- 基于STM32的噪声监测分析仪,大致过程是这样的:噪声信号通过电容式话筒被采集,经过一步放大,再经AD转换就成为电信号,通过FFT就可以实现分析。只知道这些,不知道电容式话筒怎样和ARM板子联系,都需要什么工作,尽量具体点,新手,求各位大侠指点一下 基于STM32的噪声监测分析仪
ysf_00
stm32/stm8
- 单片机键盘扫描问题
- 我做了一电子密码锁 输玩4位密码之后 如果不按确定键(即in=12)而按其他的键 然后在按确定键就不起作用了 这是为什么 而且我怎么才能增加取消我输入的密码的功能 高手帮忙解决下 void unlock() { uchar in,i; if(num==0) { lcd
hpeng1323
51单片机
- 出kb101闲置板一块
- 出kb101 stm32闲置板一块 有意向的童鞋点击 http://ershou.taobao.com/item.htm?id=13351491868 出kb101闲置板一块
af888
淘e淘
- TI Stellaris M4/M3 MCU 选型表
- 2011最新 Stellaris 系列 芯片 选型表,更新了LM4F系列产品,有列出芯片所属的系列,如Tempest、Sandstorm等等。可以帮助客户选型。 TI Stellaris M4/M3 MCU 选型表
aoxiaoche918
微控制器 MCU
- M4如何通过3601在Kell4.22下仿真
- 最近拿到TI M4开发板,发现只能在CCS下使用,不知道用Keil的话 还是否需要装什么东西? M4如何通过3601在Kell4.22下仿真 在keil下debug和下载工具选择icdi的选项就可以用。 回复 楼主 chengtoby 的帖子 那个ICDI 仿M3的可以, 但是用
chengtoby
微控制器 MCU
- ADR530 高精度并联模式电压基准的典型应用
- 用于照明的 6-LED 调光 LED 驱动器
- 使用 Omron 的 S8VS-12024AP 的参考设计
- 使用 Microchip Technology 的 TC660 的参考设计
- DEMO9RS08KA2: DEMO9RS08KA2 Demonstration Board
- 基于SMART ATSAMR21微控制器驱动LED的参考设计
- LTC3130EUDC-1 宽输入电压范围 5V 转换器的典型应用使用小型一次电池
- VDIP1,Vinculum VNC1L 模块的开发模块
- 使用 Semtech 的 SC1401 的参考设计
- 适用于工业电机控制应用的5kW低压大电流逆变器







京公网安备
11010802033920号