室温控制器
来源:互联网发布者:0ZIspgE 关键词: 室温控制 更新时间: 2026/01/23

室温控制器
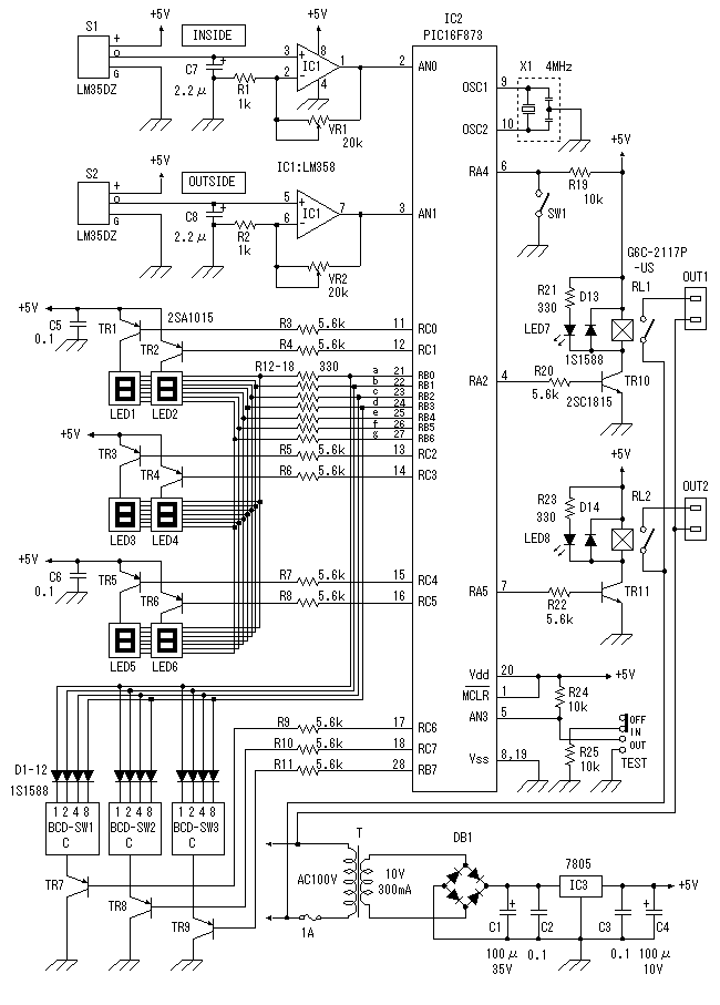
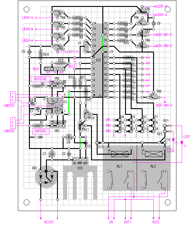
使用PIC的室温控制器。该设备使用两个温度传感器,驱动外部设备,并将房间温度保持在预设温度。该设备的目的是防止房间温度因计算机的热量而上升。如果空调一直运行,电费会变得很高。因此,我制作了这个设备,它使用一些通风风扇自动调节房间温度。此外,还附加了低于预设温度的功能。我认为它可以用于温度控制,例如温室。





这里还没有内容,您有什么问题吗?
电子电路资源推荐
- PCB设计经典资料(上册) 共上中下三册

来源:下载中心
- 半导体器件中的噪声及其低噪声化技术.pdf

来源:下载中心
- 焊接基础知识

来源:大学堂
- 拉扎维模拟集成电路教程(英语字幕)

来源:大学堂
- PCB板基础知识讲解

来源:电路图
- 单片机运行原理的一点点总结

来源:电路图
推荐帖子 最新更新时间:2026-03-25 03:43
- DSP(TMS320C6747)平台下的SD卡(SD模式)初始化问题
- 本人调试SD卡初始化过程,一直没有通过。具体情况如下: 初始化的频率设为300KHz,初始化步骤如下: 1.延时74000次减法,(DSP的CPU为300MHz,SD clock 为300KHz,相当于74个SD 个clock)。一次减法是否就一个CPU clock? 2.发送C
buaa2xp
DSP 与 ARM 处理器
- 求助:RF芯片产业现状的讨论
- 本人是菜鸟一个,现在在做一个芯片产业的调研,这个课题做的人应该很少,希望各位经验丰富的大牛能够助一臂之力,最后得到一些有益的成果。 希望能够给出一些802.11的主流芯片型号,以及市场占有率的情况,当然有点评更好~ 另外关于其他无线通信芯片比如homeRF、bluetoot
mullyliu
无线连接
- ad采样很不稳定
- 我用的lm3s8962为什么adc0的采样结果很不稳定,我用直流电位差计输入稳定100mv,大家看看我的输出结果 ADC0 = 111(mV) ADC0 = 102(mV) ADC0 = 140(mV) ADC0 = 114(mV) ADC0 = 105(mV) ADC0
eeleader
微控制器 MCU
- 关于方案选择的一点建议
- 建议选择方案的时候可以向两个方面选择,一种是经济实用,用较低的成本就可以实现的,不要求精度很高,够用就行。而另一种则是追求高精度的,这样可以满足不同的需求。 关于方案选择的一点建议 不要求精度很高,够用就行。 最好有高手坐阵,让大家体验一把电源的设计思路,流程。 同意楼上的 有些
leekuip
DIY/开源硬件专区
- 找不到突破口。
- 我一直搞PLC的。如今公司都是仪表的项目,需要自己研发仪器。 可是原有技术储备不足,不知道从哪里下手了! 要是济南当地有培训就好了 找不到突破口。 看是需要哪方面的技术培训了。 内部培训+外部引进人才
qs130
微控制器 MCU
- 基于 TI Stellaris 的 μCOS-Ⅱ 例程集下载
- 基于 TI Stellaris 的 μCOS-Ⅱ 例程集下载,从 micrium 官网下载,供大家下载学习。 基于 TI Stellaris 的 μCOS-Ⅱ 例程集下载 不错,谢谢楼主 谢谢楼主无私分享 回复 楼主 St
Study_Stellaris
微控制器 MCU
- 向 TI 申请的 M4 板子到 11月初就会拿到了
- 疑惑,关于触摸板在控制windows媒体播放器
- 破解软件
- 恩智浦携手SRS Labs为汽车引入真正的环绕声体验
- 【MSP430共享】430基础知识,入门级,新手请入
- 基于LabVIEW图形界面的TI LM3S8962的开发--第三步(3)
- 将乘法运算转换为加法和移位运算
- 初玩
- 正弦逆变
- 原理图解析--LED驱动部分
- FPGA控制12864液晶显示
- 台湾力浦LP—2900实验台上的chip—broad拓展
- 求430中主要语句的时钟周期
- 单片机替换引发的问题
- 铜导线截面积与电流的关系
- 使用MSP430产生PWM波形,抖动问题如何解决?
- 开发板申请
- 根轨迹----系统稳定性!
- 看完这句Keil官方论坛上某工程师回帖,你有什么感想?
- 我的LM3S9B96第一版
- ADR392A 4V 输出微功率、低噪声精密电压基准的典型应用
- Net1 和 Net2 串行接口芯片组支持测试模式
- 用于汽车照明的 9-LED 通用 LED 驱动器
- LTC2253IUH 演示板,高速 ADC,VDD = +3.0V,125Msps,12 位 10MHz
- 4.7V DC 至 DC 单路输出电源
- 用于 DDR 电源的 LTC3634IUFD 双路 3A 单片式降压稳压器的典型应用电路
- DC500A-D,使用 LTC3406BES5 2.7V 至 5.5Vin、1.2Vout @ 600mA 同步降压稳压器的演示板
- AM3G-0515SZ 15V 3 瓦 DC/DC 转换器的典型应用
- 在电池供电的应用中驱动LED:有效控制亮度功率
- LT1021CIN8-10 由电流源驱动的负分流基准的典型应用







京公网安备
11010802033920号