该DRV8452是一款宽电压、高功率、高性能步进电机驱动器。该器件支持高达 55V 的电源电压,具有 100 mΩ HS + LS 导通电阻的集成 MOSFET,允许高达 5A 的电流。
自动转矩功能通过根据负载转矩调整电流来提高效率。静止省电模式可减少电机保持状态下的功率损耗。静音步进保证在低速和静止时无噪音运行。内部电流检测无需检测电阻,从而节省了 PCB 面积和成本。内置索引器支持高达 1/256 的微步进,自动微步进模式可插值输入 STEP 信号以减少控制器的开销。无传感器失速检测消除了系统的末端停止。该器件支持其他保护和诊断功能,可实现稳健可靠的运行。
该DRV8452只需最少的调整即可配置功能。它支持比外部 FET 驱动器更高的功率密度,但 PCB 面积更小。高能效加上精确、无噪音的作使该DRV8452成为高性能步进系统的理想选择。
特性
步进电机驱动器
带STEP/DIR引脚的SPI或H/W接口
高达 1/256 微步进分度器
4.5 V 至 55 V 工作电源电压范围
支持标准 24 V 和 36 V 电源轨
低R DS(ON):24 V、25°C时为100 mΩ HS + LS
每个桥的高电流容量:
DDW 封装:5 A 满量程,3.5A RMS
PWP 封装:4 A 满量程,2.8A RMS
DDW 封装引脚兼容 -
DRV8462/61:65 V,3-10A
PWP 封装引脚兼容 -
SPI:DRV8434S:48 V,2.5 A
硬件接口:DRV8424/26:33 V,1.5-2.5 A
集成电流检测和调节
5% 满量程电流精度
智能调谐和混合衰减调节选项
静音步进衰减模式,可在静止和低速时静音运行
用于步进频率插值的自动微步进模式
可定制的微步进分度器表
用于负载相关电流控制的自动扭矩
静止省电模式
支持 1.8V、3.3V、5.0V 逻辑输入
低电流睡眠模式 (3 μA)
独立逻辑电源电压 (VCC)
保护和诊断功能
无传感器失速检测
VM 欠压锁定 (UVLO)
开路负载检测 (OL)
过流保护 (OCP)
热关断 (OTSD)
故障条件输出 (nFAULT)
分度器零位输出 ( nHOME)
参数
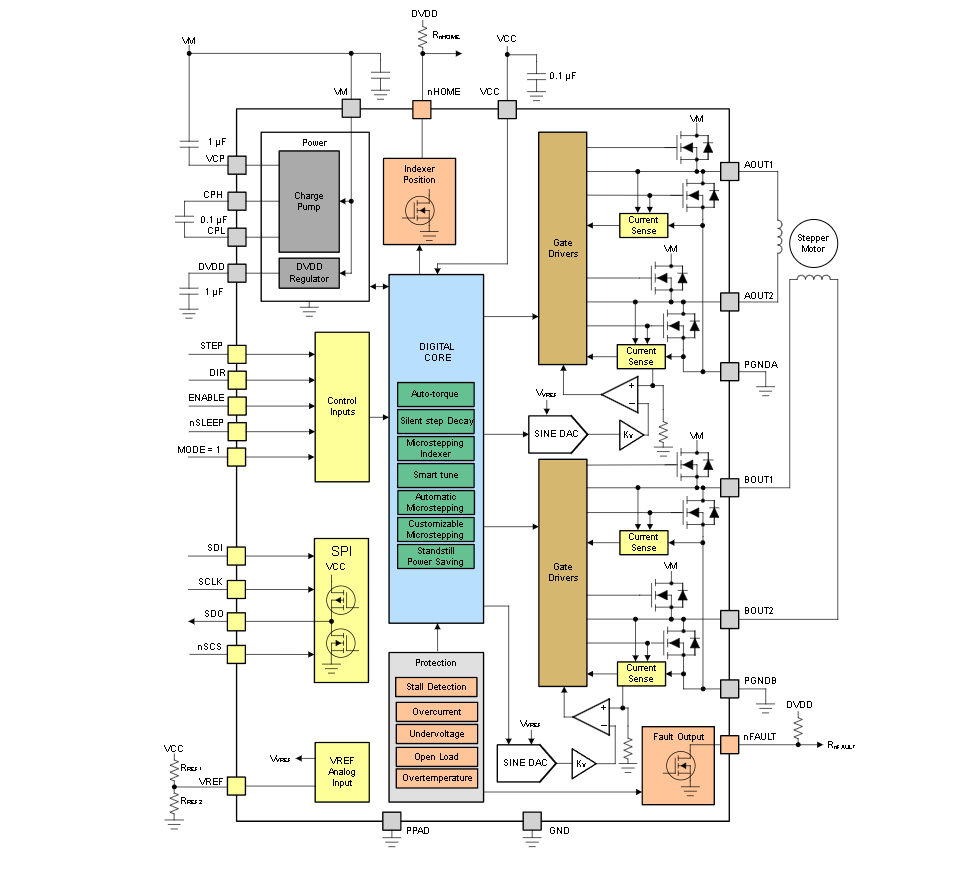
方框图
1. 产品概述
DRV8452是德州仪器(TI)推出的高性能步进电机驱动器,具有以下核心特性:
宽电压范围:4.5V至55V工作电压,支持24V、36V标准电源轨。
高电流能力:峰值电流5A(DDW封装),RMS电流3.5A;PWP封装峰值4A,RMS 2.8A。
封装兼容性:提供44引脚HTSSOP(DDW)和28引脚HTSSOP(PWP)两种封装,与DRV8462/61、DRV8434S等引脚兼容。
集成功能:内置电流检测(5%精度)、微步进索引器(支持1/256微步)、智能衰减模式及多重保护机制(过流、过热、欠压锁定等)。
2. 关键特性
静音步进技术:通过电压模式PWM实现低噪声运行,适用于医疗设备和精密仪器。
自动扭矩调节:动态调整输出电流以匹配负载扭矩,提升能效。
灵活接口:支持SPI或硬件(H/W)控制,SPI模式提供寄存器配置(如微步分辨率、电流阈值)。
保护与诊断:传感器失速检测、开路检测、故障输出(nFAULT)及零位信号(nHOME,仅DDW封装)。
3. 应用领域
工业自动化(纺织机械、机器人)
医疗设备(成像诊断、手术器械)
消费电子(ATM机、3D打印机、户外摄像头)
舞台灯光控制系统
4. 技术细节
电流调节:通过VREF引脚或内部参考电压设置,支持PWM斩波控制。
衰减模式:可选智能调节、混合衰减及静音步进模式。
散热设计:低导通电阻(100mΩ @24V),优化封装热性能(θJA 23.2°C/W DDW封装)。
5. 文档结构
功能框图:包含电荷泵、H桥驱动、逻辑电源(DVDD/VCC)及保护电路。
寄存器配置:SPI模式下可调整微步表、电流阈值等参数。
典型电路:推荐外部元件包括VM去耦电容(0.01μF)、电荷泵电容(1μF)。
上一篇:CW32电机控制基础--无刷直流电机的工作原理
下一篇:DRV8461 步进电机驱动器技术文档总结
- 热门资源推荐
- 热门放大器推荐
- 边缘计算主机盒选购指南:五大核心指标解析
- Arm AGI CPU 更多细节:台积电 3nm 制程、Neoverse V3 微架构
- Arm AGI CPU 重磅发布:构筑代理式 AI 云时代的芯片基石
- Arm 拓展其计算平台矩阵,首次跨足芯片产品
- 阿里达摩院发布RISC-V CPU玄铁C950,首次原生支持千亿参数大模型
- 边缘 AI 加速的 Arm® Cortex® ‑M0+ MCU 如何为电子产品注入更强智能
- 阿里达摩院发布玄铁C950,打破全球RISC-V CPU性能纪录
- VPU中的“六边形战士”:安谋科技Arm China发布“玲珑”V560/V760 VPU IP
- 利用锚定可信平台模块(TPM)的FPGA构建人形机器人安全
- LTC2172CUKG-12、12 位、65Msps 低功耗四通道 ADC 的典型应用电路
- 使用 ROHM Semiconductor 的 BD5339 的参考设计
- 使用 Diodes Incorporated 的 PT8A3517 的参考设计
- LT5527 400MHz 至 3.7GHz 高信号电平下变频混频器的典型应用
- AD5340 并行接口、单电压输出、12 位 DAC 的典型应用
- 30W、-27V、5.8V、5.8V、15V、24V、33V交流转直流多路输出电源
- OP213FSZ-REEL7 低噪声运算放大器电压基准的典型应用
- LT3579/LT3579-1 演示板,升压 / 反相 DC/DC 转换器
- L7815A 光控制器稳压器的典型应用 (Vo(min) = Vxx + VBE)
- 具有关断功能的 LT1086CT-5 5V 稳压器的典型应用
- 本周机器人行业大事件TOP5
- G20周刊|埃斯顿与北自所达成战略合作、海康机器人发布光伏组件汇流带视觉检测解决方案
- 14家工业智能企业入选《上海市智能机器人标杆企业与应用场景推荐目录》
- 大声量 | 2023机器视觉技术与应用峰会议程新鲜出炉!
- 海康机器人视觉检测方案守护光伏组件生产质量
- 三星Galaxy W21 5G真机照解密:“心系天下”
- 推动生物识别发展,2020第四届生物识别技术与应用论坛闭幕
- 诺基亚10 PureView有望采用骁龙875芯片与蓝宝石玻璃
- 三星Galaxy S21 Ultra开始部分生产工作,或明年1月发布
- 安卓11亲儿子谷歌Pixel 5电量显示错误:3个小时才“耗1%”

非常经典的关于LLC的杨波博士论文
LMP8671MA/NOPB

XC6406PP60DL






京公网安备 11010802033920号