世界卫生组织(WHO)的数据显示,全球范围内因交通事故造成的死亡人数每年都在增加。为进一步降低死亡率,智能交通系统催生了紧急呼叫(即E-Call)功能。紧急呼叫系统用于在发生交通事故时,利用手机和卫星定位功能与最近的救援中心号码建立电话连接。除了语音连接以外,车载紧急呼叫系统还报告并传输事故地点、事故类型以及车辆相关信息。
汽车紧急呼叫系统要具备高效率以及诊断功能,这对音频系统提出了特殊的要求,例如要求扬声器具备诊断功能和低功耗。今天,我们就以车规级 D 类音频放大器 MPQ7795-AEC1 为例,探讨如何改进紧急呼叫系统的音频功能。这款音频放大器非常适合空间受限的高功率音频系统。
一、车规级紧急呼叫系统
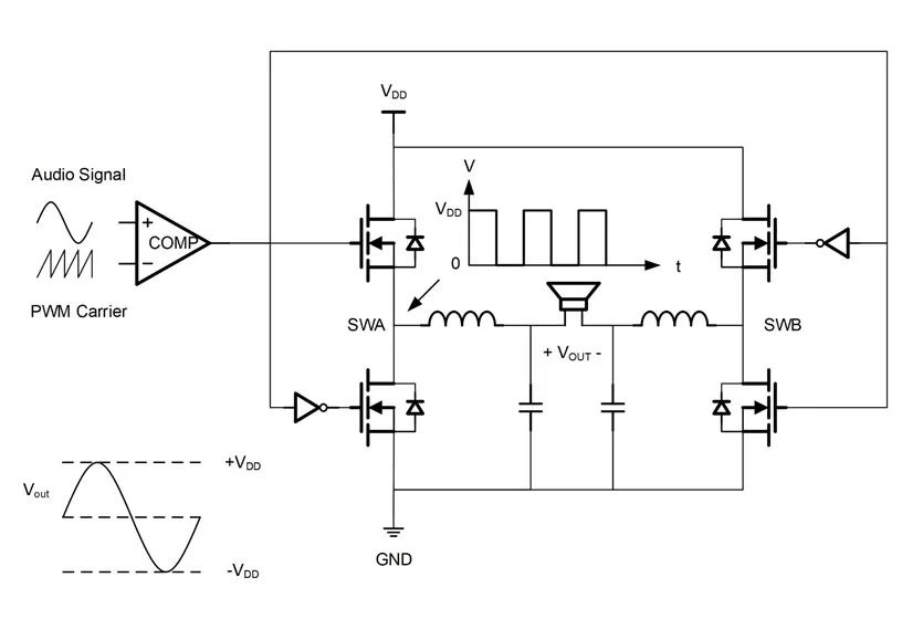
图 2 显示了采用 MPQ7795-AEC1 实现的典型紧急呼叫系统简化功能框图。

图2: 紧急呼叫(E-Call)系统简化功能框图
紧急呼叫系统由备用电池供电,即使事故导致汽车电池与系统断开连接,紧急呼叫系统也仍能工作。音频信号的输入前端和输出被组合成单个编解码器,其中包括模数转换器 (ADC) 和数模转换器 (DAC)。由于音频信号路径通过电话为驾驶员和紧急呼叫中心提供语音连接,因此大多数系统只需要一个通道就足够,这个通道中包含1 个麦克风、1 个 ADC、1 个 DAC、1 个 D 类放大器和 1 个扬声器。DAC 的输出信号具有低电流和低电压能力,MPQ7795-AEC1作为一款理想的 D 类音频放大器,能够为信号提供更高的电压和电流能力,用以驱动扬声器中的驱动器。
二、AB 类放大器和 D 类音频放大器
汽车音频系统中通常有两种音频放大器可供选择:AB 类放大器和 D 类放大器。
AB 类音频放大器实现起来很简单,其使用方便且适用于多种汽车音频系统。这些线性放大器不会产生电磁干扰 (EMI),而且不需要很多外部电子元件。但其效率极低且散热性能差,因此需要用散热器和风扇来实现被动(甚至主动)热管理。这些额外的外部组件让 AB 类音频放大器总体而言成本高于D 类音频放大器。
D 类音频放大器是一种开关放大器。其功率级始终工作在开关模式下,与 AB 类放大器相比,这最大限度地降低了功耗。此外,D 类音频放大器是一种高效率开关放大器,它几乎不需要热管理。不过,它仍然需要输出电感和 EMI 滤波器来应对EMI 问题。除却这一点,D 类音频放大器因其超高的效率和小尺寸而广泛应用于汽车紧急呼叫系统。
三、高效率及出色的 EMI 性能
汽车紧急呼叫系统通常需要较大的功率。MPQ7795-AEC1可充当 D 类放大器的桥接负载 ( BTL ) 结构,它完全可以满足汽车紧急呼叫系统的功率要求(见图 3)。

图3: MPQ7795-AEC1 BTL D类放大器
BTL 放大器的输出信号幅度 ( VOUT_BTL ) 可以与放大器的电源电压 ( VDD )一样高。其输入音频信号和反馈信号耦合到比较器的反相输入,从而创建单端电路。
VOUT_BTL 可通过公式 (1) 来计算:
VOUT_BTL = (2D−1) × VDD (1)
其中D是占空比。
BTL 放大器的最大输出功率( POUT_BTL_MAX ) 可通过公式(2)估算:
POUT_BTL_MAX = ( VDD )2 / 2R (2)
其中 R 是扬声器的电阻。紧急呼叫系统的重要功能之一是让驾驶员尽可能长时间地与紧急服务人员通话,这意味着系统效率要非常高。为提高效率,MPQ7795-AEC1可以将开关频率 (fSW) 设置为 330kHz、384kHz、470kHz 或者 2.2MHz。在 470kHz 和 2.2MHz 工作频率下,其效率均超过 90%。图 4 显示了 8Ω 扬声器的效率与输出功率之间的关系曲线。此外,MPQ7795-AEC1 集成的150mΩ 低导通电阻 (RDS(ON)) MOSFET也可提高效率。

图4: MPQ7795-AEC1效率曲线
此外,当选择频率为 2.2MHz 时,由于外部电感感值较小,PCB 面积也可相应减小。图 5 显示了 MPQ7795-AEC1 的超小占板面积。

图5: MPQ7795-AEC1的超小占板面积
除了具备高效率和小 PCB 尺寸,MPQ7795-AEC1 还具有出色的 EMI 性能,使用 2m 输出电缆也可满足 CISPR 25 Class 5 标准。图 6 显示了 CISPR 25 Class 5 传导 EMI(峰值)测试结果。

图 6:CISPR 25 Class 5 传导 EMI(峰值)测试结果 图 7 显示了 CISPR 25 Class 5 传导 EMI(平均值)测试结果。

图 7:CISPR 25 Class 5 传导 EMI(平均值)测试结果
四、音频放大器的负载检测功能
对汽车紧急呼叫系统来说,在严重事故发生后,系统仍保持正常运行非常关键。因此,D类音频放大器必须具有集成检测通信,以便放大器能够将检测结果传送给处理器。一旦发生事故,检测系统可帮助确认扬声器仍然可以实现驾驶员和紧急服务人员之间的通信。
MPQ7795-AEC1的负载检测功能可以检测负载开路、负载短路、输出对 VDD 短路以及输出对地短路等情况。一旦器件启动,在部件开始切换之前或进入故障状态之前,负载诊断即开始运行。诊断期间,输出处于高阻抗 (Hi-Z) 状态。负载检测通常需要 480ms。如果检测到任何故障情况,MPQ7795-AEC1即向微控制器 ( MCU ) 报告故障状态。另外,MPQ7795-AEC1在负载检测期间不会出现气爆杂音。
结语
为了降低车祸死亡率,拥有可靠的紧急呼叫系统以尽快提供紧急服务至关重要。一旦发生事故,D 类音频放大器能够有效促进驾驶员或乘客与紧急服务中心之间的通信。
MPQ7795-AEC1是一款车规级 D 类音频放大器,它提供负载检测功能,能够以超小尺寸的器件封装确保容错操作和高输出功率。
上一篇:为何需要AEC-Q车规认证?
下一篇:新能源汽车高压上电、高压下电逻辑分析
推荐阅读最新更新时间:2026-03-25 06:55
- 边缘计算主机盒选购指南:五大核心指标解析
- Arm AGI CPU 更多细节:台积电 3nm 制程、Neoverse V3 微架构
- Arm AGI CPU 重磅发布:构筑代理式 AI 云时代的芯片基石
- Arm 拓展其计算平台矩阵,首次跨足芯片产品
- 阿里达摩院发布RISC-V CPU玄铁C950,首次原生支持千亿参数大模型
- 边缘 AI 加速的 Arm® Cortex® ‑M0+ MCU 如何为电子产品注入更强智能
- 阿里达摩院发布玄铁C950,打破全球RISC-V CPU性能纪录
- VPU中的“六边形战士”:安谋科技Arm China发布“玲珑”V560/V760 VPU IP
- 利用锚定可信平台模块(TPM)的FPGA构建人形机器人安全
- 用于 7VIN 至 16VIN、1.5V 和 1.2V 输出的 LTM4628EV DC/DC 模块稳压器的典型应用电路
- 使用 Analog Devices 的 LTC3728LIGN 的参考设计
- DER-406 - 适用于 A19 灯的 5.76 W 高 PF 非隔离降压-升压型 TRIAC 调光 LED 驱动器
- ADR5045B 5V 输出精密微功率并联模式电压基准的典型应用
- LT3970EDDB-3.42 2.5V 降压转换器的典型应用
- MC78M08BDTG 8V 电流调节器的典型应用
- LT1021DCN8-5 精密电压基准的典型应用
- DER-282 - 100W, 扁平(11 mm), LLC DC-DC转换器
- REF193 低压差开尔文连接电压基准的典型应用电路
- LT3088EM 线性稳压器用于添加软启动的典型应用

中小功率隔离型开关电源设计概要-MPS
基于MPM3519和MPM3816C电源的PCIE_AI图形加速卡——MCU焊接验证代码
现代雷达系统的信号设计
BFR340T






京公网安备 11010802033920号