NPN和PNP器件与西门子PLC的连接与选型
传感器根据输出类型可以分为NPN(有人称为源型传感器)和PNP(有人称为漏型传感器)两大类;两种类型的传感器都有3个引脚,分别接24V、0V、Out(信号输出),那么西门子S7系列PLC都支持什么类型的传感器呢?


西门子PLC和模块所支持的传感器类型
1、西门子S7-200所支持的传感器类型?
S7-200系列的输入端既支持源型也支持漏型,所以既可以接NPN传感器也可以接PNP的传感器(具体接法请参考第二步),其他型号可以参照产品手册(如下图):

2、西门子S7-200smart所支持的传感器类型?
S7-200smart与S7-200一样输入端既支持漏型也支持源型,所以既可以接NPN传感器也可以接PNP的传感器(具体接法请参考第二步),其他型号可以参照产品手册(如下图):

3、西门子S7-1200所支持的传感器类型?
S7-1200输入端既支持漏型也支持源型,所以既可以接NPN传感器也可以接PNP的传感器。(具体接法请参考第二步),其他型号可以参照产品手册(如下图):

4、西门子S7-300所支持的传感器类型?
S7-300的DI模块很多,要据参数分需要在硬件组态中查看(具体接法请参考第二步)
(1)S7-300的大部分DI模块均为漏型(应该选取PNP型的传感器),在硬件组态时不提示源型还是漏型,就是默认为漏型的意思,如:321-1BL00:

(2)S7-300的源型DI模块(应该选取NPN传感器),如:6ES7 321-1BH50-0AA0:

(3)源型/漏型两用式DI模块(既可NPN也可以PNP型传感器):如:6ES7 321-1BP00-0AA0

5、西门子S7-1500所支持的传感器类型?
S7-1500系列中现推出的DI模块有漏型,接PNP型传感器(具体接法请参考第二步)。如:6ES7 523-1BL00-0AA0

有支持源型的DI模块,接NPN型传感器(具体接法请参考第二步)。如:6ES7 131-6BF60-0AA0

NPN、PNP传感器的接线方式
1、首先了解下PLC输入端的类型
西门子PLC输入端源型和漏型的定义:源型、漏型是根据PLC接线端子上I点的电流流向来区分的(西门子PLC与三菱PLC的定义相反,三菱PLC定义:源型、漏型是根据COM端电流流向来区分)
源型:电流从I点流出时,意为电流源头;
漏型:电流从I点流入时,意为电流流向处;
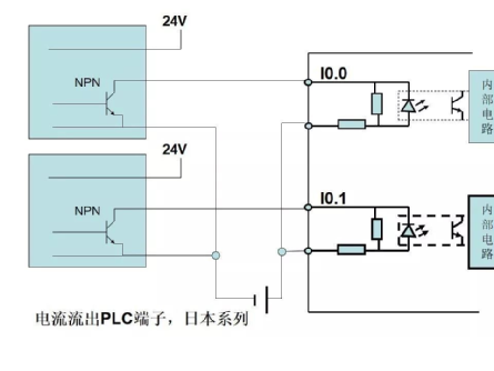
2、NPN传感器接入PLC(对于西门子PLC来说是源型输入接法)
电流走向:24V+----COM端----I0.0(电流从I点流出)----传感器out端----传感器0V端----0V,如下图:

3、PNP传感器接入PLC(对于西门子PLC来说是漏型输入接法)
电流走向:24V+——传感器24V——传感器out端——I0.0(电流流入I点)——COM——0V,如下图:

传感器的分类
1、NPN(源型):当导通时输出低电平
当导通时,信号输出线out和0v线连接,相当于输出低电平:0V。

NPN型传感器根据安装逻辑方式不同分为3小类:
NPN-NO(常开型):不接通时无输出;接通时输出低电平;
NPN-NC(常闭型):不接通时输出低电平;接通时无输出;
NPN-NC+NO(常开、常闭共有型):两个out输出端(一开一闭)。
2、PNP(漏型):当导通时输出高电平
当导通时,信号输出线out和电源线VCC连接,相当于输出高电平的电源线,24V。

PNP型传感器根据安装逻辑方式不同分为3小类:
PNP-NO(常开型):不接通时无输出;接通时输出高电平;
PNP-NC(常闭型):不接通时输出高电平;接通时无输出;
PNP-NC+NO(常开、常闭共有型):两个out输出端(一开一闭)。
PNP与NPN型传感器根本的区别在哪?
PNP与NPN型传感器其实就是利用三极管的饱和和截止,输出两种状态,属于开关型传感器。但输出信号是截然相反的,即高电平和低电平。NPN输出是低电平0,PNP输出的是高电平1。
PNP与NPN型传感器(开关型)分为六类:
1、NPN-NO(常开型)
2、NPN-NC(常闭型)
3、NPN-NC+NO(常开、常闭共有型)
4、PNP-NO(常开型)
5、PNP-NC(常闭型)
6、PNP-NC+NO(常开、常闭共有型)
PNP与NPN型传感器一般有三条引出线,即电源线VCC、0V线,out信号输出线。
1、PNP类
PNP是指当有信号触发时,信号输出线out和电源线VCC连接,相当于输出高电平的电源线。
对于PNP-NO型,在没有信号触发时,输出线是悬空的,就是VCC电源线和out线断开。有信号触发时,发出与VCC电源线相同的电压,也就是out线和电源线VCC连接,输出高电平VCC。
对于PNP-NC型,在没有信号触发时,发出与VCC电源线相同的电压,也就是out线和电源线VCC连接,输出高电平VCC。当有信号触发后,输出线是悬空的,就是VCC电源线和out线断开。
对于PNP-NC+NO型,其实就是多出一个输出线OUT,根据需要取舍。
2、NPN类
NPN是指当有信号触发时,信号输出线out和0v线连接,相当于输出低电平,ov。
对于NPN-NO型,在没有信号触发时,输出线是悬空的,就是0v线和out线断开。有信号触发时,发出与OV相同的电压,也就是out线和0V线连接,输出输出低电平OV。
对于NPN-NC型,在没有信号触发时,发出与0V线相同的电压,也就是out线和0V线连接,输出低电平0V。当有信号触发后,输出线是悬空的,就是0V线和out线断开。
对于NPN-NC+NO型,和NPN-NC+NO型类似,多出一个输出线OUT,及两条信号反相的输出线,根据需要取舍。
NPN型是低电平输出,PNP型是高电平输出。

举个例子,如果传感器的电源是24V的,那么NPN型输出就是0V,PNP型输出就是24V。
接入PLC的输入的话,如果是NPN型输出,那么PLC输入的COM端就应该是24V;同理,如果是PNP型输出,PLC的输入端应该接0V。
最重要是搞清楚PNP、NPN 表示的意思是什么?P表示正、N表示负。PNP表示平时为高电位,信号到来时信号为负。NPN表示平时为低电位,信号到来时信号为高电位输出,接近开关和光电开关只是检测电路不同输出相同。至于PLC接线,一般用NPN的较多。大多数的日本的PLC有日本型、世界型、和通用型。进入中国的多数为世界型和通用型,可直接用NPN型。接近开关和光电开关的电源正端接电源正、负接公共端、输出接PLC的输入端。
总结
对于PLC的开关量输入回路。感觉日本三菱的要好得多,甚至比西门子等赫赫大名的PLC都要实用和可靠!其主要原因是三菱等日本PLC从欧美那儿学来技术并优化设计,做到以下几点:
1、采用漏输入;输入端本来就设计为对地短路就引发开入有效!不会对电源系统构成危害,也不会由于电源故障影响其他输入回路的正常工作!
2、采用源输入;是公共电源输入端。在工程实际应用中往往有太多的电缆,你可能无法保证电缆的相互接触、破损,说不定共电源的开关量线路会无意接触到设备地、外壳、其他的电位。因此可能断路电源供应回路。造成电源损坏或者烧掉保险,从而可能影响其他输入回路的正常工作。除非每个输入回路加保险,应用成本较高也容易出现其他故障。
上一篇:PLC控制系统实际调试中常见的三大问题
下一篇:轴承故障诊断的五大关键方法与实用技巧解析
- 热门资源推荐
- 热门放大器推荐
- 边缘计算主机盒选购指南:五大核心指标解析
- Arm AGI CPU 更多细节:台积电 3nm 制程、Neoverse V3 微架构
- Arm AGI CPU 重磅发布:构筑代理式 AI 云时代的芯片基石
- Arm 拓展其计算平台矩阵,首次跨足芯片产品
- 阿里达摩院发布RISC-V CPU玄铁C950,首次原生支持千亿参数大模型
- 边缘 AI 加速的 Arm® Cortex® ‑M0+ MCU 如何为电子产品注入更强智能
- 阿里达摩院发布玄铁C950,打破全球RISC-V CPU性能纪录
- VPU中的“六边形战士”:安谋科技Arm China发布“玲珑”V560/V760 VPU IP
- 利用锚定可信平台模块(TPM)的FPGA构建人形机器人安全
- 使用 ON Semiconductor 的 FAN2518S 的参考设计
- LTC1530S8、3.3V/3A 稳压器
- 使用 ON Semiconductor 的 ADP3167 的参考设计
- 使用 Analog Devices 的 LT3420EDD 的参考设计
- 基于Kinetis® M的低成本单相电表参考设计
- LTC3708、具有上升/下降轨跟踪功能的 2.5V/15A 和 1.2V/15A 稳压器
- NXQ1TXH5插件板
- 应变仪仪表放大器
- WRL-13287,基于 ESP8266 802.11 无线局域网的 SparkFun Wi-Fi Shield
- 4.1W、3-LED 通用 LED 照明驱动器

现代雷达系统的信号设计
OP413EY

BFR340T






京公网安备 11010802033920号