汽车高级驾驶辅助系统 (ADAS) 解决方案领域正在迅速发展。自动紧急制动系统和前向碰撞预警系统将很快在美国和欧洲强制使用。ADAS 功能列表非常广泛,包括用于监控驾驶员注意力水平的驾驶员监控系统 (DMS)、自动驾驶、自适应前灯控制、自动泊车、交通标志识别等。
新的 ADAS 技术有可能提高驾驶员的安全性和舒适度,更重要的是,可以减少汽车事故和人员伤亡。然而,ADAS 技术的采用给汽车设计带来了新的问题,尤其是在电子解决方案的尺寸、安全性和可靠性方面。本文回顾了 ADAS 背后的大趋势及其相关的技术挑战,并探讨了应对电源管理领域这些挑战的新解决方案。
ADAS 技术有可能提高驾驶员的安全性和舒适度,并减少车祸和人员伤亡。
ADAS 的大趋势
ADAS 是一项关键的颠覆性技术,开创了交通智能出行的新时代。汽车制造商越来越多地将自己视为产品制造商和移动服务公司。除了开发将改善交通流量和安全性的下一代联网和自动驾驶汽车外,汽车制造商还在投资大量新的移动服务。城市规划者将使用移动生态系统来减少交通拥堵,同时产生相关的好处,例如减少交通事故、改善空气质量和减少城市停车足迹。ADAS 强调安全,甚至有望颠覆汽车保险行业,造福消费者。
ADAS 功能由部署在汽车上的大量传感器启用,这些传感器与整个汽车的 I/O 模块、执行器和控制器联网。最终,连接到云支持功能的车载传感器将提供来自其他车辆和云基础设施的外部数据,以实现互联安全、高级驾驶辅助支持以及自动驾驶软件和功能。
挑战
ADAS 功能的激增需要在汽车的每个控制器、传感器、I/O 和执行器中配备大量处理器和连接接口。这反过来又对系统硬件提出了新的要求,包括:减小组件尺寸以在相同空间中安装更多电子设备,提高能源效率以在相同或更低的热预算内执行,以及提高电气/机械安全性和可靠性以减少故障.
ECU 的电源管理电子设备必须能够承受恶劣的汽车环境(冷/热启动、负载突降、启动/停止)、具有高精度、良好的保护(接地短路、电池短路、OV、OC 等),并且免受电磁干扰 (EMI) 的影响。这对于雷达模块、传感器融合和控制器局域网 (CAN) 等“安全”模块和信息娱乐、仪表板和主机单元等非安全模块都是如此。
此外,安全模块必须符合汽车安全完整性等级 (ASIL) 标准,包括更严格的保护和准确性、冗余参考、开路引脚故障保护和其他诊断。因此,许多电源管理产品同时提供 ASIL 和非 ASIL 版本。总之,电子元件面临的主要挑战是小型化以及安全性和可靠性。
解决方案小型化
在本节中,我们将讨论节省空间的汽车电源管理解决方案。首先,我们将讨论位于汽车外围的远程摄像头,然后讨论智能汽车核心的 ECU。最后,我们将回顾与电池接口的前端电压调节器。
如何使您的汽车遥控摄像头小型化
远程摄像头模块通常由同轴电源 (POC) 8 V 电源轨供电,功耗约为 1 W 或更少 (< 125 mA)。该导轨被降压以为板载电子负载供电,包括成像器和串行器(图 1)。相机以开/关方式运行 - 完全运行或完全关闭。出于这个原因,选择流线型降压转换器 IC 更具成本效益,该 IC 专为满负载时的高效率而设计,而无需专门用于增强轻负载操作的额外硅片(或成本)。

图 1:远程摄像机同轴电缆供电框图。
通过用两个高效双降压转换器 IC 覆盖四个轨道,我们节省了空间并最大限度地减少了损耗。表 1顶部所示的双降压转换器就是该应用的一个示例。
如何缩小 ADAS ECU
智能汽车装有 ADAS 电子控制单元 (ECU),每个都从汽车电池获取电力。每个 ECU 都支持特定的汽车功能,并拥有自己的专用电源管理。由于具有如此高的可变性,对 ECU 的电源管理实施使用离散方法似乎是唯一的选择。也就是说,每个构建块都有一个 ad hoc IC。然而,这种方法与这些无处不在的设备的另一个重要要求不兼容,特别是小尺寸。本节回顾了三种截然不同的 ECU 应用,并表明即使需要多个构建块,定制的集成电源管理方法也可以轻松解决这一难题。
ADAS雷达电源解决方案
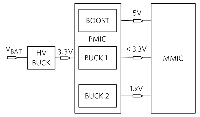
图 2显示了一种高度集成的解决方案,可将 IC 的数量减少到两个。高压 (HV) 降压转换器可承受负载突降并将电池电压降至 3.3 V,从而允许在其输出附近(远低于 6 V)进行冷启动操作。高密度、低电压 PMIC 集成了后端稳压器。通过这种划分,可以方便地将所需区域分成两块——一块用于前端降压转换器 (HV BUCK),另一块用于 PMIC——从而可以轻松地将电源管理解决方案“包裹”在信号链电路周围.

图 2:ADAS 雷达 PMIC。
如果 ASIL 合规性由微控制器处理,则具有三个高效、低压 DC/DC 转换器输出的小型 PMIC 就足够了。前端降压转换器 (HV BUCK) 与电池连接。雷达下的表 1中提供了 PMIC 和前端降压的示例。在此实施中,ADAS 雷达电源管理解决方案的总面积估计为 750 mm 2,或约为可用面积的三分之一(而非集成解决方案的一半)。
ADAS摄像头电源解决方案
可以为汽车摄像头 ECU 复制之前的分区解决方案。图 3显示了 ECU 内部的 PMIC,仅由一个 8.5-V 升压转换器和一个 1.8-V 降压转换器组成。1.8V 电源轨为微处理器供电。8.5V 电源轨通过同轴电缆为远程摄像机供电。

图 3:摄像头 ECU 内的电源 PMIC。
为 ADAS 摄像头 ECU 应用量身定制的 PMIC,集成了一个同步升压和一个降压转换器,如表 1所示。总溶液面积(PMIC + HV BUCK)估计约为 550 mm 2。
仪表盘电源解决方案
仪表板 MCU 处理仪表板仪表显示的信息。在图 4中,片上系统 (SoC) 微控制器需要两个电源,1.1 V 为其内核供电,1.8 V 为外围供电。这里,Cluster ECU 下表 1所示的双降压 PMIC适合 ADAS 微处理器内核和外围电源应用。总溶液面积(PMIC 和 HV BUCK)估计约为 560 mm 2。

图 4:仪表板 PMIC。
为您的汽车 ECU 选择合适的前端降压转换器
汽油动力车辆依靠铅酸电池为电子负载供电。电池原始电源和精密电子设备之间的接口需要一个能够支持不同瞬态条件的前端稳压器。
降压转换器必须承受电池电压,在充满电的电池上,该电压可高达 14.7 V。采用启停技术的车辆在发动机启动时会出现较大的电压骤降,因此电源的下限远低于典型的 12 V,可低至 4 V 或更低。需要一个高且控制良好的 PWM 开关频率(高于 500 kHz 至 1.7 MHz 的 AM 波段范围)以减少射频干扰,而扩展频谱对于满足 EMI 标准是必要的。
如果 ECU 的复杂程度较低,一个简单的完全单片 IC 就足以满足前端降压转换器的需求。对于低于 8 A 的电流水平,单片解决方案可以在尽可能小的 PCB 面积内提供最佳效率。
对于需要 8 A 至 20 A 总电流的中到高级系统复杂性,前端降压转换器最方便的解决方案是控制器 IC 加上外部低 R DS(ON) MOSFET。例如,具有 3.5μA 静态电流的 2.2MHz 同步降压控制器 IC 如表 1所示,位于集群 ECU 前端。它适用于具有中高功率要求和电流高达 20 A 的应用。
对于要求总电流水平高于 20 A 的系统,两相交错式控制器是前端降压转换器的最佳解决方案。表 1还显示了一个 2.2MHz、单输出、两相交错或双输出、单相同步降压控制器。
安全可靠
在本节中,我们将首先讨论从电池到远程摄像机的电气路径的安全性。使用适当的保护器并遵守 ASIL-B 和 ASIL-D 安全规范可以增强电气安全性。我们还将审查驾驶者的安全。可见光 LED 驱动器在保护和增强复杂的照明模式方面发挥着关键作用,从而提高了驾驶者的能见度。同样,IR LED 驱动器在 DMS 应用中发挥着重要作用,检查驾驶者的警戒状态。我们将强调节能解决方案的重要性,这些解决方案可减少热量产生并保持电子设备冷却,从而提高可靠性。
提供从汽车电池到远程摄像头的安全电源路径
通过同轴电缆进入相机模块的电流和电压必须针对各种类型的故障进行监控和控制。图 5显示了环视摄像机系统的示例。在这里,降压-升压转换器连接到电池,并通过四重保护器 IC、一组交流阻断线圈 (L) 和四根同轴电缆为远程摄像机提供直流电源。四通道解串器通过交流耦合电容器组 (C) 和相同的同轴电缆将微处理器连接到远程摄像机。

图 5:环视摄像系统。
例如,表 1显示了摄像头 ECU 前端下方的四电源摄像头保护器。该 ADAS IC 沿从汽车电池到远程摄像头的路径有效地提供电源和保护。
使用大功率降压 LED 控制器实现卓越的汽车外部照明
与传统技术相比,LED 具有显着优势。LED 前照灯(图 6)中白光的卓越清晰度提高了驾驶员的反应时间。由 LED 矩阵支持的自适应前照灯系统 (AFS) 可产生快速、复杂的光模式变化,从而提高驾驶员在光线不足的条件下的能见度。
夜间,针对迎面而来的汽车的光束,AFS 可以自动调整灯光模式,防止迎面而来的司机被刺眼的灯光弄瞎。LED 照明的上升时间是白炽灯的两倍,因此基于 LED 的刹车灯可以更快地点亮并为驾驶员提供提前警告,从而提高道路安全性。
最后,LED 比白炽灯消耗更少的功率,从而在燃料消耗方面具有显着优势。LED 控制器,即操作 LED 的电子设备,在保持和提高 LED 固有的清晰度、速度和效率方面发挥着重要作用。
图 6:LED 驱动的汽车前照灯。
高亮度 LED (HB LED) 需要恒定电流才能获得最佳性能。由于电流必须保持恒定以保持颜色,因此 LED 的最佳调光策略是脉冲宽度调制 (PWM),其中通过对电流进行时间分割而不是通过改变幅度来调制光强度。PWM 频率必须保持在 200 Hz 以上,以防止 LED 闪烁。
使用 PWM 调光时,最小 LED“开/关”时间的限制是开关稳压器电感中的电流上升/下降所需的时间。这可能会增加数十微秒的响应时间,这对于需要快速、复杂调光模式的 LED 前照灯组应用来说太慢了。在这种情况下,调光只能通过使用专用 MOSFET 开关(图 7中的 SW 1-K)单独打开/关闭串中的每个 LED 来执行。电流控制环路面临的挑战是要足够快,以便快速从二极管的切换导致的输出电压瞬态中恢复。
复杂的前照灯系统利用升压转换器作为前端来管理输入电压的变化(转储或冷车启动)和 EMI 发射。升压转换器可提供良好调节且足够高的输出电压(图 7)。使用这种稳定的输入电源工作的专用降压转换器可以通过允许每个降压转换器控制单个功能(例如远光灯、近光灯、雾灯、日间行车灯 (DRL))来处理控制灯的强度和位置的复杂性, 位置等

图 7:先进的 LED 照明系统。
理想的解决方案应满足宽输入电压范围、快速瞬态响应以及高且控制良好的开关频率的要求,同时通过同步整流实现高效率。
例如,表 1中的前照灯 ECU 下显示了支持这种解决方案的降压 LED 控制器。对于电流高达 2 A 的紧凑型照明应用,降压 LED 转换器是理想的解决方案。表 1的同一部分还显示了集成两个低 R DS(ON) 0.14Ω(典型值)MOSFET 并确保高达 95% 的高效率的完全同步 2A 降压转换器。高集成度产生最小的 PCB 面积占用。图 7中的升压转换器可以使用表 1的同一部分中所示的 36V、2.5MHz 汽车升压/SEPIC 控制器来实现。
用于 DMS 的红外摄像机
红外 (IR) 摄像头将 IR-LED 二极管与 CMOS 传感器结合使用,有助于识别影响驾驶者的危险微睡眠。使用红外线的优点是它对人眼不可见,并且能够昼夜工作。图像分析处理信息以确定驾驶员是否疲劳或分心。IR-LED 二极管的典型正向电压为 2.8 V,正向电流为 1 A,驱动它的电子设备直接连接到电池。
例如,降压 LED 驱动器显示在IR DMS 下的表 1中。完全同步的 2A 降压转换器集成了两个低 R DS(ON) 0.14Ω(典型值)MOSFET,可确保高达 95% 的高效率。凭借其 4.5V 至 65V 的输入电源范围,该 IC 可以轻松承受电池负载突降,使其成为 DMS 应用中的前端降压转换器的理想选择。
电源总结

表 1 总结了 ADAS 的示例电源管理方法。
概括
ADAS 技术有可能提高驾驶员的安全性和舒适度,并减少车祸和人员伤亡。ADAS 技术的采用在电子解决方案的尺寸、安全性和可靠性方面带来了挑战。
对于每个挑战,我们都展示了电源管理如何有效帮助用户实现 ADAS 系统的示例。针对小型化挑战,我们为远程摄像头模块以及摄像头、雷达和集群 ECU 提出了高度集成的解决方案。为了提高安全性和可靠性,我们提出了照明、ECU 前端、IR 和雷达应用的解决方案。最后,对于安全模块,我们强调了符合 ASIL 标准的 IC 的可用性。这些电源管理解决方案克服了当今 ADAS 实施所面临的关键挑战。
上一篇:10个汽车热传感器
下一篇:48V降压转换器帮助MHEV满足燃料排放标准
- 热门资源推荐
- 热门放大器推荐
- 边缘计算主机盒选购指南:五大核心指标解析
- Arm AGI CPU 更多细节:台积电 3nm 制程、Neoverse V3 微架构
- Arm AGI CPU 重磅发布:构筑代理式 AI 云时代的芯片基石
- Arm 拓展其计算平台矩阵,首次跨足芯片产品
- 阿里达摩院发布RISC-V CPU玄铁C950,首次原生支持千亿参数大模型
- 边缘 AI 加速的 Arm® Cortex® ‑M0+ MCU 如何为电子产品注入更强智能
- 阿里达摩院发布玄铁C950,打破全球RISC-V CPU性能纪录
- VPU中的“六边形战士”:安谋科技Arm China发布“玲珑”V560/V760 VPU IP
- 利用锚定可信平台模块(TPM)的FPGA构建人形机器人安全
- RDR-142 - 35W电源
- i.MX RT1060 Evaluation Kit
- 使用 Embedded Planet 的 5CEFA9U27 的参考设计
- DC1369A-D、LTC2258-14 演示板、14 位 65 Msps ADC、LVDS 输出、5-170MHz
- LT3990EMSE-5 12V 降压转换器的典型应用
- 使用 Analog Devices 的 LTC1148 的参考设计
- LT1377IS8 具有直接反馈的正负转换器的典型应用
- 使用 NXP Semiconductors 的 TL431AI 的参考设计
- LT8304IS8E 18V 至 80Vin、5Vout 隔离反激式转换器的典型应用电路
- LT3512EMS 演示板,单片式高压隔离反激式转换器 36V VIN 75V,VOUT = 5V @ 500mA

非常经典的关于LLC的杨波博士论文
INA2126E-250

XC6406PP60DL






京公网安备 11010802033920号