基于EtherCAT总线的电机驱动器,可为几百个电机的自动生产线应用提供高速、精确、灵活和可靠的通信和控制解决方案,有助于提高生产效率、降低成本并增强系统的性能和可靠性。
在工业自动化生产线中,电机是必不可少的执行部件,有时一个自动化生产线可能需要控制几十甚至几百个电机。系统中需要控制如此多的电机,此时既要保证系统的实时性,还要方便系统的扩展、维护和工程师进行系统的设计和开发,选用EtherCAT总线通讯的驱动器控制电机目前来说是最好的选择。EtherCAT(以太网控制自动化技术)可以控制步进电机实现高精度的定位和运动,EtherCAT与步进电机的结合可实现高精度、高效率的运动控制,适用于各种工业自动化和机械控制应用。
EtherCAT在电机驱动的应用
EtherCAT在电机应用中具有以下优势:
支持高速的数据传输,具有极低的延迟,能够实现快速的控制循环,从而提高了电机控制的实时性和精度。
提供了精确的同步机制,使得多个电机能够以高精度的方式进行同步运动,适用于需要精确协同工作的应用。
支持多种拓扑结构,如线型、星型、树形等,可以根据实际需求灵活配置,降低了布线的复杂性。
具有良好的可扩展性,可以轻松地添加或删除电机节点,适应不同规模的系统。
提供了丰富的诊断功能,可以实时监测电机的状态和参数,快速定位故障,提高了系统的可靠性和维护效率。
采用了时分复用技术,保证了数据传输的实时性和确定性,适用于对时间要求严格的电机控制应用。
EtherCAT是一种开放的工业以太网标准,支持不同厂商的设备之间的互操作性,例如可以快速接入DI、DO、模拟量采集等模块,更加方便系统集成。
由于EtherCAT使用以太网作为物理底层,利用以太网的优势,可以减少线缆数量,降低系统成本。
实际应用中可能还有以下需求:
小体积,结构紧凑,在最小的体积下集成最多的从站。
易于安装和维护。
更灵活的扩展,可快速增加和减少电机数量。
安装更加简洁,降低布线的复杂性。
为满足个性化的电机驱动需求,广州致远电子推出插板式电机驱动系统,该系统采用EtherCAT总线通讯,支持高速的数据传输,具有极低的延迟,能够实现快速的控制循环,从而提高了电机控制的实时性和精度。从站电机驱动模组为59mm*50mm的小尺寸模块,采用40脚2.54mm标准排针接口。用户可按需自行设计制作分线底板,驱动器插在底板上通过EtherCAT网络级联,总线最多可扩展65535个从站设备。

图1致远电子插板式电机驱动系统方案框图
表1致远电子EtherCAT电机驱动器

驱动器其他参数:
1/2/4/8/16/32/64/128/256细分选择;
CiA402运动控制协议,支持CSP/PP/HM/PV模式;
3个数字输入,1组ABZ正交编码输入;
开环或编码器闭环控制可选。

图2ZMD-E1050ECT电机驱动器
快速实现200个电机驱动应用设计 1. 选择一个拓扑结构
EtherCAT可以有多种拓扑结构,可以使用线型、环型、树型等拓扑结构,下面介绍使用致远电子ZMC900E主站控制器,线型拓扑实施200个电机驱动器系统(若要较高的实时性,可使用多个ZMC900E主站控制器。若要做冗余设计,可选用致远电子的HPCIe-2E主站卡),系统框图如图3所示。

图3200个EtherCAT电机驱动器系统框图
ZMC900EEtherCAT主站控制器是广州致远电子股份有限公司开发的最新一代智能总线型控制器,是面向工厂智能化时代的机器控制器。其采用工业领域内先进的嵌入式 ARM 方案,集实时操作系统、智能算法于一身,以 EtherCAT 工业以太网协议为向导,可以快速、有效、便捷的构建数控智能化设备,以适应工厂智能化、信息化产业的变革。

图4ZMC900EEtherCAT主站控制器
致远电子 PCIe EtherCAT通讯卡 是一款基于PCIe的EtherCAT总线通讯接口卡。其采用工业领域内先进的FPGA控制方案,通讯速度极高,实时性很强。支持MiniPCIE、PCIe半卡、PCIe全卡设计,可兼容任何类型的3.3 V/DC MiniPCIE和PCIe插槽。
2. 底板设计
ZMD-E1050ECT驱动器的典型应用框图如图6所示,底板设计只需选择合适自己的接线端子,将线引出即可使用。由于EtherCAT网络是通过PCB连接,省去了网线,结构可以设计得非常紧凑。

图6ZMD-E1050ECT典型应用框图
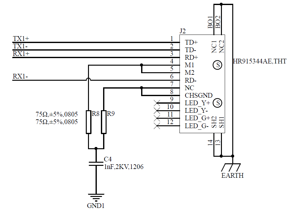
EtherCAT网口电路参考电路如图7所示,在干扰较大的环境下,可使用集成隔离变压器的RJ45接口。

图7网口设计加隔离变压器
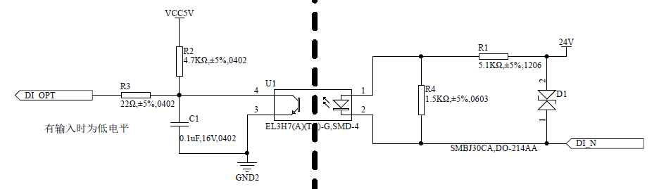
通常情况下数字输入接口通过无源开关接GND2即可,若外部需要接PLC、NPN型的接近开关等有源信号,可使用普通的光耦进行电平转换,参考电路如图8所示:

图8数字输入电路
使用ZMD-E1050ECT电机驱动器,只需简单搭建外围电路即可实现多电机应用,分线底板根据使用场景自行设计,使用非常灵活,在较小空间内可布置200个电机驱动,致远电子的20电机控制系统评估底板如图9所示:

图9电机控制系统
上一篇:PLC搭配中继器使用的基本步骤和注意事项?
下一篇:变频器通过Modbus转Profinet网关接电机与PLC通讯在自动化的应用
推荐阅读最新更新时间:2026-03-24 07:49
- 边缘计算主机盒选购指南:五大核心指标解析
- Arm AGI CPU 更多细节:台积电 3nm 制程、Neoverse V3 微架构
- Arm AGI CPU 重磅发布:构筑代理式 AI 云时代的芯片基石
- Arm 拓展其计算平台矩阵,首次跨足芯片产品
- 阿里达摩院发布RISC-V CPU玄铁C950,首次原生支持千亿参数大模型
- 边缘 AI 加速的 Arm® Cortex® ‑M0+ MCU 如何为电子产品注入更强智能
- 阿里达摩院发布玄铁C950,打破全球RISC-V CPU性能纪录
- VPU中的“六边形战士”:安谋科技Arm China发布“玲珑”V560/V760 VPU IP
- 利用锚定可信平台模块(TPM)的FPGA构建人形机器人安全
- REF196 精密微功率、低压差堆叠电压基准的典型应用电路
- LTC4367IMS8 用于滞后调节的过压电源控制器的典型应用
- CLRC663非接触式读写器IC的典型应用
- 使用 ON Semiconductor 的 CS-5621 的参考设计
- RSO-0515S 15V、67mA输出DC/DC转换器典型应用电路
- NCP51200 3 Amp VTT 终端稳压器 DDR1、DDR2、DDR3、LPDDR3、DDR4 的典型应用
- LR645大电流SMPS启动电路典型应用
- ADR420 可编程电流源的典型应用
- DC417B,使用 LT1806CS8 多尺寸单运算放大器原型的演示板
- DM300019,用于评估 dsPIC30F 和 dsPIC33F MCU 系列器件的 dsPICDEM 入门开发板

电机驱动教程
资料包_电机驱动,基于STM32
现代雷达系统的信号设计
BFR340T






京公网安备 11010802033920号