之前有段时间写过几篇几个车载控制器的功能介绍,其中有一篇就是车身控制器的功能介绍(回看戳:谈谈车身控制器功能),今天来梳理一下部分功能的详细规范
首先是对车身控制器的基本要求,包括供电电压处理策略、工作温度和休眠电流、休眠唤醒策略、总线和诊断。
供电电压策略包括CAN 网络工作电压范围7-17.5V,LIN网络工作电压范围 7-18V,DTC工作电压为8-16V,当供电电压不在该范围时,关闭总线和DTC的检测。
工作温度和休眠电流的要求,这个是为了满足车辆在高温或者高寒情况下也能正常使用的,工作温度为-40~+80℃,存储温度-40 to 85°C,休眠电流小于 3mA(12.8V)。
休眠唤醒策略,车身控制器的唤醒源包括CAN唤醒、KL15唤醒、LIN唤醒、RTK、诊断唤醒。
总线和诊断的通常写的是OEM的总线和诊断规范,以及OEM释放的通信矩阵和诊断调查问卷。
除了上述之外,就是车身控制器的各个功能规范了。
01.
灯光控制
灯光控制主要包括转向灯和危险报警灯控制、远光灯控制、位置灯控制、雾灯控制等。
1.转向灯和危险报警灯控制
转向灯主要由左转向灯、右转向灯、左转向指示灯、右转向指示灯组成。转向灯在工作时以每分钟85±10 次的频率闪烁。左转向指示灯和右转向指示灯通过 CAN 网络发送给仪表。
功能概述:
1) 钥匙处于点火开关 ON 档时,转向开关接通或断开则相应的转向灯闪烁或关闭,并同时触发仪表板上的转向指示灯以相同频率闪烁或关闭指示灯;
2) 转向灯开关拨到左或右时,BCM 驱动相应转向灯至少激活闪烁 3 次
3) 如果当转向灯在激活后被关闭,那么转向灯将在完成其起初的最小 3 次闪烁周期后立即关闭。
4) 如果左转向灯在被激活后将转向灯开关从左拨到右,那么左侧转向灯将立即关闭,右侧转向灯立即打开。
5) 如果右转向灯在被激活后将转向灯开关从右拨到左,那么右侧转向灯将立即关闭,左侧转向灯立即打开。
6) 危险警报灯包括所有的转向灯,钥匙在任意档位时都能驱动这些转向灯发出警报。危险报警灯开关为自锁开关。
7) 点火锁开关在 ON 时,转向灯和警示灯工作优先级为后操作优先,具体说明如下:如果转向灯在工作状态,打开报警灯开关,那么报警灯工作取代转向灯的工作,直到报警灯开关被关闭,系统才回到转向灯工作状态;如果报警灯在工作状态,将转向灯拨到左或右,那么转向灯工作取代报警灯的工作,直到转向灯输出关闭或者点火状态从 ON 变为 OFF,系统才回到报警灯工作状态。
8) 如果接收到碰撞信号,那么所有的灯工作在报警灯状态下至少 5 秒钟,5 秒钟后再次按下报警灯开关,将能关掉报警灯闪烁,这样为了防止由于碰撞而使报警灯开关被按下,如未按下危险报警灯开关,当检测到点火开关由 ON-OFF-ON;碰撞解除,警示灯恢复正常工作。
9) 当转向灯由于对地短路或者过载而上报故障时,短路状态将通过相关 DTC 记录到 memory 中,并且立即关断该侧转向灯高边驱动芯片,组合仪表上转向指示灯也停止,如果在本次点火循环过程中转向灯再次被开启也不执行对应操作,必须重新启动一次点火循环,输出才能恢复正常。
10) 当工作于转向灯工作模式时,某侧转向灯由于开路或者对电源短路而上报故障时,开路状态将通过相关 DTC 记录到 memory 中,并且该侧转向灯以双倍频率(170±20 次/min)闪烁,组合仪表转向指示灯也以双倍频率闪烁。当点火钥匙从 ON 转到 OFF/ACC,再从 OFF/ACC 到 ON,输出恢复正常,或者在本次点火循环中,当开路故障排除时也可以恢复正常频率闪烁。

图1左右转向灯/危险警报灯时序图
2.远光灯控制
远光灯功能描述如下:
1. 当点火状态为 ON,并且远光灯开关有效时,打开远光灯开关,远光灯点亮;
2. 远光灯开关关闭,或点火状态不为 ON,远光灯熄灭;
3. BCM 通过开关状态判断远光灯的工作状态,当大灯开关有效,且远光灯开关有效时,为远光灯模式;当远光灯开关有效,大灯开关关闭时,工作在超车模式;
4. 当远光灯输出有效时,点火档位从 ON 档变为 START 档时,关闭远光灯输出,当从 START 档位重新回到 ON 档时,重新打开远光灯输出。
3.位置灯控制
位置灯控制策略:
1. 点火开处于任何档位时,位置灯开关输入有效时,位置灯、牌照灯、背光灯输出开启;
2. 当位置灯开关输入无效时,位置灯、牌照灯及背光灯输出关闭;
3. 当位置灯开关输入有效,若左前门处于打开状态时,拔出钥匙位置灯立即熄灭;若左前门处于关闭状态时,拔出钥匙位置灯不灭,左前门打开位置灯熄灭,钥匙插入或再次检测到位置灯开关有效时亮。此过程左前门关闭不改变位置灯输出;
4. 当点火开关处于 OFF 档位,位置灯打开时,若收到 RKE 闭锁信号,位置灯关闭。
4.日间行车灯控制
日间行车灯按如下逻辑左右分开控制输出:
1) 若点火开关在 ON 档或者 Start 档位,前雾灯输出无效,左转向灯或者危险报警灯关闭,远、近光灯输出关闭,以上条件同时满足打开左侧日间行车灯,否则关闭左侧日间行车灯;超车灯开启时,不熄灭日间行车灯;
2) 若点火开关在 ON 档或者 Start 档位,前雾灯输出无效,右转向灯或者危险报警灯关闭,远、近光灯输出关闭,以上条件同时满足打开右侧日间行车灯,否则关闭右侧日间行车灯;超车灯开启时,不熄灭日间行车灯;
3) 日间行车灯和前位置灯不能同时有效,当日间行车灯工作时,如满足位置灯打开条件,前位置灯不输出;当前位置灯输出时,若满足日间行车灯工作条件,则关闭前位置灯,打开日间行车灯。
5.前雾灯功能控制
前雾灯控制策略:
1. 点火开关在 ON,当位置灯点亮时,按下前雾灯开关点亮前雾灯。前雾灯开关为自锁开关。
2. 位置灯熄灭或者前雾灯开关关闭时前雾灯熄灭或点火开关打到 On 档以外时前雾灯熄灭。
3. 前雾灯开启时,点火开关从 ON 被转到 START 档位,屏蔽前雾灯输出,等点火开关回到 ON 档时,重新打开前雾灯输出。
4. 弯道辅助功能:
发动机处于运行状态,若当前车速小于等于(40±4)km/h,近光灯工作,打开左转向开关,则左侧前雾灯点亮;若关闭左转向开关,则左侧前雾灯关闭;
发动机处于运行状态,若当前车速小于等于(40±4)km/h,近光灯工作,打开右转向开关,则右侧前雾灯点亮;若关闭右转向开关,则右侧前雾灯关闭;
当发动机转速超过 650r/min 并且持续时间大于 5±1s 时认为发动机为运行状态;
弯道辅助功能中,当前雾灯点亮时间超过 3±0.3 分钟后,自动熄灭,如果重新触发点亮条件,则前雾灯重新工作;
若近光灯关闭,前雾灯立即熄灭;
若车速大于(40±4)km/h,无弯道辅助照明。
当左、右前雾灯都工作时,发送到 CAN 总线的前雾灯状态为工作。当至少有一个前雾灯不工作时,发送到 CAN 总线的前雾灯状态状态为不工作。

图2前雾灯时序图
6.后雾灯控制
后雾灯控制策略概述:
1. 开启条件:点火开关为 ON 且位置灯输出有效,前雾灯、近光灯或远光灯中至少有一个点亮,且后雾灯开关(自复位开关)有效时,后雾灯输出打开。
2. 关闭条件:
位置灯输出关闭或者后雾灯开关关掉时后雾灯熄灭。
点火开关被转到 ON 以外其他位置(后雾灯开启时,点火开关被转到 START 档位,屏蔽后雾灯输出,等点火开关回到 ON 档时,重新打开后雾灯输出)。
3. 后雾灯替代制动灯输出功能:当制动灯工作中,BCM 检测到制动灯发生开路或者对地短路故障,后雾灯继电器输出打开,此时后雾灯指示灯不点亮。

图 3 后雾灯时序图
02.
雨刮系统
BCM 通过监测雨刮开关的状态以及组合开关来控制雨刮电机及喷水泵工作,实现雨刮系统的各种工作模式:前雨刮低速运行、前雨刮高速运行、前雨刮间歇运行、前雨刮关闭、前风窗喷水、后雨刮运行、后风窗喷水等。
1) 在点火状态处于 ON 档时,当前雨刮控制开关处于间歇位置,则前雨刮执行间歇动作。BCM 驱动电机 600ms,雨刮归位时间为 1400ms。
2) 当雨刮处于间歇档时,间歇时间调节有五个档位。间歇时间如下表。

3) 前喷水小于 600ms 雨刮不动作,大于 600ms 雨刮跟随喷水一直刮,每次周期打开 600ms,关闭1.4s,喷水停掉后再刮 3 次,也是每次周期打开 600ms,关闭 1.4s。
4) 在间歇时,喷水联动优先。
5) 雨刮动作时,发送相应的状态至 CAN;
6) 当雨刮间歇输出时,点火档位从 ON 档变为 START 档时,关闭雨刮输出,当从 START 档位重新回到 ON 档时,重新打开雨刮输出。

图4前雨刮间歇、喷水时序图
03.
锁系统
车锁系统通过 BCM 内部继电器完成对门锁的控制,其实现以下功能:遥控闭锁和开锁、钥匙闭锁和开锁、当车速超过某预设值(EEPROM 内设置),三门自动上锁;、当钥匙拔出点火锁,三门锁车辆执行自动开锁、自动重上锁功能、碰撞强制开锁、上锁解锁 CAN 网络上的请求发送。
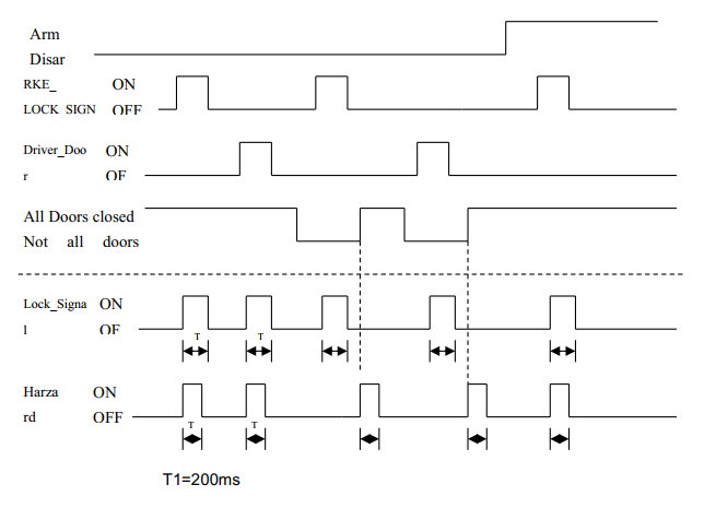
RKE 遥控上锁
在解防状态下,BCM收到有效RKE上锁信号后,若三门及引擎盖全部关闭,则三门上锁,双侧转向灯闪烁1次,闪烁周期为1秒钟,其中0.5秒亮,0.5秒灭,喇叭鸣叫10ms。如果在闪烁期间,BCM接收到RKE解锁命令,则灯光闪烁转入解锁闪烁过程;若司机侧门关闭后任何其它门未关闭,则锁电机动作,转向灯不闪。等全部门关闭,重新执行确认动作,即双侧转向灯闪烁1次,闪烁周期为1秒钟,其中0.5秒亮,0.5秒灭,喇叭鸣叫10ms。
在设防状态下,BCM 收到有效 RKE 上锁信号后,BCM 仍执行闭锁动作,同时执行确认动作,即锁电机动作,双侧转向灯闪烁 1 次,闪烁周期为 1 秒钟,其中 0.5s亮,0.5s灭,喇叭鸣叫10ms。

图5RKE 或上锁时序图
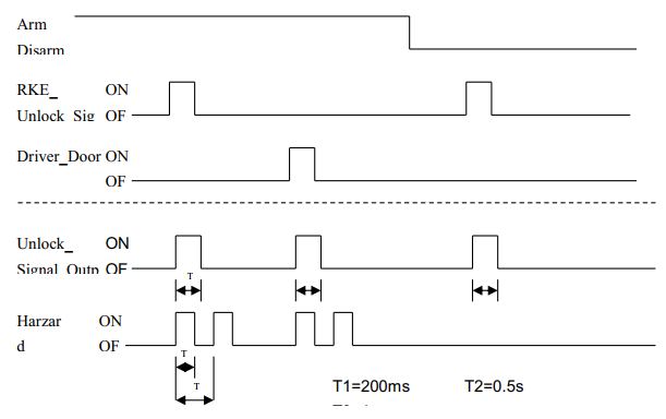
RKE 遥控解锁
在设防状态下,BCM 接收到有效 RKE 解锁信号后三门解锁,实施解防,并执行确认动作,即双侧转向灯闪两下后熄灭。每次闪烁周期为 1 秒钟,其中 0.5 秒亮,0.5 秒灭。
在解防状态下,BCM 接收到有效 RKE 解锁信号或者机械钥匙解锁信号后,BCM 执行解锁动作,双侧转向灯相应闪烁 2 次。

图6RKE 遥控解锁时序图
自动上锁功能
当车速达到预先设定的值 n (EEPROM 中设定,默认值为 40km/h),若司机侧锁电机处于解锁状态,驾驶员门关闭的情况下,BCM 会自动对车门上锁。
闭锁后,车速变化不再重复上锁,当车速低于 40km/h 时,允许开闭锁,当车速大于 40km/h 时,不允许开闭锁。

图7自动上锁时序图
自动重上锁
若在解除设防 30s 内没有三门及引擎盖打开或钥匙插入点火锁,则尝试 RKE 闭锁操作的过程。

图8自动上锁时序图
车身防盗报警系统
车身报警模块实现的是车辆在各种非正常状态下的报警功能,报警模块一旦被激活,就启动声光报警提醒用户同时抑制启动功能。
报警功能详述:
1) 三门以及引擎盖都关闭时,使用遥控器或者驾驶侧钥匙闭锁,左右转向灯闪烁 T2(1.0±0.2sec),喇叭鸣叫 10ms 进入设防警戒状态;若司机侧门关闭后任何其它门或引擎盖未关闭,使用遥控器锁门,门锁止,此时不在警戒状态,当所有门以及引擎盖都关闭时,左右转向灯闪烁 T2(1.0±0.2sec),喇叭鸣叫 10ms 进入警戒状态。
2) 在警戒状态时,三门或引擎盖有打开,或者检测到钥匙插入信号,车辆将报警,同时启动抑制继电器输出使能,抑制启动,在报警 3 个周期结束后启动抑制继电器一直有效。(同时触发几个条件的报警方式一样)
3) 使用遥控器或者驾驶侧钥匙开锁/解锁解除警戒状态,四门门锁打开,左右转向灯闪烁 T1(0.5±0.1sec),间隔 T2(0.5±0.1sec)后再闪烁 T1 秒。
4) 使用遥控尾门开锁信号解除警戒状态,危险警告灯闪烁 T1(0.5±0.1sec),间隔 T2(0.5±0.1sec)后再闪烁 T1 秒。
5) 当车处于警戒状态时,打开三门或引擎盖,警笛报警鸣叫 T1(27±2sec),间隔 T2(10±1sec),仍以T1 鸣叫,不重复报警;危险警告灯同时以 T3(0.5±0.1sec),占空比 50%闪烁,时间同警笛。
6) 在报警状态下,若三门和引擎盖都关闭,按下遥控器锁定按钮,则退出报警状态,所有车门锁定,转向灯闪一下,喇叭鸣叫 10ms 防盗继电器关闭,并重新进入警戒状态。在报警状态下,若除驾驶门外其他门及引擎盖开启,按下遥控器锁定按钮,则退出报警状态,所有车门锁定,防盗继电器关闭,喇叭停止报警,并在所有门关闭后,转向灯闪一下,再次进入警戒状态;在报警状态下,如果驾驶员侧门打开,按下遥控器锁定按钮,则退出报警状态,不执行上锁指令,防盗继电器关闭,喇叭停止报警。
7) 警报状态中,使用遥控器解锁解除警报,开锁继电器输出开锁信号,门处于开锁状态;解除警戒状态,危险警告闪烁两次,警笛停止鸣叫。
8) 当电源切断之后重新上电,应该回到掉电之前状态。
9) 设防状态下,通过遥控开锁实施解防之后,30s 内没有任何门或引擎盖打开或钥匙插入点火锁需要重新进入设防。
10) BCM 发送车辆相应的设防状态报文至 CAN 网络;
11) BCM 发送车辆相应的报警状态报文至 CAN 网络。

图9门打开报警功能时序图

图10门打开报警功能时序图

图11解除报警功能时序图
上一篇:使用1-Wire接口为汽车终端添加身份验证安全性
下一篇:ASK发射器/接收器对用作汽车防盗警报系统
推荐阅读最新更新时间:2026-03-25 15:12
- 边缘计算主机盒选购指南:五大核心指标解析
- Arm AGI CPU 更多细节:台积电 3nm 制程、Neoverse V3 微架构
- Arm AGI CPU 重磅发布:构筑代理式 AI 云时代的芯片基石
- Arm 拓展其计算平台矩阵,首次跨足芯片产品
- 阿里达摩院发布RISC-V CPU玄铁C950,首次原生支持千亿参数大模型
- 边缘 AI 加速的 Arm® Cortex® ‑M0+ MCU 如何为电子产品注入更强智能
- 阿里达摩院发布玄铁C950,打破全球RISC-V CPU性能纪录
- VPU中的“六边形战士”:安谋科技Arm China发布“玲珑”V560/V760 VPU IP
- 利用锚定可信平台模块(TPM)的FPGA构建人形机器人安全
- 使用 Analog Devices 的 ADP3334 的参考设计
- LTC3588IMSE-1 5V 至 16V 太阳能供电 2.5V 电源的典型应用电路,具有用于增加输出能量存储和电池备份的超级电容器
- XRP7659、1.5A DC 至 DC 非同步降压稳压器的典型应用
- 使用 ON Semiconductor 的 NCP3120MNTX 的参考设计
- MAXREFDES1003:150mA、4通道、LED驱动器,SEPIC配置
- LTC4223-2 演示板,用于 AMC 的双电源热插拔控制器(故障后自动重试)
- MC33072ADR2G 运算放大器用作晶体管驱动器的典型应用
- 使用 Diodes Incorporated 的 AP1509-12S 的参考设计
- NCP382HD10AAGEVB:单输入双输出高侧配电开关评估板
- 使用 Analog Devices 的 AD7730 的参考设计

基于新架构的车身域控制器方案研究与设计
现代雷达系统的信号设计
BFR340T






京公网安备 11010802033920号