摘要:本文通过比亚迪公司的专利了解电动汽车、车载充电器及其过流保护电路,其中,车载充电器包括AC/DC变换器和DC/DC变换器,AC/DC变换器和DC/DC变换器均采用光耦驱动的SiC开关管,过流保护电路包括:电流检测单元,通过检测DC/DC变换器的输出端电流以输出电流检测值;过流保护单元,用于输出过流保护信号;控制单元,在接收到过流保护信号时关闭SiC开关管的控制信号输出通道,以使AC/DC变换器和DC/DC变换器停止工作。该过流保护电路可以在车载充电器出现过流故障时快速触发过流保护功能,提升车载充电器工作的安全性,同时,采用SiC开关管可以提高车载充电器的充电速率,降低控制难度和成本。
技术领域
本实用新型涉及电动汽车技术领域,特别涉及一种车载充电器的过流保护电路、一种车载充电器和一种电动汽车。
背景技术
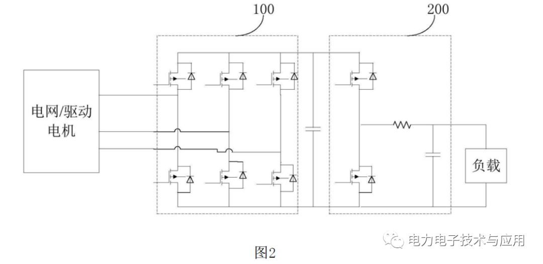
由于传统燃油车产生的汽车尾气加重环境污染,地球石油资源日益紧缺,因此全球市场对于电动汽车的需求急速增长。目前,车载充电器多使用两级变换结构,具体结构如图1所示,该车载充电器先将交流电经过AC/DC变换器100整流,然后将整流后的直流电接入DC/DC变换器200,以对直流电压进行调节,最后将调节后的直流电输入到负载(即电池包)。具体电路拓扑如图2所示,DC/DC变换器200多采用BOOST(升压斩波电路)和BUCK(降压斩波电路)电路实现DC/DC转换,开关管一般使用IGBT (Insulated Gate Bipolar Transistor,绝缘栅双极晶体管),通过驱动芯片控制IGBT的通断,该驱动芯片的型号一般为1ED020I12FA。
为保证车载充电器工作的安全性,一般需要设置过流保护电路。一些车载充电器可以根据采集到的IPM(Intelligent Power Module,智能功率模块)的过流保护信号,通过软件或者硬件电路关闭PWM(Pulse Width Modulation,脉冲宽度调制)输出通道,实现过流保护。
但是,大部分车载充电器使用的是MOS管,没有IPM(Intelligent Power Module,智能功率模块)过流保护信号,需要通过检测车载充电器的电流信号以构建过流保护信号。然而,一些车载充电器最高开关频率可达100KHz,如果采用上述方法的实现车载充电器的过流保护功能,其过流保护电路的动作延迟时间较大,过流保护功能存在失效风险,严重影响车载充电器工作的安全性。
实用新型内容
本实用新型旨在至少在一定程度上解决相关技术中的技术问题之一。为此,本实用新型的一个目的在于提出一种车载充电器的过流保护电路,该过流保护电路可以在车载充电器出现过流时快速触发过流保护功能,提升车载充电器工作的安全性,同时,车载充电器采用SiC(Silicon Carbide,碳化硅)开关管,可以提高车载充电器的充电速率,降低控制难度和成本。本实用新型的第二个目的在于提出一种车载充电器。本实用新型的第三个目的在于提出一种电动汽车。
为达到上述目的,本实用新型一方面提出了一种车载充电器的过流保护电路,所述车载充电器包括AC/DC变换器和DC/DC变换器,所述AC/DC变换器和DC/DC变换器均采用光耦驱动的SiC开关管,所述过流保护电路包括:电流检测单元,所述电流检测单元通过检测所述DC/DC变换器的输出端电流以输出电流检测值;过流保护单元,所述过流保护单元与所述电流检测单元相连,所述过流保护单元用于在所述电流检测值大于预设电流阈值时输出过流保护信号;控制单元,所述控制单元与所述过流保护单元相连,所述控制单元在接收到所述过流保护信号时关闭所述SiC开关管的控制信号输出通道,以使所述AC/DC变换器和DC/DC变换器停止工作。
根据本实用新型的车载充电器的过流保护电路,电流检测单元通过检测DC/DC变换器的输出端电流以输出电流检测值,过流保护单元在电流检测值大于预设电流阈值时输出过流保护信号,控制单元在接收到过流保护信号时关闭SiC开关管的控制信号输出通道,以使AC/DC变换器和DC/DC变换器停止工作。由此,该过流保护电路可以在车载充电器出现过流故障时快速触发过流保护功能,提升车载充电器工作的安全性,同时,车载充电器采用SiC开关管,可以提高车载充电器的充电速率,降低控制难度和成本。
根据本实用新型的车载充电器的过流保护电路还可以具有如下附加的技术特征:
所述电流检测单元包括电流霍尔传感器,所述电流霍尔传感器连接到所述DC/DC变换器的输出端。所述DC/DC变换器为谐振全桥隔离变换器,所述谐振全桥隔离变换器包括第一桥式变换单元、第二桥式变换单元和隔离变压器,所述第一桥式变换单元的输入端与所述AC/DC变换器的直流端相连,所述第一桥式变换单元的输出端连接到所述隔离变压器的初级侧,所述隔离变压器的次级侧连接所述第二桥式变换单元的输入端,所述第二桥式变换单元的输出端并联有直流侧电容、且作为所述DC/DC变换器的输出端,所述电流霍尔传感器连接到所述直流侧电容的正极端。
所述AC/DC变换器为三相桥式变换器,所述三相桥式变换器的交流端用以连接电网或驱动电机,所述三相桥式变换器的直流端并联有母线电容。所述SiC开关管为SiC功率场效应管。所述过流保护单元包括:串联在基准电压电源与地之间的第一电阻、第二电阻和第三电阻,所述第二电阻与所述第三电阻之间具有第一节点;比较器,所述比较器的负输入端与所述电流检测单元的输出端相连,所述比较器的正输入端与所述第一节点相连;第四电阻,所述第四电阻的一端与第一预设电源相连,所述第四电阻的另一端与所述比较器的输出端相连;第五电阻,所述第五电阻的一端与所述比较器的输出端相连;第六电阻,所述第六电阻的一端与所述第五电阻的另一端相连,所述第六电阻的另一端接地;第一电容,所述第一电容与所述第六电阻并联。
所述过流保护单元还包括:放大器,所述放大器的正输入端分别与所述第五电阻的另一端和所述第六电阻的一端相连,所述放大器的负输入端与所述放大器的输出端相连,所述放大器的电源端与所述第一预设电源相连;第二电容,所述第二电容的一端与所述放大器的电源端相连,所述第二电容的另一端接地;第七电阻,所述第七电阻的一端与所述放大器的输出端相连,所述第七电阻的另一端与所述控制单元相连;第三电容,所述第三电容的一端与所述第七电阻的另一端相连,所述第三电容的另一端接地。
所述过流保护单元还包括:第一箝位二极管,所述第一箝位二极管的阳极接地;第二箝位二极管,所述第二箝位二极管的阳极与所述第一箝位二极管的阴极相连,所述第二箝位二极管的阳极与所述第一箝位二极管的阴极之间具有第二节点,所述第二箝位二极管的阴极与所述第一预设电源相连,所述第二节点与所述第七电阻的另一端相连。
为达到上述目的,本实用新型的第二方面提出一种车载充电器,其包括本实用新型第一方面所述的车载充电器的过流保护电路。
本实用新型的车载充电器,通过上述的车载充电器的过流保护电路的电流检测单元检测DC/DC变换器的输出端电流以输出电流检测值,并通过过流保护单元在电流检测值大于预设电流阈值时输出过流保护信号,以及通过控制单元在接收到过流保护信号时关闭SiC开关管的控制信号输出通道,以使AC/DC变换器和DC/DC变换器停止工作。由此,该车载充电器可以在出现过流故障时快速触发过流保护功能,提升车载充电器工作的安全性,同时,车载充电器采用SiC开关管,可以提高车载充电器的充电速率,降低控制难度和成本。
为达到上述目的,本实用新型的第三方面提出一种电动汽车,其包括本实用新型第二方面所述的车载充电器。
本实用新型的电动汽车,通过上述的车载充电器,可以在车载充电器出现过流故障时快速触发过流保护功能,提升车载充电器工作的安全性,同时,车载充电器采用SiC开关管,可以提高电动汽车的充电速率,降低控制难度和成本。
附图说明
本实用新型上述的和/或附加的方面和优点从下面结合附图对实施例的描述中将变得明显和容易理解,其中,

图1是相关技术中车载充电器的方框示意图;

图2是相关技术中车载充电器的电路拓扑图;

图3是根据本实用新型一个实施例的车载充电器的过流保护电路的方框示意图;

图4是根据本实用新型一个实施例的车载充电器的电路拓扑图;

图5是根据本实用新型一个实施例的车载充电器的过流保护电路的电路拓扑图。
具体实施方式
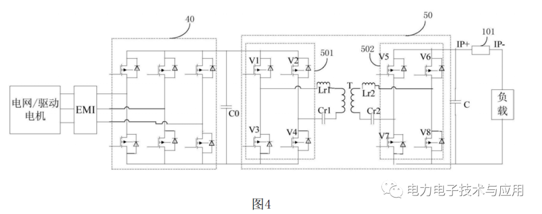
下面详细描述本实用新型的实施例,所述实施例的示例在附图中示出,其中自始至终相同或类似的标号表示相同或类似的元件或具有相同或类似功能的元件。下面通过参考附图描述的实施例是示例性的,旨在用于解释本实用新型,而不能理解为对本实用新型的限制。 下面参照附图来描述根据本实用新型实施例提出的车载充电器的过流保护电路、车载充电器和电动汽车。图3是根据本实用新型一个实施例的车载充电器的过流保护电路的方框示意图。其中,如图4所示,车载充电器包括:AC/DC变换器40和DC/DC变换器50,AC/DC变换器10和DC/DC变换器20均采用光耦驱动的SiC开关管。
如图3所示,过流保护电路包括:电流检测单元10、过流保护单元20和控制单元30。电流检测单元10通过检测DC/DC变换器50的输出端电流以输出电流检测值。过流保护单元20与电流检测单元10相连,过流保护单元20用于在电流检测值大于预设电流阈值时输出过流保护信号。控制单元30与过流保护单元20相连,控制单元30在接收到过流保护信号时关闭SiC开关管的控制信号输出通道,以使AC/DC变换器40和DC/DC变换器50停止工作。预设电流阈值可以根据实际情况进行预设。 其中,在本实用新型实施例中,SiC开关管为SiC功率场效应管。
与传统的场效应管相比,SiC功率场效应管具有如下优点:1、耐压值高,可达到1200V;2、过电流能力强,可达到72A;3、导通阻抗低;4、快速的开关能力;5、更快的反向恢复能力;6、并联使用更加方便,且驱动方式更简单。因此,用SiC功率场效应管代替传统的场效应管,可以提高车载充电器的充电速率,降低控制难度和成本。
具体地,电流检测单元10实时检测车载充电器DC/DC变换器50的输出端电流,并输出电流检测值至过流保护单元20,如果电流检测值大于预设电流阈值,则说明车载充电器出现过流故障,过流保护单元20输出过流保护信号至控制单元30。控制单元30可以为DSP(Digital Signal Process,数字信号处理)芯片,其型号可以为TMS320F28335,该型号的DSP芯片支持外部中断,过流保护单元20将过流保护信号发送到DSP芯片支持外部中断的引脚,触发中断,关闭SiC开关管的控制信号输出通道,即PWM(Pulse Width Modulation,脉冲宽度调制)通道,AC/DC变换器40和DC/DC变换器50停止工作,实现车载充电器的过流保护。 需要说明的是,在本实用新型的实施例中,光耦可以使用安华高的贴片集成块ACPL-K33T,其采用18V供电,一路互补PWM信号分别加在光耦的ANODE引脚和CATHODE管脚,光耦输出通过门极电阻连接SiC功率场效应管的门极。
当ANODE引脚是高电平且CATHODE引脚是低电平时,光耦输出高电平18V,SiC功率场效应管开通;当ANODE引脚是低电平且CATHODE引脚是高电平时,光耦输出低电平0V,SiC功率场效应管关断,AC/DC变换器40和DC/DC变换器50停止工作。 根据本实用新型的一个实施例,电流检测单元10包括电流霍尔传感器101,如图4所示,电流霍尔传感器10连接到DC/DC变换器50的输出端。电流霍尔传感器101可以使用意瑞半导体的双向电流霍尔传感器CH704150CT。
进一步地,根据本实用新型的一个实施例,如图4所示,DC/DC变换器50为谐振全桥隔离变换器,谐振全桥隔离变换器包括第一桥式变换单元501、第二桥式变换单元502和隔离变压器T,第一桥式变换单元501的输入端与AC/DC变换器40的直流端相连,第一桥式换单元501的输出端连接到隔离变压器T的初级侧,隔离变压器T的次级侧连接第二桥式变换单元502的输入端,第二桥式变换单元502的输出端并联有直流侧电容C、且作为DC/DC变换器50的输出端,电流霍尔传感器101连接到直流侧电容C的正极端。
具体地,如图4所示,谐振全桥隔离变换器还包括第一电感Lr1、初级侧电容Cr1、第二电感Lr2和次级侧电容Cr2,第一电感Lr1、初级侧电容Cr1、第二电感Lr2、次级侧电容Cr2和变压器T构成谐振直流变换器,用于实现动力负载与交流电源(电网/驱动电机)之间的隔离。通过设置谐振直流变换器中Lr1、Cr1、Lr2、Cr2的参数,使DC/DC变换器50呈现感性,即电流滞后电压,从而使V1-V8开通前,已有电流经过续流二极管,V1-V8两端的电压近似为零,实现零电压开通,达到减少开通损耗的目的。
第一桥式变换单元501由第一至第四SiC功率场效应管即V1-V4和续流二极管组成,第二桥式变换单元502由第五至第八SiC功率场效应管即V5-V8和续流二极管组成。此外,如图4所示,车载充电器还可以包括EMI (Electro Magnetic Interference,电磁干扰)模块,EMI模块连接在电网/驱动电机与AC/DC变换器40之间,用于满足电源的EMI要求。具体连接方式如图4所示,此处不再赘述。
根据本实用新型的一个实施例,如图4所示,AC/DC变换器40为三相桥式变换器,三相桥式变换器的交流端用以连接电网或驱动电机,三相桥式变换器的直流端并联有母线电容C0。AC/DC变换器40用以将交流电转换为直流电。根据本实用新型的一个实施例,如图5所示,过流保护单元20包括:第一电阻R1、第二电阻R2、第三电阻R3、比较器A1、第四电阻R4、第五电阻R5、第六电阻R6和第一电容C1。其中,第一电阻R1、第二电阻R2和第三电阻R3串联在基准电压电源VCC1与地GND之间,第二电阻R2与第三电阻R3之间具有第一节点Q1。
比较器A1的负输入端与电流检测单元10的输出端相连,比较器A1的正输入端与第一节点Q1相连。第四电阻R4的一端与第一预设电源VCC2相连,第四电阻R4的另一端与比较器A1的输出端相连。第五电阻R5的一端与比较器A1的输出端相连。第六电阻R6的一端与第五电阻R5的另一端相连,第六电阻R6的另一端接地,第一电容C1与第六电阻R6并联。
具体地,基准电压电源VCC1可以为3V,R1可以为2KΩ,R2可以为220Ω,R3可以为20KΩ,基准信号为2 .7V。比较器A1的型号可以为LM2901,LM2901为OC门,不能输出高电平,R4为上拉电阻,可以使比较器A1输出高电平。其中,第一预设电源VCC2可以为5V,R4的可以为10KΩ,R5可以为10KΩ,R6可以为15KΩ,C1可以为1nF。R5、R6构成0 .6的比例,使过流保护信号的满足DSP的要求,R5和C1实现滤波的功能。 进一步地,根据本实用新型的一个实施例,如图5所示,过流保护单元20还可以包括:放大器A2、第二电容C2、第七电阻R7、第三电容C3。其中,放大器A2的正输入端分别与第五电阻R5的另一端和第六电阻R6的一端相连,放大器A2的负输入端与放大器A2的输出端相连,放大器A2的电源端与第一预设电源VCC2相连。第二电容C2的一端与放大器的电源端相连,第二电容C2的另一端接地。
第七电阻R7的一端与放大器A2的输出端相连,第七电阻R7的另一端与控制单元30相连。第三电容C3的一端与第七电阻R7的另一端相连,第三电容C3的另一端接地。 具体地,放大器A2的型号可以为LMV842,放大器A2可以作为电压跟随器。C2用以稳定5V电源,其大小可以为100nF。R7和C3用以滤波,R7可以为51Ω,C3可以为22nF。更进一步地,根据本实用新型的一个实施例,如图5所示,过流保护单元20还可以包括:第一箝位二极管D1和第二箝位二极管D2。其中,第一箝位二极管D1的阳极接地。
第二箝位二极管D2的阳极与第一箝位二极管D2的阴极相连,第二箝位二极管D2的阳极与第一箝位二极管D1的阴极之间具有第二节点Q2,第二箝位二极管Q2的阴极与第一预设电源VCC2相连,第二节点Q2与第七电阻R7的另一端相连。 具体地,第一箝位二极管D1和第二箝位二极管D2用以将过流保护信号的电平控制在预设范围内,超过预设范围的信号将被丢弃,以防止过流保护信号过强损坏控制单元30。由图4和图5可知,当电流检测值大于预设电流阈值时过流保护单元20将输出过流保护信号至控制单元30。控制单元30接收到过流保护信号,并关闭SiC开关管的控制信号输出通道,以使AC/DC变换器40和DC/DC变换器50停止工作,从而实现车载充电器的过流保护功能。
本实用新型的车载充电器的过流保护电路将软硬件结合起来,软件提前配置好中断,当硬件检测出过流故障时,可以立即触发过流保护,缩短了保护电路的动作用时间,提升了车载充电器工作的安全性。 综上所述,根据本实用新型的车载充电器的过流保护电路,电流检测单元通过检测DC/DC变换器的输出端电流以输出电流检测值,过流保护单元在电流检测值大于预设电流阈值时输出过流保护信号,控制单元在接收到过流保护信号时关闭SiC开关管的控制信号输出通道,以使AC/DC变换器和DC/DC变换器停止工作。
由此,该过流保护电路可以在车载充电器出现过流故障时快速触发过流保护功能,提升车载充电器工作的安全性,同时,车载充电器采用SiC开关管,可以提高车载充电器的充电速率,降低控制难度和成本。 本实用新型还提出一种车载充电器,其包括上述的车载充电器的过流保护电路。本实用新型的车载充电器,通过上述的车载充电器的过流保护电路的电流检测单元检测DC/DC变换器的输出端电流以输出电流检测值,并通过过流保护单元在电流检测值大于预设电流阈值时输出过流保护信号,以及通过控制单元在接收到过流保护信号时关闭SiC开关管的控制信号输出通道,以使AC/DC变换器和DC/DC变换器停止工作。由此,该车载充电器可以在出现过流故障时快速触发过流保护功能,提升车载充电器工作的安全性,同时,车载充电器采用SiC开关管,可以提高车载充电器的充电速率,降低控制难度和成本。
此外,本实用新型还提出一种电动汽车,其包括上述的车载充电器。 本实用新型的电动汽车,通过上述的车载充电器,可以在车载充电器出现过流故障时快速触发过流保护功能,提升车载充电器工作的安全性,同时,车载充电器采用SiC开关管,可以提高电动汽车的充电速率,降低控制难度和成本。 文章中提到的CH704150CT芯片是隔离集成式电流传感器芯片,具有高精度、增强绝缘耐压、高可靠性、低功耗等优点。CH704系列产品是专为大电流检测应用开发的隔离集成式电流传感芯片,内置 0.1mΩ 的初级导体电阻,有效降低芯片发热支持大电流检测:±50A, ±100A, ±150A, ±200A。其内部集成独特的温度补偿电路以实现芯片在 -40 到150°C全温范围内良好的一致性。该芯片是满足汽车级标准的产品,填补了国内的空白。

特性如下: • 隔离电压:4800VRMS • AEC-Q100 汽车认证 (CH704A) • 电源:4.5-5.5V • 输出电压与电流成正比:+/-50A,+/-100A,+/-150A,+/-200A • 带宽:120kHz • 响应时间:2us • 宽温度范围:-40°C 至 150°C • 使用 EEPROM 进行高分辨率偏移和灵敏度调整 • 导线电阻:0.1 mΩ • 集成数字温度补偿电路 • 几乎为零的磁滞 • 电源电压的比例输出 • 抗外部磁场
主要应用包括:
• 汽车电子:汽车OBC,DC-DC,EPS电机等
• 工业控制:不间断电源(UPS)、焊机/移动通信设备等电源供电等
• 大功率电机:平衡车/独轮车控制器、热泵/制冰机等
• 能源:过程控制、蓄电池检测、能量测量等
上一篇:车载红外热成像镜头的应用场景
下一篇:功率半导体(IGBT/MOSFET)在电动汽车上的应用
推荐阅读最新更新时间:2026-03-24 17:53
- 边缘计算主机盒选购指南:五大核心指标解析
- Arm AGI CPU 更多细节:台积电 3nm 制程、Neoverse V3 微架构
- Arm AGI CPU 重磅发布:构筑代理式 AI 云时代的芯片基石
- Arm 拓展其计算平台矩阵,首次跨足芯片产品
- 阿里达摩院发布RISC-V CPU玄铁C950,首次原生支持千亿参数大模型
- 边缘 AI 加速的 Arm® Cortex® ‑M0+ MCU 如何为电子产品注入更强智能
- 阿里达摩院发布玄铁C950,打破全球RISC-V CPU性能纪录
- VPU中的“六边形战士”:安谋科技Arm China发布“玲珑”V560/V760 VPU IP
- 利用锚定可信平台模块(TPM)的FPGA构建人形机器人安全
- 支持 BLE 连接、由 4mA 至 20mA 电流回路供电的现场发送器参考设计
- AM2DM-0515DH60-NZ ±15 Vout、2W 双路输出 DC-DC 转换器的典型应用
- LTC6261IDC 音频耳机桥式驱动器运算放大器的典型应用
- LTC1775CS 2.5V/5A 可调输出降压稳压器的典型应用电路
- AD8601ARTZ-REEL7 符合 PC100 标准的线路输出放大器的典型应用
- 一种基于分立的 315MHz 振荡器解决方案,用于使用 BFR182 射频双极晶体管的远程无钥匙进入系统
- 使用 ROHM Semiconductor 的 BD49E39G-TR 的参考设计
- AM30EW-2405SZ 5V 三路输出 DC/DC 转换器的典型应用
- LTC3564 的电池在 1.2A 应用中达到 1.2V
- AL1676EV2,基于 AP1676 高亮度降压 LED 驱动控制器的评估板

功率集成电路技术理论与设计 (文进才,陈科明,洪慧,韩雁编著)
现代雷达系统的信号设计
BFR340T






京公网安备 11010802033920号