直流电机故障是许多用户经常遇到的问题,特别是在相关电机每天运行时间长。发生故障后更换电机零件或电机本身可能会花费相当昂贵的费用,而没有人愿意这样做。
我的一位追随者向我提出了关于解决上述问题的请求,让我们听听 Gbenga Oyebanji 先生(别名 Big Joe)的说法。
技术规格
“电源对大多数电器造成的伤害,有必要为我们的电器构建一个保护模块,以保护它们免受电力波动的影响。
该项目的目标是设计和构建直流电机的保护模块。因此该项目的目标是
• 设计并构建带指示灯(LED) 的直流电机过压保护模块。
• 设计并构建带指示灯(LED) 的直流电机欠压保护模块。
• 设计并构建带指示灯(LED) 的电机温度保护模块(热敏电阻)。
该电路对直流电机进行过压和欠压保护。继电器可用于打开和关闭负载(12v 直流电机)。比较器用于检测它是高还是低。过压应为14V,欠压应为10V。
还应构造必要的整流和滤波电路。
当检测到任何故障时,应该出现必要的指示。
此外,当电机的励磁绕组开路时,电路应该能够检测到这一点并关闭电机,因为当励磁绕组开路时,电机内不再有磁通量,并且所有功率都直接馈送到电枢。
这使得电机一直运行直至发生故障。(我希望是对的?)。
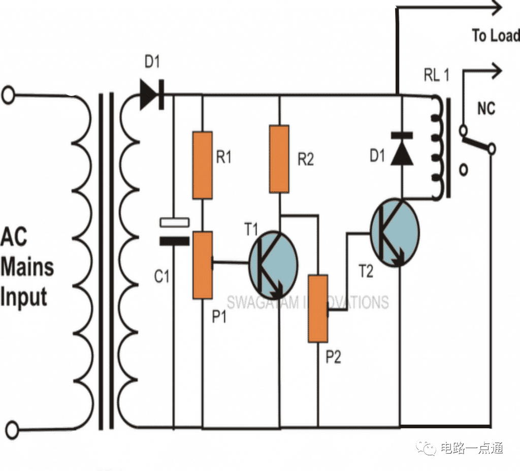
1)直流电机电压保护模块电路图
以下高电压和低电压切断,非常适合上述用于保护直流电机免受高电压和低电压条件影响的应用。

提供了整个电路的解释过/欠截止电压电路
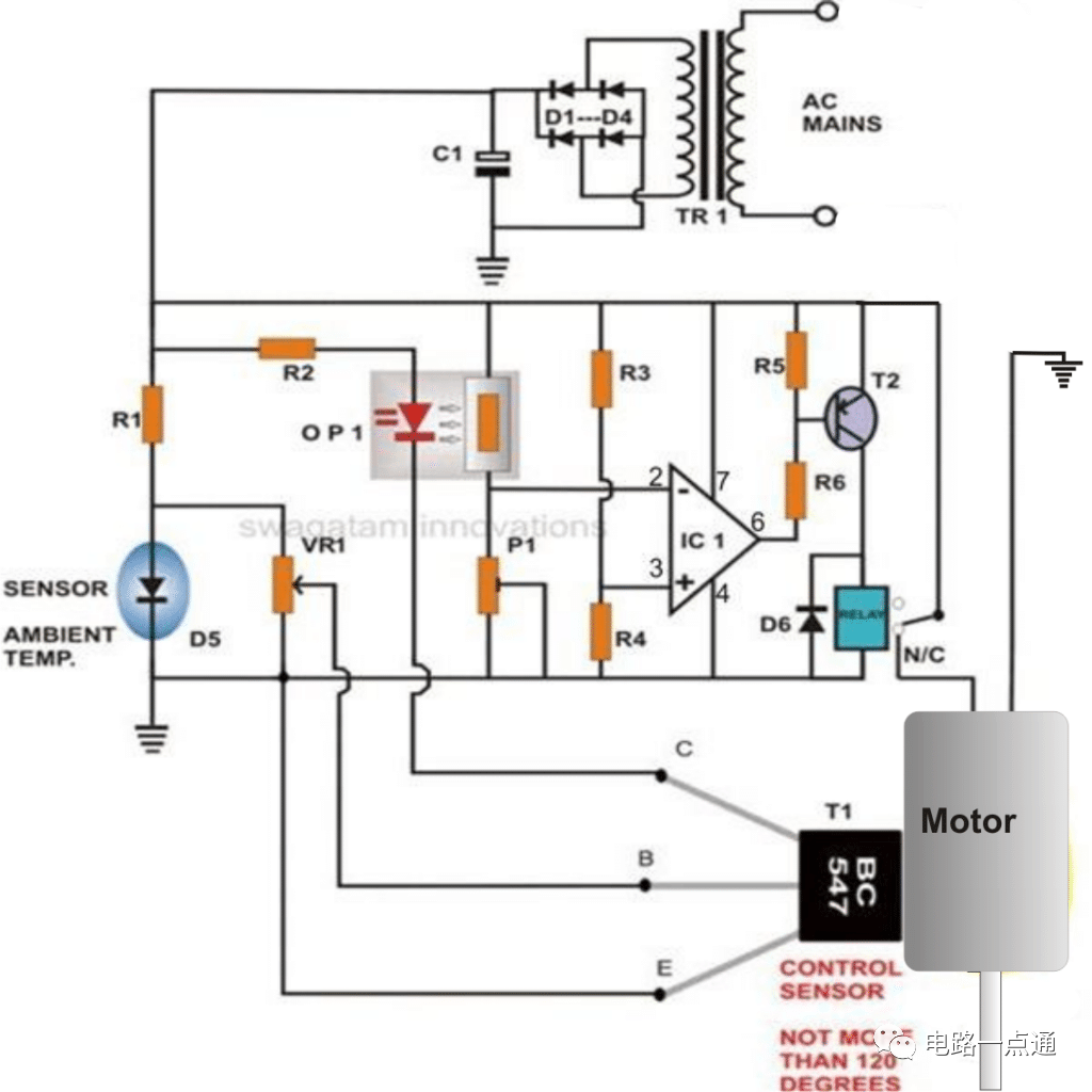
2)直流电机过热保护模块电路
第三个问题涉及电机温升,可以通过集成以下简单的温度指示器电路来解决。

上述过热保护器电路可能永远不会允许励磁绕组发生故障,因为任何绕组在熔断之前都会首先升温。如果上述电路检测到设备有任何异常发热,就会关闭电机,从而避免任何此类事故。
如何保护电机过流
下面的第三个想法分析了自动电机电流过载控制器电路设计。这个想法是阿里先生要求的。
技术规格
我需要一些帮助来完成我的项目。这是一个简单的 12 伏电机,在过载时需要受到保护。
显示数据并有助于设计。
由于没有足够的空间来添加过载保护电路,因此应使用最少的元件。
由于接线长度的原因,输入电压可在 11 V 至 13 V 之间变化,但当 V1-V2 => 0.7 V 时,应发生切断过载。
请查看随附的过载图,如果安培增加超过 0.7 安培,该图应切断。您对此图有什么想法。电路是否复杂或需要添加一些元件?



电路分析
参考上面绘制的 12v 电机电流控制原理图,这个概念似乎是正确的,但是电路实现(尤其是第二个图中的电路实现)看起来不正确。
我们来一一分析图:
第一个图解释了使用运算放大器和一些无源元件的基本电流控制级计算,看起来很棒。
如图所示,只要 V1 - V2 小于 0.7V,运算放大器的输出就应该为零,而当它达到 0.7V 以上时,输出就应该变高,尽管这是可行的输出端有一个 PNP 晶体管,而不是 NPN,......无论如何,让我们继续前进。
这里的 0.7V 是指连接到运算放大器输入之一的二极管,其想法只是确保该引脚上的电压超过 0.7V 限制,以便该引脚电位与运算放大器的另一个互补输入引脚相交。运算放大器会为所连接的电机驱动器晶体管(设计中首选 NPN 晶体管)生成关闭触发信号
然而在第二张图中,这个条件不会被执行,事实上电路根本不会响应,让我们看看为什么。
第二个示意图中的错误
在第二张图中,当电源打开时,跨接 0.1 欧姆电阻的两个输入引脚将承受几乎相等的电压,但由于非反相引脚有一个降压二极管,因此它将接收到一个电位,该电位可能为比 IC 反相引脚 2 低 0.7 V。
这将导致 (+) 输入获得比 IC 的 (-) 引脚低一些的电压,从而一开始就会在 IC 的引脚 6 处产生零电位。当输出电压为零时,连接的 NPN 将无法启动,电机将保持关闭状态。
当电机关闭时,电路不会吸取任何电流,并且传感电阻器上不会产生电位差。因此,电路将保持休眠状态,不会发生任何事情。
第二张图中还有另一个错误,所讨论的电机需要连接在集电极和晶体管的正极之间,以使电路有效,继电器可能会导致突然切换或颤动,因此不需要。
如果确实引用了继电器,则可以按以下方式纠正和修改第二张图:

在上图中,可以看到运算放大器的输入引脚被交换,以便运算放大器能够在启动时产生高输出并允许电机启动。如果电机因过载而开始消耗高电流,电流检测电阻器将导致引脚 3 处产生更高的负电位,从而使引脚 3 电位低于引脚 2 处的参考 0.7 V。
这反过来会将运算放大器输出恢复到零伏,关闭继电器和电机,从而保护电机免受进一步的过流和过载情况的影响。
第三电机保护设计
参考第三张图,一旦电源打开,引脚 2 的电位将比 IC 的引脚 3 低 0.7V,迫使输出在开始时变高。
随着输出变高,电机启动并获得动量,如果电机尝试吸取超过指定值的电流,则在 0.1 欧姆电阻器上会产生等量的电势差,此时该电势开始上升的引脚 3 将开始经历下降电位,当下降到引脚 2 电位以下时,输出将快速恢复为零,从而切断晶体管的基极驱动并立即关闭电机。
当电机在那一刻关闭时,引脚上的电势将趋于正常化并恢复到原始状态,这反过来将打开电机,并且情况将通过快速开/关保持自我调整驱动晶体管,保持对电机的正确电流控制。
为什么运放输出端要加LED
运算放大器输出端引入的 LED 基本上看起来就像一个普通的指示器,用于指示电机的过载保护切断。
然而,它还具有另一个重要功能,即禁止运算放大器输出永久导通偏移或泄漏。
任何 IC 741 的偏移电压预计约为 1 至 2 V,足以使输出晶体管保持导通状态并使输入切换毫无意义。LED 有效地阻止运算放大器的泄漏或偏移,并使晶体管和负载能够根据输入差分变化正确切换。
计算传感电阻
检测电阻可按下式计算:
R = 0.7/电流
这里,根据电机 0.7amp 电流限制的规定,电流传感器电阻 R 的值应为
R = 0.7/0.7 = 1 欧姆
上一篇:什么是冷启动和热启动 西门子PLC的热启动,冷启动有什么区别?
下一篇:卡尔曼滤波器及相应的电机系统模型介绍
推荐阅读最新更新时间:2026-03-23 14:03
- 边缘计算主机盒选购指南:五大核心指标解析
- Arm AGI CPU 更多细节:台积电 3nm 制程、Neoverse V3 微架构
- Arm AGI CPU 重磅发布:构筑代理式 AI 云时代的芯片基石
- Arm 拓展其计算平台矩阵,首次跨足芯片产品
- 阿里达摩院发布RISC-V CPU玄铁C950,首次原生支持千亿参数大模型
- 边缘 AI 加速的 Arm® Cortex® ‑M0+ MCU 如何为电子产品注入更强智能
- 阿里达摩院发布玄铁C950,打破全球RISC-V CPU性能纪录
- VPU中的“六边形战士”:安谋科技Arm China发布“玲珑”V560/V760 VPU IP
- 利用锚定可信平台模块(TPM)的FPGA构建人形机器人安全
- LTC2172CUKG-12、12 位、65Msps 低功耗四通道 ADC 的典型应用电路
- 使用 ROHM Semiconductor 的 BD5339 的参考设计
- 使用 Diodes Incorporated 的 PT8A3517 的参考设计
- LT5527 400MHz 至 3.7GHz 高信号电平下变频混频器的典型应用
- AD5340 并行接口、单电压输出、12 位 DAC 的典型应用
- 30W、-27V、5.8V、5.8V、15V、24V、33V交流转直流多路输出电源
- OP213FSZ-REEL7 低噪声运算放大器电压基准的典型应用
- LT3579/LT3579-1 演示板,升压 / 反相 DC/DC 转换器
- L7815A 光控制器稳压器的典型应用 (Vo(min) = Vxx + VBE)
- 具有关断功能的 LT1086CT-5 5V 稳压器的典型应用

智慧门铃源码
基于开发板frdmmcxn947利用lwip_httpsrv_freertos程序开发
FANUC 0系统维修说明书
现代雷达系统的信号设计
BFR340T






京公网安备 11010802033920号