电动汽车 (EV) 正变得越来越普遍,大量的全国和全球激励措施正在使这些车辆对消费者来说更具成本效益。这导致 2023 年电动汽车销量超过 1300 万辆,与 2022 年销量相比,纯电动汽车 (BEV) 和插电式混合动力汽车 (PHEV) 的销量增长了 30% 以上。
随着碳中和成为全球主题,汽车制造商继续加大对电动汽车的投入。虽然 300 英里的续航里程是电动汽车的基准,但较新的电动汽车的续航里程可达 400 至 500 英里。另一方面,大多数插电式混合动力车提供的动力总成可以仅靠电池行驶 25 到 50 英里,然后用内燃机补充电池。
车载充电器的重要性
拥有电动汽车的一个重要方面是汽车的充电速度——影响家庭电动汽车充电的一个系统是[车载充电器]((OBC)。OBC 将用户家中的交流电网电压转换为可以为 EV 或 PHEV 电池充电的直流电压。这些通常使用 L1 或 L2 交流充电器充电,这些充电器可以在家庭和工作场所找到。L1 充电器可提供 1 kW 至 3 kW 的功率,而 L2 充电器可提供 3 kW 至 22 kW 的功率。
传统上,许多插电式混合动力车的车载充电器支持 3.3 kW(甚至 6.6 kW)。然而,为了对抗里程焦虑,电池尺寸正在增加,因此如今许多电动汽车都拥有 11 kW OBC。新的、正在进行的设计可以增加到 22 kW,从而实现更快的充电速度。
表 1 显示了 OBC 系统的不同额定功率以及 EV 将电池充电 10% 到 90% 的速度。该续航里程的计算假设效率为 3 英里/千瓦时。大多数电动汽车制造商建议用户在日常驾驶中将电池电量保持在 80% 至 90% 以下,以减少电池退化,并且只有在长途旅行中才能充电至 100%。
根据表 1,在车辆中安装大功率车载充电器具有显着优势。需要注意的是,OBC 的额定功率是电池可以从交流电源充电的最大功率,但实际输出功率取决于使用的交流充电器,以及壁式充电器本身可以提供的电压和最大电流。例如,如果充电器连接到 208 V 电压电源,并且具有额定电流为 50 A 的断路器,则该充电器可以提供 10.4 kW (208 V x 50 A) 的功率。这意味着需要 11 kW 的 OBC 才能充分利用可用的充电速度。
车载充电器的架构
车载充电器包括几个阶段,用于将交流电转换为直流电。
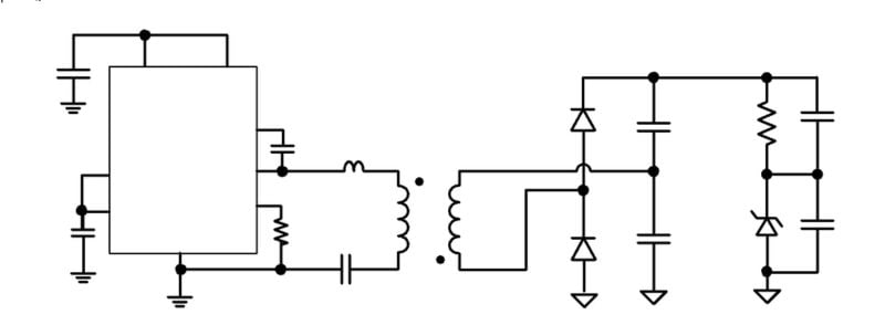
首先是一相到三相功率因数校正 (PFC),它将来自电网的交流电压转换为 400 V 至 800 V 之间的中间直流电压,具体取决于车辆电池的电压(请注意,电池电压一直在增加,以实现更高的效率、更快的充电时间和更轻的车辆内布线)。虽然 PFC 架构的范围可以从 1 相到 3 相不等,但随着功率水平的提高,三相变得越来越流行。
第二级是隔离式DC/DC级,将中间直流电压转换为目标电压。目标电压特定于正在充电的电池,可以在 200 V 和 800 V 之间变化,具体取决于 PHEV 还是 BEV 充电。DC/DC 级通常使用 LLC 和相移、全桥转换器拓扑。
图 2 显示了 OBC 框图。

图2.*OBC系统,带有PFC级和隔离式DC/DC级。图片由[MPS]提供
这些系统面临的一些挑战包括提高功率密度以最大限度地减小 OBC 的尺寸,并满足高达 22 kW 的不断上升的功率水平。随着电池电压从 400 V 增加到 800 V,业界更广泛地采用碳化硅 (SiC) 代替传统的 IGBT,以提高效率和功率密度。
随着电池电压的上升,隔离这些系统以确保高总线电压和高功率水平的安全性至关重要。MPS 提供多种可用于 OBC 的隔离解决方案,并提供高达 5 kVRMS 的隔离。
MPQ188xx 系列具有双通道、汽车级隔离式栅极驱动器,具有多种封装选项,可实现高达 5 kVRMS 的隔离。MPQ18831是一款双输入半桥驱动器,具有可调节的死区时间控制。MPQ18851是一个双通道栅极驱动器,允许两个独立的输入。这些产品具有宽体 (WB) SOIC-16 封装和 SOIC-14 WB 封装,在输出驱动器之间提供 3.3 mm 爬电距离。建议将 SOIC-14 WB 封装用于 400 V/800 V 系统,因为它增加了高压侧和低压侧输出之间的爬电距离。这些双通道隔离式栅极驱动器提供高达 4 A 的拉电流和 8 A 的灌电流,以实现更高的效率,并允许 SiC 或 IGBT FET 更快地接通和关断。
使用LLC电源的优点
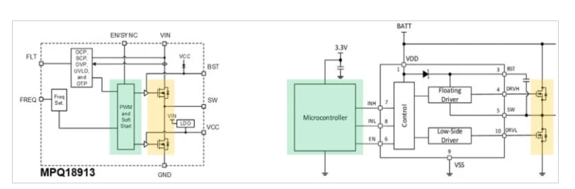
该MPQ18913是一款汽车级LLC变压器驱动器,用于隔离式偏置电源。该器件可与 SiC MOSFET 配合使用,作为 SiC 栅极驱动器的隔离偏置。反激式拓扑通常用于隔离式电源,以提供驱动 SiC FET 的隔离式 18 V/-4 V 输出。图3显示了使用MPQ18913实现18 V/-4 V输出的典型应用电路。根据变压器,可以配置输出数量,并且可以通过匝数比改变输出电压(V OUT)。

图3.*MPQ18913应用电路。图片由[MPS]提供
将MPQ18913用作LLC转换器,谐振LLC谐振槽作为能量传输的磁化电感,附加电容器和电感器使谐振槽在一定频率下谐振,实现软开关,确保高效的功率转换(见图4)。与反激式拓扑相比,变压器的漏感可用作谐振电感器,消除了漏感的电压尖峰,提高了效率。
这种软开关拓扑在考虑电磁干扰时也有所帮助,因为没有过冲或振铃,这在硬开关拓扑(如反激式)中很常见。

***图4. *LLC 拓扑。图片由[MPS]提供
LLC隔离式偏置电源与分立式半桥驱动器
在MPQ18913中,与半桥驱动器相比,[LLC谐振拓扑]具有几个显著优势。半桥驱动器需要一个微控制器和两个外部 FET,这可能导致更大的解决方案尺寸和设计复杂性。
该MPQ18913将半桥驱动器与控制器和 FET 集成在一个 2 mm x 2.5 mm 的微型封装中(图 5)。这降低了解决方案的总成本、必须采购的组件数量以及制造复杂性。该MPQ18913还集成了多种功能,例如过流保护 (OCP)、过温保护 (OTP) 和软启动。与分立式半桥栅极驱动器相比,该MPQ18913明显更小,复杂程度更低(见图5)。

* 图5. LLC栅极驱动器偏置电源(左)与分立式半桥栅极驱动器(右)的比较。图片由[MPS]提供*
LLC 隔离式偏置电源与反激式
栅极驱动器偏置电源的另一种常见拓扑是初级侧调节 (PSR) 反激式拓扑。LLC谐振拓扑的一个优点是其减小了解决方案尺寸。这是由于开关频率 (fSW) 最高可达 5 MHz;同时,反激式拓扑的fSW低于400 kHz。这导致整体解决方案尺寸可以提供相似的功率水平,同时小 40%。

* 图6. LLC 拓扑与反激式总解决方案尺寸的比较。图片由MPS提供*
表 2 展示了该MPQ18913与标准反激式拓扑相比的优势。

高频LLC电源的要点
高频LLC电源可能比低频转换器更难实现和优化。该MPQ18913通过自动谐振频率检测、[集成 FET] 和集成控制器等功能简化了 LLC 电源设计。此外,LLC谐振拓扑结构减小了解决方案尺寸,提高了高功率车载充电器设计的功率密度。
随着电动汽车变得越来越普遍,汽车级电源管理解决方案和 LLC 电源将更频繁地用于各种电动汽车和电力电子应用(如 OBC、[牵引逆变器]和 DC/DC 转换器)中的 SiC FET 偏置。[MPS 电气化]页面提供有关车载充电器、牵引逆变器和直流快速充电站的更多信息。
上一篇:SiC器件如何提升电动汽车的系统效率
下一篇:关于汽车零部件产品的电源端口EMC设计方案
推荐阅读最新更新时间:2026-03-23 18:41
- 边缘计算主机盒选购指南:五大核心指标解析
- Arm AGI CPU 更多细节:台积电 3nm 制程、Neoverse V3 微架构
- Arm AGI CPU 重磅发布:构筑代理式 AI 云时代的芯片基石
- Arm 拓展其计算平台矩阵,首次跨足芯片产品
- 阿里达摩院发布RISC-V CPU玄铁C950,首次原生支持千亿参数大模型
- 边缘 AI 加速的 Arm® Cortex® ‑M0+ MCU 如何为电子产品注入更强智能
- 阿里达摩院发布玄铁C950,打破全球RISC-V CPU性能纪录
- VPU中的“六边形战士”:安谋科技Arm China发布“玲珑”V560/V760 VPU IP
- 利用锚定可信平台模块(TPM)的FPGA构建人形机器人安全
- LTC2172CUKG-12、12 位、65Msps 低功耗四通道 ADC 的典型应用电路
- 使用 ROHM Semiconductor 的 BD5339 的参考设计
- 使用 Diodes Incorporated 的 PT8A3517 的参考设计
- LT5527 400MHz 至 3.7GHz 高信号电平下变频混频器的典型应用
- AD5340 并行接口、单电压输出、12 位 DAC 的典型应用
- 30W、-27V、5.8V、5.8V、15V、24V、33V交流转直流多路输出电源
- OP213FSZ-REEL7 低噪声运算放大器电压基准的典型应用
- LT3579/LT3579-1 演示板,升压 / 反相 DC/DC 转换器
- L7815A 光控制器稳压器的典型应用 (Vo(min) = Vxx + VBE)
- 具有关断功能的 LT1086CT-5 5V 稳压器的典型应用


Azure RTOS ThreadX内核用户手册,含SMP多核(中文版)
HMC7044配置上位机
非常经典的关于LLC的杨波博士论文
XC6406PP60DL






京公网安备 11010802033920号