车辆配电系统辨识与低压线束概述

发布者:RadiantSoul最新更新时间:2024-09-27 来源: elecfans关键字:车辆配电系统  保险丝 手机看文章 扫描二维码
随时随地手机看文章

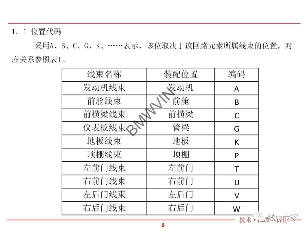
怎样在整车电路图中快速找到接插件保险丝继电器的位置或接插件上的一根导线?

74ca44fc-0188-11ef-a297-92fbcf53809c.jpg?imageView2/2/w/1000

74f84ece-0188-11ef-a297-92fbcf53809c.jpg?imageView2/2/w/1000

7508cb64-0188-11ef-a297-92fbcf53809c.jpg?imageView2/2/w/1000

751bef82-0188-11ef-a297-92fbcf53809c.jpg?imageView2/2/w/1000

753c3e22-0188-11ef-a297-92fbcf53809c.jpg?imageView2/2/w/1000

755b26a2-0188-11ef-a297-92fbcf53809c.jpg?imageView2/2/w/1000

75726812-0188-11ef-a297-92fbcf53809c.jpg?imageView2/2/w/1000

7588da2a-0188-11ef-a297-92fbcf53809c.jpg?imageView2/2/w/1000

75a82c2c-0188-11ef-a297-92fbcf53809c.jpg?imageView2/2/w/1000

75c8eae8-0188-11ef-a297-92fbcf53809c.jpg?imageView2/2/w/1000

75e349f6-0188-11ef-a297-92fbcf53809c.jpg?imageView2/2/w/1000

76348ea6-0188-11ef-a297-92fbcf53809c.jpg?imageView2/2/w/1000

764f5830-0188-11ef-a297-92fbcf53809c.jpg?imageView2/2/w/1000

7667f26e-0188-11ef-a297-92fbcf53809c.jpg?imageView2/2/w/1000

76af05e6-0188-11ef-a297-92fbcf53809c.jpg?imageView2/2/w/1000

76c23620-0188-11ef-a297-92fbcf53809c.jpg?imageView2/2/w/1000

76dee5d6-0188-11ef-a297-92fbcf53809c.jpg?imageView2/2/w/1000

76ff8a52-0188-11ef-a297-92fbcf53809c.jpg?imageView2/2/w/1000

771bee86-0188-11ef-a297-92fbcf53809c.jpg?imageView2/2/w/1000

77518488-0188-11ef-a297-92fbcf53809c.jpg?imageView2/2/w/1000

7772a848-0188-11ef-a297-92fbcf53809c.jpg?imageView2/2/w/1000

778ee58a-0188-11ef-a297-92fbcf53809c.jpg?imageView2/2/w/1000

77b1814e-0188-11ef-a297-92fbcf53809c.jpg?imageView2/2/w/1000

77c7d66a-0188-11ef-a297-92fbcf53809c.jpg?imageView2/2/w/1000

77dd1e3a-0188-11ef-a297-92fbcf53809c.jpg?imageView2/2/w/1000

77fcf78c-0188-11ef-a297-92fbcf53809c.jpg?imageView2/2/w/1000

7811ceb4-0188-11ef-a297-92fbcf53809c.jpg?imageView2/2/w/1000

782a400c-0188-11ef-a297-92fbcf53809c.jpg?imageView2/2/w/1000

784dfac4-0188-11ef-a297-92fbcf53809c.jpg?imageView2/2/w/1000

786e1de0-0188-11ef-a297-92fbcf53809c.jpg?imageView2/2/w/1000

7885f280-0188-11ef-a297-92fbcf53809c.jpg?imageView2/2/w/1000

7899466e-0188-11ef-a297-92fbcf53809c.jpg?imageView2/2/w/1000

78abae44-0188-11ef-a297-92fbcf53809c.jpg?imageView2/2/w/1000

78c40606-0188-11ef-a297-92fbcf53809c.jpg?imageView2/2/w/1000

78da42ea-0188-11ef-a297-92fbcf53809c.jpg?imageView2/2/w/1000

7908cdcc-0188-11ef-a297-92fbcf53809c.jpg?imageView2/2/w/1000

7923bce0-0188-11ef-a297-92fbcf53809c.jpg?imageView2/2/w/1000

79415f20-0188-11ef-a297-92fbcf53809c.jpg?imageView2/2/w/1000

7966d76e-0188-11ef-a297-92fbcf53809c.jpg?imageView2/2/w/1000

797d3be4-0188-11ef-a297-92fbcf53809c.jpg?imageView2/2/w/1000

79a1dde6-0188-11ef-a297-92fbcf53809c.jpg?imageView2/2/w/1000

7a120f26-0188-11ef-a297-92fbcf53809c.jpg?imageView2/2/w/1000

7a31b362-0188-11ef-a297-92fbcf53809c.jpg?imageView2/2/w/1000

7a4529f6-0188-11ef-a297-92fbcf53809c.jpg?imageView2/2/w/1000

7a9f3824-0188-11ef-a297-92fbcf53809c.jpg?imageView2/2/w/1000

7aee23c6-0188-11ef-a297-92fbcf53809c.jpg?imageView2/2/w/1000

7b069e88-0188-11ef-a297-92fbcf53809c.jpg?imageView2/2/w/1000

7b2096f8-0188-11ef-a297-92fbcf53809c.jpg?imageView2/2/w/1000

7b3ba11e-0188-11ef-a297-92fbcf53809c.jpg?imageView2/2/w/1000

7b5ae5ba-0188-11ef-a297-92fbcf53809c.jpg?imageView2/2/w/1000

7b66734e-0188-11ef-a297-92fbcf53809c.jpg?imageView2/2/w/1000

7b82401a-0188-11ef-a297-92fbcf53809c.jpg?imageView2/2/w/1000

7bd35ab8-0188-11ef-a297-92fbcf53809c.jpg?imageView2/2/w/1000

7bf0cbe8-0188-11ef-a297-92fbcf53809c.jpg?imageView2/2/w/1000

7c19773c-0188-11ef-a297-92fbcf53809c.jpg?imageView2/2/w/1000

7c3743d4-0188-11ef-a297-92fbcf53809c.jpg?imageView2/2/w/1000

7c58065a-0188-11ef-a297-92fbcf53809c.jpg?imageView2/2/w/1000

7c78ad74-0188-11ef-a297-92fbcf53809c.jpg?imageView2/2/w/1000

7cdb7990-0188-11ef-a297-92fbcf53809c.jpg?imageView2/2/w/1000

7cf5c228-0188-11ef-a297-92fbcf53809c.jpg?imageView2/2/w/1000

7d15f8d6-0188-11ef-a297-92fbcf53809c.jpg?imageView2/2/w/1000

7d304ef2-0188-11ef-a297-92fbcf53809c.jpg?imageView2/2/w/1000

7d864686-0188-11ef-a297-92fbcf53809c.jpg?imageView2/2/w/1000


关键字:车辆配电系统  保险丝 引用地址:车辆配电系统辨识与低压线束概述

上一篇:aiSim5激光雷达LiDAR模型验证方法(二)
下一篇:6种线束设计阶段降成本方案

推荐阅读最新更新时间:2026-03-22 12:08

一种智能车辆配电系统设计方案
各种特种车在车辆的使用中,往往也会出现漏油故障,导致润滑油和燃油的浪费,消耗专用车的动力和工作效率。所以要设计系统来解决这个问题, 基于嵌入式技术、双冗余CAN总线与LIN总线构成的车辆智能配电系统,并且能够实现整车配电系统的智能化、数字化管理。能解决目前存在的问题   1 智能配电系统的硬件设计   该配电系统分为三个部分:配电终端,智能配电管理器和车辆管理终端,如图1所示。配电终端主要是用于28 V设备的状态监控。      由于特种车辆的用电设备的功率比较小,配电终端内部采用低导通电阻的快速MOSFET来控制用电设备的通断。并且采用电流、电压检测和短路保护技术实现对用电设备状态监控、故障的自动保护和故障
[工业控制]
一种智能<font color='red'>车辆</font><font color='red'>配电系统</font>设计方案
浅析汽车低压线束的三维设计与应用
【摘要】 文章结合三维软件,阐述汽车低压线束三维布置的设计要求和方法,对新车型的线束设计起到引导和参考作用。 随着汽车行业的快速发展, 人们对汽车功能智能化的需求进一步提高, 汽车装载的电器件和各种传感器的数量逐步增多, 连接各个电器件的线束分支越来越多, 线束也越来越粗, 线束的布置空间进一步被压缩, 加大了线束的三维设计难度。汽车低压线束作为汽车的“神经网络”,是汽车重要组成部件之一, 因此线束三维设计成为了汽车线束行业中的重中之重。线束在三维设计过程中会受到很多因素的影响, 如线束零件分配、电器功能分配、搭铁点及位置分配、固定器选型、线束防护选型、大电流端子选型等。本文将重点对汽车低压线束三维布置的设计要求和方法进行说明
[汽车电子]
业界首款符合AEC-Q200标准额定电压高达1,000 VDC高压保险丝
为电动汽车车载充电器和配电单元提供高分断额定值兼具紧凑灵活的安装特性。 828和827系列管状保险丝 伊利诺伊州罗斯蒙特,2025 年 9 月 29日 - Littelfuse公司是一家多元化的工业技术制造公司,致力于为可持续发展、互联互通和更安全的世界提供动力。 公司今日宣布推出828和827系列高压管状保险丝。该系列是首批符合AEC-Q200标准的保险丝,额定电压分别为1,000 VDC(828系列)和800 VDC(827系列),为新一代汽车电子设备提供紧凑可靠的电路保护解决方案。 专为满足电动汽车(EV)系统的独特需求而设计,828和827系列提供10 kA的断流额定值、宽工作温度范围(-55°C - 125
[电源管理]
业界首款符合AEC-Q200标准额定电压高达1,000 VDC高压<font color='red'>保险丝</font>
通过AEC-Q200认证的823A系列高压汽车应用保险丝
紧凑型1000 Vdc SMD保险丝为电池管理系统和高压DC-DC转换器提供可靠过流保护 2025年3月25日讯,伊利诺伊州罗斯蒙特市— Littelfuse公司是一家工业技术制造公司,致力于为可持续发展、互联互通和更安全世界提供动力 。公司日前宣布推出新型823A系列保险丝,该款产品是通过AEC-Q200认证的高额定电压表面贴装(SMD)保险丝,具有很高的分断额定值。823A系列专为满足现代汽车应用的严格要求而设计,5×20毫米紧凑尺寸,可为1000 Vdc系统提供卓越的过流保护。 “823A系列是Littelfuse首款也是唯一一款额定电压为1000 Vdc的小型SMD保险丝,”Littelfuse EBU全球产品管理
[汽车电子]
通过AEC-Q200认证的823A系列高压汽车应用<font color='red'>保险丝</font>
Littelfuse推出行业首创超大电流SMD保险丝系列,简化设计并节省PCB空间
Littelfuse推出行业首创超大电流SMD保险丝系列 以紧凑的SMD封装提供150A和200A额定电流,简化设计并节省PCB空间 芝加哥2024年10月15日讯-- Littelfuse公司 是一家工业技术制造公司,致力于为可持续发展、互联互通和更安全的世界提供动力。 公司今日宣布推出871系列超大电流SMD保险丝,这一创新系列是对881系列的补充,提供150A和200A保险丝额定电流,是对881系列125A最大额定电流的重大升级。871保险丝系列为电子设计人员提供单保险丝、表面安装解决方案,无需并联保险丝配置。 871系列大电流 SMD保险丝 是首款也是唯一一款具有150A和200A超大额定电流的小尺寸SMD
[电源管理]
Littelfuse推出行业首创超大电流SMD<font color='red'>保险丝</font>系列,简化设计并节省PCB空间
克服传统保护器件的局限性,电子保险丝在汽车和工业应用中的优势
在现代汽车和工业应用中,可靠性至关重要。从汽车域控制器,到工业应用中的计算机数控等产品,无论最终产品是简单还是复杂,如果不能保证可靠性,就很可能损害制造商的声誉。此外,还需要考虑保修维修的成本,甚至是召回产品的成本。 然而,电子电路总归都会出现故障,可能是由于外部影响,也可能是由于组件随时间推移性能下降而引起。因此,根据良好的设计实践,建议采用电路保护器件,以确保将故障的影响降至最低。本文将为大家介绍标准电路保护器件的局限性,以及如何利用电子保险丝改进设计。 最常见(且成本最低)的电路保护形式就是普通的保险丝。此类保险丝通常基于熔点温度较低的金属丝或薄金属带。保险丝通常被插入电源供电线路中,超过额定电流时,保险丝中产生的热
[嵌入式]
克服传统保护器件的局限性,电子<font color='red'>保险丝</font>在汽车和工业应用中的优势
优恩半导体-汽车电子PPTC自恢复保险丝防护应用
PPTC自恢复保险丝作为过流保护元器件,其优势显著,效果与开关元件类似,PPTC在汽车应用领域中,不仅能对汽车点烟器电路进行保护,还能对汽车车窗供电系统提供保护作用。 PPTC 在汽车点烟器电路中,通常对工作环境的要求比较苛刻,也容易出现过流问题,造成点烟器电路的损坏,如果我们用那种一次性保险丝的话,损坏一次就得进行更换,对用户体检来说,并不友好,所以我们就得用这种PPTC自恢复保险丝,在出现浪涌电流时,会将其钳制在安全值,保护电路,不必一次就换,使用寿命长。 在汽车车窗供电系统中,由于需要粗导线,才能负担大电流,也是因为这样,所以导线会有过热以及易燃风险,但在线路中如果放置一个PPTC保险丝,则能减小导线直径,同时也能保
[嵌入式]
优恩半导体-汽车电子PPTC自恢复<font color='red'>保险丝</font>防护应用
矽力杰车规级电子保险丝SA21816
矽力杰车规级电子保险丝SA21816是一款功能丰富的紧凑型电源开关,集成欠压、过压、过流、过温等保护功能。SA21816可提供双向电流控制,可防止系统中的负载侧储能流回故障电源总线,可广泛适用于汽车信息娱乐系统,ADAS摄像头和雷达传感器,USB集线器,电源多路复用及保持电源管理。 芯片简介 SA21816 SA21816电子保险丝电源开关是一款功能丰富的紧凑型电源管理器件,其宽输入工作电压范围可实现对很多常用直流总线电压的控制。SA21816可提供双向电流控制,防止系统中的负载侧储能流回故障电源总线。SA21816可提供负载、电源和器件保护可编程特性,包括过流,输出电压斜率和过压、欠压阈值。为了实现系统状态监视和下
[嵌入式]
矽力杰车规级电子<font color='red'>保险丝</font>SA21816
小广播
最新嵌入式文章
何立民专栏 单片机及嵌入式宝典

北京航空航天大学教授,20余年来致力于单片机与嵌入式系统推广工作。

厂商技术中心

 
EEWorld订阅号

 
EEWorld服务号

 
汽车开发圈

 
机器人开发圈

电子工程世界版权所有 京ICP证060456号 京ICP备10001474号-1 电信业务审批[2006]字第258号函 京公网安备 11010802033920号 Copyright © 2005-2026 EEWORLD.com.cn, Inc. All rights reserved