此次为大家带来的是关于一些PLC编程控制入门常用到的实例,以此为借鉴,让学PLC的进度条缩短,加大掌握程度。
里面包含的知识点是较为齐全的,如:I/O分配表、PLC接线图、梯形图程序等。
电动机顺序启动、顺序停止控制
(I/O分配表、PLC接线图、梯形图程序)




2
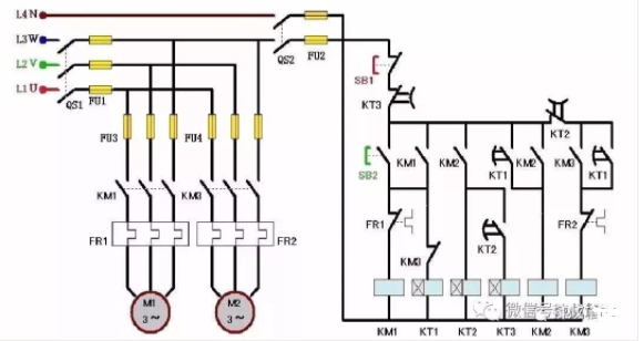
电动机的顺序启动、同时停止
(I/O分配表、PLC接线图、梯形图程序)




3
电动机的顺序启动、逆序停止
(I/O分配表、PLC接线图、梯形图程序)




4
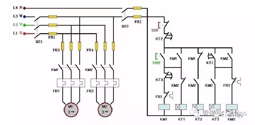
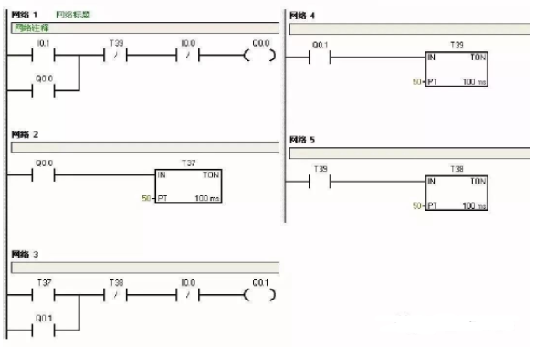
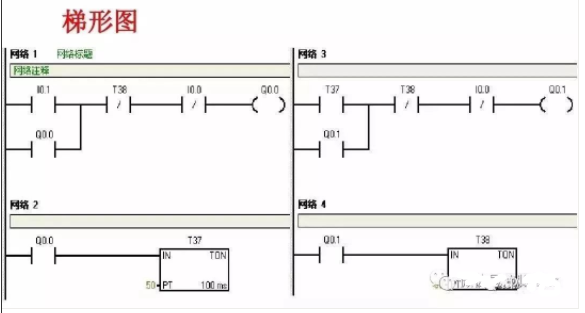
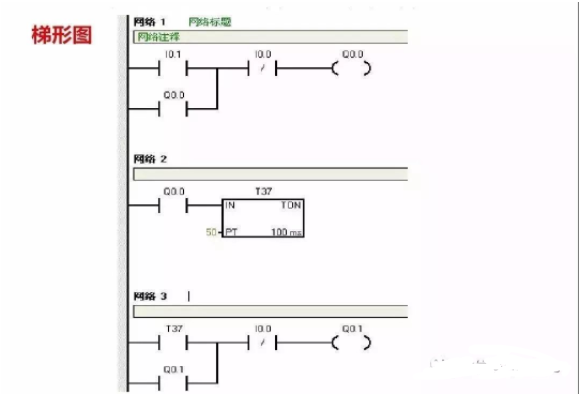
电动机延时启动、停止控制
(I/O分配表、PLC接线图、梯形图程序)




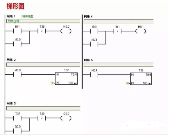
5
(I/O分配表、PLC接线图、梯形图程序)




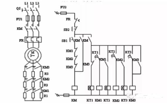
6
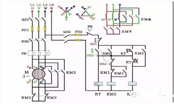
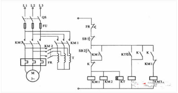
三相绕线感应电动机转子绕组串电阻降压启动控制系统
(I/O分配表、PLC接线图、梯形图程序)




7
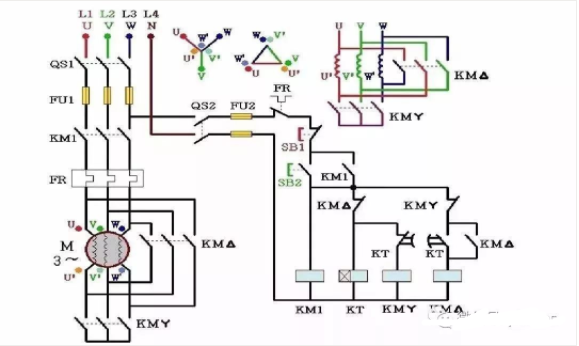
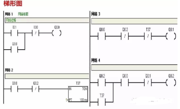
Y-△降压启动控制系统
(I/O分配表、PLC接线图、梯形图程序)
Y-△降压启动控制(1)



Y-△降压启动控制(2)
8
自耦变压器降压启动控制系统
(I/O分配表、PLC接线图、梯形图程序)
上一篇:什么是共模电压呢?聊聊电机轴承电腐蚀
下一篇:常用的电机控制算法详解
- 热门资源推荐
- 热门放大器推荐
- 边缘计算主机盒选购指南:五大核心指标解析
- Arm AGI CPU 更多细节:台积电 3nm 制程、Neoverse V3 微架构
- Arm AGI CPU 重磅发布:构筑代理式 AI 云时代的芯片基石
- Arm 拓展其计算平台矩阵,首次跨足芯片产品
- 阿里达摩院发布RISC-V CPU玄铁C950,首次原生支持千亿参数大模型
- 边缘 AI 加速的 Arm® Cortex® ‑M0+ MCU 如何为电子产品注入更强智能
- 阿里达摩院发布玄铁C950,打破全球RISC-V CPU性能纪录
- VPU中的“六边形战士”:安谋科技Arm China发布“玲珑”V560/V760 VPU IP
- 利用锚定可信平台模块(TPM)的FPGA构建人形机器人安全
- Er3105Di 500Ma宽输入电压同步降压稳压器内部默认参数选择典型应用示意图
- 使用 LTC2377CMS-16、16 位、500ksps、低功耗 SAR ADC 的典型应用
- L7806C负输出电压电路的典型应用
- LT3959 的典型应用 - 具有 6A、40V 开关的宽输入电压范围升压/SEPIC/反相转换器
- LPS33W适配器板,标准DIL24插座
- 使用 Analog Devices 的 LT3470AIDDB 的参考设计
- MC33364通用输入电池充电器典型应用电路
- AM2G-2405SH30Z 5V 2W DC/DC 转换器的典型应用
- 用于电池测试解决方案的 ADP1972 降压或升压、PWM 控制器的典型应用
- LT1121IS8-3.3 5V 低压差稳压器的典型应用电路,用于具有关断的电池供电电源










现代雷达系统的信号设计
5962L0052401VPA

BFR340T






京公网安备 11010802033920号