NXP i.MX93处理器有两个以太网控制器,其中eqos是TSN网络控制器。另外一个Fec以太网外围设备使设备能够在以太网上传输和接收符合IEEE 802.3-2002标准的数据,提供了一个可配置的、灵活的外设,以满足各种应用程序和客户的需求。一般情况CPU集成MAC,PHY采用独立芯片;CPU不集成MAC,MAC和PHY采用集成芯片。MAC和PHY工作在OSI模型的数据链路层和物理层。i.MX93的MAC集成在cpu内部,所以还需要外接phy芯片。
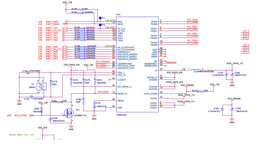
MYD-LMX9X开发板(米尔基于NXP i.MX93开发板)外接了两个YT8531SH千兆PHY芯片,ENET1原理图如图4-7:

图4-7. ENET1原理图
查看原理图与《MYD-LMX9X-PinList-V1.0.pdf》得出 ENET1数据管脚与i.MX93的对应关系如表4-6:
表4-6. ENET1引脚对应关系

原理图引脚 对应PinList管脚 管脚功能 管脚功能码
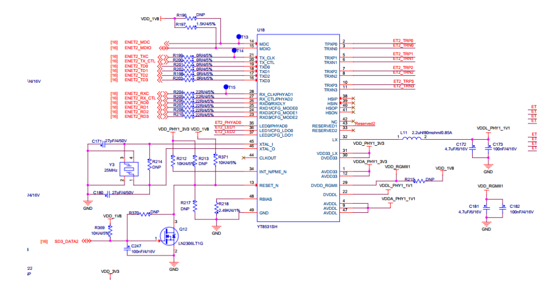
ENET2原理图如图4-8:

图4-8. ENET2原理图
查看原理图与《MYD-LMX9X-PinList-V1.0.pdf》得出 ENET2数据管脚与MYD-LMX9X的对应关系如表4-7:
表4-7. ENET2引脚对应关系

1)查看内核设备树引脚定义
在内核中,有对i.MX93芯片的网口设备树资源做了定义,此部分由芯片产商提供,属于公共资源,实际上我们不需要修改这部分,只需要引用即可,如下:



上述只是对网口做了基本的初始化,并没有对具体的硬件设备进行适配,在实际的情况下需要对具体的网口设备进行硬件引脚资源的适配。
2)添加网卡设备树节点
根据原理图的定义添加网口的设备树配置,修改myir-imx93-11x11.dts文件,如下:


3)网卡设备树配置
添加网卡设备树节点的eth1_pins和eth2_pins引脚定义:


4)配置内核
PHY驱动位于drivers/net/phy/motorcomm.c,我们只需要把这个驱动打开,编译进内核即可,内核已默认配置网卡驱动,这里我们不再描述。最后编译内核源码,把新生成的设备树dtb文件更新到板子即可。
5)网络测试
测试ENET1

测试ENET2

关键字:米尔 NXP 开发板 网卡 驱动 移植 i 网卡驱动移植
引用地址:
米尔基于NXP iMX.93开发板的网卡驱动移植指南
推荐阅读最新更新时间:2026-03-20 02:14
USB无线网卡的Linux驱动移植
引言 COMFAST CF150NS USB无线网卡使用IEEE802.11n无线技术,无线传输速率最高达150 Mbps。相比传统的54 Mbps IEEE802.11g产品,拥有更高的无线带宽,让局域网内的数据传输更加高效,能有效地减少网络延迟,使语音视频、网络游戏、在线点播更流畅。CF150NS还使用了CCA(Clear Channel Assessment)空频道检测技术,在检测到周边有无线信号干扰时,可自动调整频宽模式,避开信道干扰,使无线信号更加稳定。当干扰消失时,又可自动捆绑空闲信道,充分利用信道捆绑优势,提升无线性能。CF150NS主要技术参数:主芯片Realtek 8188SU,接口USB2.0,频率范围为
[嵌入式]
ARM-Linux驱动移植--DM9000网卡驱动移植
硬件平台:FL2440 内核版本:2.6.39 主机平台:Ubuntu 11.04 内核版本:2.6.35 交叉编译器:arm-linux-gcc 4.3.2 原创作品,转载请标明出处 http://blog.csdn.net/yming0221/article/details/6641579 1、DM9000网卡驱动的分析请见 http://blog.csdn.net/yming0221/article/details/6609742 2、如果想自己调试DM9000网卡驱动,那么在编译内核之前将网卡驱动不要编译进内核,启动后自己编译并加载内核 由于一般的驱动或者程序是通过NFS挂载到开发板上的,所以,如果没有网卡
[单片机]
米尔基于NXP i.MX 93开发板的M33处理器应用开发笔记
1.概述 本文主要介绍M33核的两种工程调试开发,第一种方式是通过板子自带的固件进行开发,第二种方式是使用 IAR Embedded Workbench 来构建可移植的Freertos文件进行开发。 2.硬件资源 MYD-LMX9X 开发板(米尔基于NXP i.MX 93开发板) 3.软件资源 Windows7及以上版本 软件 :IAR Embedded Workbench 板载固件调试M33 4.1环境准备 在A55 Debug(J14)和M33 Debug(J15)上分别接上串口,我这里COM25连接A55核,COM7接的M33核,上电开机进入系统,在目录/run/med
[嵌入式]
如何移植EtherCAT Igh--基于米尔RK3576开发板
本文将介绍基于米尔电子MYD-LR3576开发板(米尔基于瑞芯微 RK3576开发板)的板端移植EtherCAT Igh方案的开发测试。 摘自优秀创作者-EPTmachine 米尔基于瑞芯微RK3576开发板 EtherCAT IgH需要保证高实时性,Preempt-RT是一种针对实时性能进行了优化的Linux内核。与普通的Linux内核相比, Preempt-RT具有以下优势: 1.实时性能: Preempt-RT提供了更可靠和更精确的实时性能。它采用了一些实时调度策略和机制,使得任务能够按照严格的时间要求执行,从而适用于需要高度可预测性和低延迟的应用场景,如工业自动化、机器人控制等。 2. 硬实时能力: P
[嵌入式]
迅为-i.IMX6Q开发板QT系统移植wifi-mt6620(一)
45.1 6620_launcher 6620_launcher 工具是作为后台的一个服务程序运行,该服务会配置串口的工作参数,下载固件补丁到 MT6620 中,它位于开发板的“/usr/bin/”目录下,在系统中内置,用户可以直接覆盖。 45.2 移植 wpa_supplicant 在进行编译之前要先修改编译器为 4.3.2 版本,如何设置编译器参见手册 19.1 章节“Qt4.7 编译器的安装”。另外为了避免使用环境变量设置编译器而可能出现的问题,文档中大部分编译是使用编译器的绝对路径,用户也应先找到自己编译器的绝对路径待用。下图是本次编译使用的编译器以及编译器压缩包。 由上图可知该编译器的绝对路径为“/usr/local/
[单片机]
迅为i.MX6ULL开发板移植Gdb+Gdbserver调试
因为有很多小伙伴是从单片机转过来的,用惯了单片机使用JLINk来调试程序,换到Linux非常不习惯。确实是如此,如果能在Linux上能设置断点,单步调试,查看变量,那就再好不过了。那么接下来将教大家怎么在arm板上调试应用代码的方法。 首先,了解下基本的思路: 采用这种方式进行远程调试,目标系统必须包括gdbserver程序,宿主机也必须安装gdb程序。一般Linux发行版中都有一个可以运行的gdb,但我们不能直接使用该发行版中的gdb来做远程调试,而要获取gdb的源代码包,针对arm平台做一个简单的配置,重新编译得到相应的gdb,如armv4. 搭建环境 UBuntu版本:Ubuntu 12.04 交叉编译器:arm-200
[单片机]
迅为i.MX6ULL开发板-移植OpenCv2.4.9-搭建OpenCv编译环境
我们需要准备的资料: 1. 开发板使用的是 i.MX6ULL 终结者,开发板里面是 Yocto 文件系统。 2. 使用 Ubuntu 16.04 3. 提供 opencv 源码“opencv-2.4.9.zip” 4. QT 测试例程 85.1 安装交叉编译工具 移植的 QT 系统需要的交叉编译器就是我们编译 qt 的编译器,因为我们是 Yocto 系统,所以我们用编译 Yocto 的编译器来编译 OpenCV。交叉编译器为:gcc-linaro-4.9.4-2017.01-x86_64_arm-linux-gnueabihf。设置交叉编译器请参考 i.MX6ULL 终结者-开发板使用手册 4.3 章节 搭建交叉编译环境。 85.
[单片机]
linux2.6.32.2 mini2440平台移植-- 串口驱动移植、I2C-EEPROM 驱动移植、看门狗驱动移植
1.7.1 把 UART2 改为普通串口驱动 S3C2440 芯片具有 3 个串口:UART0,1,2,我们下载的 Linux-2.6.32.2 已经具备完善的 UART0,1 的驱动,但对UART2 却用作了红外通讯(Irda),因此我们需要把 UART2 驱动稍微调整一下,以便作为普通串口来用。 先看看 S3C2440 串口部分寄存器的说明,如下图 接下来我们修改内核中关于 UART2 的配置,打开 mach-mini2440.c 文件,找到,如下红色代码为修改后的: static struct s3c2410_uartcfg mini2440_uartcfgs __initdata = { = {
[单片机]