简介
为汽车电子系统供电时,不但需要满足高可靠性要求,还需要应对相对不太稳定的电池电压,具有一定挑战性。与车辆电池连接的电子和机械系统具有差异性,可能导致标称12 V电源出现大幅电压偏移。事实上,在一定时间段内,12 V电源的变化范围为–14 V至+35 V,且可能出现+150 V至–220 V的电压峰值。其中有些浪涌和瞬变在日常使用中出现,其他则是因为故障或人为错误导致。无论起因为何,它们对汽车电子系统造成的损害难以诊断,修复成本也很高昂。
通过总结上个世纪的经验,汽车制造商对会干扰运行、造成损坏的电子状况和瞬变进行了分类。国际标准化组织(ISO)对这些行业知识进行编译,制定出适用于道路车辆的ISO 16750-2和ISO 7367-2规范。汽车电子控制单元(ECU)使用的电源至少应该能够承受这些状况,且不造成损坏。至于关键系统,则必须保持其功能性和容差。这需要电源能够通过瞬变调节输出电压,以保持ECU运行。理想情况下,完整的电源解决方案无需使用保险丝,可以最大限度降低功耗,且采用低静态电流,在不耗尽电池电量的情况下,支持系统始终保持开启。

图1.ISO 7367-2:带和不带330 μF旁路电容的脉冲1。
ISO 16750-2汽车电子系统面临的状况
ADI公司发布了多份刊物,详细介绍ISO 7367-2和ISO 16750-2规范,以及如何使用LTspice®模拟这些规范。1,2,3,4
在最近的迭代中,ISO 7367-2电磁兼容规范主要介绍来自相对较高的阻抗源(2 Ω至50 Ω)的大幅度(>100 V)、短时持续(150 ns至2 ms)瞬变。这些电压峰值通常可以使用无源组件消除。图1显示定义的ISO 7367-2脉冲1,以及增加的330 μF旁路电容。电容将尖峰幅度从–150 V降低至–16 V,完全在反向电池保护电路支持的范围内。ISO 7367-2脉冲2a、3a和3b的能耗远低于脉冲1,所需的抑制电容也更少。
ISO 16750-2主要介绍来自低阻抗源的长脉冲。这些瞬变无法轻松过滤,通常需要使用基于稳压器的主动式解决方案。一些更具挑战性的测试包括:负载突降(测试4.6.4)、电池反接(测试4.7)、叠加交变电压测试(测试4.4),以及发动机启动工况(测试4.6.3)。图2显示了这些测试脉冲的视图。ISO 16750-2中所示条件的差异性,加上ECU对电压和电流的要求,通常需要合并使用这些方案,以满足所有要求。

图2.一些更严格的ISO 16750-2测试的概述。
负载突降
负载突降(ISO 16750-2:测试4.6.4)属于严重的瞬态过压,模拟电池断开,但交流发电机提供大量电流的情况。负载突降期间的峰值电压被分为受抑制电压或未受抑制电压,由3相交流发电机的输出是否使用雪崩二极管来决定。受抑制的负载突降脉冲限制在35 V,不受抑制的脉冲峰值范围则为79 V至101 V。无论是哪种情况,因为交流发电器定子绕组中存储了大量电磁能量,所以可能需要400 ms进行恢复。虽然大部分汽车制造商使用雪崩二极管,但随着人们对可靠性的要求不断增高,使得一些制造商要求ECU的峰值负载突降电压必须接近未受抑制情况下的电压。
解决负载突降问题的解决方案之一就是添加瞬变电压抑制器(TVS)二极管,从局部箝位ECU电源。更紧凑、容差更严格的方法则是使用主动浪涌抑制器,例如LTC4364,该抑制器以线性方式控制串接的N通道MOSFET,将最大输出电压箝位至用户配置的水平(例如,27 V)。浪涌抑制器可以帮助断开输出,支持可配置限流值和欠压锁定,且可使用背靠背NFET提供通常需要的反向电池保护。
对于线性稳压功率器件,例如浪涌抑制器,存在的隐患在于,在负载突降期间限制输出电压,或者在短路输出期间限制电流时,N通道MOSFET可能功耗较大。功率MOSFET的安全工作区域(SOA)限制最终会限制浪涌抑制器能够提供的最大电流。它还给出了在N通道MOSFET必须关闭,以避免造成损坏之前,必须保持稳压的时长限制(通常使用可配置定时器引脚设置)。这些SOA导致的限制随着工作电压升高变得更加严重,增加了浪涌抑制器在24 V和48 V系统中使用的难度。
更具扩展性的方法使用降压稳压器,该稳压器可在42 V输入下运行,例如LT8640S。开关稳压器与线性稳压器不同,并无MOSFET SOA限制,但显然它更加复杂。降压稳压器的效率支持实施大电流操作,其顶部开关则允许输出断开,并支持电流限制。至于降压稳压器静态电流问题,已由最新一代器件解决,这些器件仅消耗几微安电流,在无负载条件下也保持稳压。通过使用Silent Switcher®技术和展频技术,开关噪声问题也得到大幅改善。
此外,有些降压稳压器能按100%占空比运行,保证顶部开关持续开启,通过电感将输入电压传输到输出。在过压或过流条件下,会触发开关操作,以分别限制输出电压或电流。这些降压稳压器(例如LTC7862)作为开关浪涌抑制器使用,实现低噪声、低损耗操作,同时保持开关模式电源的可靠性。

图3.解决困难的ISO 16750-2测试的不同方法。
反向电压
当电池终端或跳线因为操作员故障反向连接时,会发生反向电压条件(也称为反向电池条件)。相关的ISO 16750-2脉冲(测试4.7)反复对DUT施加–14 V电压,每次60秒。关于此测试,有些制造商增加了自己的动态版本,在突然施加反向偏置(–4 V)之前,先起始地为此器件供电(例如,VIN=10.8 V)。
快速研究数据手册后发现,很少有IC设计可以接受反向偏置,其中IC的绝对最小引脚电压一般限制在–0.3 V。低于地的电压如果超过一个二极管的电压,会导致额外电流流过内部结,例如ESD保护器件和功率MOSFET的体二极管。在反向电池条件下,极化旁路电容(例如铝电解电容)也可能受到损坏。
肖特基二极管可以防止反向电流,但在正常运行期间,正向电流更高时,这种方法会导致更大功耗。图3所示为基于串接P通道MOSFET的简单保护方案,这种方案可以降低功耗损失,但在低输入电压下(例如,发动机启动),因为器件阈值电压的原因,这种方案可能无法顺畅运行。更加有效的方法是使用理想的二极管控制器(例如LTC4376),以驱动串行N通道MOSFET,该MOSFET在负电压时切断输入电压。正常运行期间,理想二极管控制器调节N通道MOSFET的源漏电压降低到30 mV或更低,将正向压降和功耗降低超过一个数量级(相比肖特基二极管)。

图4.支持带通模式的降压-升压控制器解决了汽车标准测试带来的许多问题。
叠加交变电压
叠加交变电压测试(ISO 16750-2:测试4.4)模拟汽车的交流发电器的交流输出的影响。正如名字所示,正弦信号在电池轨道上叠加,峰峰值幅度为1 V、2 V或4 V,具体由严重程度分类决定。对于所有严重性等级,最大输入电压为16 V。正弦频率以对数方式排列,范围为50 Hz至25 kHz,然后在120秒内回到50 Hz,总共重复5次。
本测试会导致在任何的互连滤波器网络内产生大幅度谐振低于25 kHz的电流和电压摆幅,。它也会使开关稳压器出现问题,其环路带宽限制使其难以通过高频率输入信号进行调节。解决方案就像是中间整流元件,例如功率肖特基二极管,但对于反向电压保护,这并不是一种解决问题的好方法。
在这种情况下,理想的二极管控制器无法像在反向电压保护应用中一样发挥作用,因为它无法足够快速地开关N通道MOSFET,以和输入保持同步。栅极上拉强度是其中一个限制因素,一般因为内部电荷泵限制在20 μA左右。当理想的二极管控制器能够快速关闭MOSFET时,开启速度会非常慢,不适合对极低频率以外的情况实施整流。
更合适的方法是使用LT8672主动整流器控制器,该控制器可以快速开关N通道MOSFET,以按高达100 kHz的频率整流输入电压。主动整流器控制器是带有两个重要附加器件的理想二极管控制器:一个由输入电压增压的大型电荷存储器,一个快速开关N通道MOSFET的强劲栅极驱动器。与使用肖特基二极管相比,这种方法可以降低功率损失达90%以上。LT8672也和理想的二极管控制器一样,保护下游电路不受电池反接影响。

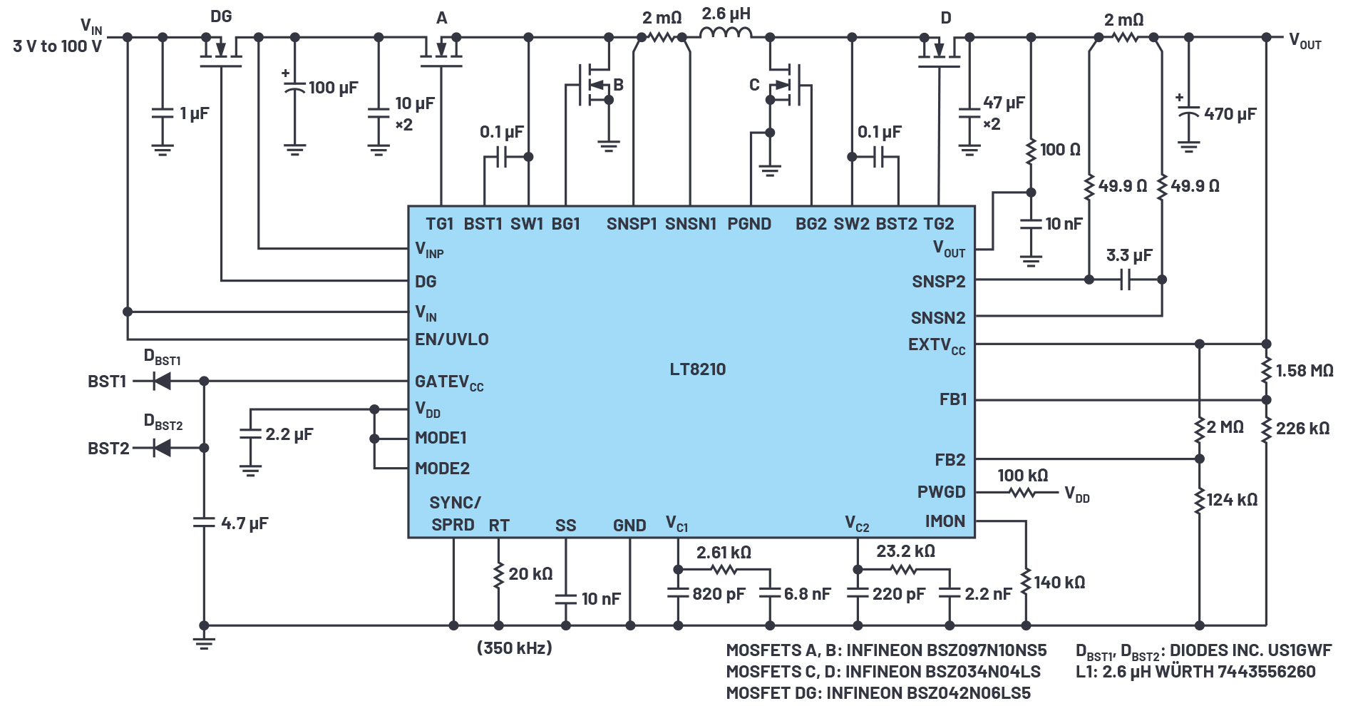
图5.这个3 V至100 V 输入降压-升压控制器以8 V至17 V带通输出运行。
启动工况
发动机启动工况(ISO 16750-2:测试4.6.3)属于极端欠压瞬变,有时候指代冷启动脉冲,这是因为在更低温度下,会发生最糟糕的电池压降。特别是,当启动器启动时,12 V电池电压可能立刻降低到8 V、6 V、4.5 V或3 V,具体由严重程度分类决定(分别为I、IV、II和III级)。
在有些系统中,低压差(LDO)线性稳压器或开关降压稳压器足以支持电源电轨应对这些瞬变,只要ECU电压低于最低的输入电压。例如,如果最高的ECU输出电压为5 V,且其必须达到严重程度等级IV(最低输入电压6 V),那么使用压差低于1 V的稳压器即可。发动机启动工况电压最低的分区只能持续15 ms至20 ms,所以大型旁路电容之后的整流器件(肖特基二极管、理想的二极管控制器、主动整流器控制器)可能能够经受这部分脉冲,如果电压净空短暂地下降至低于稳压器压降差。
但是,如果ECU必须支持高于最低输入电压的电压,则需要使用升压稳压器。升压稳压器可以在高电流电平上,有效保持来自低于3 V的输入的12 V输出电压。但是,升压稳压器还存在一个问题:从输入到输出的二极管路径无法断开,所以自然地电流在启动时或者短路时不受限。为了防止电流失控,专用的升压稳压器(例如LTC3897控制器)集成浪涌抑制器前端来支持输出断开和限流,以及在使用背靠背N通道MOSFET时提供反向电压保护。这个解决方案可以利用单个集成电路解决负载突降、发动机启动和电池反接,但是可用电流受浪涌抑制器MOSFET的SOA限制。
4开关降压-升压稳压器通过共用的电感来联合同步降压稳压器和同步升压稳压器,以消除此限制。这种方法可以满足负载突降和发动机启动工况测试的要求,且电流电平或脉冲持续时间不会受到MOSFET SOA限制,同时还保有断开输出和限流的能力。
降压-升压稳压器的开关操作由输入和输出电压之间的关系决定。如果输入远高于输出,升压顶部开关持续开启,降压功率级则降低输入。同样,如果输入远低于输出,降压顶部开关持续开启,升压功率级则增高输出。如果输入和输出大致相等(在10%至25%之间),那么降压和升压功率级会以交错方式同时开启。如此,可以通过仅对高于、约等于或低于输出的输入电压实施稳压所需的MOSFET限制开关,分别最大化各个开关区域(降压、降压-升压、升压)的效率。

图6.对未受抑制的负载突降的带通响应。
ISO 16750-2解决方案汇总
图3汇总介绍了应对负载突降、反向输入电压、叠加交变电压和发动机启动工况测试的各种解决方案,以及各种方案的优缺点。可以得出几个关键结论:
◇ 漏极面向输入的串接N通道MOSFET极其有用,因为它可用于限流和断开输出,无论是它被用作开关(例如,在降压功率级中)或线性控制器件(例如,在浪涌抑制器中)。
◇ 涉及反向输入保护和叠加交变电压时,使用N通道MOSFET作为整流组件(面向输入的源极)可以大幅降低功率损失和压降(与使用肖特基二极管相比)。
◇ 相比线性稳压器,使用开关模式电源更合适,因为它可以消除功率器件的SOA导致的可靠性问题和输出电流限制。它可以无限调节输入电压极限值,而线性稳压器和无源解决方案本身存在时间限制,这种限制会令设计更加复杂。
◇ 升压稳压器可能需要使用,也可能不需要使用,具体由启动工况的分类和ECU(必须提供的最高电压是多少)的详情决定。
如果需要升压稳压,那么4开关降压-升压稳压器会将上述需要的特质融合到单个器件中。它可以在高电流电平下,有效调节严重欠压和过压瞬变,以延长持续时间。从应用的角度来看,这使其成为最可靠和简单的方法,但其设计复杂性也会增加。然而,典型的4开关降压-升压稳压器存在一些缺点。其一,不能自然提供反向电池保护,必须使用额外电路来解决这个问题。
4开关降压-升压稳压器存在的主要问题在于:它的很大部分运行寿命都消耗在效率更低、噪声更高的降压-升压开关区域。当输入电压非常接近输出电压(VIN ~ VOUT)时,所有4个N通道MOSFET都会主动开启,以保持稳压。随着开关损耗增大,以及使用最大的栅极驱动电流,效率降低。当降压和升压功率级热回路都启用,稳压器输入和输出电流出现断续,这个区域内的辐射和导电EMI性能会受到影响。
4开关降压-升压稳压器可以调节偶然出现的大幅度欠压和瞬态过压,但需要使用高静态电流、降低效率,并且在更常见、常规的转换区域产生更高噪声。

图7.LT8210对电池反接的响应。
带通工作模式提供高效率和EMI性能降压-升压区域
LT8210是4开关降压-升压DC/DC控制器,可以按照惯例使用固定输出电压运行,且支持新Pass-Thru™工作模式(图4),可以通过可配置的输入电压窗口消除开关损失和EMI。该控制器在2.8 V至100 V范围内运行,可以调节发动机启动期间最严重的电池压降,也可以调节未受抑制的负载突降的峰值幅度。它本身提供–40 V反向电池保护,通过增加单个N通道MOSFET实现(图5中的DG)。
在带通模式下,当输入电压在窗口之外时,输出电压被调节至电压窗口的边缘。窗口顶部和底部通过FB2和FB1电阻分压器配置。当输入电压在此窗口之内时,顶部开关(A和D)持续开启,直接将输入电压传输至输出。在不开关状态下,LT8210的总静态电流降低至数十微安。不开关意味着没有EMI和开关损失,所以效率高达99.9%以上。
对于两方面都想实现最佳效果的人来说,可以使用LT8210,它可以通过切换MODE1和MODE2引脚,在不同的工作模式之间切换。换句话说,LT8210在某些情况下可以作为具有固定输出电压(CCM、DCM,或Burst Mode™)的传统的降压-升压稳压器运行,然后,在应用条件变化时,转而采用带通模式。对于常开系统和启停应用而言,这个特性非常有用。

图8.对发动机冷启动的带通响应。
带通性能
图5所示的带通解决方案将窗口中8 V和17 V的输入传输至输出。当输入电压高于带通窗口时,LT8210将该电压降低至经过调节的17 V输出。如果输入降低至低于8 V,LT8210将输出电压升高至8 V。如果电流超过电感限流或设置的平均限流(通过IMON引脚),作为保护特性在带通窗口中触发开关操作以控制电流,。
图6、图7和图8分别显示LT8210电路对负载突降、反向电压和启动工况测试做出的反应。图9和图10显示在带通窗口下,实现的效率改善和可以实现的低电流操作(低电流时的效率令人惊讶)。图11显示带通模式和CCM操作之间的动态转换。关于此电路的LTspice模拟,以及最严格的ISO 16750-2测试脉冲的加速版本。

图9.CCM和带通操作的效率。

图10.在带通模式(VIN = 12 V)下,无负载输入电流。
结论
为汽车电子系统设计电源时,LT8210 4开关降压-升压DC/DC控制器通过其2.8 V至100 V输入工作范围、内置的反向电池保护和其新带通工作模式,提供出色的解决方案。带通模式可以改善降压-升压操作,实现零开关噪声、零开关损失,以及超低的静态电流,同时将输出调节至用户配置的窗口水平,而不是固定电压。输出电压的最小和最大值与例如负载突降和冷启动期间的大幅度瞬变相绑定,没有MOSFET SOA或者由线性状况导致的电流或时间限制。
新型LT8210控制方案支持在不同的开关区域(升压、降压-升压、降压和不开关)之间实现干净快速的瞬变,因此能够调节输入中的大信号和高频率交流电压。LT8210可以在带通操作模式和传统的固定输出电压、降压-升压操作模式(CCM、DCM或Burst模式)之间切换并保持运行,固定输出可以设置为带通窗口中的任何电压(例如,在8 V至16 V窗口中,VOUT=12 V)。这种灵活性使得用户能够在带通和常规的降压-升压操作之间切换,利用带通模式的低噪声、低IQ和高效率操作,在CCM、DCM或Burst模式下实现更精确的稳压和更出色的瞬态响应。

图11.带通和CCM操作之间的动态转换。
参考文献
1 Dan Eddleman。“低静态电流浪涌抑制器:符合ISO 7637-2和ISO 16750-2要求的可靠汽车电源保护。”LT Journal of Analog Innovation,2017年1月。
2 Christian Kueck。“经过改善的汽车电子设计。”ADI公司,2013年4月。
3 Bin Wu、Zhongming Yi。“用于恶劣汽车环境的全面电源系统设计占用空间极小,可节约电池电量且具有低EMI特性。”《模拟对话》,第53卷,2019年8月。
4 Dan Eddleman。“LTspice:ISO 7367-2和ISO 16750-2瞬变模型。”ADI公司,2019年。
ISO 7637-2:2011。国际标准化组织,2011年3月。
ISO 16750-2:2012。国际标准化组织,2012年11月。
上一篇:使用可扩展的PMIC避免重新设计汽车摄像头模块电源电路
下一篇:车载毫米波雷达对高质量集成电路的要求
推荐阅读最新更新时间:2026-03-21 11:42
- 边缘计算主机盒选购指南:五大核心指标解析
- Arm AGI CPU 更多细节:台积电 3nm 制程、Neoverse V3 微架构
- Arm AGI CPU 重磅发布:构筑代理式 AI 云时代的芯片基石
- Arm 拓展其计算平台矩阵,首次跨足芯片产品
- 阿里达摩院发布RISC-V CPU玄铁C950,首次原生支持千亿参数大模型
- 边缘 AI 加速的 Arm® Cortex® ‑M0+ MCU 如何为电子产品注入更强智能
- 阿里达摩院发布玄铁C950,打破全球RISC-V CPU性能纪录
- VPU中的“六边形战士”:安谋科技Arm China发布“玲珑”V560/V760 VPU IP
- 利用锚定可信平台模块(TPM)的FPGA构建人形机器人安全
- LM2904DMR2G 函数发生器运算放大器的典型应用
- DEMO9RS08KA2: DEMO9RS08KA2 Demonstration Board
- MCP73871EV,MCP73871 锂离子电池充电器评估板
- STEVAL-IHM039V1,采用 STM32F415 微控制器的双电机控制演示板
- LTC1606CG 演示板、16 位、250ksps ADC
- RT8086B 3.5A、1.2MHz、同步降压转换器的典型应用
- TS4999EIJT 典型应用 免滤波器立体声 2.8 W D 类音频功率放大器,可选择 3D 音效
- LTM4615,采用 15mm-15mm 封装的完整双路和三路输出负载点模块稳压器
- LTC2415-1IGN 24 位 ADC 的典型应用电路使用电阻器阵列在励磁放大器中提供精确匹配
- 使用 Analog Devices 的 LTC1450LIN 的参考设计

电力电子技术基础第三版(Fundamentals of Power Electronics )
现代雷达系统的信号设计
BFR340T






京公网安备 11010802033920号