评估音箱档次,听觉感受是重要的一环,也就是俗称的音质体验。提升音质的方式方法很多,比如从电子电路下手提升音频功放输出功率,降低失真度;调整频率响应以补偿扬声器或者腔体某些频点的不足等等。而分频是一种提升音质非常有效的方法。因为针对低频,中频,或者高频这种相对频带较窄的扬声器很好做,效果也很好。但20Hz~20kHz音频全频带的扬声器就较难做得好,或者需要成本很高的材料才能做出效果较好的全频喇叭。采用2.1声道组合属于电子分频的范畴,是提升音箱音质的一贯做法。便携式蓝牙音箱也一样,做成移动2.1声道音箱,也是提升音质效果的一种好办法。尤其是震撼的低音听觉体验是双声道或者单喇叭很难比拟的。
深圳市永阜康科技有限公司推出基于CS8611E单芯片移动2.1声道蓝牙音箱解决方案。采用双节锂电池串联8.4V做电源,再加一个升压芯片CS5036E升压到12V给CS8611E供电,实现20W+2×10W输出;而充电采用CS5090E USB 5V输入两节锂电池串联8.4V充电管理芯片,非常方便。在锂电池为电源的状态下提供媲美传统2.1音箱的听觉体验。
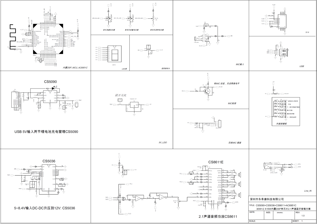
整体功能框图如下:

一. 设计说明:
此方案是20W+2×10W移动2.1音频放大升压充电管理组合参考设计。电源是两节串联18650电池,分为三个主要级:
1,采用CS5090升压型双节锂电充电IC,省掉传统的外接适配器,用一根USB线实现给两节锂电充电;
CS5090E是一款USB_5V输入用于两节锂电池串联8.4V充电管理芯片。内置完整的涓流,恒流,恒压充电过程。最大的特点是输入自适应功能,任何大小电流的USB接口都可以正常充电,最大充电电流1.5A。另外,具备各种安全可靠的保护措施以及充电状态指示,还带了NTC温度控制功能。
CS5090E脚位图以及管脚说明

2,两节锂电池串联8.4V做电源,通过升压芯片CS5036E升压到12V给功放IC供电;
CS5036E是一款内置12A,MOS高效DC-DC升压转换芯片。外围极其简洁,输入电压范围宽3V~12V,效率高达93%以上。限流值外围可调,方便匹配电池。采用EQA16封装,具备过温保护,过压保护等功能。
CS5036E脚位图以及管脚说明

3,音频功率放大芯片采用CS8611E,在12V电压提供20W+2×10W功率输出;
CS8611E是一款2×15W+30W专用2.1声道D类音频功率放大器。先进的EMI抑制技术使得在输出端口采用廉价的磁珠滤波器就可以满足EMC要求。再加上扩频工作模式,FM收音机也获得较理想的收台效果。另外,高达90%以上的效率使得在播放音乐的时候不需要额外的散热器。
CS8611E脚位图以及管脚说明

二.CS5090E+CS5036E+CS8611E+AC6951C整体板原理图

三.CS8611E _2.1声道音频功放部分原理图

四. CS5090E+CS5036E+CS8611E+AC6951C整体板PCB顶层设计图

五. CS5090E+CS5036E+CS8611E+AC6951C整体板PCB底层设计图

六. CS5090E+CS5036E+CS8611E+AC6951C整体板贴片图

七. CS5090E+CS5036E+CS8611E+AC6951C整体板物料清单


八. CS5090E+CS5036E+CS8611E+AC6951C整体板实物图

上一篇:电风扇摔一下不转了什么原因
下一篇:视频终端降低功耗技术的研究
推荐阅读最新更新时间:2026-03-20 06:54
- 边缘计算主机盒选购指南:五大核心指标解析
- Arm AGI CPU 更多细节:台积电 3nm 制程、Neoverse V3 微架构
- Arm AGI CPU 重磅发布:构筑代理式 AI 云时代的芯片基石
- Arm 拓展其计算平台矩阵,首次跨足芯片产品
- 阿里达摩院发布RISC-V CPU玄铁C950,首次原生支持千亿参数大模型
- 边缘 AI 加速的 Arm® Cortex® ‑M0+ MCU 如何为电子产品注入更强智能
- 阿里达摩院发布玄铁C950,打破全球RISC-V CPU性能纪录
- VPU中的“六边形战士”:安谋科技Arm China发布“玲珑”V560/V760 VPU IP
- 利用锚定可信平台模块(TPM)的FPGA构建人形机器人安全
- 使用 ON Semiconductor 的 FAN2518S 的参考设计
- LTC1530S8、3.3V/3A 稳压器
- 使用 ON Semiconductor 的 ADP3167 的参考设计
- 使用 Analog Devices 的 LT3420EDD 的参考设计
- 基于Kinetis® M的低成本单相电表参考设计
- LTC3708、具有上升/下降轨跟踪功能的 2.5V/15A 和 1.2V/15A 稳压器
- NXQ1TXH5插件板
- 应变仪仪表放大器
- WRL-13287,基于 ESP8266 802.11 无线局域网的 SparkFun Wi-Fi Shield
- 4.1W、3-LED 通用 LED 照明驱动器

CCS 电动汽车充电无线中断
特斯拉专利(英文)特斯拉电动汽车技术专利资料合集
现代雷达系统的信号设计

BFR340T






京公网安备 11010802033920号