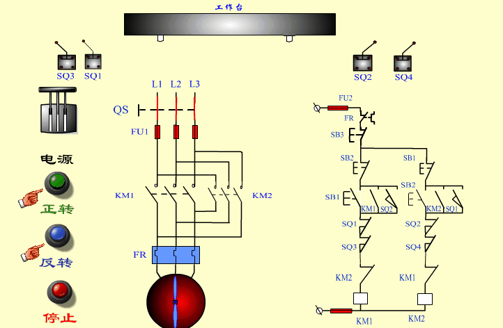
电气控制电路图一般方法是先看主电路,再看辅助电路,并用辅助电路的回路去研究主电路的控制程序。电气控制原理图一般是分为主电路和辅助电路两部分。其中的主电路是电气控制线路中大电流流过的部分,包括从电源到电机之间相连的电器元件。而辅助电路是控制线路中除了主电路以外的电路,其流过的电流比较小。
电气图是用来阐述电气工作原理,描述电气产品的构造和功能,并提供产品安装和使用方法的一种简图,主要以图形符号、线框或简化外表,来表示电气设备或系统中各有关组成部分的连接方式。
1、找出控制电路的电源线:L、N(220V),L1、L2(380V),其他还有24V、~24V的。
2、从控制电源的L 或L1端开始看起,看各支路电流经过哪个按钮,再经过哪些接触器、继电器的常开常闭触点,接着到哪个线圈,最后到N或L2,形成闭合回路。
3、要明白同一个接触器或继电器,它的线圈和各常开常闭触点是分开画的。当一个支路中接触器、继电器的线圈通电时,它的常开、常闭触点会控制所在支路线圈的通、断电(即接通或分断所在的支路)。
4、将一条支路中所有按钮触点、接触器、中间继电器、热继电器的常开常闭触点结合起来作整体分析,看在按动按钮的时刻,看各常开常闭触点通断状态的组合能否将此支路构成通路,线圈能否通电。
5、将其余的支路逐条分析,看在同一时刻,此支路中各常开常闭触点的通电状态组合能否将本支路接通,能否使线圈通电。
6、将所有支路的接触器、中间继电器线圈的通断电状态结合起来整体分析,并找出它们所控制的电机或其他设备,就能确定在同一时刻哪些电机或设备在运行,哪些不运行了。
PLC顺序控制

PLC正反转控制☟

按钮开关☟

冲孔加工☟

断电延时型时间继电器☟

多点控制☟

滚轮式行程开关☟

红绿灯☟

机械手☟


热继电器☟

三相闸刀☟

时间继电器☟

手动控制☟


星三角启动☟

异步电动机转动原理☟

自动往返控制☟

上一篇:西门子PLC变量表是什么?PLC变量表的结构简介
下一篇:防爆伺服电机和防爆步进电机有哪些区别
- 热门资源推荐
- 热门放大器推荐
- 边缘计算主机盒选购指南:五大核心指标解析
- Arm AGI CPU 更多细节:台积电 3nm 制程、Neoverse V3 微架构
- Arm AGI CPU 重磅发布:构筑代理式 AI 云时代的芯片基石
- Arm 拓展其计算平台矩阵,首次跨足芯片产品
- 阿里达摩院发布RISC-V CPU玄铁C950,首次原生支持千亿参数大模型
- 边缘 AI 加速的 Arm® Cortex® ‑M0+ MCU 如何为电子产品注入更强智能
- 阿里达摩院发布玄铁C950,打破全球RISC-V CPU性能纪录
- VPU中的“六边形战士”:安谋科技Arm China发布“玲珑”V560/V760 VPU IP
- 利用锚定可信平台模块(TPM)的FPGA构建人形机器人安全
- LTC1733,用于 4.1V 或 4.2V 电池的完整 1.5A 单节锂离子充电器
- MCP39F521,电源监控演示板是一个全功能的 I2C 总线单相电源和能量监控系统
- 具有 4.6A 输入电流限制和 12V、48W 备份模式的 LTC3350IUHF 11V 至 20V、5.3A LiFePO4 电池充电器的典型应用电路
- LT1934IS6-1 1.8V 降压转换器的典型应用电路
- STPIC6D595电源逻辑8位移位寄存器的典型应用
- CAT3200HU2EVB,基于CAT3200HU2升压转换器的评估板
- OP213FSZ-REEL7 5V Only 18-Bit Stereo Op-Amp DAC 的典型应用
- 使用 Analog Devices 的 ADM3066EBRMZ 的参考设计
- RT9284A微型封装、高性能、白光LED恒流开关稳压器驱动5串WLED的典型应用
- LTC2207 演示板,16 位高性能 ADC 驱动器

非常经典的关于LLC的杨波博士论文
ACA0861CS7CTR

XC6406PP60DL






京公网安备 11010802033920号