在工业现场中,压力、位移、温度、流量、转速等各类模拟量传感器因设计使用的技术方法不同。传感器工作配电的方式主要分为两线制和四线制,其输出的模拟信号也各有差异,而常见的有0-20mA、4-20mA电流信号和0-75mV、0-5V、1-5V电压信号。
要把各类传感器模拟信号成功采集到PLC / DCS / FCS / MCU / FA / PC系统,就要根据传感器与数据采集系统的功能和技术特点进行匹配选型,同时也要考虑到工业现场传感器与PLC等数据采集系统的供电差异及各种EMC干扰的影响,通常把传感器输出的模拟信号隔离、放大、转换后送到PLC等数据采集系统。
PLC通过信号线采集传感器的模拟或数字信号,然后进行处理,如果传感器是模拟输出,PLC就要接模拟输入接口,如果传感器是数字信号输出,PLC就要接数字输入接口。
开关量传感器就是一个无触点的开关,开关量传感器可作为PLC的开关量输入信号。一般用于开关量控制的设备,机床,机器等。模拟量传感器是把不同的物理量(如压力、流量、温度)转换成模拟量(4-20MA的电流或1-5V的电压)。模拟量传感器作为PLC的模拟量输入模块的输入信号,一般用于过程控制。数字传感器是指将传统的模拟式传感器经过加装或改造A/D转换模块,使之输出信号为数字量(或数字编码)的传感器,主要包括:放大器、A/D转换器、微处理器(CPU)、存储器、通讯接口电路等。
常用的模拟量传感器分为两线制和四线制,两线制和四线制都只有两根信号线,它们之间的主要区别在于:两线制的两根信号线既要给传感器或者变送器供电,又要提供电流电压信号;而四线制的两根信号线只提供电流信号。通常提供两线制电流电压信号的传感器或者变送器是无源的;而提供四线制电流信号的传感器或者变送器是有源的。
因此,当PLC等数据采集系统的模板输入通道设定为连接四线制传感器时,PLC只从模板通道的端子上采集模拟信号,而当PLC等数据采集系统的模板输入通道设定为连接二线制传感器时,PLC的模拟输入模板的通道上还要向外输出一个直流24V的电源,以驱动两线制传感器工作。

4-20mA和电工标准有关,4-20mA信号制是国际电工委员会(IEC)过程控制系统用模拟信号标准。我国从DDZ-Ⅲ型电动仪表开始采用这一国际标准信号制,仪表传输信号采用4-20mA,联络信号采用1-5VDC,即采用电流传输、电压接收的信号系统。因为信号起点电流为4mA,为变送器提供了静态工作电流,同时仪表电气零点为4mA,不与机械零点重合,这种活零点有利于识别断电和断线等故障。
一、根据模拟信号传感器的性能选型搜索
1、两线制电流/电压输出传感器(无供电电源,由负载提供16—24V配电,输出4-20mA/0-5V)。
1.1、两线制无源4-20mA输入型传感器,经电流隔离配电器配电后与PLC连接。如图1所示,称重、测距传感器正端接16—24VDC,负端输出4-20mA电流。

图1 两线制4-20mA隔离配电器典型应用图
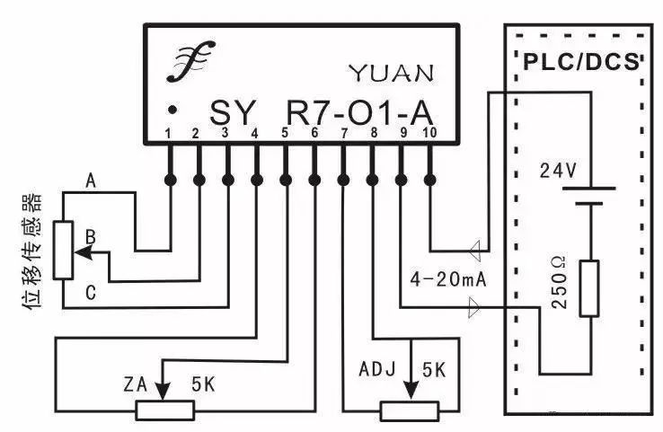
1.2、两线制无源电压信号输入型传感器,经电压配电器配电后与PLC连接。如图2、图3所示,位移、电子尺传感器正端、负端接16—24VDC电压。

图2 非隔离两线无源电压配电器

图3 隔离型电压配电器
如图4、图5所示,应力片、称重电桥传感器正端、负端接16—24VDC电压。

图4 隔离型电压信号转换放大

图5 隔离型电桥电压配电器
1.3、两线制传感器输出4-20mA电流环路经隔离器隔离后与PLC连接。如图6所示,压力、流量传感器正端接9—32VDC,负端输出4-20mA电流。

图6 两线制4-20mA电流环路隔离器典型应用图
1.4、两线制传感器输出4-20mA电流经隔离调理匹配(解决输入输出间冲突)后与PLC连接。如图7所示,温度、转速传感器正端接12—24VDC,负端输出4-20mA电流。

图7 两线制4-20mA信号与PLC匹配隔离调理典型应用图
2、四线制电流/电压(输入/输出)型传感器(有自己的供电电源24VDC,输入/输出:4-20mA或0-5V)。
2.1、四线制电流输出型传感器经模拟信号隔离放大后与PLC连接。如图8所示,温度、湿度传感器正端接24VDC,负端输出4-20mA电流。

图8 四线制传感器信号I/I隔离放大后与PLC连接典型应用图
如图9所示,压力、转速传感器正端接24VDC,负端输出4-20mA电流。

图9 四线制传感器信号I/V转换后与PLC连接典型应用图
2.2、四线制电压输出型传感器经模拟信号隔离放大后与PLC连接。如图10所示,压力、转速传感器正、负端接24V电源,输出端输出0-5V电压。

图10 四线制传感器信号V/I转换后与PLC连接典型应用图
如图11所示,液位、流量传感器正、负端接24V电源,输出端输出0-5V电压。

图11 四线制传感器信号V/V隔离后与PLC连接典型应用图
二、PLC与传感器的连接匹配选型
选择 PLC(以2#接头为正,3#接头为负举例)
1、两线制时正极 2 输出 24VDC 电压,3 接收电流,所以遇到两线制传感器时,一种接法是 2 接传感器正,3 接传感器负;跳线为两线制电流信号。二种接法是 2 悬空,3 接传感器的负,同时传感器正要接柜内24vdc;跳线为两线制电流信号。(以 2正、3 负为例)
2、四线制时正极 2 是接收电流,3 是负极。(四线制好处是传感器负极信号与柜内 M 为不同电平时不会影响精度很大,因为是传感器本身电流的回路)遇到四线制传感器时,一种方法是 2 接传感器正,3 接传感器负,PLC跳线为 4 线制电流。(以2 正、3 负为例)
3、四线制传感器与 plc 两线制跳线接法:信号线负与柜内 M线相连。将传感器正与PLC的3 相连,2 悬空。跳线为两线制电流。(以 2 正、3 负为例)
4、电压信号:2 接传感器正,3 接传感器负,PLC跳线为电压信号。(以 2 正、3 负为例)
上一篇:人机交互与协同计算方法有哪些类型
下一篇:工业自动化领域的通信方式
推荐阅读最新更新时间:2026-03-24 07:19
- 边缘计算主机盒选购指南:五大核心指标解析
- Arm AGI CPU 更多细节:台积电 3nm 制程、Neoverse V3 微架构
- Arm AGI CPU 重磅发布:构筑代理式 AI 云时代的芯片基石
- Arm 拓展其计算平台矩阵,首次跨足芯片产品
- 阿里达摩院发布RISC-V CPU玄铁C950,首次原生支持千亿参数大模型
- 边缘 AI 加速的 Arm® Cortex® ‑M0+ MCU 如何为电子产品注入更强智能
- 阿里达摩院发布玄铁C950,打破全球RISC-V CPU性能纪录
- VPU中的“六边形战士”:安谋科技Arm China发布“玲珑”V560/V760 VPU IP
- 利用锚定可信平台模块(TPM)的FPGA构建人形机器人安全
- REF196 精密微功率、低压差堆叠电压基准的典型应用电路
- LTC4367IMS8 用于滞后调节的过压电源控制器的典型应用
- CLRC663非接触式读写器IC的典型应用
- 使用 ON Semiconductor 的 CS-5621 的参考设计
- RSO-0515S 15V、67mA输出DC/DC转换器典型应用电路
- NCP51200 3 Amp VTT 终端稳压器 DDR1、DDR2、DDR3、LPDDR3、DDR4 的典型应用
- LR645大电流SMPS启动电路典型应用
- ADR420 可编程电流源的典型应用
- DC417B,使用 LT1806CS8 多尺寸单运算放大器原型的演示板
- DM300019,用于评估 dsPIC30F 和 dsPIC33F MCU 系列器件的 dsPICDEM 入门开发板

SPI to PSI5
英飞凌XENSIV™ 磁性传感器相关的软件示例代码
现代雷达系统的信号设计
BFR340T






京公网安备 11010802033920号