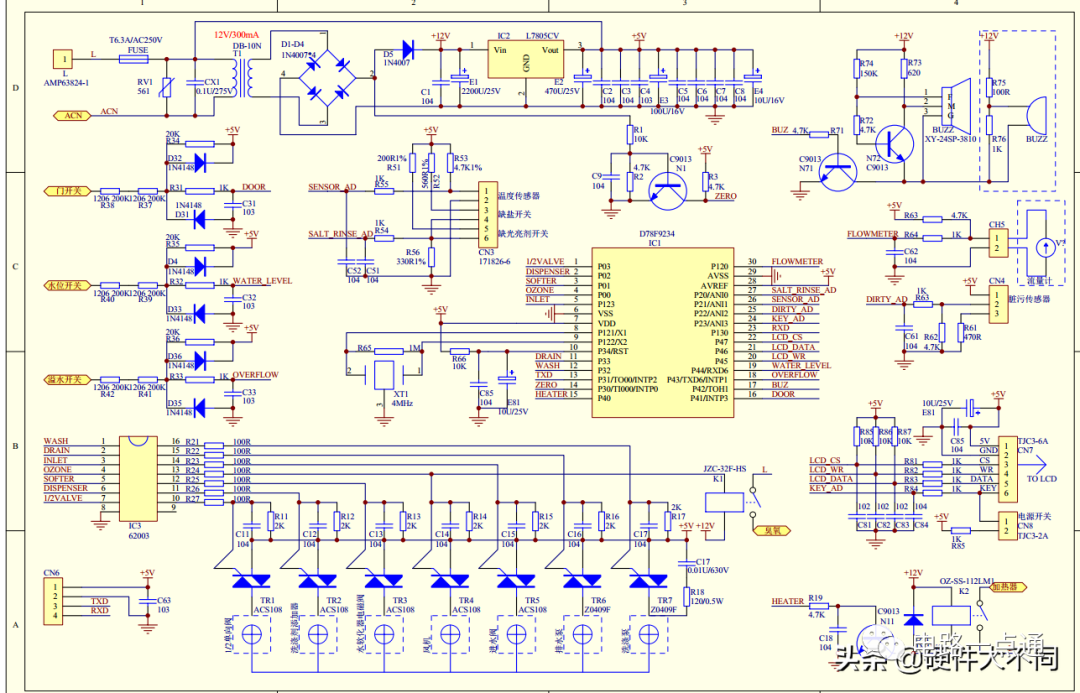
洗碗机对于现在的年轻人来说是最爱的一款小家电了,目前小家电市场竞争激烈,如何设计出低成本的电路方案是赢得市场的关键,今天给大家分享一款低成本洗碗机的电路设计方案。以下是原理图。


功能
洗涤模式设置功能:强洗,标准洗,冲洗,干燥。
加热洗涤
臭氧杀菌消毒功能
自动故障报警
开门保护功能
运行状态指示
报警状态指示
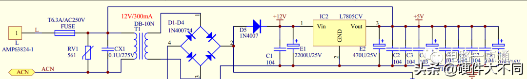
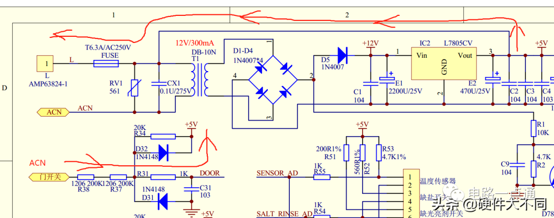
电源部分

系统需要3路电源,1路220V交流电压用于交流功率外设的驱动,1路12V供电用于继电器控制,1路5V电源给单片机和其它芯片供电。
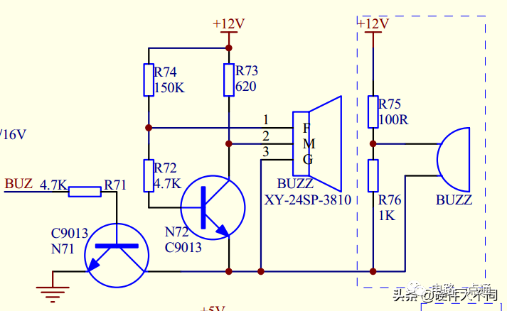
蜂鸣器控制

使用1个蜂鸣器来提示工作状态,本电路中,设计了两个蜂鸣器接口,可以根据客户的需求选择驱动相应的蜂鸣器。
开关检测电路

系统需要检测门开关,水位开关和溢水开关,当开关闭合时,输入端输入的220V交流电压会经过以上电路,将220V交流电压转换为5V的方波型号,当单片机检测到方波信号时表明开关是闭合的,反之会认为开关是断开状态。以下以门开关检测为例,说明下功能是怎样实现的。

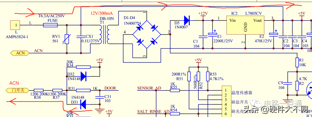
交流电的正半周,电流流向

交流电的负半周,电流流向
通过以上两图可以看出,在交流电的正负半周内,通过D31,D32的钳位,将交流电钳位为一个最高约5.6V,最低约为-0.6V的方波,如下图

方波型号送到单片机的16脚,用来检测门开关的状态。想了解过零检测电路相关设计的朋友可以看我的这篇文章,家电产品过零信号检测方案总结
模拟量检测电路


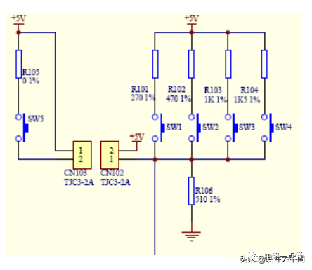
使用单片机的AD口来检测模拟量,需要检测的模拟量有温度传感器,缺盐开关,缺光亮剂开关,另外按键也是使用AD口来检测的,在每个按键上配置上不同阻值的分压电阻,当不同的按键按下时,就会在AD口检测到不同的输入电压,从而可以检测按键的状态,当项目中单片机的IO口不足时,经常会使用这种用AD口来检测按键输入的方法。
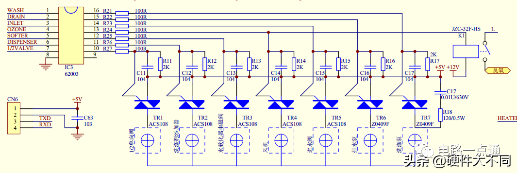
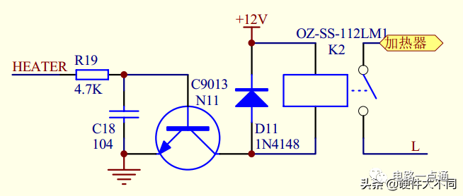
功率器件驱动电路


使用达林顿驱动芯片IC3来驱动继电器和可控硅是常见的做法。
过零检测

经整流桥整流后的馒头波经过R1--N1的基极--N1的发射极--地。使N1导通,N1的集电极输出低电平给单片机的过零检测IO口,当交流电经过零点时,N1的发射结没有正向偏置,N1截止,N1的集电极输出高电平给到单片机的过零检测IO口。加入过零检测电路的原因是为了在交流电过零点时打开功率器件。
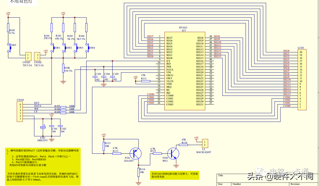
LCD驱动

使用外部驱动芯片驱动LCD,当然现在很多单片机都内置了LCD驱动,也可选择内置LCD驱动的单片机。
关键字:低成本 小家电
引用地址:
洗碗机电路原理图 低成本洗碗机电路设计方案
推荐阅读最新更新时间:2026-03-21 04:38
设计安全的智能小家电
消费者享受着当今新型智能家电带来的好处,其中包括更智能的便利功能和基于物联网的界面,使他们能够控制家庭环境。这些产品包括空气炸锅和机器人吸尘器,可节省消费者做各种家务和准备食物和饮料的时间。 设计师必须将智能技术融入到新家电设计中,以满足消费者的需求。他们还必须提高家电的节能效果,让电池供电的产品在停机和充电之间的间隔时间更长。 电器中的电子元件越多,设计师面临的挑战就越大,他们需要确保产品坚固可靠,能够抵御过压瞬变、过流情况和静电放电 (ESD) 等电气危害。本文向设计师介绍了电路保护方案和一些保护电路免受电气危害的独特元件。本文还推荐了降低功耗以节省能源的元件。所有这些元件将使设计师能够开发出安全、高效、坚固且智能的小型电器。
[嵌入式]
六大场景应用,法奥协作机器人持续助力小家电行业转型升级
小家电行业是典型的劳动密集型行业,且市场需求快速迭代,行业发展面临小批量、多品种的生产模式,自动化改造升级的进程逐渐加快。 法奥 协作机器人 ,以其易编程、快部署、高安全等特性,在小家电行业开拓了众多应用场景。 应用一 UV光固零部件搬运 两台协作 机器人 协同作业,一台负责将UV光固好的零部件从底座上取下来,放到检测点位,另一台根据检测的结果,将零部件分装到良品和不良品箱。 项目效益 (1)把人从重复枯燥、机械化的工作中释放出来,让工人突破单一技能,成为机器人的管理者 (2)ROI周期≤8个月 应用二 洗地机零部件螺丝锁付 自动化螺丝锁付场景,使用法奥FR5协作机器人,搭配视觉设备集成,可以精确定位,高效完成锁付作
[机器人]
PN8036 12V0.5A非隔离小家电芯片
非隔离AC-DC电源芯片降压电路,一般采用BUCK拓扑结构,其电路简单、BOM成本低(外围元件数目极少:无需变压器、电感、光耦),电源体积小、无噪音、发热低等特点常见于小家电控制板电源以及工业控制电源供电,下面芯朋代理骊微电子为大家介绍一款宽输出范围非隔离AC-DC电源芯片PN8036。 PN8036宽输出范围非隔离交直流转换芯片 ,集成PFM控制器及650V高雪崩能力智能功率MOSFET,用于外围元器件极精简的小功率非隔离开关电源。PN8036内置650V高压启动模块,实现系统快速启动、超低待机功能。该芯片提供了完整的智能化保护功能,包括过流保护,欠压保护,过温保护,另外PN8036的降频调制技术有助于改善EMI特性。
[嵌入式]
小家电热销带动盛群,新唐单片机出货量激增
由于今年白色小家电需求依旧热络,10月开始一波急单带动IC设计盛群(6202)、新唐(4919)MCU出货量增,加上年底耶诞节购物需求,及上半年库存去化告一段落,第四季业绩将优于第三季,全年营运可望倒吃甘蔗。 10月相关白牌小家电零组件IC出现节前急单拉货潮,盛群表示,10月开始,已感受到订单回流迹象,客户及终端库存去化、中国双11及年底拉货旺季到来,且中国去美化政策逐季发酵,客户拉货态度转趋积极。 上半年受到贸易战影响,客户拉货态度观望,下半年库存水位已降至低点,MCU厂在客户要求下,于10月备妥急单需求,主要以小家电商品IC为主,第四季进入全年出货旺季,法人预估今年第四季MCU厂业绩可望成为全年最高点。
[单片机]
单身经济霸气崛起,迷你小家电势逆袭大市场
没有情人的情人节,单身狗们并不孤单寂寞冷,却甘之如饴。他们养宠物、外卖美食、一人健身唱K、独自旅行、喜购 小家电 。。。比走进婚姻牢笼的人儿们更惬意舒适,他们这种一人吃饱一人乐的生活模式被美名其曰为“单身经济”。 日前,国金消费研究中心发布了2019年的《单身经济专题分析报告》。报告对出生于1985-1995年的2000名未婚人群定做了细致研究,认为大部分单身的年轻人尚未面临买房买车的阶段,储蓄意识基本非常淡薄。在一线、新一线和二线城市,基本上40%左右的单身青年们“月光”,四、五线城市该比例高达76%。他们的消费主要有四大方向:花钱买方便、花钱为了悦己、花钱买寄托和花钱买未来。 具体而言,花钱为了悦己体现在他们对于迷
[家用电子]
国产小家电如何逆势而上快速发展
近年来,伴随人们消费能力与理念的改变,小而美的家用电器开始成为市场焦点,尤其是在大家电市场需求逐步饱和的背景下,小家电就变成了消费大众追捧的对象。在实际市场较量中,国外的"洋品牌"长期霸居我国小家电市场主导地位,国产小家电被压制很难施展拳脚,然而随着中国代表性小家电品牌不断涌现及消费者品牌认知度的提升,国产小家电军团力量逐步强大,开始与外资品牌"分庭抗礼"。 喜:大家电如履薄冰 小家电逆势而上 在消费需求低迷、房地产政策调控等因素的影响下,今年前三季度整个家电市场表现出了严峻的市场形势,大家电品类中黑电、白电及厨卫等市场形势如履薄冰,均呈现了下滑的发展态势。相反,小型生活家电包括环境及个护小家电却逆势而上,迎来了爆发式增长。 来自
[家用电子]
小米该如何估值 未来成长对标小家电
小米依然缺钱,合并现金流量表显示,2017年经营活动产生的现金流量净额为-9.96亿元,2018年第一季度则为-12.78亿元;大量的经营现金流出,也使得小米按照现金流折现模型估值变得不大可能。] 600亿美元还是800亿美元?小米集团到底要怎么估值? 6月11日凌晨,证监会官网披露《小米集团公开发行存托凭证招股说明书(申报稿2018年6月7日报送)》(下称“CDR招股书”)文件。小米拟在上海证券交易所上市,中信证券为发行保荐机构及主承销商。CDR和港股同步发行,不过小米并没有公布发行基础股票数量以及基础股票与CDR之间的转换比例。 有机构人士向第一财经记者表示,小米的情况比较特殊,无论是港股和A股上市,几乎都
[手机便携]
人气高又如何? “网红”小家电上了质检“黑榜”
人气高,颜值高,质量却未必好 “网红”小家电上了质检“黑榜” 随着家电消费的升级换代,不少小家电成为诸多消费者网购家电时关注的对象,而凭借着新潮时尚的外形设计和“走心”的网络推广,造就了不少“网红”小家电,小狗牌吸尘器和FFU空气净化器可谓其中的“佼佼者”。 这些新潮时尚的“网红”小家电真的物廉价又美吗?其实不然。南方日报记者在调查中发现,这些“网红”小家电频频与“不合格”“不达标”等词汇联系在一起,而网上对其质量问题的吐槽不断。据奥维云网数据显示,空气净化器、净水器、吸尘器、电饭锅等小家电正成为质量问题重灾区,不少近几年“蹿红”的小家电品牌也身在其中。 “网红”小狗吸尘器抽检不合格 若论及近年来“网
[家用电子]