1、概述
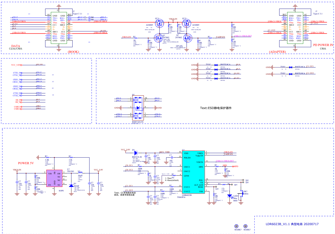
LDR6023B SSOP16 是乐得瑞科技针对 USB Type-C 标准中的 Bridge 设备而开发的双 USB-C DRP 接口 USB PD 通信芯片。具备 Power Negotiation 数据包透传功能,切换 Data Role 功能,以及通过 VDM 协商让智能设备进入 ALT MODE 输出 DP 信号的功能,特别适用于 USB TYPE-C Docking 及 USB TYPE-C 接口显示器的应用。LDR6023B 还针对 Switch 游戏机的 USB PD 通信协议中,与标准 DP ALTMODE 不同部分进行了兼容性设计,可以很好的配合该游戏机的视频输出模式开启
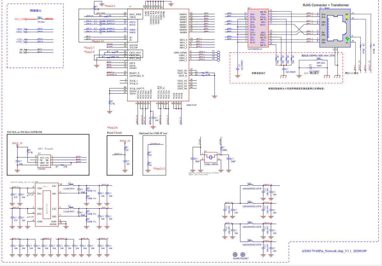
Typec手机有线网卡网线转网口转接RTL8153B/RTL8153/RTL8152/AX88179/AX88179A/+LDR6023S/LDR6028快充方案
LDR6023B+AX88179参考设计电路


2、特点
◇ 支持 USB PD 2.0 以及兼容 USB PD 3.0
◇ 双 TYPE-C 接口都支持 DRP 功
◇ 透传适配器与智能设备(电脑,平板,手机)之间的 PDO 及 REQUEST 协商
◇ 自动进行 DR_SWAP 转为 UFP 模式
◇ 通过 VDM 协商申请,让智能设备进入 ALT MODE 支持 DP 输出
◇ 提供可配置的功率分配功能,可以为系统预留 5W/10W/15W 不同功率
◇ 提供外设复位控制功能,为外设提供复位信号
◇ 支持 Switch 游戏机 Docking 功能,HDMI 控制/按键控制画面切换功能、
3、应用
◇ TYPE-C Docking, Hub, TYPE-C 到 HDMI/DP/VGA 转换器,Switch 游戏机转接器

关键字:PD快充
引用地址:
Type-c转千兆网卡+PD快充方案,支持边充电边传输
推荐阅读最新更新时间:2026-03-23 02:50
如何让TYPE-C手机实现边传输USB2.0数据边充电的功能
现在的手机都统一成为USB-C接口形态,如何让USB-C接口的手机同时实现充电跟USB2.0数据同时工作呢?,LDR6028 SOP8 是乐得瑞科技针对 USB Type-C 标准中的 Bridge 设备而开发的 USB-C DRP接口 USB PD 通信芯片。具备切换 Data Role 功能,既不耽误USB2.0数据传输,又不影响手机充电功能,并针对各大手机品牌的 USB-C 兼容性进行了特别优化,适合于手机音频转接器应用场景。 LDR6028产品规格书 LDR6028 TYPE-C手机音频转接器参考原理图 总结: 支持手机正反插,即插即用,免驱动安装支持手机、平板、笔记本等Type-C接口音频拓展, 单芯片完成P
[嵌入式]
CX8831CQ全集成PD3.2快充芯片通过AEC-Q100认证,专为汽车USB充电设计
在智能 电动汽车 成为主流的今天,车载充电不再只是附属功能,而是影响用户体验的关键环节。诚芯微科技深刻洞察 车载电源 市场需求,推出专为汽车USB充电模块打造的高集成、高可靠 PD快充 解决方案——CX8831CQ。该 芯片 集DC降压 控制器 与多协议快充功能于一体,以单颗“芯”实现高效、稳定、兼容性强的车载快充电源解决方案,全面满足汽车前装市场对 电源管理 的高标准要求。 CX8831CQ,高集成,省空间更省成本!CX8831CQ凭借PD3.2与AEC-Q100双重权威认证,以“一芯多能”的设计,突破效率与成本的传统边界,为 汽车电子 充电模块赋能,助力整车厂商与终端用户同步驶入快充新时代。CX8831CQ以高度集成为核心
[汽车电子]
PD快充和氮化镓快充安规Y电容的选型
鉴于近年流行的PD氮化镓快充,从20W到目前几百上千瓦,功率越做越大,充电器缺越做越小,高密度元器件,导致快充内部温度不断突破极限,工程师在EMC测试时,遇到很多问题。比如:热机测试EMC有干扰问题。工程师们想了很多方法来解决始终不得其所。其实这种问题除了磁芯 变压器 电感 容易导致MEI干扰外,其实还有安规Y电容也是解决EMC干扰的一个方面。 Y电容有3种材质.Y5V Y5U和Y5P Y5V由于价格便宜是很多工程师,采购们的首选。但是Y5V的温度变化率较大,当温度超过18°C以后,容量开始下降,温度上升越高,容量下降越多,当温度上升到85°C时,容量下降86%,当温度上升到125°C时容量容量下降到82%。这种情况下由于电容
[嵌入式]
M12269支持PD3.1等快充协议、140W升降压3-8节多串锂电充放电移动电源管理IC方案
M12269支持PD3.1等快充协议、140W升降压3-8节多串锂电充放电移动电源管理IC方案 引言 在快充技术持续迭代升级的过程中,充电从小功率向中大功率的转变是最为明显的。支持的快充功率从最初的7.5W,已经向最高240W迈进。PD3.1协议的推出,进一步助力快充加速走向中大功率。 新增三种固定电压档: 28V(100-140W)、36V(140-180W)和48V(180-240W)分别对应6节电池、8节电池和10节电池的充电应用。 多节锂电在电子产品中应用非常普及,如户外电源、电动工具、筋膜枪、充气泵、大功率充电宝等。这类电子产品一般标配一个专用的充电适配器,不同类型电子产品的充电器无法通用。USB PD 3
[电源管理]
大联大友尚集团推出基于onsemi和GaN System产品的PD快充电源方案
2022年9月20日,致力于亚太地区市场的领先半导体元器件分销商--- 大联大控股宣布,其旗下友尚推出基于安森美(onsemi)NCP1623和NCP1343产品以及氮化镓系统公司(GaN System)GS-065-011-2-L功率晶体管的PD快充电源方案。 图示1-大联大友尚基于onsemi和GaN System产品的PD快充电源方案的展示板图 以手机、电脑为代表的移动智能设备已经成为人们日常生活的重要工具,然而随着这些设备所覆盖的功能越来越多,设备有限的续航能力已经无法满足用户对于待机的需求,因此大功率的快充电源成为解决续航问题的另一种途径。但在以往的认知里,功率往往和充电器的体积有着密不可分的关系,一般来说
[电源管理]
M3033 内置PD2.0/QC2.0快充协议2-7串多节升降压锂电管理IC方案
锂电池 的应用普及催生出了众多便携式的数码产品,如户外电源、电动工具、筋膜枪、充气泵、大功率充电宝等。这类产品都内置了多节多串锂电池组成的高容量、大功率电池包,支撑这些产品市场应用都离不开升降压充电管理芯片。 升降压英文名称为Buck-Boost,顾名思义既可升压又可降压。 不管输入电压是低于,高于或者等于电池组电压,芯片可自动控制升压或降压,对电池组实现充电管理。 深圳市永阜康科技有限公司现在大力推 广成都水芯电子的一颗内置PD2.0/QC2.0等快充协议多节100W升降压锂电管理芯片M3033,可支持2-7串锂电快速充电,满足多串大容量锂电池组应用场合。 高度集成的芯片设计,可以做成很小体积的成品,应用简单,直接使用Typ
[电源管理]
Verizon 45 W USB-PD 快充充电器英飞凌 EZ-PD™ PAG1 AC-DC 电源方案
Verizon 45 W USB-PD 快充充电器采用英飞凌 EZ-PD™ PAG1 AC-DC 电源解决方案 【2022年1月11日,德国慕尼黑讯】英飞凌科技股份公司宣布其 EZ-PD™ PAG1 AC-DC 电源解决方案在最近推出的Verizon USB-PD快充充电器上成功商用。这款新的 Verizon 充电器由Xentris Wireless制造,可以给移动设备快速充电,并为兼容设备提供高达 45 W 的输出功率,实现超快速充电。 EZ-PD PAG1 是一款集成 了USB-PD 功能的双芯片 AC-DC 电源解决方案,可助力实现充电器的小型化。这些功能强大的充电器与 USB-C 充电线配合使用,能够为配备 USB-C
[电源管理]
苹果Apple Watch 7快充兼容情况:5W以上PD协议即可
苹果全新一代 Apple Watch 7 系列智能手表今日正式开售,2999 元起。这款手表提升了屏占比,最高亮度提升 70%,提供不锈钢表壳和铝合金表壳款。根据外媒 MacRumors 消息,苹果在官网公布了这款手表的快充支持情况,第三方充电器仅需 5W 及以上的功率,且支持 USB-PD 快充协议,即可连接磁吸充电底座为手表实现快充功能。 IT之家获悉,Apple Watch 7 相比第六代产品充电速度提升了 33%,0%~80% 充电仅需 45 分钟,大大提高了使用体验。手表包含全新的铝制磁吸充电器,与线材结合在一体,同时充电线缆使用通用的 Type-C 接口。 苹果表示,Apple Watch 7 系
[手机便携]