语音是用于信息交流的重要媒介,随着人工智能技术的发展,语音也成为了人与机器之间进行交流的重要工具。在例如智能会议系统、车载语音系统中能够获得清晰的语音信号以及语音信号位置,是决定系统性能的关键。
传统的单麦克风语音采集系统在复杂环境下噪声消除、声音定位方面显得力不从心,性能更优的麦克风阵列技术应运而生。麦克风阵列可以充分利用多输入信号的时空信息,进行语音增强或者语音定位,本文介绍一种实用的多通道高速多路同步采集ADC的麦克风阵列系统,其中ADC采用的是国产16位、200kSPS、八通道SC1467(兼容AD7606)。

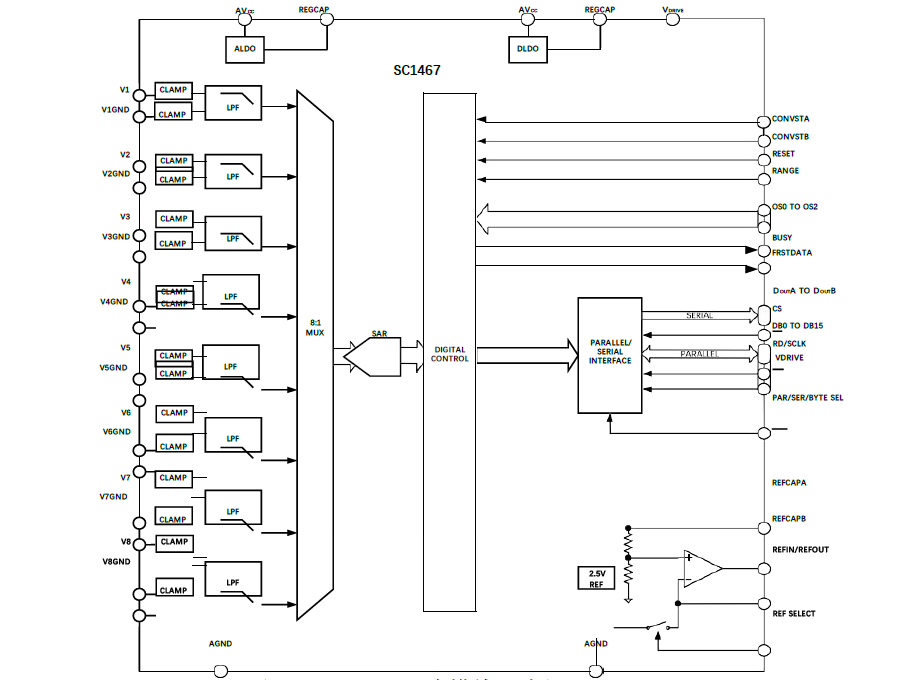
为了应用麦克风阵列的处理实现语音定位和麦克风阵列语音增强,八通道SC1467可以满足同时采集和处理多路麦克风的信号,它采用5V单电源供电,所有8个通道的吞吐速率均可达200kSPS,支持±10V和±5V真双极性输入范围,具有1MΩ模拟输入阻抗,输入箝位保护可承受高达±30V的电压,ESD等级可达8kV。对于吞吐率要求较低的应用,SC1467内建的过采样模式和灵活的数字滤波器可用来改善噪声性能。

芯炽SC1467主要性能:
•16 位、200kSPS(所有通道),具有1MΩ模拟输入阻抗的输入缓冲器
•工作温度范围-40℃至+85℃,5V 单模拟电源
•VDRIVE电源电压2.3V至5V,±30V输入箝位保护,8kV ESD
•真双极性模拟输入范围±10V、±5V,集成数字滤波器的过采样功能
•SNR 86dB (无过采样)95dB(64倍过采样)
•QFP-64封装12mm×12mm
芯炽品牌型号表:

上一篇:SD130T带充电平衡,双节锂电池充电控制芯片
下一篇:双极锁存霍尔开关AH401F可替代SS41F用于麻将机无刷电机
推荐阅读最新更新时间:2026-03-21 06:14
- 边缘计算主机盒选购指南:五大核心指标解析
- Arm AGI CPU 更多细节:台积电 3nm 制程、Neoverse V3 微架构
- Arm AGI CPU 重磅发布:构筑代理式 AI 云时代的芯片基石
- Arm 拓展其计算平台矩阵,首次跨足芯片产品
- 阿里达摩院发布RISC-V CPU玄铁C950,首次原生支持千亿参数大模型
- 边缘 AI 加速的 Arm® Cortex® ‑M0+ MCU 如何为电子产品注入更强智能
- 阿里达摩院发布玄铁C950,打破全球RISC-V CPU性能纪录
- VPU中的“六边形战士”:安谋科技Arm China发布“玲珑”V560/V760 VPU IP
- 利用锚定可信平台模块(TPM)的FPGA构建人形机器人安全
- LM2904DMR2G 函数发生器运算放大器的典型应用
- DEMO9RS08KA2: DEMO9RS08KA2 Demonstration Board
- MCP73871EV,MCP73871 锂离子电池充电器评估板
- STEVAL-IHM039V1,采用 STM32F415 微控制器的双电机控制演示板
- LTC1606CG 演示板、16 位、250ksps ADC
- RT8086B 3.5A、1.2MHz、同步降压转换器的典型应用
- TS4999EIJT 典型应用 免滤波器立体声 2.8 W D 类音频功率放大器,可选择 3D 音效
- LTM4615,采用 15mm-15mm 封装的完整双路和三路输出负载点模块稳压器
- LTC2415-1IGN 24 位 ADC 的典型应用电路使用电阻器阵列在励磁放大器中提供精确匹配
- 使用 Analog Devices 的 LTC1450LIN 的参考设计

detector_das_HW
无线示波器检测系统
22.AD7606波形显示例程
现代雷达系统的信号设计
BFR340T






京公网安备 11010802033920号