车用LED灯作为一种新型照明产品,凭借其体积小、亮度高、能耗低、寿命长、环保等优点,有效减少了更换频率、降低了维护成本,在汽车产品上正逐渐替代传统、低效的卤素灯和氙气灯,成为全球汽车照明市场的主流产品。
与此同时,随着自动驾驶、智能网联等技术的普及,汽车LED的应用场景也将进一步拓展,为市场增长提供更多机会。目前汽车LED市场规模持续扩大,主要产品类型包括LED车灯、车内照明、氛围灯等。其中,LED车灯是目前应用非常广泛的产品类型,包括前后大灯组、雾灯等。市场调研公司SkyQuest报告指出,预计未来几年,全球汽车LED市场规模将以年较高的复合增长率实现逐年增长。

从出色的电源转换效率到优异的调光性能,ADI的汽车照明解决方案历经时间和市场的考验,助力工程师们充满信心地应对各种挑战,其主要优势如下:
-低EMI:近二十年来,ADI公司一直提供低EMI解决方案,是低EMI功率解决方案领域的佼佼者。ADI采用率先上市的Silent Switcher®技术(开发于2013年)、针对特定应用的调谐SSFM和创新开关技术,提供出色的EMI性能。
-高效率:ADI的LED驱动器提供优于同类产品的功率转换效率。这一点对于空间受限的设计至关紧要,以便于将LED驱动器安装在大灯、尾灯或侧转指示灯中非常靠近LED总成的位置。高功率转换效率可降低系统的热预算,因此在设计散热器时具有更高的自由度,同时也减小了解决方案的总尺寸。
-宽调光性能:ADI的LED驱动器具备优于竞争产品的调光性能。虽然其他产品给出高调光比规格,但相关参数通常是在理想条件或是特定工作条件下实现的。ADI的LED驱动器通过外部和内部PWM调光以及出色的模拟调光,可在任何条件下提供指定的调光性能。新一代的产品还支持将数字信号用于模拟调光。
-高可靠性:ADI的LED驱动器产品安装在全球数百万个外部和内部汽车插座中,从2010年到2020年,交付的LED驱动器超过5亿个。其中,超过一半的产品部署于汽车应用,专有的半导体工艺、晶圆级光学检测、X射线包装检查,以及对所有功能和规格的全面测试,确保这些应用的故障率低于1 ppm,这已超过行业标准。
矩阵管理器
矩阵式LED大灯,即将LED光源进行矩阵式分区管理。通过行车ECU控制每个LED光源的开关和亮度等。与普通LED车灯相比,矩阵式管理器可以对光源的控制精确到某一指定的灯珠上,而普通的LED灯只能对整租灯珠进行控制,功能性和拓展性差。
汽车大灯的照明系统分为两部分:上面的ECU控制系统包含了LED驱动部分,连接着12伏汽车电池;下面是LED控制灯板,该板包含矩阵管理器,其功能是来控制LED的亮灭,提供动态效果,可适用于前后照明的自适应驾驶光束、顺序转弯、欢迎动画等功能。
ADI公司的外部照明LED驱动器和矩阵管理器融合了先进的开关技术、LED调光和安全特性,旨在降低成本、解除设计限制。这些解决方案可以帮助用户减少降低开发难度加速产品上市,让照明设计师能够专注于探索汽车照明的性能、美感和艺术表现。
与ADI合作了三十多年的技术型授权代理商Excelpoint世健,多年来基于ADI的产品和解决方案组合,打造了多个贴近客户应用需求的解决方案,并获得了市场的认可。针对ADI的矩阵管理器产品,世健资深工程师结合当前市场,推荐适用于汽车前灯的12开关高亮度LED矩阵管理器——MAX25608。
MAX25608单串最多串联12个开关,每串有两个子串、六个系列开关,配置灵活。该芯片具有12个独立控制的N-MOSFET开关,额定电压为14V,导通电阻为0.06Ω,可提供高达1.6A的汽车照明电流,单个电流源可用于为所有串联的LED供电。
打开和关闭每个LED上的旁路开关,就可以调节各个LED。该器件还可以在双串应用中配置,每串串联六个开关,每个开关可以串联连接一个、两个或三个LED。这些器件还允许并联两个开关以此旁路高电流LED。此外,MAX25608还包括一个内部电荷泵,为LED旁路开关的栅极驱动提供电源。
MAX25608系列具有用于串行通信的串行接口(UART),MAX25608/MAX25608C可用于全双工应用,MAX25608B可用于半双工应用,例如CAN收发器。MAX25608在电荷泵时钟上使能扩频,MAX25608B/MAX25608C在电荷泵时钟上禁用扩频,每个开关都可以通过串行接口完全打开、完全关闭或变暗,带或不带淡入淡出转换。
该系列具有开路LED保护以及通过串行接口报告开路和短路LED故障的功能,并且均采用带有裸露焊盘的28 TSSOP引脚封装。它还拥有强大的串行接口,卓越的PWM调光性能,符合汽车AEC-Q100标准,可用于汽车矩阵LED系统以及自适应远光灯等。

灵活的拓扑LED驱动器
由于LED是电流特性敏感的半导体器件,在应用过程中需要对其进行稳定工作状态和保护,从而就有了“LED驱动”的概念。用LED作为显示器或其他照明设备或背光源时需要对其进行恒流驱动,主要就是为了避免驱动电流超出最大额定值而影响其能效和可靠性,而且还要获得预期的亮度要求,保证各个LED亮度、色度的一致性等。
灵活的拓扑LED驱动器可以为汽车的前照明系统、远光灯、近光灯、日间行车灯、净空灯以及转弯灯等提供合适的恒流源。市场上客户对驱动器的要求非常高,设计一款好的电源必须要综合考虑效率转换、有效功率、恒流精度、电源寿命、电磁兼容等因素,因为LED驱动器在照明系统中拥有举足轻重的地位。
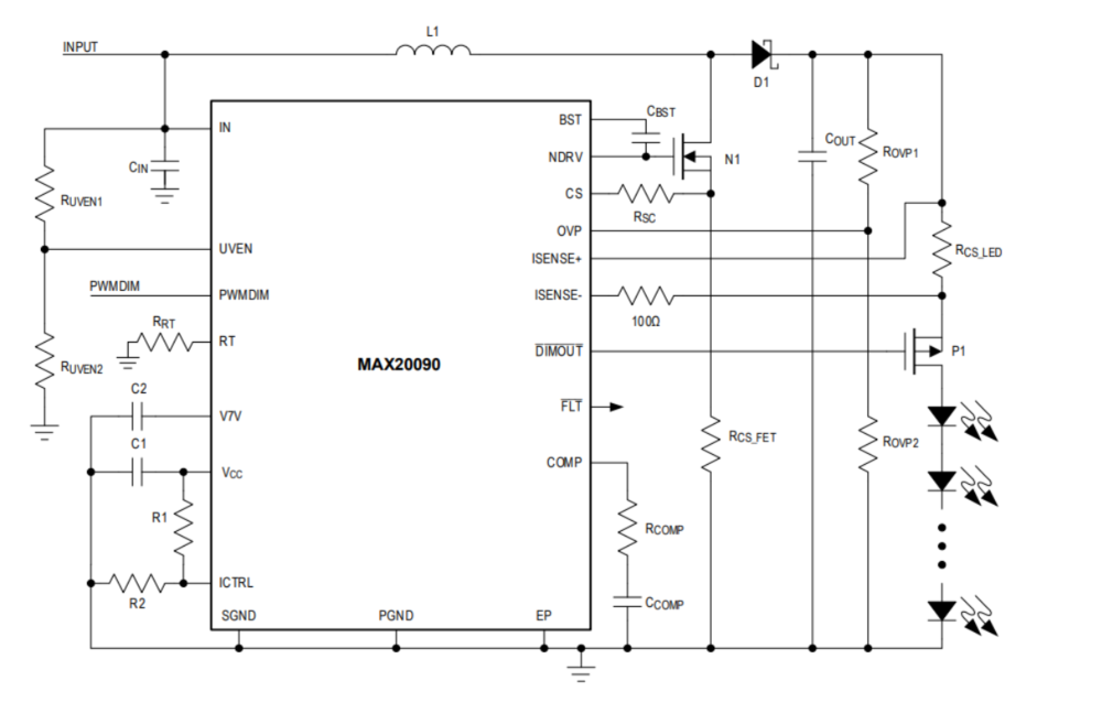
Excelpoint世健的工程师对比发现,ADI公司的MAX20090是汽车级高电压、高亮度LED驱动器,适合汽车前灯应用,例如远光灯、近光灯、日间行车灯(DRL)、转向灯、雾灯及其它LED灯,器件利用5V至65V较宽输入电压范围驱动LED灯串,最大输出电压为65V,通过集成节省空间和成本。
器件检测LED灯串高边的输出电流。支持升压、降压、SEPIC模式配置,还支持可编程开关频率(200kHz至2.2MHz)、扩频调制减少EMI噪声等,灵活的结构使设计优化简便。
PWM输入提供高达1000:1的LED调光比,ICTRL输入提供控制器附加模拟调光能力。MAX20090采用节省空间(4mm×4mm)的20引脚TQFN封装、侧边防潮TQFN封装或TSSOP封装。通过故障标识实现短路、过压和热保护等故障诊断,并支持-40°C至+125°C的宽泛工作温度范围,拥有汽车级特性和鲁棒性提高系统可靠性。

降压LED驱动器
降压LED驱动器通过高于LED串总电压的电压来调节LED串中的电流,通过低电阻开关和出色的开关控制实现高效率,在整个模拟调光范围内提供高精度获得出色的EMI,还可以短接到系统地确保安全,轻松适应矩阵或动画应用,比如驾驶员监控系统(DMS)、平视显示器、示廓灯(CLL)以及前后照明系统等。
对此,Excelpoint世健推荐一款高性能、小尺寸、高效的降压LED驱动器MAX2005x,可以有效简化汽车和通用照明设计。MAX20050-MAX20053是适合汽车外部照明应用的高亮度LED(HB LED)驱动器,由完全同步的降压转换器和集成式MOSFET组成,可以使用少量外部组件驱动电流高达2A的LED串联灯串。
该系列通过AEC-Q100认证,拥有汽车级品质,4.5V至65V宽输入电源电压范围支持极端条件下的汽车冷启动和负载突降操作。高低两个开关频率选项(400kHz或2.1MHz)为设计人员提供了优化解决方案尺寸或效率的灵活性,同时避免在AM频段内产生干扰,扩频为设计人员提供了更多选项,有助于从系统层面降低EMI。
MAX20050/ MAX20052利用内部环路补偿尽可能减少组件数量,
MAX20051/MAX20053/MAX20053D则利用外部补偿来实现充分的灵活性。
MAX20050/MAX20051的内部开关频率为400kHz,MAX20052/MAX20053的内部开关频率则为2.1MHz,MAX20051B的扩频已禁用。
高边电流调节意味着只需要与LED灯串进行单一连接,灯串接地可以就地完成。除了PWM调光之外,该芯片还可以使用REFI引脚进行模拟调光。满量程电流调节精度为±2.5%,10%满量程电流调节精度为±8%;5V/10mA LDO输出可用于偏置其他电路。
MAX2005x的故障保护机制包括输出过载、短路和器件过温保护,额定工作温度范围为-40°C至+125°C,并采用带裸露焊盘的散热增强型12引脚(3mm x 3mm)TDFN、14引脚(5mm x 4.4mm)TSSOP和24引脚(4mm x 4mm)TQFN封装。

总结
综上所述,Excelpoint世健认为,ADI公司的汽车LED照明产品和解决方案为汽车LED照明行业提供了丰富的灵活和高性能发展趋势,同时,也为市场未来的技术创新提供了基础,能帮助市场更好地迎接各类挑战。
上一篇:Melexis推动行业变革:汽车照明LED驱动芯片实现超小型化
下一篇:艾迈斯欧司朗最新推出的DURIS® LED将引领柔性多变照明新时代
推荐阅读最新更新时间:2026-03-23 08:09
- 倪光南:半导体行业不再是先进制程包打天下的局面
- 意法半导体与英伟达合作加快物理AI全面普及和市场增长
- 是德科技扩展1.6T互连验证技术,新增无源铜缆和低功耗光模块验证支持
- Microchip推出车规级系统封装(SiP)混合型单片机SAM9X75
- Arm AGI CPU 更多细节:台积电 3nm 制程、Neoverse V3 微架构
- 贸泽电子荣获海关AEO高级认证 ——迈向国际贸易合规与供应链安全重要里程碑
- 全国首条 8 英寸硅光芯片量产线在苏州开工建设,预计 2027 年初投产
- “暗光之王”系列再增新品!思特威推出800万像素4K高清超星光级智能安防应用CMOS图像传感
- 安卓出货量或暴跌15%!存储成本飙升引发行业洗牌
- LDK120M12R 1.2V低压降稳压器典型应用(可调版)电路
- EVB-UTC2000-DFP、EVK-UTC2000 评估套件基于 UTC2000 USB 3.0/2.0 Type-A,即插即用 Type-C DFP
- LTC3219 演示板、250mA 通用九通道 LED 驱动器
- DC919A-D,LTC2204 CMOS 输出演示板,直流输入,40Msps 16 位 ADC,DC
- AD8618ARZ-REEL 二阶低通滤波器运算放大器的典型应用电路
- 使用 NXP Semiconductors 的 PCA9511A 的参考设计
- LT3091MPDE 恒流恒压实验室电源的典型应用
- ADR392B 4.096 Vout 微功率、低噪声精密电压基准的典型应用
- LT3470HDDB 5V 降压转换器的典型应用电路
- 使用 Diodes Incorporated 的 AZ7042ZTR-E1 的参考设计

LED照明选型指南
【ADI技术文章】 线性稳压器的电压输入至输出控制——第一部分:快速入门和优势
现代雷达系统的信号设计
BFR340T






京公网安备 11010802033920号