随着信息技术技术的飞速发展,ARM技术方案架构作为一种具备低功耗、高性能、以及小体积等特性的32位嵌入式微处理器,得到了众多的知识产权授权用户,其中包括世界顶级的半导体和系统公司。目前已被广泛的用于各类电子产品,汽车、消费娱乐、影像、工业控制、海量存储、网络、安保和无线等领域。被业界人士认为,基于ARM的技术方案是最具市场前景和市场优势的解决方案。
现场总线CAN是为解决现代汽车中众多的电控模块之间的数据交换而开发的一种串行通信协议。由于其具有多主站依据优先权进行总线访问,采用非破坏性总线仲裁,可完成对通信数据的错误检验和优先级判别,数据长度最多为8个字节,传输时间短,受干扰的概率低,抗干扰能力较强,通信速率最高可达1Mbit/s等特点,它被广泛应用在汽车,工业,消费类电子等领域,而被公认为是最有前途的现场总线之一。
基于ARM在嵌入式系统方面优势和CAN总线的广泛应用,目前越来越多的ARM处理器内部都自带了CAN控制器,极大的方便了开发人员对CAN总线的开发。但目前仍有些产品中的ARM处理器没有内置CAN控制器,为了能够适应节点间对数据传输所提出的实时性,可靠性的要求,同时又不改变原来的硬件结构,通过外扩CAN接口模块来实现CAN通信成了一个较为合适的选择。
本文基于ARM7TDMI-S处理器LPC2131,对内部没有集成CAN控制器的处理器,设计了较为通用的CAN接口模块的硬件电路,并对CAN总线进行了可靠性设计,而且对基于嵌入式实时操作系统mCOS-II实现CAN通信,进行了嵌入式软件的设计,最终在实践中对CAN总线通讯的可靠性和可行性进行了验证。
1 LPC2131
Philips LPC2131是基于ARM7TDMI-S的高性能32位RISC微控制器,它一方面具有ARM处理器的所有优点:低功耗、高性能;同时又具有较为丰富的片上资源,非常适合嵌入式产品的开发。其特点如下:
·集成了Thumb扩展指令集。
·32KB可在系统中编程(ISP)的片内Flash和可在应用中编程(IAP)的8KB RAM,具有向量中断控制器。
·2个UART,2个I2C串行接口,2个SPI串行接口,2个定时器(7个捕获/比较通道),PWM单元可提供多达6个PWM输出,8通道10位ADC,实时时钟RTC,看门狗定时器WDT,48个通用I/O引脚。
·CPU时钟高达60MHz,具有片内晶体振荡器和片内PLL。LPC2131内部没有集成CAN控制器,而无法利用CAN总线来进行通讯。为了使得LPC2131能够利用CAN总线进行通讯,可以通过外部扩展来拓展其功能。
2 硬件电路设计
由于LPC2131是由3.3V供电的ARM7TDMI-S微处理器,其各个IO引脚是3.3V的TTL电平,而且可以承受5V的电压。而独立CAN控制器SJA1000是5V供电,其各个IO口的电平是5V的TTL电平,所以二者兼容,其IO可以直接相连。
2.1 LPC2131与CAN控制器接口
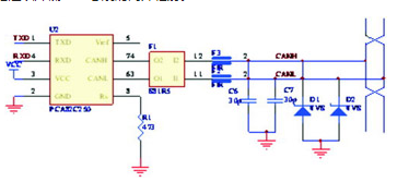
LPC2131与CAN控制器接口如图1所示,LPC2131的P0.8~P0.15与SJA1000的AD0~AD7直接相连实现数据交互,P0.22,P0.25,P0.31,P0.23分别与SJA1000的ALE/AS,RD/E,WR,CS相连实现读写和片选,P0.30,P0.27分别与SJA1000的INT,RST相连实现中断和复位。LPC2131访问SJA1000时,可通过软件模拟SJA1000中所规定的读写时序来进行,SJA1000的模式引脚MODE通过VCC而置为高电平,使得SJA1000工作在 Intel的模式。

图1 LPC2131与CAN控制器接口电路
2.2 CAN收发器与CAN总线接口
CAN收发器与CAN总线的接口如图2所示,其中SJA1000的TX0,RX0分别与CAN收发器的TXD,RXD相连,为提高CAN收发器82C250与CAN总线的接口部分的抗干扰能力,特在82C250 的CANH 和CANL 引脚串接一个共模扼流圈,以消除一定的共模干扰,而使得总线差分信号能够顺利通过。并且CANH和CANL分别通过一个磁珠与总线相连,以起到消除一定的高频干扰。同时CANH 和CANL与地之间并联了两个30pf 的小电容,可以起到滤除总线上的高频干扰和一定的防电磁辐射的能力。另外在两根CAN总线接入端与地之间分别接了一个TVS,当CAN 总线有较高的电压时通过TVS的击穿而接地,可起到一定的过压保护作用。82C250 的Rs引脚上接有一个斜率电阻以降低CAN总线的向外辐射。

图2 CAN收发器与总线接口电路
对于其他无内置CAN控制器的能够承受5V的TTL电平的处理器来说,只需改变与SJA1000的数据端口ALE/AS,RD/E,WR,CS,INT,RST相连接的引脚即可完成外扩CAN接口的硬件设计工作,否则在两者之间加一个逻辑电平转换的器件即可。
3 软件设计
3.1 对SJA1000的读写访问
由于LPC2131的48个引脚全是IO,所以首先需要通过软件模拟读写SJA1000的时序,来对SJA1000进行操作,进而完成CAN通讯功能。
依据SJA1000在Intel模式下的读写时序,可编写LPC2131通过CAN控制器SJA1000发送数据的写函数void WriteCan(uint8 Addr,uint8 Data)和接受CAN控制器所接受的数据的读函数uint8 ReadCan(uint8 Addr),其中Addr为SJA1000相应的寄存器的地址,Data为LPC2131所发送的数据,读函数ReadCan可返回所接受的数据。
3.2 CAN通讯的实现要实现
一个CAN通讯需要实现3个功能模块:对SJA1000的初始化模块;数据发送模块;数据接受模块。
·对SJA1000的初始化模块
在开始通讯之前,首先要在SJA1000的各个功能寄存器进行设置,包括模式寄存器,波特率,时钟分频器,中断使能寄存器,,滤波寄存器,输出控制寄存器。

·数据发送模块
假设要发送的数据的ID存储在数组ID中,数据存储在数组SendData中,其发送模块程序如下所示,其中参数DLC为发送的字节数,FF为帧类型,即0为数据帧,1为远程帧。

·数据接受模块
根据电路图1,采用中断接受的方式来接受数据,LPC2131的P0.30设置为外部中断3,整个数据接受模块由数据接受函数void ReceiveData(uint8 *Rt)、中断处理函数CAN_Exception(void)构成。当SJA1000接受到CAN总线数据,通过接收中断使得LPC2131产生外部中断3而使其进入中断处理函数,进而对接受到的数据进行处理。其中数据接受函数和中断处理函数如下:

4 结语
以ARM芯片作为主控制器,CAN总线作为数据传输方式来进行通讯的嵌入式系统得到了越来越广泛的应用。同时CAN通讯的可靠性也成为影响系统性能的关键部分之一。本文以LPC2131为例,给出了一类微处理器与CAN控制器SJA1000之间的较为通用的硬件连接方法,对CAN总线进行了可靠性设计,并基于嵌入式实时操作系统mCOS-II进行了CAN通讯软件开发,该设计现已在工厂车间中的分布式监控系统中得到了应用,运行可靠、稳定。
上一篇:LPC213X通过μC/OS-II的多种移植方案
下一篇:基于LPC2220FBD144型ARM7芯片实现配电综合测控仪的应用方案
推荐阅读
史海拾趣
DMC Tools公司高度重视人才培养和引进。公司定期举办各种培训活动,提高员工的技能水平和综合素质。同时,公司还积极引进高端人才,为公司的技术创新和产品研发提供有力支持。这些人才为公司的发展注入了新的活力,推动了公司的持续进步。
在产品质量方面,EAO公司始终坚持品质至上的原则。公司建立了严格的质量管理体系和检测流程,确保每一件产品都符合高标准的质量要求。同时,EAO公司还注重员工素质的提升和技能培训,确保员工具备专业的技能和知识来保障产品质量。正是这种对品质的坚守和追求,让EAO公司在激烈的市场竞争中赢得了客户的信任和口碑。
请注意,以上故事均为虚构内容,旨在展示EAO公司在电子行业中可能的发展路径和成就。实际情况可能因公司战略、市场环境等因素而有所不同。
随着产品线的不断丰富,AMP开始积极寻求市场拓展的机会。公司通过与国内外知名企业的战略合作,成功将产品打入更广阔的市场。同时,AMP还积极参加各类行业展会和论坛,与业界同仁交流学习,不断提升自身的市场竞争力。
恒连电子注重企业文化建设和团队建设,为员工创造了一个良好的工作环境和发展平台。公司倡导“以人为本”的管理理念,关注员工的成长和发展,为员工提供丰富的培训和学习机会。同时,公司还建立了完善的激励机制和福利制度,激发员工的工作积极性和创造力。在团队建设方面,公司注重团队协作和沟通能力的培养,鼓励员工相互学习、共同进步。通过优秀的团队建设和企业文化建设,恒连电子打造了一支高效、专业、团结的队伍,为公司的发展提供了有力的人才保障。
恒连电子注重企业文化建设和团队建设,为员工创造了一个良好的工作环境和发展平台。公司倡导“以人为本”的管理理念,关注员工的成长和发展,为员工提供丰富的培训和学习机会。同时,公司还建立了完善的激励机制和福利制度,激发员工的工作积极性和创造力。在团队建设方面,公司注重团队协作和沟通能力的培养,鼓励员工相互学习、共同进步。通过优秀的团队建设和企业文化建设,恒连电子打造了一支高效、专业、团结的队伍,为公司的发展提供了有力的人才保障。
在电子行业的激烈竞争中,Abbatron公司以其创新的技术赢得了市场的认可。某年,公司研发团队成功开发出了一款新型的高效能芯片,这款芯片不仅性能卓越,而且功耗极低,引起了业界的广泛关注。通过这一技术突破,Abbatron公司在市场上占据了有利地位,并逐渐成为了行业内的佼佼者。
|
我写了个极简单的驱动程序,就是在2410上挂了一个ram,然后想对这个ram进行读写操作,现在不知道如何对这个驱动写测试代码 我的驱动代码如下 哪位高手愿意帮我看看阿 # include # include # include # include # include # include \ ...… 查看全部问答∨ |
|
|
"已失去对设备的远程连接,请验证设备的连接并重启调试",请高手指点,这是怎么回事 我查询PDA 上SQL CE数据库,然后通过Web Service将数据插入到SQL Server2005 数据库,再删除本地数据库数据,总会出现\"已失去对设备的远程连接,请验证设备的连接并重起调试\",程序会自动退出,没有出现异常。奇怪的是,并不是每次都出现这种情况,是 ...… 查看全部问答∨ |
GPS现在是非常火的技术,市面上的GPS产品大多都是模块形式,不能根据客户的需求做出更适合客户的产品,我们提供C/S架构的GPS源码,有良好的操作界面风格;合理的功能模块设计;简便的查询跟踪操作;便捷的内部资料查询以及强大的外部拓展功能;针对 ...… 查看全部问答∨ |
|
请求大侠帮忙! 在调试vxworks程序的过程中,总是会出现错误信息:page fault 我的环境是:P3的CPU,Tornado2.2,Vxworks5.5 调试信息显示为: Exception number 14: Task: 0x1fb34078 (tDbgTask) Page Fault Program Counter: 0x0236244a Sta ...… 查看全部问答∨ |
|



XC6406PP60DL






京公网安备 11010802033920号