有刷电机是电机里面最简单,也是历史最悠久的一种,到现在仍然广泛应用于各个领域。他的控制很简单,在电机的两个电极加正向电压,则正向旋转,如果加反向电压,则旋转方向也反过来。电机的转速可以通过控制加在电极上的电压来调节。
在电机控制电路中最常用的器件就是 MOS 管了。可以分为两个大的类型:P 沟道 MOS 和 N 沟道 MOS。MOS 管可以简单的理解为一个自来水阀门,Gate 是控制端,调节 Drain 和 Source 端之间流过的电流大小。

下面是两种 MOS 的典型用法。P 沟道的 MOS 一般 S 接电源正极,然后 Vgs 需要一个负电压来打开电流通道,而 N 沟道的 S 极一般接电源的负极,Vgs 需要一个正电压来打开电流通道。


资料来源于 IOR 公司数据手册
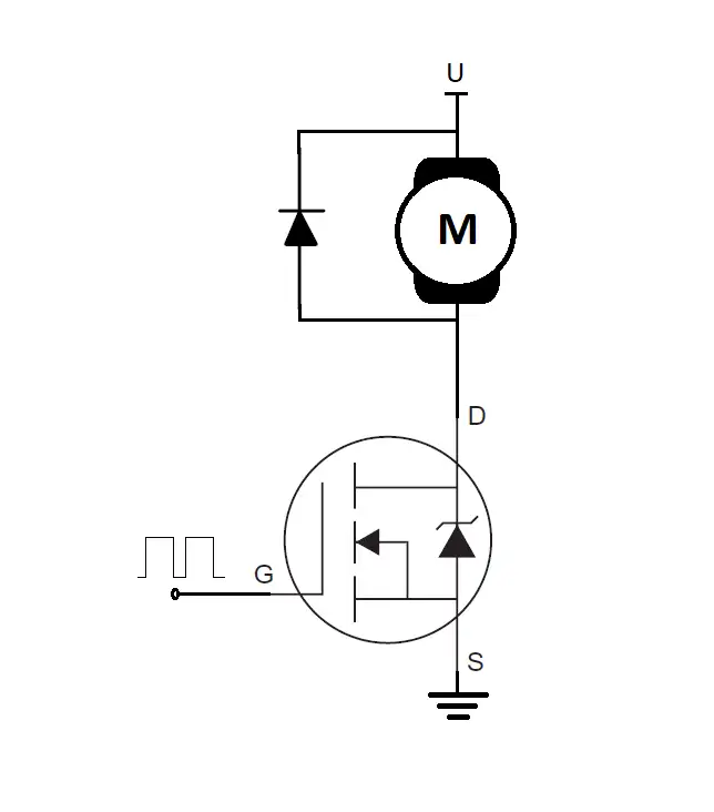
我们先从一个最简单的驱动电路开始。单片机控制 MOS 管栅极为高时,电流从电源经过电机和 MOS 管到地。当栅极为低时,MOS 管断开,此时电机线圈内的电流继续通过续流二极管回流电机的正极。我们通过调节栅极控制端的PWM占空比,就可以控制电机的转速。

2.TIM模块
TIM 模块最重要的三个寄存器是:
Counter Register (TIMx_CNT) 计数寄存器
Auto-Reload Register (TIMx_ARR) 重置寄存器
Capture/compare mode register 1 (TIMx_CCMRx) 输入捕获/输出比较寄存器

Counter 在时钟的驱动下计数
Auto-Reload 设定计数的最大限制值
Capture/Compare 锁存一个事件发生时的计数值到Capture/计数达到 Compare 值后触发一个事件
在 PWM 模式下,Auto-Reload 寄存器设定PWM的周期,Compare 设定占空比。
有一点需要注意的是一个 TIM 模块只有一个计数器和一个重置寄存器,而有多个输入捕获/输出比较寄存器。所以一个 TIM 模块的多个通道可以设置不同的占空比,但周期都是相同的。
所以我们在选用 MCU 的时候,如果需要产生多种周期的 PWM,不仅要看它的定时器模块一共有多少通道数,还要看是否有足够的独立 TIM 模块。
3.代码
我们在下面这个工程的基础上修改来实现用一个可调电阻控制PWM占空比,来控制电机的转速。
STM32Cube_FW_F0_V1.11.0ProjectsSTM32F030R8-NucleoExamplesTIMTIM_PWMOutputMDK-ARMProject.uvprojx
这个工程默认使用TIM3模块输出4路PWM,我们可以只保留其中一路。
然后把ADC采样的代码添加进来:
Step 1:
stm32f0xx_hal_conf.h
#define HAL_ADC_MODULE_ENABLED
Step 2:
main.h
添加ADC相关宏定义

Step 3:
stm32f0xx_hal_msp.c
添加ADC使用的引脚的初始化代码

Step 4:
把ADC的驱动文件添加进工程,在主程序初始化ADC。

Step 5:
读取 ADC 的值,写入 TIM 的 CCR 寄存器,观察 PWM 占空比的变化。根据电机的特性,还可能需要改变 PWM 的周期。

如果需要参考代码,可以在 Github 搜索 TopSemic 找到。
参考资料:
PM0215 STM32F0xxx Cortex-M0 programming manual
UM1785 Description of STM32F0 HAL and low-layer drivers
STM32F030 Datasheet
STM32F030 Reference Manual
上一篇:当前STM32几种最流行的开发环境对比
下一篇:STM32F0单片机快速入门十: 用 SPI HAL 库读写W25Q128
推荐阅读
史海拾趣
HSMC的项目进展迅速,按照规划稳步推进。公司的一期项目设计产能为月产4.5万片晶圆,并计划于2019年底投产。二期项目则采用最新的制程工艺技术,设计月产能同样为4.5万片,预计于2021年第四季度投产。这些项目的顺利推进,不仅提升了HSMC的产能规模,也进一步巩固了其在行业内的地位。
Comus International深知,要想在竞争激烈的电子行业中立足,除了不断创新外,还需要注重产品质量和服务。因此,公司一直将质量和服务作为核心竞争力,不断提升产品质量和服务水平。正是这种对质量和服务的执着追求,使得Comus International在市场上赢得了客户的广泛认可和信赖。
Comus International的创始之路始于1978年的美国。最初,公司专注于住宅和商业恒温器的玻璃水银倾斜开关的制造。由于产品质量上乘,很快在市场上赢得了良好的口碑,实现了立竿见影的成功。这种成功为公司的后续发展奠定了坚实的基础,也为Comus International的快速增长创造了条件。
品质是Asian Best Components Co Ltd的生命线。公司自成立之初就高度重视品质管理,建立了严格的质量控制体系。从原材料的采购到生产过程的每一个环节,再到产品的最终检验,公司都严格把关,确保每一件产品都符合高标准的质量要求。这种对品质的执着追求,使得Asian Best的产品在市场上赢得了广泛的认可和信赖,也铸就了公司的良好品牌形象。
在Faraday Electronics Inc的发展历程中,企业文化的塑造起到了至关重要的作用。公司一直注重培养员工的创新精神和团队合作精神,鼓励员工积极参与技术创新和市场拓展。同时,公司还注重营造积极向上的工作氛围和企业文化,让员工在工作中感受到归属感和成就感。这种积极向上的企业文化不仅激发了员工的工作热情和创新精神,还为公司的发展提供了源源不断的动力。
请注意,以上故事均为虚构,仅用于展示电子行业公司可能的发展路径和故事类型。
|
供S5PC100开发板 ARMcortex A8 core iPhone 3GS 采用Samsung S5PC100主控拥有720p高清视频engineering, 在iPhone中Apple特意降低了处理器运行频率为600MHz,以减少功耗。 显然S5PC100的拥有很强大的处理功能,包括3D engineering S5PC100集多 ...… 查看全部问答∨ |
汉王科技股份有限公司 嵌入式软件开发工程师-OCR软件部 电子邮箱: yinsg@hanwang.com.cn 发布日期: 2007-03-21 工作地 ...… 查看全部问答∨ |
|
简介:德州仪器电源管理产品经理Pietro Scalia为您简述一款LED路灯板。通过分析PR788参考设计电路图使你更清楚的了解到这个设计是如何实现更节能的目的的 $(\'swf_cT7\').innerHTML=AC_FL_RunContent(\'width\', \'550\', \'height\', \'4 ...… 查看全部问答∨ |



XC6406PP60DL






京公网安备 11010802033920号