1 引言
在中国有许多因创伤性颅脑损伤的患者急需抢救,但相当一部分颅内出血患者因未能及时诊断,延误了抢救和治疗时机.因而出现脑血肿或脑疝后压迫脑组织.使脑干和脑实质受到不可逆转的损伤。近红外颅内出血检测设备能在短时间内对颅内出血作出准确的判断.为是否实施CT/MRI检查提供指征。可以显著提高患者的成活几率及神经系统功能恢复.在临床上主要用于硬膜外出血(EDH)、硬膜下出血(SDH)、浅表脑实质出血等,其优点是快速、准确、无损伤,可以应用于急救中心、医院临床科室、监护病房ICU及野外战场等。但在国内还未见到关于此类设备的相关报道,国外比较成熟的设备主要是德国Oicrain公司生产的CRAINscan仪器,价格昂贵。我们根据血红蛋白对近红外光的吸收特征及朗伯特一比尔定律.设计一种便携式设备.实现对人体脑组织的无创、直接测量,为及时监测病程变化和抢救治疗方案的制定提供依据。
2 基本原理
当忽略散射时.介质对人射光的总吸收量是介质中各色团吸收量的线性迭加,根据Beer-Lambert定律,透过介质的光强It入射光强I0间满足以下关系:
OD=-lnIt/I0=μcl
其中μ是吸收系数,C是介质浓度,l表示光程。0D为光密度,当入射光波长一定时。OD是介质浓度的线性函数。正常情况下人体大脑两侧对光的吸收是对称的.如果有血管破裂引起内部出血时,局部血浓度升高.光的吸收就会增加周此通过对人体大脑两侧光密度的测量可以判断颅脑外伤患者是否存在脑出血现象,为是否需要进一步CT或MRI检查提供指征。
3 硬件设计
设备以MSP430单片机为控制核心.其输出脉冲信号驱动特定波长的LED产生近红外光.近红外光源透过颅脑组织,由检测探头中的光电传感器采集含有脑组织血氧信息的光信号,光电转换后将电信号传送给单片机,经过处理后的信号可以保存在EEPROM中也可通过LCD显示。还可以将信号通过USB口传送给计算机进行进一步处理或存储。其系统框图如图1所示:
图1 设备系统框图
3.1 检测探头
探头由光源、光电传感器和前端转换电路组成,小圆孔用于固定光源,光电传感器则同定在中间,光源选择LED,传感器选用S1226系列光电传感器.其暗电流小,感光灵敏度为高。光源和传感器之间的距离设定为40mm.探头的平均探测深度为约为3cm,光源以恒流源驱动.并在脉冲信号的控制下分时发光实现了双测检测的功能。接触面设计为弧形,边缘和放置光源及传感器的部位凸起,减少光源外泄,其余部位设计很薄,边缘有斜口,使其容易弯曲,基座材料采用医用硅胶,避免固定探头时给被测试者带来不适。
图2 检测探头
3.2 主机电路
3.2.1 MSP430单片机
系统选择,TI公司生产的16位单片机MSP430F149,采用高效RISC结构,有16个快速响应中断,最高时钟频率为8MHz,中断唤醒时间小于6微秒。其单片集成了多通道A/D转换器、模拟比较器、定时器、串行通信接口、数控振荡器(DCO)、硬件乘法器,可以满足大多数设备的应用需要。其内部预设了JTAG模块.具有完整的在线调试功能,可利用片内FLASH方便地实现软件升级。
3.2.2 信号存储
AT24C512是Atmel公司生产的64KB串行电擦除可编程存储器,采用8引脚封装,具有结构紧凑、存储容量大等特点,特别适用于大容量数据存储要求的数据采集系统。其与单片机连接电路见图3.单片机通过P3口来控制AT24C512的读写.P3.0控制串行时钟输入端SCL,在上升沿将SDA上的数据写入存储器,而在下降沿从存储器读入数据并送往SDA。P3.1控制双向串行数据输入输出端SDA,主要用于存储器与单片机之间的数据连接。
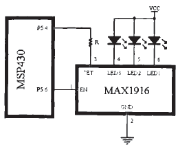
图3 LED驱动
3.2.3光源驱动电路
光源驱动电路如图3所示,单片机P5.4脚输出Vctrl电压。P5.6控制EN使能端,输入电压大于2.5V时,器件工作,输出电流驱动LED燃亮;当输入电压小于2.2V时,LED1、LED2、LED3端呈现高阻抗。不能燃亮。
SET是偏置电流输入端它与三只LED输出电流的关系为Iled=230xIset,而Iled=(Vctrl-Vset)/R,Vset=1.215V,即:Iled=230(Vctrl-1.215)/R 可以看出,LED输出电流只与P5.4输出电压及电阻R相关,并且在单片机控制下轮流发光。
3.2.4 液晶显示模块
LSDl2864CT是一款图形点阵液晶显示器,它主要由行驱动器,列驱动器及全点阵液晶显示器组成,可完成图形和文字显示。单片机通过P1口实现对液晶模块状态寄存器的操作.P1.0控制D/I寄存器选择信号线,P1.1控制R/W读写信号线,P1.2和P1.3控制CSI及CS2片选信号线,P1.4连接/RST端,P1.5接E使能信号线。P2口为数据端口与液晶模块的8位数据线相连。MSP430专门分出两组I/O端口用于液晶显示.通常启动液晶的顺序是:初始化读状态字写指令代码,写数据,开显示。程序代码按功能不同可分为写指令代码、写数据等模块.使能信号E上升沿触发有效。
3.2.5 计算机通讯
本系统接口芯片采用PHILIPS公司的PDIUSBD12,它是一款高性能的USB接口器件,集成了SIE、FIFO存储器、收发器和电压变换器。模块功能包括:同步模式识别、并串转换、位填充、解填充、CRC校验/产生、地址识别等。其8位并行数据接入MSP430的P5口,A0为命令、数据选择线.当A0=0时.MSP430向PDIUSBD12发送数据。当AO=1时。则发送命令。其数据交换采取中断查询方式,通过查询INT_N是否为低电平来确定是否接受到上位机的数据或命令,再通过_WR和_RD引脚实现MSP430与PDIUSBDl2的数据交换。
4 软件流程
系统软件设计主要采用MSP430的RISC精简指令用汇编语言和C语言混合编程。系统主要分为以下几个部分:(1)系统初始化,包括系统时钟校准,A/D转换参数初始化,看门狗的初始化,LCD控制器的初始化等;(2)液晶显示部分。包括汉字的显示和波形显示;(3)中断处理,包括键盘中断处理,信号采样中断,异常数据报警部分等;(4)血含量计算,采用逐点微分法进行血含量计算。图4是系统主程序的流程图。硬件初始化后.测是否有键按下.如果有则执行按键相对应的功能.然后由LCD显示不同功能所对应的信息。如果无按键按下则显示当前实测血浓度。等待用户的下一步操作。
图4 系统主程序
5 临床应用
该仪器在医院临床应用时,对病人进行近红外光谱检查,探查部位为双侧额、颞和枕部,检查时.首先读取并记录一侧血氧值,然后在对称部位采样,重复2次,取均值。计算两者之差,以差值≥0.45为标准判断有无出血,随后进行脑CT检查。结果在47个病例中,CT显示为脑出血的有29人.其中硬膜下出血19人.硬膜外出血7人,浅表脑实质出血3人。近红外光探测仪诊断脑出血28人,CT证实24例,4例为假阳性,假阳性病例中2人存在皮下血肿;近红外线检查为阴性者19例,17例为CT证实.两例假阴性病人中,1例为蛛网膜下腔出血,另1例为脑实质出血。
6 小结
由于近红外光穿透力不强,通过人体颅脑组织后衰减得相当厉害,设备空间分辨率不是很高,它不能替代常规CT检查来对颅内病灶进行定量和定位分析,其优点是在对人体无任何伤害的情况下快速地对伤情做出初步诊断。整体设计小巧.操作简单,价格便宜,具有一定的实用价值,投人生产后有望取得不错的经济效益。
上一篇:基于MSP430F5438单片机的无线环境检测系统设计
下一篇:基于MSP430F2274单片机的倒车雷达设计
推荐阅读
史海拾趣
进入21世纪,超霸电池继续加大技术研发力度,推出了Recyko绿再系列高端绿色充电套装。这一系列产品不仅外观时尚、性能卓越,还实现了快速充电、低自放电等先进技术。其中,“十分充”产品更是将充电速度提升到了前所未有的高度,仅需10分钟即可将电池电量从0充至90%以上。Recyko绿再系列的成功推出,不仅为超霸电池赢得了更多用户的青睐,也推动了整个电池行业的技术进步。
进入21世纪,超霸电池继续加大技术研发力度,推出了Recyko绿再系列高端绿色充电套装。这一系列产品不仅外观时尚、性能卓越,还实现了快速充电、低自放电等先进技术。其中,“十分充”产品更是将充电速度提升到了前所未有的高度,仅需10分钟即可将电池电量从0充至90%以上。Recyko绿再系列的成功推出,不仅为超霸电池赢得了更多用户的青睐,也推动了整个电池行业的技术进步。
在全球化的浪潮下,Eurohm Resistors公司积极拓展海外市场。公司深入分析了全球电子行业的发展趋势和市场需求,制定了详细的市场拓展计划。通过与当地合作伙伴的紧密合作,Eurohm Resistors成功打入了多个国家和地区的市场,实现了全球化布局。
AE公司一直将创新作为企业发展的核心动力。公司不断投入研发资源,推动电源技术的持续创新。同时,AE公司也积极与各大电子企业建立合作伙伴关系,共同推动电子行业的发展。通过与合作伙伴的紧密合作,AE公司不仅获得了更多的市场机会,也提升了自身的技术水平和创新能力。
2012年,由于无法承受巨大的财务压力和市场竞争压力,ELPIDA宣布破产保护。随后,美国美光科技公司(Micron Technology)以较低的价格收购了ELPIDA。这一事件标志着日本在DRAM领域的彻底失败,同时也为美光公司带来了重要的技术和市场资源。
随着全球对可持续发展的重视日益增强,FILTRONIC也开始关注自身的环保和社会责任问题。公司积极采取措施减少生产过程中的环境污染和资源浪费,推广绿色生产和循环经济理念。同时,FILTRONIC还积极参与社会公益事业和慈善活动,为社区的发展和进步贡献自己的力量。这些努力不仅展现了FILTRONIC作为一家负责任企业的形象,也为公司的长远发展奠定了坚实的基础。
|
【一个模拟电路憋倒众多英雄汉,期待高手】请教一个本网站上的带阻滤波器? 先贴上电路图,呵呵,我在pspice里仿真这个电路的传递函数挺正常的,不知道为啥,实际搭了一个电路(op4558双电源+-5V供电)出来输出有直流分量4V多,测不出电路的传递函数。 请高手帮忙指点一下,有什么我说的不明白的我可以在解释的。。。。… 查看全部问答∨ |
1. 如果你在学习单片机之前学过C 语言,那么一定知道printf 这个函数.它最最好用的功能除了打印你想要的字符到屏幕上外,还能把数字进行格式化.例如十进制的33,用十进制方式输出就是33,用十六进制的形式就输出成21,如果用字符形式输出,那就是ASCII 码 ...… 查看全部问答∨ |
|
请高手指点,产生占空比为25%的PWM波用Keil编译连接产生错误信息如下 产生占空比为25%的PWM波用Keil编译连接产生错误信息如颜色标示下: ORG 0000H LJMP MAIN   ...… 查看全部问答∨ |
驱动层"创建"中普通IRP方式,fastio方式,内存流方式及缓存方式怎么创建 有人给我讲讲吗?说说大概意思就可以,能详细点最好了.我正需要.还有就是创建中文件映射方式与普通IRP方式有什么不同?… 查看全部问答∨ |
|
15F104E应用之一:学习型1路红外遥控开关可控硅OUT ;========================================================================== ;========================================================================== ;标号==============指令==== ...… 查看全部问答∨ |
目前原程序已包含一个ad采样的程序,触发方式为PWM事件,采样序列为0,主要用于获取运行对象的电流和电压。配置如下:ADCSequenceConfigure(ADC0_BASE, 0, ADC_TRIGGER_PWM0, 0); 现在,我想加入多一个ad采样,用于采集开发板上电位 ...… 查看全部问答∨ |
- 意法半导体和Leopard Imaging合作开发NVIDIA Jetson兼容的多模传感器模块
- 莱迪思加入英伟达 Halos生态系统,通过Holoscan传感器桥接技术提升物理人工智能安全性
- 纳芯微携汽车照明全场景LED驱动解决方案亮相2026ALE
- e络盟社区发起全球女性 STEM 庆祝活动
- 英飞凌数字电源控制器推出全新产品XDPP1188-200C,专为AI数据中心高压/中压IBC而设计
- 芯科科技闪耀2026嵌入式世界展 以Connected Intelligence赋能,构建边缘智能网联新生态
- PC 硬件涨价潮从内存蔓延至 CPU:消息称英特尔、AMD 全系处理器价格将上调 10%-15%
- Cincoze 德承发表高性能紧凑型工控机 DX-1300:打造空间受限场域的关键边缘运算核心
- DigiKey 推出《工程技术启钥》视频系列,帮助培养下一代工程师
- 第三代酷睿Ultra助力商用PC大焕新,英特尔发布全新商用产品组合



JWL12BC2A-B






京公网安备 11010802033920号