RCC,Reset and Clock Control(复位和时钟控制),在绝大部分MCU芯片中都包含复位和时钟控制模块,也是MCU重要的组成部分。
相比于以前51单片机,现在STM32内部集成的时钟模块功能更加丰富,包含时钟选择、倍频、输出、外设总线时钟配置等。
STM32 时钟基础内容
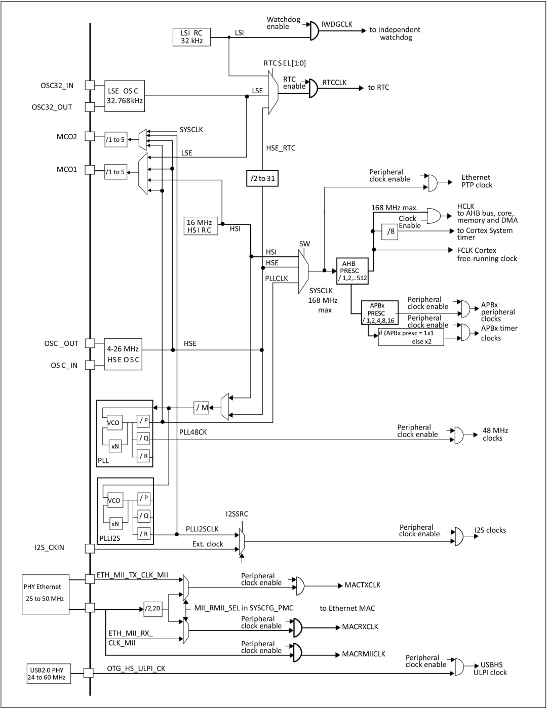
STM32时钟树具有多项功能,可通过分频和倍频配置系统以及外设的时钟频率,不同型号STM32的时钟树有所不同。
1. 时钟源STM32的时钟源分为高速、低速两类时钟,同时也分内部和外部。HSE:High Speed External,高速外部HSI:High Speed Internal,高速内部LSE:Low Speed External ,低速外部LSI:Low Speed Internal,低速内部
HSE时钟有两类时钟源:
外部晶振/陶瓷谐振器
外部用户时钟

谐振器和负载电容要求必须尽可能地靠近振荡器的引脚,减少失真和起振时间。外部用户时钟必须使用占空比约为 50% (左右)外部时钟信号来驱动 OSC_IN 引脚,同时 OSC_OUT 引脚应保持为高阻态。
2. 时钟选择STM32高速时钟默认为高速内部时钟(HSI),如果外接有HSE,可通过软件配置选择HSE。
低速内部时钟(LSI)默认是关闭的,如果需要使用速度时钟,可通过软件选择并开启LSI,也可以选择使用LSE。
不管是高速还是低速,在不考虑硬件成本的前提下,建议使用精度更高,误差更小的外部(HSE、LSE)时钟。
3. 时钟源输出STM32支持MCO引脚输出时钟信号,供外部器件使用,同时可通过示波器来测量内部的各项时钟。
输出时钟信号可选择(HSE、LSE、 PLLCLK)不同来源的信号,同时也支持配置分频值,这样就可以尽量满足输出时钟要求。
4. 时钟分频和倍频STM32的分频和倍频功能非常强大,可将时钟源通过分频与倍频技术,使各APB总线时钟频率配置为指定值,供各外设使用。
重点就是PLL(锁相环)的几个参数:PLL_M、PLL_N、PLL_P、PLL_Q,也就是倍频、分频因子。
STM32系统时钟频率理论上可以超过官方指定的最大值,比如:STM32F103最大72M,你倍频为96M也可能正常工作,但实际应用存在风险。
5. 时钟安全系统STM32的还有一个重要的功能,就是时钟安全系统。如果使能了该功能,HSE 时钟发生故障,将生成一个中断来向软件通知此故障,同时,系统时钟将切换到 HSI 。
通过STM32时钟树,可以一目了然STM32时钟的功能,比如STM32F4系列时钟树:

更多关于STM32时钟的信息,可以参看芯片对应的参考手册。
STM32 时钟常规配置
STM32 系统时钟配置在上电之后,初始化外设之前就要做的一件事。重点配置的内容就是上面提到的基础内容,时钟选择、倍频分频,以及系统和外设的时钟频率等。
1. 标准外设库配置时钟
STM32F0、 F1、 F2、 F3、 F4、 L1系列都有标准外设库,如果外部高速时钟频率和官方一致,就可以直接使用标准外设库中的代码。
具体为system_stm32fxxx.c中的 SystemInit 和 SetSysClock 函数。
如果你的外部高速时钟频率和代码不对应,需要修改对应的参数。比如:STM32F407外部晶振频率默认25M,如果你硬件使用12M,则需要修改分频和倍频值(也就是那几个决定时钟频率的参数)。
2. STM32CubeMX配置时钟
使用STM32CubeMX配置时钟,通过图形化界面,一目了然,非常方便。如果配置错误,还会有“紫色”提醒。
比如:STM32F407时钟树配置:

生成的代码默认在 main.c 文件中的 SystemClock_Config 函数。
提示:分频和倍频因子的值不能太大,也不能大小,建议参考官方例程的参考值。
STM32 时钟常见问题
STM32时钟模块一旦出问题就可能引起系统的不正常工作,特别是对时钟敏感的部分。比如:定时器、串口波特率、I2C时钟等。
问题一:主频变慢问题
主频,指CPU的时钟频率,或者系统时钟。主频变慢通常表现为程序运行慢、卡顿、通信异常等。
通常引起主频变慢的原因有:
时钟源选择不对;
外时钟振频率和软件配置不对;
分频和倍频因子不对;
外部晶振电路不对;
测量主频是否变慢,最直接的方法是通过配置MCO,输出内部PLLCLK时钟(或HSE时钟),用示波器(或逻辑分析仪)测量其频率。
问题二:外设总线APB时钟不同的问题
看到很多人遇到过这样的问题:TIM定时快(或慢)一半。
这个问题的原因:STM32的APB时钟存在“x2”的问题。

也就是说:如果APB分频值等于1,则x1;APB分频值不等于1,则x2。用一张动画来说明:

因此,移植代码的时候,一定要注意时钟源(频率),否则就会快(或慢)一倍的问题。
问题三:外部高速时钟失效的问题
STM32通常会使用外部晶振作为高速时钟,如果外部时钟失效,程序可能表现为“卡顿”的现象。
出现这个问题有可能是外界环境干扰,或者晶振质量问题。此时,应该使能CSS(Clock Security System)时钟安全系统功能。
使能CSS功能之后,可以做到:
程序进入 NMI 中断,通过程序判断 HSE 是否失效;
切换到 HSI 作为时钟源,重新配置时钟并启动程序;

这样就能让“死程序”变活,然后程序照常执行。
提示:CSS功能默认是关闭的。标准外设库中系统初始化代码默认配置开启CSS,STM32CubeMX默认配置是关闭的。
上一篇:STM32_TIM定时- 中断
下一篇:STM32电源框架图解析
推荐阅读最新更新时间:2026-03-24 21:04
- 支持 BLE 连接、由 4mA 至 20mA 电流回路供电的现场发送器参考设计
- AM2DM-0515DH60-NZ ±15 Vout、2W 双路输出 DC-DC 转换器的典型应用
- LTC6261IDC 音频耳机桥式驱动器运算放大器的典型应用
- LTC1775CS 2.5V/5A 可调输出降压稳压器的典型应用电路
- AD8601ARTZ-REEL7 符合 PC100 标准的线路输出放大器的典型应用
- 一种基于分立的 315MHz 振荡器解决方案,用于使用 BFR182 射频双极晶体管的远程无钥匙进入系统
- 使用 ROHM Semiconductor 的 BD49E39G-TR 的参考设计
- AM30EW-2405SZ 5V 三路输出 DC/DC 转换器的典型应用
- LTC3564 的电池在 1.2A 应用中达到 1.2V
- AL1676EV2,基于 AP1676 高亮度降压 LED 驱动控制器的评估板

stm32驱动屏IC rm68042
STM32 PMSM FOC 简介
基于STM32G031的测试测量训练平台完成虚拟仪器实现
现代雷达系统的信号设计
BFR340T






京公网安备 11010802033920号