1、键盘的分类
键盘分编码键盘和非编码键盘。键盘上闭合键的识别由专用的硬件编码器实现,并产生键编码号或键值的称为编码键盘,如计算机键盘.
而靠软件编程来识别的称为非编码键盘;在单片机组成的各种系统中,用的最多的是非编码键盘。也有用到编码键盘的。
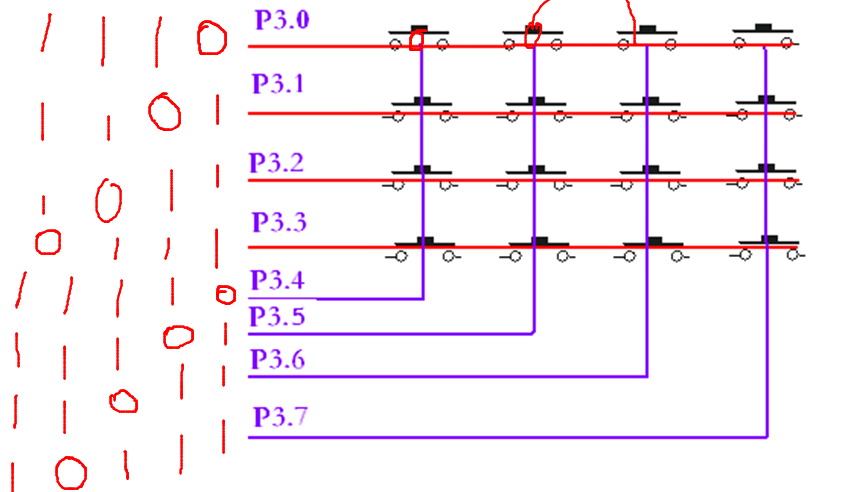
2、非编码键盘又分为:独立键盘和行列式(又称为矩阵式)键盘。
独立键盘:

矩阵式键盘:

3、抖动现象:

4、线与关系:线连在一块。线或关系:线跟有三态的接口连在一块。
1 #include 2 unsigned char code shu[]={0x3f,0x06,0x5b,0x4f,0x66, 3 0x6d,0x7d,0x07,0x7f,0x6f,0x77,0x7c,0x39,0x5e,0x79,0x71};//显示数0123456789ABCDEF 4 sbit l1=P1^0; 5 sbit k1=P3^0; 6 int i; 7 void delay(int i)//消抖 8 { 9 int a,b; 10 for(a=0;a11 for (b=0;b<310;b++); 12 } 13 void main() 14 { 15 P3=0xff; 16 P2=0;i=0; 17 P0=shu[i]; 18 while(1) 19 { 20 21 if (k1==0) 22 { 23 delay(10);//前消抖 24 if(k1==0) 25 { 26 l1=0; 27 i++; 28 if (i==10)i=0; 29 } 30 while(!k1); 31 } 32 else l1=1; 33 P3=0xff; 34 P0=shu[i]; 35 } 36 }
上一篇:lesson4 数码管动态扫描显示
下一篇:lesson6 DAAD转换与单片机接口
- 热门资源推荐
- 热门放大器推荐
- 羽毛球训练监测器
- 一种 16 位、300 kSPS 低功耗逐次逼近 ADC 系统,具有用于高达 4 kHz 的亚奈奎斯特输入信号的最佳低功耗驱动放大器
- SY898547 EV,用于 SY89547、2.5V、3.2 Gbps LVDS 多路复用器的评估板,带内部终端
- OP484ESZ-REEL 2.5V 基准的典型应用在单 3V 电源上运行
- NCV3063 1.5A 电压反相稳压器的典型电压反相应用原理图
- 具有欠压锁定功能的 LT3973IDD-3.3 5V 降压转换器的典型应用
- NSI45030ZT1G 单串LED恒流LED驱动器的典型应用
- NCP1587A 低压同步降压控制器的典型应用
- 福禄克早期型号 8020A 万用表原理图
- 使用 Richtek Technology Corporation 的 RT8237C 的参考设计

非常经典的关于LLC的杨波博士论文
TS339CJ

XC6406PP60DL






京公网安备 11010802033920号