10.1 概述
之前在51为核心的系统里面,常用的显示器件有LED,数码管,LCD1602和LCD12864,这些器件都有一个共同的特点,那就是只有一个颜色,没有办法显示彩色图片,为了显示彩色图片,我们引入了TFT显示模组。TFT-LCD即薄膜晶体管液晶显示器。其英文全称为:ThinFilmTransistor-Liquid Crystal Display。TFT-LCD与无源TN-LCD、STN-LCD的简单矩阵不同,它在液晶显示屏的每一个象素上都设置有一个薄膜晶体管(TFT),可有效地克服非选通时的串扰,使显示液晶屏的静态特性与扫描线数无关,因此大大提高了图像质量。TFT-LCD也被叫做真彩液晶显示器。
目前常用的TFT显示模组按照接口类型可以分为MCU屏幕与RGB屏幕,其中MCU在STM32F1系列中比较常用,原因是MCU屏幕内部集成了显示控制器,只需要按照手册指定的协议将输入发送过去即可,但是MCU屏幕受限于屏幕尺寸,一般不会超过4.3英寸,RGB屏幕内部没有控制器,需要单片机或者CPU自带控制器,但是RGB屏幕尺寸较大,且刷新速度快,通用性强,在生活中使用的更广泛,由于STM32F1单片机中没有RGB控制器(LTDC模块),所以采用核心为5510的TFT屏幕来进行TFT显示实验。
注 :我们在网上看到的大尺寸MCU屏幕一般都是以屏幕+PCB的形式,这是因为板子上携带了8080并口转RGB芯片,所以这种情况下,也可以使用MCU屏幕的驱动方式来进行驱动。
10.2 TFTLCD模块原理图
10.2.1 原理图

RST:复位端口,高电平有效
CS:片选,低电平有效
RS:数据命令选择,低电平代表命令,高电平代表数据
WR:写控制,高电平有效
RD:读控制,高电平有效
DB0~DB15:16位并行数据口
VCC:电源正极
GND:电源负极
LEDK:背光LED负极
LEDA:背光LED正极
Y-:触摸屏Y轴数据
X-:触摸屏X轴数据
Y+:触摸屏Y轴数据
X+:触摸屏X轴数据
10.3 FSMC
10.3.1 FSMC简介
FSMC,即灵活的静态存储控制器,能够与同步或异步存储器和16位PC存储器卡连接,STM32F1的FSMC接口支持包括SRAM、NANDFLASH、NOR FLASH和PSRAM等存储器。一般大容量,且引脚数目在100脚及以上的 STM32F103芯片都带有FSMC接口,FSMC的框图如图所示。

从上图可知,STM32的FSMC将设备分为3种:NOR/PSRAM设备,NAND设备和PC设备,共用地址数据总线等信号,通过CS端口来区分不同的设备,比如我们这个实验中LCD的片选就是接在FSMC_NE4端口上,其实本质上就是把TFTLCD作为SRAM来控制。
外部SRAM设备的连接一般有地址线(A0~A18),数据线(D0~D15),写信号(WR),读信号(RD)和片选,TFTLCD显然除了不具备地址线,其他的信号都是具备的,所以我们可以采用SRAM的方式来进行TFT的控制,这种控制方式的好处就是对比传统的GPIO翻转可以更快的将数据送入TFT。
STM32F1的FSMC支持8/16/32位数据宽度,我们的TFT模块采用的是16位数据宽度,所以只需要将FSMC配置为外置16位宽度即可。FSMC的外部存储器划分为了固定的4个256 M的存储块,如下图所示。
我们在驱动TFTLCD的时候,用到的存储块是块1,STM32将FSMC的存储块1分为4个区,每个区管理64M的空间,每个区都有独立的寄存器对连接的存储器进行配置,BANK1的256M空间由28根地址线寻址,这28根地址线如下表所示,其中低26个位来自外部存储器的地址,我们可以将TFTLCD的片选接在低26位上,通过发送地址来选中片选,只有高2位才是内部可以控制的。
| BANK1区域 | 片选 | 地址范围 | 地址线 |
|---|---|---|---|
| [27:26] | [25:0] | ||
| 区域1 | NE1 | 0x60000000 ~ 0x63FFFFFF | 00 |
| 区域2 | NE2 | 0x64000000 ~ 0x67FFFFFF | 01 |
| 区域3 | NE3 | 0x68000000 ~ 0x6BFFFFFF | 10 |
| 区域4 | NE4 | 0x6C000000 ~ 0x6FFFFFFF | 11 |
注:
当Bank1接的是16位宽度存储器的时候:地址线的[25:1]对应FSMC_A[24:0]
当Bank1接的是8位宽度存储器的时候:地址线的[25:0]对应FSMC_A[25:0]
对于NOR FLASH控制器,主要通过3个寄存器来设置FSMC的时序参数,NORFLASH控制器支持同步和异步突发两种访问方式。
选用同步突发访问方式时,FSMC将系统时钟分频后,发送给外部存储器作为同步时钟信号 FSMC_CLK。此时需要的设置的时间参数有2个,即系统时钟HCLK与FSMC_CLK的分频系数(可以2~16分频),同步突发访问中获取第一个数据所需要的等待延迟。
选用异步突发访问方式时,则需要设置3个时间参数:地址建立时间、数据建立时间和地址保持时间。FSMC综合了SRAM/ROM、PSRAM和NOR Flash产品的信号特点,定义了4种不同的异步时序模型。选用不同的时序模型时,需要设置不同的时序参数。
在实际扩展时,根据选用存储器的特征确定时序模型,从而确定各时间参数与存储器读/写周期参数指标之间的计算关系,利用该计算关系和存储芯片数据手册中给定的参数指标,可计算出FSMC所需要的各时间参数,从而对时间参数寄存器进行合理的配置。
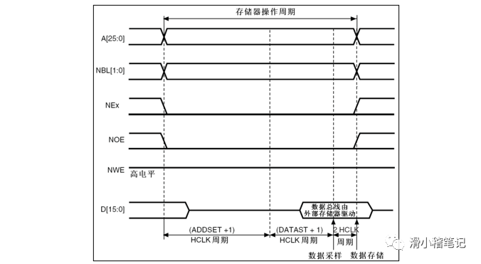
我们现在使用异步模式A方式来控制LCD,模式A的读操作时序如下图所示。

模式A支持独立的读写时序控制,这个对驱动TFTLCD来说非常有用,因为TFTLCD在读的时候,一般比较慢,而在写的时候可以比较快,如果读写用一样的时序,那么只能以读的时序为基准,从而导致写的速度变慢,或者在读数据的时候,重新配置FSMC的延时,在读操作完成的时候,再配置回写的时序,这样虽然也不会降低写的速度,但是频繁配置,比较麻烦。而如果有独立的读写时序控制,那么我们只要初始化的时候配置好,之后就不用再配置,既可以满足速度要求,又不需要频繁改配置。
模式A的写操作如下图所示。

10.3.2 相关寄存器
(1)SRAM/NOR 闪存片选控制寄存器:FSMC_BCRx(x=1~4)
| 31 | 30 | 29 | 28 | 27 | 26 | 25 | 24 | 23 | 22 | 21 | 20 | 19 | 18 | 17 | 16 |
|---|---|---|---|---|---|---|---|---|---|---|---|---|---|---|---|
| - | CBURSTRW | - | |||||||||||||
| 15 | 14 | 13 | 12 | 11 | 10 | 9 | 8 | 7 | 6 | 5 | 4 | 3 | 2 | 1 | 0 |
| - | EXTMOD | WAITEN | WREN | WAITCFG | WRAPMOD | WAITPOL | BURSTEN | - | FACCEN | MWID | MTYP | MUXEN | MBKEN |
上一篇:STM32入门学习笔记之TFTLCD显示实验2
下一篇:用STM32与PID算法做一个磁悬浮装置
推荐阅读最新更新时间:2026-03-22 13:21
- RDR-142 - 35W电源
- i.MX RT1060 Evaluation Kit
- 使用 Embedded Planet 的 5CEFA9U27 的参考设计
- DC1369A-D、LTC2258-14 演示板、14 位 65 Msps ADC、LVDS 输出、5-170MHz
- LT3990EMSE-5 12V 降压转换器的典型应用
- 使用 Analog Devices 的 LTC1148 的参考设计
- LT1377IS8 具有直接反馈的正负转换器的典型应用
- 使用 NXP Semiconductors 的 TL431AI 的参考设计
- LT8304IS8E 18V 至 80Vin、5Vout 隔离反激式转换器的典型应用电路
- LT3512EMS 演示板,单片式高压隔离反激式转换器 36V VIN 75V,VOUT = 5V @ 500mA

stm32驱动屏IC rm68042
STM32 PMSM FOC 简介
基于STM32G031的测试测量训练平台完成虚拟仪器实现
现代雷达系统的信号设计
BFR340T






京公网安备 11010802033920号