相序保护继电器,也被称为相序继电器,是一种电力保护设备。它的核心作用是监测三相电源的电压、电流、相序等参数,以确保三相电源的相序正确。这样可以避免因相序不正确导致的设备损坏和事故发生。
具体来说,相序继电器是由运放器组成的一个相序比较器,用于比较电压幅值、频率高低和相位。当电路中的相序与指定的相序不符时,相序继电器会触发动作,切断控制电路的电源,从而达到切断电动机电源、保护电动机的目的。此外,相序继电器还可以用于进线电源的缺相、错相保护,部分相序继电器还具有过压、欠压等保护功能。
断相与相序保护继电器是一种重要的电气保护装置,主要用于三相电应用场合,以确保电动机和其他电气设备的正常运行和安全。这种继电器的主要功能是检测三相电的相序和断相情况,并在检测到异常情况时采取保护措施。
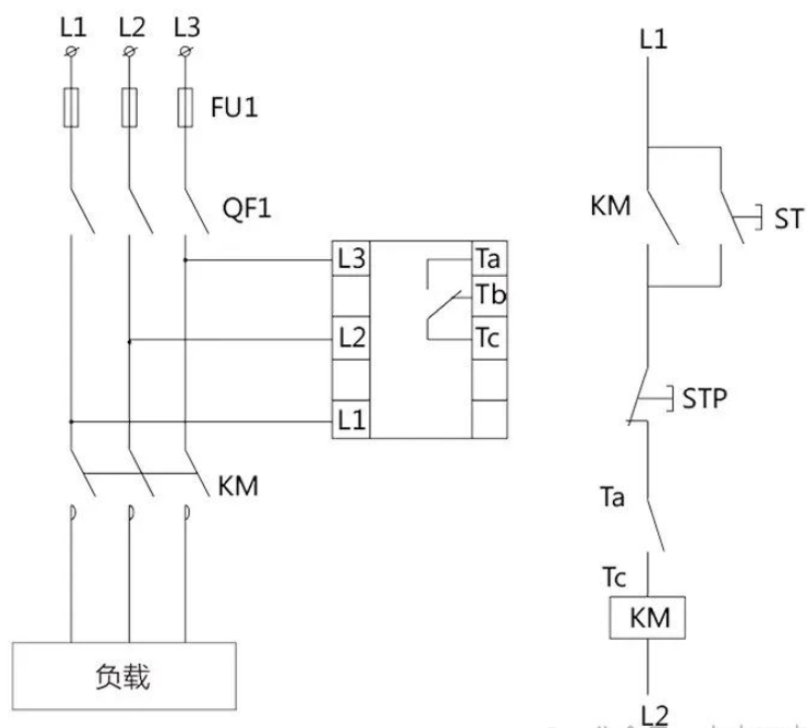
我们看到他的接线图中123端子为输入的相线ABC相。
56为常开触点,78为常闭触点。

在实际电路中,把常开点串接在控制电路中,接通电源时当出现缺相或断相继电器动作断开触点。
相序保护继电器一般用在什么场合
相序保护继电器广泛应用于各种需要确保三相电源相序正确的电气设备中。以下是相序保护继电器的主要应用场景:
电动机保护:在电动机启动和运行时,相序保护继电器发挥着关键作用。它可以检测并控制电路,避免因相序逆序等原因引起的电机过载、损坏等问题。电动机安装时,需要检查电源相序是否正确,如果相序错误,会导致电动机旋转方向不正确,从而影响电机的正常工作。此时,可以通过安装相序保护器来避免这种情况的发生。
变压器保护:在变压器容量较大时,需要通过多个变压器组合来完成升压降压,此时如果出现相序问题,将会对系统产生严重影响。相序保护继电器可以在这种情况下发挥重要作用,确保变压器的正常运行。
发电机保护:发电机运行时,如果出现相序问题,将会导致电机失稳、电网损失、设备损坏等严重后果。相序保护继电器可以检测相序并控制电路,有效保护发电机及其周边设备,确保其安全运行。
其他电气设备:除了上述设备外,相序保护继电器还可以应用于其他电气设备中,如UPS(不间断电源)等。同时,它支持单相和三相电源输入,使用非常灵活。
在实际应用中,相序继电器广泛应用于三相电应用场合,与指示灯结合可作为相序指示器,与接触器结合可完成自动换相功能。
特别是在一些特殊机电设备,如电梯、中央空调等中,如果电源在维修后相序出错,可能会导致事故的发生。因此,在这些设备的控制回路中接入相序保护器,可以确保相序无误,从而避免设备损坏或事故发生。
上一篇:深入解析西门子PLC中的TON指令通电延时定时器功能
下一篇:PLC控制系统中的核心电气元件构成
- 热门资源推荐
- 热门放大器推荐
- 边缘计算主机盒选购指南:五大核心指标解析
- Arm AGI CPU 更多细节:台积电 3nm 制程、Neoverse V3 微架构
- Arm AGI CPU 重磅发布:构筑代理式 AI 云时代的芯片基石
- Arm 拓展其计算平台矩阵,首次跨足芯片产品
- 阿里达摩院发布RISC-V CPU玄铁C950,首次原生支持千亿参数大模型
- 边缘 AI 加速的 Arm® Cortex® ‑M0+ MCU 如何为电子产品注入更强智能
- 阿里达摩院发布玄铁C950,打破全球RISC-V CPU性能纪录
- VPU中的“六边形战士”:安谋科技Arm China发布“玲珑”V560/V760 VPU IP
- 利用锚定可信平台模块(TPM)的FPGA构建人形机器人安全
- LTC2172CUKG-12、12 位、65Msps 低功耗四通道 ADC 的典型应用电路
- 使用 ROHM Semiconductor 的 BD5339 的参考设计
- 使用 Diodes Incorporated 的 PT8A3517 的参考设计
- LT5527 400MHz 至 3.7GHz 高信号电平下变频混频器的典型应用
- AD5340 并行接口、单电压输出、12 位 DAC 的典型应用
- 30W、-27V、5.8V、5.8V、15V、24V、33V交流转直流多路输出电源
- OP213FSZ-REEL7 低噪声运算放大器电压基准的典型应用
- LT3579/LT3579-1 演示板,升压 / 反相 DC/DC 转换器
- L7815A 光控制器稳压器的典型应用 (Vo(min) = Vxx + VBE)
- 具有关断功能的 LT1086CT-5 5V 稳压器的典型应用

现代雷达系统的信号设计
LMP8671MA/NOPB

BFR340T






京公网安备 11010802033920号