1. 车轮转速传感器
车轮转速传感器简称轮速传感器, 常用的车轮转速传感器有电磁感应式与霍尔式两大类。
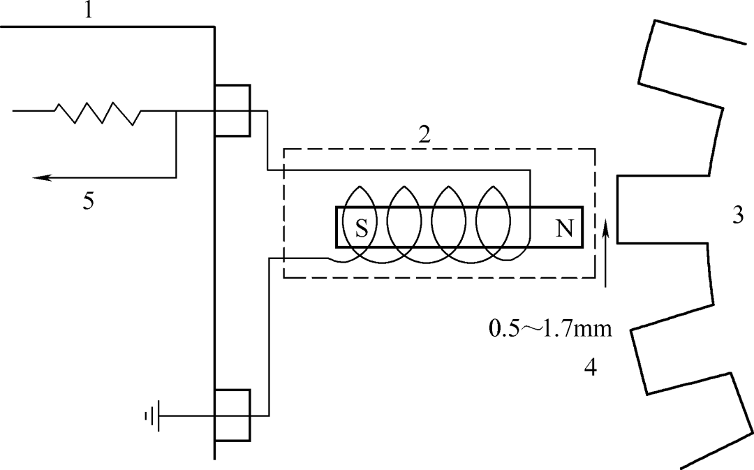
(1)电磁感应式车轮转速传感器
电磁感应式车轮转速传感器是一种由磁通量变化而 产生感应电压的装置, 一般由磁感应头与齿圈组成, 如图1所示。

图1车轮转速传感器构造
a) 长方形 b) 圆柱形
磁感应头是一个静止部件, 通常由永久磁铁、 电磁线圈和磁极等构成, 传感器安装在每 个车轮的托架上。齿圈是一个运动部件, 一般安装在轮毂上或轮轴上与车轮一起旋转。齿圈上齿数的多少与车型、 ABS 电脑有关。磁感应头磁极与齿圈的端面有一空气隙, 一般在 1mm 左右, 通常可移动磁感应头的位置来调整间隙 (具体间隙的大小可查阅维修手册)。

图2电磁感应式车轮转速传感器工作原理
1—电脑 2—传感头 3—齿圈 4—空气隙 5—车速信号
当齿圈随车轮旋转时 (图2), 在永久磁铁上的电磁感应线圈中就产生一交变电压信号 (这是因为齿圈上齿峰与齿谷通过时引起磁场强弱变化的缘故), 信号的频率与车轮速度成正 比, 并随轮速的变化而变化。ABS 电子控制单元 (ECU) 通过识别传感器发来交变电压信 号的频率来确定车轮的转速, 如果电子控制单元发现车轮的圆周减速度急剧增加, 滑转率达 到 20% 时, 便以 10 次/ s 的速度进行计算, 然后给执行机构发出指令, 减小或停止车轮的制 动力, 以免车轮抱死。
(2)霍尔式车轮转速传感器
霍尔式车轮转速传感器可以将带隔板的转子置于永磁铁和 霍尔集成电路之间的空气间隙中。霍尔集成电路由一个带封闭的电子开关放大器的霍尔层构 成, 当隔板切断磁场与霍尔集成电路之间的通路时, 无霍尔电压产生, 霍尔集成电路的信号电 流中断;若隔板离开空气间隙, 磁场产生与霍尔集成电路的联系, 则电路中出现信号电流。霍尔式车轮转速传感器由传感头和齿圈组成, 传感头包含有永磁体。霍尔元件和电子电 路等结构如图3所示。

图3霍尔式车轮转速
传感器工作原理
当齿间对准霍尔元件位置时, 永磁体的磁力线穿过霍尔元件通向齿 轮, 穿过霍尔元件的磁力线分散于两齿之中, 磁场相对较弱。当齿轮对准霍尔元件位置时, 穿过霍尔元件的磁力线集中于一个齿上, 磁场相对较强。穿过霍尔元件的磁力线密度所发生 的这种变化会引起霍尔电压的变化, 其输出一个毫伏级的准正弦波电压。此电压经波形转换 电路转换成标准的脉冲电压信号输入 ECU。由霍尔传感器输出的毫伏级正弦波电压经过放 大器放大为伏级正弦波信号电压, 在施密特触发器中将正弦波信号转换成标准的脉冲信号, 由放大极放大输出。
霍尔式车轮转速传感器与前述电磁感应式车轮转速传感器相比, 具有以下的优点:
1) 输出信号电压的幅值不受车轮转速影响, 当汽车电源电压维持在 12V 时, 传感器输 出信号电压可以保持在 11. 5 ~ 12 V, 即使车轮转速接近于零。
2) 频率响应高, 该传感器的响应频率可高达 20kHz (此时相当于车速 1000km / h)。
3) 抗电磁波干扰能力强。
二、汽车制动防抱死控制系统执行元件的结构及工作原理
ABS 液压控制总成是在普通制动系统的液压装置上经设计后加装 ABS 液压调节器而形成 的。普通制动系统的液压装置一般包括真空助力器、 双缸式制动总泵 (主缸)、 储油箱、 制动 分泵 (轮缸) 和液压管路等。除了普通制动系统的液压部件外, ABS 制动压力调节器通常由 回油液压泵、 蓄能器、 主控制阀、 电磁阀和一些控制开关等组成。实质上, ABS 就是通过电磁 阀控制分泵上的液压, 使之迅速变大或变小, 从而实现了防抱死制动功能。
ABS 制动压力调节器串接在制动主缸与轮缸之间, 通过电磁阀直接或间搭铁控制轮缸 的制动压力。通常把电磁阀直接控制轮缸制动压力的调节器称作循环式制动压力调节器, 把 间接控制制动压力的调节器称作可变容积式制动压力调节器。
1. 循环式制动压力调节器
这种形式的制动压力调节器是在制动总缸与轮缸之间串联一个电磁阀,直接控制轮缸的 制动压力。这种压力调节系统的特点是制动压力油路和ABS控制压力油路相通。由电磁阀 直接控制轮缸的制动压力。多采用三位三通电磁阀和二位二通电磁阀, 在 ECU 控制下, 使 电磁阀处于 “升压”、 “保压”、 “减压” 三种位置, 如图4所示。

图4循环式制动压力调节器
1) 三位三通电磁阀工作过程如图5所示, 三位三通电磁阀由进液阀、 回液阀、 主弹 簧、 副弹簧、 固定铁心及衔铁套筒等组成。

图5三位三通电磁阀
1—进液口 2—进液阀 3—回液阀 4—主弹簧 5—副弹簧 6—电磁线圈 7—衔铁套筒 8—出液口 9—回液口
工作过程是:电磁线圈未通电时, 在主弹簧张力作用下, 进液阀打开, 回液阀关闭, 进 液口与出液口保持畅通——增压;电磁线圈通入较小电流 (2A), 产生电磁吸力小, 吸动衔 铁上移量少, 但能适当压缩主弹簧, 使进液阀关闭, 放松副弹簧, 回液阀并不打开——保 压, 如图6所示;

图6三位三通电磁阀 (保压)
电磁阀线圈通入较大电流 (5A), 产生电磁吸力大, 吸动衔铁上移量 大, 同时压缩主、 副弹簧, 使进液阀仍保持关闭, 回液阀打开——减压, 如图7所示。

图7三位三通电磁阀 (减压)
因为该电磁阀工作在三个状态 ( 增压、 保压、 减压) 则为 “三位”, 对外具 有三个接口 (进液口、 出液口、 回液口) 则为 “三通”, 所以该电磁阀称之为 “三 位、 三通” 电磁阀, 常写成3/3电磁阀。
2) 二位二通电磁阀工作过程如图8所示, 二位二通电磁阀又分为二位二 通常开电磁阀和二位二通常闭电磁阀。两 个电磁阀均由阀门、 衔铁、 电磁线圈和回 位弹簧等组成。

图8二位二通阀的结构及符号
常态下, 二位二通常开电磁阀阀门在弹簧张力作用下打开, 二位二通常闭电磁阀阀门在 弹簧张力作用下闭合, 二位二通常开电磁阀用于控制制动总泵到制动分泵的制动液通路, 又 称为二位二通常开进液电磁阀。
二位二通常闭电磁阀用于控制制动分泵到储液器的制动液回路, 又称为二位二通常闭出 液电磁阀。
两个电磁阀配套使用, 共同完成 ABS 工作中对制动压力调节的任务。
3) 循环式制动压力调节器的工作过程:踏下制动踏板, 由于电磁阀的进液阀开启, 回 液阀关闭, 各电磁阀将制动总泵与各制动分泵之间的通路接通, 制动总泵中的制动液将通过 各电磁阀的进液口进入各制动分泵, 各制动分泵的制动液压力将随着制动总泵输出制动液压 力的升高而升高——增压, 与常规制动相同。
① 升压 (常规制动) 如图9所示。

图9制动压力调节原理 (压力增大)
② 保压。当某车轮制动中, 滑转率接近于 20% 时, ECU 输出指令, 控制电磁阀线圈通 过较小电流 (约 2A), 使电磁阀的进液阀关闭 (回液阀仍关闭), 保证该控制通道中的制动 分泵制动压力保持不变——保压, 如图10所示。

图10制动压力调节原理 (压力保持)
③ 减压。当某车轮制动中, 滑转率大于 20% 时, ECU 输出指令, 控制电磁阀线圈通过 较大电流 (约 5A), 使电磁阀的进液阀关闭, 回液阀开启, 制动分泵中的制动液将通过回 液阀流入储液器, 使制动压力减小——减压, 如图11所示。

图11制动压力调节原理 (压力减小)
与此同时,ECU控制电动泵 通电运转,将流入储液器的制动液泵回到制动总泵出液口。
上一篇:低EMI辐射的高电压DC-DC转换器
下一篇:常见类别中的自动驾驶行业、技术和用例的状态
推荐阅读最新更新时间:2026-03-25 16:07
- 边缘计算主机盒选购指南:五大核心指标解析
- Arm AGI CPU 更多细节:台积电 3nm 制程、Neoverse V3 微架构
- Arm AGI CPU 重磅发布:构筑代理式 AI 云时代的芯片基石
- Arm 拓展其计算平台矩阵,首次跨足芯片产品
- 阿里达摩院发布RISC-V CPU玄铁C950,首次原生支持千亿参数大模型
- 边缘 AI 加速的 Arm® Cortex® ‑M0+ MCU 如何为电子产品注入更强智能
- 阿里达摩院发布玄铁C950,打破全球RISC-V CPU性能纪录
- VPU中的“六边形战士”:安谋科技Arm China发布“玲珑”V560/V760 VPU IP
- 利用锚定可信平台模块(TPM)的FPGA构建人形机器人安全
- 使用 Analog Devices 的 ADP3334 的参考设计
- LTC3588IMSE-1 5V 至 16V 太阳能供电 2.5V 电源的典型应用电路,具有用于增加输出能量存储和电池备份的超级电容器
- XRP7659、1.5A DC 至 DC 非同步降压稳压器的典型应用
- 使用 ON Semiconductor 的 NCP3120MNTX 的参考设计
- MAXREFDES1003:150mA、4通道、LED驱动器,SEPIC配置
- LTC4223-2 演示板,用于 AMC 的双电源热插拔控制器(故障后自动重试)
- MC33072ADR2G 运算放大器用作晶体管驱动器的典型应用
- 使用 Diodes Incorporated 的 AP1509-12S 的参考设计
- NCP382HD10AAGEVB:单输入双输出高侧配电开关评估板
- 使用 Analog Devices 的 AD7730 的参考设计

SPI to PSI5
英飞凌XENSIV™ 磁性传感器相关的软件示例代码
Follow me第三季第3期源代码
现代雷达系统的信号设计
BFR340T






京公网安备 11010802033920号