一、BMS系统简介
新能源电动汽车控制系统主要由电池管理系统(BMS)、充电机控制单元、电动机控制单元和整车控制单元(如图1)等组成。

图1:新能源电动汽车控制系统
其中,BMS系统是电动汽车中的不可缺少的核心部分,能够对新能源电动汽车进行实时监控和在线监测,从而采集电池系统电压、电流、温度等感知参数。另外,BMS系统还能够对电池运行状态和电池组离散性进行科学控制,一旦电池组出现故障或潜在隐患,系统会自动发出报警信号,提醒相关人员采取措施进行处理。如果将电动汽车中的电池组比作一支军队,那么BMS系统就是带领军队前进的领导,其存在能够使电池组运行达到事半功倍的效果。按照功能,我们可以把BMS的核心功能(如图2)划分为电池监控(Cell Monitoring)、电池安全和保护(Battery Safety and Protection)、电池均衡(Cell Balancing)、健康状态估算(SOH)、充电状态估算(SOC)、充电控制(Charge Control)、热管理(Thermal Management)等功能。

图2:BMS核心功能
二、BMS芯片技术简述
随着新能源电动汽车自燃事故与日俱增,为保障电池的安全稳定,电池管理芯片已成为新能源汽车、消费电子、工业控制等领域极其重要的元器件。值得注意的是,在消费电子和工业控制领域,市场上已经涌现出非常多的国产品牌电池管理芯片,但在应用于新能源汽车的动力电池领域,BMS芯片仍旧依赖进口芯片,***寥寥无几。能提供车规级BMS芯片完整解决方案的供应商主要有ADI、TI、ST、NXP、Renesas、Infineon等企业。我国BMS芯片和国外的差距主要体现在检测精度、均衡算法以及所支持的最高电池节数方面,相信在国家的大力支持和集成电路行业的高速发展,以及电动汽车和消费电子应用的推动,BMS芯片也将实现快速增长。
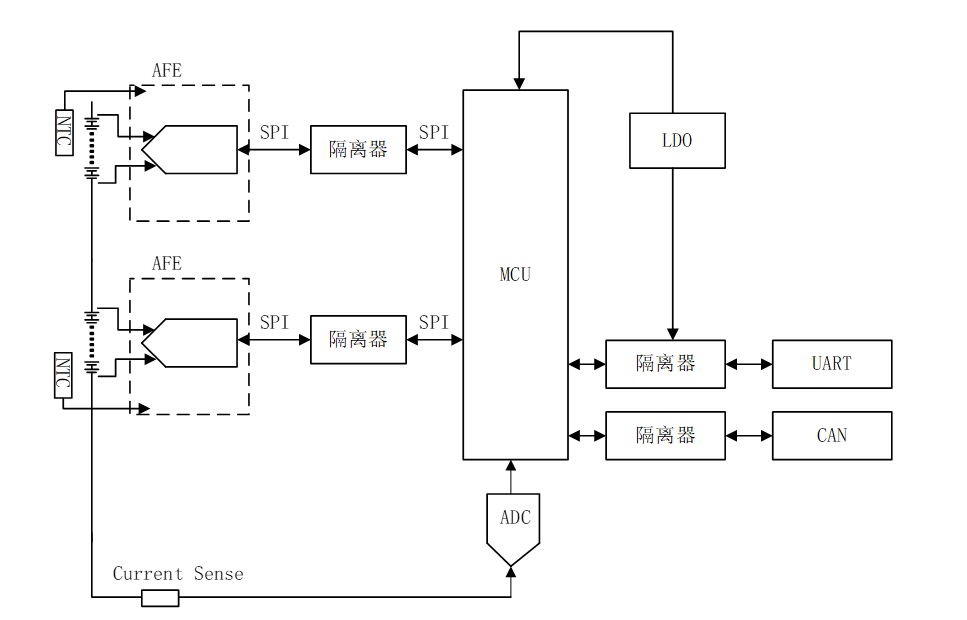
良好的BMS芯片对安全驾驶起着重要作用。BMS芯片主要涉及到 AFE、MCU、ADC、数字隔离器等(如图3)。其中,AFE模拟前端芯片(在BMS中专指电池采样芯片),用来采集电芯电压、电流、温度等感知信息后通过模数转换器(ADC)转换为数字值,同时还要支持电池的均衡功能,通常来说芯片会集成被动均衡功能。BMS中的MCU芯片起到处理AFE芯片采集的信息并计算SOC、SOH等参数的作用。数字隔离器主要在高低压之间的数字通信,比如在BMS主控板上的高压采样和MCU之间的SPI通信以及采样板AFE与MCU的SPI通信。

图3:BMS系统功能组成图
AFE模拟前端芯片(电池采样芯片)
电动汽车电池系统一般由成百上千的电芯组成(比如特斯拉有上千节,比亚迪E6有上百块电芯)。当检测电芯状态(电压、电流、温度)时,我们需要采用专用的AFE(电池管理系统模拟前端芯片),它是一种多路采样通道的监控芯片,能对电芯进行电压和温度等感知参数的监测。AFE芯片将采集的电池电压、电流及温度等信号经过ADC处理,处理转换为相应的二进制码,然后通过通信接口SPI/IIC/UART传递给主控制器MCU,MCU会根据电池的电压、电流、温度状态来控制电池充放电,防止其发生充电过压、过流或者放电欠压、过流。AFE还可以检测电池的使用状况,并实时监控和调整电池参数,使电池始终保持最稳定的工作状态,防止退化的电池影响电动汽车的正常工作状态。BMS AFE主要包含采集模块、均衡开关、通信模块。采集模块一般有包含模数转换器(ADC)、参考源(REFERENCE)和模拟开关(MUX),AFE总体功能框图如图4:

图4:AFE总体功能框图
目前BMS AFE芯片基本被国外大厂所垄断,比如:ST、ADI、TI、NXP等。不同厂商的AFE其内部设计不同,具体参数对比如下:

ADC芯片
高精度电池参数监测是保障BMS芯片正常工作的基础,电芯的电压、电流、温度等感知参数都是模拟量,而我们接收到的大多数是数字量,因此高精度ADC成为BMS芯片中的关键模块。ADC芯片的主要作用是将在时间和幅度上都连续地模拟的电信号进行量化,生成能够用数字表征的信号幅度值。ADC芯片从模拟到数字的变化一般需要经历四个阶段:

ADC芯片主要看两个基本指标,一个是采样速率,一个是转换精度,速率代表着ADC可以转换多大带宽—Bandwidth的模拟信号,带宽对应的就是模拟信号频谱中的最大频率。精度就是衡量转换出来的数字信号与原来的模拟信号之前的差距。ADC的位数越多,精度就越高,速度就越慢,ADC芯片关键难度在于速率和精度难以兼得,各个类型ADC的速率及精度关系如下:

图5:各个类型ADC的速率及精度关系
常见的ADC类型有Σ-∆(Sigma-Delta型)、SAR(逐次逼近型)、Pipeline(流水线型)、Flash(比较型)等等。
四种ADC技术对比:

在选择ADC芯片时除了关注芯片的速率和精度外,还需要考虑芯片的量程、ADC输出接口、通道数和封装等参数。最为知名的厂商有TI、ADI、ST、Renesas等等。不同厂商ADC芯片部分参数对比:

MCU芯片
MCU芯片是BMS系统的核心部分,其主要任务有:(1)用来处理AFE采集的信息,计算SOC、SOH等参数,并将这些信息传送给上一级整车控制器VCU;(2)对电源管理芯片及其外部电路进行控制。相对于消费级和工业级MCU,车规级行业壁垒要高。汽车 MCU主要包含 8/16/32位三种:①主要应用于车身控制、信息系统、引擎控制、安全系统及动力系统的32位 MCU,比如预碰撞、自适应巡航控制、驾驶辅助系统、电子稳定程序等安全功能以及复杂的 X-by-wire等传动功能;②主要应用于动力传动系统和底盘机构的16位MCU,比如引擎控制、齿轮与离合器控制、电子式涡轮系统方向盘、电子刹车等;③主要应用于车体各个次级系统的8位MCU,比如:风扇/空调控制、雨刷、天窗、车窗升降、集线盒、座椅控制等较低阶的控制功能。
不同厂商车规级MCU芯片对比:

数字隔离芯片
隔离器件是将输入信号进行转换并输出,以实现输入、输出两端电气隔离的一种安规器件。通常AC-DC或中高电压DC-DC电源转换的电子电路,都需要电气隔离。电气隔离的主要作用是安全隔离(保障人员和设备的安全)和功能隔离(提高电路的抗干扰能力)。目前市场上常用的隔离方式通常有:光耦、容耦、磁耦。

图6:常用隔离方式
(1)光耦隔离:利用发光二极管(LED)发出一定波长的光(将电信号转换为光信号),被光探测器接收而产生电流(将光信号转换为电信号),实现“电—光—电”的转换,进而通过光这一载体实现前后级电信号的隔离。
(2)容耦隔离:由初级电路、片上电容、次级电路组成,利用电容的“通交流、阻直流”特性实现“电荷-电压-电场”之间的转换。其本质是电流-电压信号之间的相互转换,将电流信号转化为电压信号,进而使电解质中的电场发生相对应的变化,通过电场传播发射端电信号到接收端,实现信号的隔离和传输。
(3)磁耦隔离:由初级电路、片上变压器、次级电路组成。利用电磁感应原理,实现“电—磁—电”的传递,并构建与之精确配合的发送和接受电路。把需要传输的变化信号加在变压器的初级线圈,该信号在初级线圈中产生的磁①场,变化的磁场使次级线圈的磁通量发生变化,从而在次级感应出与初级线圈激励信号相关的变化信号输出,以达到隔离初次级的目的。
三种隔离技术对比:

目前生产数字隔离芯片的国外厂商主要有ADI、TI、Skyworks、NVE等,不同厂商的隔离方式不同,比如:ADI-电磁隔离,TI-电容隔离,东芝半导体-光耦隔离。光耦隔离有着速度慢、信号耦合等问题,随着新一代汽车系统的应用,光耦隔离器很难满足高端客户的需求,而数字隔离器有着体积小、速度快和集成度高等优势,因此目前主要采用电容隔离和电磁隔离两类。
以下是不同产品的参数对比:

上一篇:汽车继电器和保险丝的区别
下一篇:自动驾驶传感器中如何现在激光雷达和毫米波雷达?
- 热门资源推荐
- 热门放大器推荐
- 边缘计算主机盒选购指南:五大核心指标解析
- Arm AGI CPU 更多细节:台积电 3nm 制程、Neoverse V3 微架构
- Arm AGI CPU 重磅发布:构筑代理式 AI 云时代的芯片基石
- Arm 拓展其计算平台矩阵,首次跨足芯片产品
- 阿里达摩院发布RISC-V CPU玄铁C950,首次原生支持千亿参数大模型
- 边缘 AI 加速的 Arm® Cortex® ‑M0+ MCU 如何为电子产品注入更强智能
- 阿里达摩院发布玄铁C950,打破全球RISC-V CPU性能纪录
- VPU中的“六边形战士”:安谋科技Arm China发布“玲珑”V560/V760 VPU IP
- 利用锚定可信平台模块(TPM)的FPGA构建人形机器人安全
- LTC2172CUKG-12、12 位、65Msps 低功耗四通道 ADC 的典型应用电路
- 使用 ROHM Semiconductor 的 BD5339 的参考设计
- 使用 Diodes Incorporated 的 PT8A3517 的参考设计
- LT5527 400MHz 至 3.7GHz 高信号电平下变频混频器的典型应用
- AD5340 并行接口、单电压输出、12 位 DAC 的典型应用
- 30W、-27V、5.8V、5.8V、15V、24V、33V交流转直流多路输出电源
- OP213FSZ-REEL7 低噪声运算放大器电压基准的典型应用
- LT3579/LT3579-1 演示板,升压 / 反相 DC/DC 转换器
- L7815A 光控制器稳压器的典型应用 (Vo(min) = Vxx + VBE)
- 具有关断功能的 LT1086CT-5 5V 稳压器的典型应用

现代雷达系统的信号设计
LMP8671MA/NOPB

BFR340T






京公网安备 11010802033920号