无位置传感器算法在现代电机控制领域扮演着至关重要的角色。这类算法能够在不依赖传统物理位置传感器(如霍尔传感器或编码器)的情况下,精确地控制电机的转子位置和速度。这种技术的应用范围广泛,从家用电器到工业驱动,再到电动汽车,其重要性不言而喻。
无位置传感器算法的核心在于通过分析电机内部的电气信号来间接推断转子的位置和速度。这些算法通常利用电机的电压、电流反馈以及内置的数学模型来计算转子的状态。最常见的无位置传感器算法包括基于反电动势(Back Electromotive Force, BEMF)的方法、观测器方法和高频注入法等,每种算法都有不同的优缺点,本文主要介绍比较常见的BEMF的方法,也是相对比较成熟也易于实现的一种算法。
基本原理
当电机旋转时,定子绕组会产生与转速成正比的反电动势。通过监测这个反电动势的大小和相位,可以推断出转子的位置。

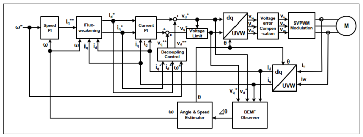
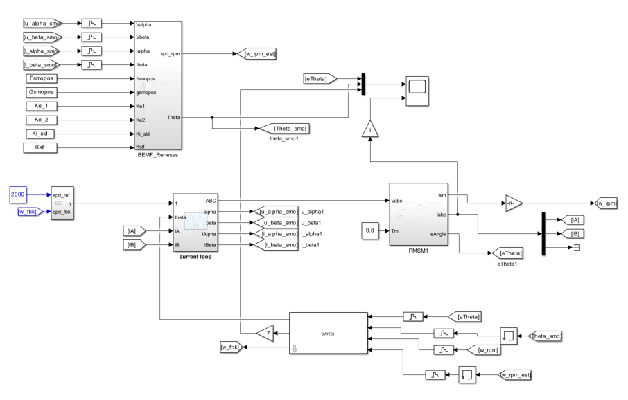
使用BEMF观测器的无传感器矢量控制的框图
基于DQ轴的电机电压方程如下:

将
和
作为电压扰动,它们分别写成
则上式可写为:

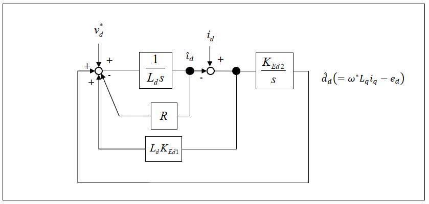
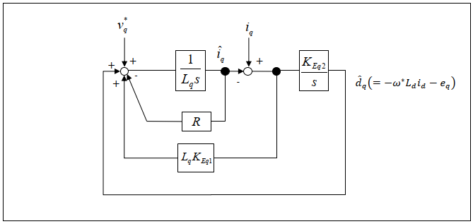
则DQ轴的观测器框图分别如下:


接下来,根据估计的电压扰动
计算BEMF,如下所示:

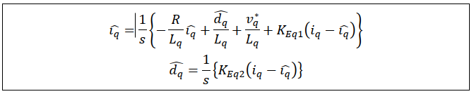
为了提高系统的鲁棒性,可以加入如下PLL:

仿真模型和仿真结果
dq轴的估计方程重写如下:


根据上式搭建仿真模型如下:

电机正常启动后切换到无位置传感器控制方式,切换前后角度的变化和电流变化如下图:

电角度波形

三相电流波形

算法切换时刻角度和电流变化
从仿真看在从有位置传感器切换到无位置传感器方案后,观测角度几乎没有波动,电流有轻微的波动后,很快就稳定。仿真结果验证了该算法的有效性。
关键字:Renesas 永磁同步电机
引用地址:
Renesas永磁同步电机无位置传感器算法介绍
推荐阅读最新更新时间:2026-03-25 16:07
永磁同步电机的特点 永磁同步电机和交流同步电机区别
永磁同步电机的特点 永磁同步电机是一种将电能转换成机械能的电动机。它的转速与电源频率无关,主要依靠励磁磁场与旋转磁场的交互作用来实现转矩输出。永磁同步电机的主要构造包括转子、定子、永磁体、定子绕组、转子绕组等。 永磁同步电机具有以下特点: 高效率:由于采用永磁体作为励磁源,消除了励磁损耗,因此具有较高的效率,尤其在部分负载运行时,效率更高。 高功率密度:永磁体具有高磁能密度和高能量密度,因此永磁同步电机具有较高的功率密度,可以实现更小体积和更高功率的输出。 高精度控制:由于永磁同步电机是一种同步电机,因此其转速可以精确地控制,适合需要高精度控制的应用场合。 宽调速范围:永磁同步电机具有较宽的调速范围
[嵌入式]
永磁同步电机和交流异步电机的区别
永磁同步电机的概念和工作原理 永磁同步电机是一种电磁转动机械,其转子上装有一组永磁体,永磁体与定子的磁场同步旋转,从而驱动机械旋转。它是一种新型的高性能电机,具有高效、高功率密度、高精度和高控制精度等特点,被广泛应用于工业自动化、通讯设备、机器人等领域。 永磁同步电机的工作原理是:当永磁同步电机的定子上通以三相交流电源,产生的旋转磁场会感应转子上永磁体中的磁场,使永磁体同步旋转。当定子磁场的旋转速度与转子上永磁体的旋转速度相同时,永磁体就会保持旋转,同时产生端子电势和电流,从而驱动机械旋转。 由于永磁体的存在,永磁同步电机的转矩、动态响应和效率等指标都优于其他类型的交流电机。同时,永磁同步电机的构造简单,体积小,重量轻,因此被
[嵌入式]
改进的永磁同步电机模型预测控制方法
随着国家提出推动运输工具装备低碳转型,越来越多新能源的电动汽车厂商崛起,鉴于目前电动汽车的动力系统通常都是 PMSM 驱动系统,因此 PMSM 的发展前景十分广阔。在众多的电机控制方法中,直接转矩控制和矢量控制以往研究较多,但随着控制精度的要求越来越高,这两种控制方法以难以满足响相应的要求。而 MPC 因为设计方便、响应快、动态性能好等优点,近年来备受关注,在 PMSM 中得到了广泛的应用。应用于电力电子的 MPC 主要有两种:连续集模型预测控制 (continuous control set model predictive control,CCSMPC) 和有限集模型预测控制 (finite control set model
[嵌入式]
永磁同步电机与伺服电机的对比
永磁同步电机与伺服电机在多个方面存在显著的差异,以下是对两者的对比: 一、工作原理 永磁同步电机 : 利用永磁体产生磁通,与控制电流相互作用产生转矩。 通过调整电流和转子位置实现精准控制,位置反馈依赖于编码器或霍尔传感器。 伺服电机 : 通过精确控制电压和电流,结合编码器和传感器等外部设备的位置和速度反馈,实现高精度的运动控制。 二、控制方式 永磁同步电机 : 通常采用矢量控制,保证电机的高效率和高动态响应。 控制方式相对简单,可以通过PWM控制器进行控制。 伺服电机 : 更倾向于采用PWM控制,虽然动态响应稍逊于永磁同步电机,但精度和可控性更强。 控制方式更加灵活,可以通过DSP、PLC等控
[嵌入式]
如何降低永磁同步电机的振动和噪音?
永磁同步电机在工业应用中广泛使用,其高效率和优秀的动态性能使其成为许多领域的首选。然而,永磁同步电机在运行过程中可能会产生振动和噪音。这不仅会对设备的可靠性和寿命造成影响,还可能对工作环境和人员健康带来负面影响。因此,降低永磁同步电机的振动和噪音对于提高其性能和可靠性至关重要。 本文将从机械设计、电气设计和控制策略等多个方面来探讨如何降低永磁同步电机的振动和噪音。 一、机械设计方面的优化 1. 磁槽形状设计:合理设计永磁体的磁槽形状,减少磁力波动。可以采用圆弧形磁槽,使得永磁体与定子的磁通分布更加均匀,减少磁力的不平衡。 2. 减振措施:在电机结构中引入减振材料,如弹性垫片、吸音材料等,可以有效吸收振动和噪音。此外,合理设计电机的
[嵌入式]
永磁同步电机应用领域包括哪些
永磁同步电机(Permanent Magnet Synchronous Motor,简称PMSM)是一种高性能、高效率、高可靠性的电机,广泛应用于各个领域。以下是对永磁同步电机应用领域的详细介绍: 工业自动化领域 工业自动化是永磁同步电机应用最为广泛的领域之一。在工业自动化生产线上,永磁同步电机可以作为驱动器,实现对各种机械设备的精确控制。例如,在自动化装配线、自动化包装线、自动化输送线等生产线上,永磁同步电机可以驱动输送带、升降机、旋转台等设备,实现自动化生产。 1.1 机器人技术 在机器人技术领域,永磁同步电机被广泛应用于工业机器人、服务机器人、无人机等设备。由于永磁同步电机具有高效率、高响应速度、高扭矩密度等特点,可
[嵌入式]
永磁同步电机调速范围多大
永磁同步电机(Permanent Magnet Synchronous Motor,简称PMSM)是一种具有高效率、高功率密度、高可靠性和高控制性能的电机。它广泛应用于工业自动化、新能源汽车、风力发电等领域。本文将详细介绍永磁同步电机的调速范围及其影响因素。 永磁同步电机的基本原理 永磁同步电机是一种利用永磁体产生磁场的同步电机。其基本结构包括定子、转子和永磁体。定子是电机的固定部分,通常由绕组和铁芯组成。转子是电机的旋转部分,通常由永磁体、转子铁芯和转子绕组组成。永磁体通常采用稀土永磁材料,如钕铁硼、钐钴等。 永磁同步电机的工作原理是利用永磁体产生的磁场与定子绕组产生的磁场相互作用,产生电磁转矩,驱动转子旋转。由于永磁体
[嵌入式]
永磁同步电机额定转速怎么计算
永磁同步电机(Permanent Magnet Synchronous Motor,简称PMSM)是一种具有高效率、高功率密度、高可靠性和低噪音等优点的电机。其额定转速是电机设计和应用中的一个重要参数,关系到电机的性能和使用寿命。本文将详细介绍永磁同步电机额定转速的计算方法。 永磁同步电机的基本原理 永磁同步电机的工作原理是利用永磁体产生的磁场与转子上的电流相互作用,产生电磁转矩,驱动转子旋转。其基本结构包括定子、转子和永磁体三部分。定子上绕有三相交流绕组,转子上装有永磁体。 永磁同步电机的额定参数 永磁同步电机的额定参数包括额定功率、额定电压、额定电流、额定转速和额定效率等。其中,额定转速是指电机在额定工作条件下,能
[嵌入式]