PLC是现代工业自动化控制系统中最为常见的控制器之一。它具有高可靠性、强抗干扰能力、易于维护等优点,广泛应用于各种生产设备和机械控制系统中。本文将介绍PLC编程的基础知识并通过实例演示,帮助更多初学者深入理解PLC编程技术。
PLC的组成部分
PLC主要由CPU、存储器、输入/输出模块和通信模块等组成。其中CPU负责处理程序逻辑,存储器用于存储程序和数据,输入/输出模块用于与外部设备进行交互,通信模块用于与其他设备进行通讯。

常见PLC编程语言 梯形图
梯形图是最为常见也是最容易学习和理解的一种PLC编程语言。它使用类似于梯子形状的符号来表示输入/输出状态和逻辑运算关系。

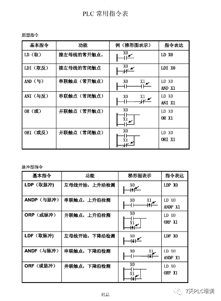
指令表
指令表采用类似汇编语言风格来描述程序逻辑,并且支持复杂运算和函数调用等高级特性。

结构化文本
结构化文本类似于高级程序设计语言风格来描述程序逻辑,并且支持循环结构、条件判断等高级特性。
PLC编程实例
刚开始学习PLC编程的时候,可以先从小的电路小的程序入手,由浅入深,先易后难的进行学习,今天我们就重点来看看具体的基础的PLC编程实例:








关键字:PLC 编程实例 编程技术
引用地址:
基础的8个PLC编程实例解析
推荐阅读最新更新时间:2026-03-24 12:47
三菱PLC定时器应用程序编程实例
三菱PLC定时器应用程序编程实例(三菱PLC编程实例) 1.产生脉冲的程序 (1)周期可调的脉冲信号发生器 如图1所示采用定时器T0产生一个周期可调节的连续脉冲。当X0常开触点闭合后,第一次扫描到T0常闭触点时,它是闭合的,于是T0线圈得电,经过1s的延时,T0常闭触点断开。T0常闭触点断开后的下一个扫描周期中,当扫描到T0常闭触点时,因它已断开,使T0线圈失电,T0常闭触点又随之恢复闭合。这样,在下一个扫描周期扫描到T0常闭触点时,又使T0线圈得电,重复以上动作,T0的常开触点连续闭合、断开,就产生了脉宽为一个扫描周期、脉冲周期为1s的连续脉冲。改变T0的设定值,就可改变脉冲周期。 图1 周期可调的脉冲信号发生器
[嵌入式]
三菱PLC编程技巧及实例图解
三菱PLC的实例分析及编程技巧:利用PLC进行程序编制时,为了减少指令条数,节省内存和提高运行速度,应掌握以下编程技巧。 (1) 把串联触点多的电路编在上方,如图1所示,可见(b)形式减少使用ORB指令或多重输出指令等。 (2) 并联触点多的电路放在左边,如图2所示,可见(b)形式减少使用ANB指令。 (3) 多重输出电路,最好将串联接点多的电路放在下边,如图3所示,可以不使用MPS、MPP指令等。 (4) 如果电路复杂,采用ANB、ORB等指令实现比较困难时,可以重复使用一些触点改成等效电路,再进行编程,如图4所示
[嵌入式]
单片机如何使用?51单片机C语言编程实例有哪些?
单片机如何使用,我们要知道单片机在哪里使用? 单片机是很多电子产品的核心器件,它具有一定的逻辑判断和事件处理能力的芯片。 可以对单片机编程不同的程序,从而实现不同的功能。 一、如何使用单片机? 首先我们需要掌握单片机的 编程语言 ,目前大多数的单片机 都支持C语言编程 ,个别低端单片机还需要汇编语言。 所以单片机开发,我们C语言编程基础就可以满足90%的需求了,对于汇编语言,我们可以针对性的,在使用的时候,突击学习掌握就OK了。 对于入门阶段的学生, 单片机的C语言知识需要学习到什么程度? 学习一些基础的语法就可以满足我们实现一些功能比较简单的程序开发了,例如流水灯,交通路灯等。 高级语法不需要刻意去学习,在初级学习没有意义
[单片机]
MSP4305xx/6xx系列 低频振荡器REFO编程实例
MSP430 5x6x系列内部校准的低频REFO可用于成本敏感的应用场合,可以省去外部晶体。REFO内部校准为32.768kHz,可提供一个稳定的参考频率。 REFO可作为FLL的频率输入源使用。REFO与FLL相结合,提供了一个灵活的系统时钟设置范围,而不需要晶体。REFO不使用时不消耗电力。 本实例示范如何使用REFO,并将其作为ACLK SMLK MCLK时钟来使用,通过将此三个时钟输出到特定的管脚,便于示波器测量验证。 工程介绍: MCU型号: MSP430F6736A 编译平台: IAR for MSP430 6.40.1 实验项目: 测试 MCU 内部时钟 REFOCLK ,选择 REFOCLK
[单片机]
MSP430 5xx/6xx系列 低频振荡器VLO编程实例(源码+电路)
MSP430 5xx/6xx系列内部VLO提供10 kHz的典型频率(参数见芯片的特定数据表),无需晶体。VLO为不需要精确时基的应用提供了一个低成本的超低功耗时钟源。 本实例示范如何使用VLO,并将其作为ACLK SMLK MCLK时钟来使用,通过将此三个时钟输出到特定的管脚,便于示波器测量验证。 工程介绍: MCU型号: MSP430F6736A 编译平台: IAR for MSP430 6.40.1 实验项目: 测试 MCU 内部时钟 VLOCLK (内部极低功率, 低频振荡器, 典型频率为10 kHz) 选择 VLOCLK 作为 ACLK SMCLK MCLK, 并将 ACLK SMCLK MCLK 输
[单片机]
STM32的GPIO输出编程实例之点亮三色LED
一、概述: 1、发光二极管简介 发光二极管是半导体二极管的一种,可以把电能转化为光能,常简写为LED。常用的是发红光、绿光或黄光的二极管。发光二极管的反向击穿电压约为5V。它的正向伏安特性曲线很陡,使用时必须串联限流电阻以控制通过管子的电流。限流电阻R可用下式计算: R = (E - UF)/IF 式中E为电源电压,UF为LED的正向压降,IF为LED的一般工作电流。LED广泛应用于各种电子电路、家电、仪表等设备中,做电源或电平指示。 2、STM32 GPIO简介 GPIO可以配置成以下8种工作模式: 浮空输入:此端口在默认情况下什么都不接,呈高阻态,这种设置在数据传输时用的比较多。 上拉输入:上拉输入模式与浮空输入模式相
[单片机]