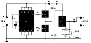
这是一款汽车 nicd 电池充电器电路,可以使用经典的 12 伏汽车电池为 4.8 至 4.4 伏之间的任何镍镉电池充电。充电电流是恒定的,可以通过选择器S在50至120mA的值中选择。

此功能对于模型制作爱好者、视频操作员、使用小家电传输和接收的人以及所有使用镍镉电池且需要充电或电压网络不可用的人来说非常有用。
汽车 Nicd 电池充电器零件清单:
除非另有说明,所有电阻均为 1/4 瓦。
R1 = 220Kohms
R2、R3 = 1 Kohm
R4 = 120 欧姆 1 瓦
R5 = 68 欧姆 1 瓦
CI = 10 nF 陶瓷。
C2 = 1000uF 16Velec。
C3 = 1000yF 25Velec。
D1 = 1N4001 … 7
D2 = 1N4001 … 7
D3 = 1N4001-7 …
T1 = BDX53
T2 = BDX53
IC1 = 4047
IC2 = 7805
S = 1 选择器
3 个散热器
IC 支持 14 针
上一篇:车规与AEC-Q的关系
下一篇:车规级半导体分立器件质量保证要求研究
推荐阅读最新更新时间:2026-03-25 06:29
- 边缘计算主机盒选购指南:五大核心指标解析
- Arm AGI CPU 更多细节:台积电 3nm 制程、Neoverse V3 微架构
- Arm AGI CPU 重磅发布:构筑代理式 AI 云时代的芯片基石
- Arm 拓展其计算平台矩阵,首次跨足芯片产品
- 阿里达摩院发布RISC-V CPU玄铁C950,首次原生支持千亿参数大模型
- 边缘 AI 加速的 Arm® Cortex® ‑M0+ MCU 如何为电子产品注入更强智能
- 阿里达摩院发布玄铁C950,打破全球RISC-V CPU性能纪录
- VPU中的“六边形战士”:安谋科技Arm China发布“玲珑”V560/V760 VPU IP
- 利用锚定可信平台模块(TPM)的FPGA构建人形机器人安全
- 用于 7VIN 至 16VIN、1.5V 和 1.2V 输出的 LTM4628EV DC/DC 模块稳压器的典型应用电路
- 使用 Analog Devices 的 LTC3728LIGN 的参考设计
- DER-406 - 适用于 A19 灯的 5.76 W 高 PF 非隔离降压-升压型 TRIAC 调光 LED 驱动器
- ADR5045B 5V 输出精密微功率并联模式电压基准的典型应用
- LT3970EDDB-3.42 2.5V 降压转换器的典型应用
- MC78M08BDTG 8V 电流调节器的典型应用
- LT1021DCN8-5 精密电压基准的典型应用
- DER-282 - 100W, 扁平(11 mm), LLC DC-DC转换器
- REF193 低压差开尔文连接电压基准的典型应用电路
- LT3088EM 线性稳压器用于添加软启动的典型应用

UL1564 工业电池充电器标准
智能锂电池充电器67.2V10A
现代雷达系统的信号设计
BFR340T






京公网安备 11010802033920号