5款电子diy制作电路图

发布者:平安宁静最新更新时间:2024-04-30 来源: elecfans关键字:diy制作  音乐门铃 手机看文章 扫描二维码
随时随地手机看文章

电路1:简易声控闪光灯的制作

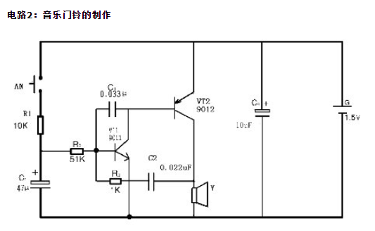
电路2:音乐门铃的制作

电路3:多功能报警器的制作

电路4: :节拍器的制作

电路5:汽车转向灯电路的制作

wKgZomTCJ8CAXS9WAAC37Ak7wUI634.png?imageView2/2/w/1000wKgaomTCJ8WAZZxYAABx-l-f1sQ874.png?imageView2/2/w/1000wKgZomTCJ8uAFZPCAACyJxHJZEI683.png?imageView2/2/w/1000wKgaomTCJ9KASnMbAAFMwsQJ3Tc564.png?imageView2/2/w/1000wKgZomTCJ9eAeTTqAADCRnXjYA0293.png?imageView2/2/w/1000

关键字:diy制作  音乐门铃 引用地址:5款电子diy制作电路图

上一篇:hifi音响和普通音响有什么区别 hifi音响怎么连接电视
下一篇:国产Gopro蓝牙遥控器深度拆解分析

推荐阅读最新更新时间:2026-03-24 15:11

基于AT89C2051做的音乐门铃
家里门铃坏了一个多月了,一直没有时间去搞,过年前几天刚好有点时间,拆出来看看发现由于电池漏液造成了电路板多处被腐蚀,修也是麻烦了,所以索性就自己重新设计一个出来。这个门铃从电路设计,程序设计,调试及焊接都是我自己一手一脚完成,前后一共大概用了2天半时间。做出来的效果还是不错的。大家有兴趣可以试一下。 为了使门铃更有个性化,我采用的是单片机,用单片机来产生所需要的响声。其电路原理是控制单片机的IO口产生适当频率的方波,经过三极管放大后驱动自藕变压器的一次测,这时在变压器的二次测会产生相同频率的高压方波从而使压电陶瓷片发生形变,发出较大的门铃声。电源使用的是4节干电池,共6V,单片机电源是6V电源通过二极管降压0.7V后提供。
[单片机]
5款电子diy制作电路图
电路1:简易声控闪光灯的制作 电路2:音乐门铃的制作 电路3:多功能报警器的制作 电路4: :节拍器的制作 电路5:汽车转向灯电路的制作
[嵌入式]
5款电子<font color='red'>diy</font><font color='red'>制作</font>电路图
运放测试仪的DIY制作
  利用运算放大器输入的比较特性设计,制作运算放大器测试仪能够进行快速、准确地判测所测运放的好坏,在元器件选择中十分有用。笔者在指导学生实训过程中。用此小仪器去挑选购买的运算放大器{包括部分拆机品}效果非常好。   电路原理   测试仪基本设计思路是将待测运算放大器(图中IC1,IC2,IC3,IC4)接成比较器结构.当V+ V-时,Vout为正电源状态.接近Vcc,发光二极管Vd1发光。当V+ V-时,为负电源状态,接近Vee,发光二极管Vd2亮。为此,用R1,R2设置V+=1/2(Vcc-Vee}=0[对E点电位],R3、R4、Rp组成V-电压偏置电路。向下调节Rp,可是V- V+.Vdl发光;向上调节RP.可使V-
[测试测量]
运放测试仪的<font color='red'>DIY</font><font color='red'>制作</font>
DIY制作:图文详解逆变器电路制作过程
  这里介绍的逆变器(见图1)主要由MOS 场效应管,普通电源变压器构成。其输出功率取决于MOS 场效应管和电源变压器的功率,免除了烦琐的变压器绕制,适合电子爱好者业余制作中采用。下面介绍该逆变器的工作原理及制作过程。     1.电路图          2.工作原理     这里我们将详细介绍这个逆变器的工作原理。      2.1.方波信号发生器(见图2)      图2 方波信号发生器     这里采用六反相器CD4069构成方波信号发生器。电路中R1是补偿电阻,用于改善由于电源电压的变化而引起的振荡频率不稳。电路的振荡是通过电容C1充放电完成的。其振荡频率为f=1/2.2RC.图示电路的最大频率为:fmax=
[电源管理]
<font color='red'>DIY</font><font color='red'>制作</font>:图文详解逆变器电路<font color='red'>制作</font>过程
工程师电子制作故事:小型太阳能供电板DIY设计
  太阳能电源的基本原理是:平时将收集到的光能转化为电能储存起来,在开启负载时就释放储存起来的电能。典型的太阳能电源的例子就是太阳能路灯:在白天有阳光照射时便为蓄电池充电,夜晚就通过蓄电池向灯泡(现多为低功耗高亮LED)供电用以照明。许多城市主干道路灯已开始使用这种太阳能电源。一个实际的太阳能电源是比较复杂的,但不管有多么复杂,其原理是万变不离其宗的。当然,我们制作一个微型的太阳能电源没有必要做得那么复杂。   太阳能供电板的原理及设计   在了解了实际的太阳能电源后,笔者就开始设计太阳能供电板了,我的整体思路是:通过太阳能电池板给1.2V可充电电池充电储能,然后利用升压电路将1.2V升压至3V以上供负载使用。有人可能会说
[电源管理]
工程师电子<font color='red'>制作</font>故事:小型太阳能供电板<font color='red'>DIY</font>设计
自己动手DIY制作LED显示屏
  1 、 门头 LED 条屏   门头LED条屏幕,动感强颜色鲜艳,能吸引注意力,主要用来发布最新广告信息,广泛应用于银行,影楼,美容美发,手机店等店铺门头。随着 LED屏 作为一种新媒体被大家接受,的价格也被大家接受,LED的配件的标准化,将极大地推进LED屏的普及。门头的LED条屏应用,将会是LED屏走向平民化的重要大转折。   2 、组装意义   LED产业链已经很完善,所有的配件都可以很容易在网上买到,LED的技术参数, 日趋统一,行业标准基本形成,所有零配件都已经模块化。为自行组装LED屏幕提供了材料保障。 LED条屏,外形为长条形,包装和运输成本高,相对材料成本较低,LED屏幕的当地组装奠定了成本优势。
[电源管理]
自己动手<font color='red'>DIY</font><font color='red'>制作</font>LED显示屏
DIY制作:自制智能太阳能充电器
  这个太阳能充电器采用 89C 2051 控制,能实现两节电池轮流充电,充满自停。可以设置放电,放尽自停,兼容镍氢和镍镉电池等功能。   工作原理:用水银天关控制整个电路的电源,当充电器反转时便切断电源。 C1 和 R2 组成单片机的开机复位电路,由 LM324 和 89C 2051 内部的模拟比较器组成检测电路。   智能太阳能充电器运放1   检测电池 A 的电压, RP1 设置电池 A 、 B 的上限电压,这里设置为 1.4V ,当电池 A 充满时,即超过上限电压,运放输出 1 ,反之输出 0 。   智能太阳能充电器运放2   检测光照强度, RP2 设置允许充电的光照强度,光敏电阻 RL 和 R
[电源管理]
<font color='red'>DIY</font><font color='red'>制作</font>:自制智能太阳能充电器
DIY喇叭设计制作
前言∶一般DIY的朋友最怕的制作就是喇叭,原因要选择个方面性能好不是很容易的事而且也不好买到手,通常听某某人介绍买进A喇叭加B分音器组合起来发现声音就是不对,自己制作分音器吧又发现分频点的选择很困难,就算完成了制作又如何调音同时又没有标准可以参考,可是会让人怯步的。 另一个让人怯步的是喇叭箱,买MFD木板材料在台湾非常容易如B&Q或建材行都有出售,而且还可帮您裁好尺寸非常方便,真的吗?┅.您最後会发现木工具还是越来越多,因为都要须修修边及挖孔等等工作一样也不能少┅┅最後成功了一切都值得但失败了很多人都不想提它,算一算所花的费用已经可以买厂制的产品。 为什麽会有这麽多人要跳进DIY的世界呢? 已我来说是┅┅等一下先说好这是我
[模拟电子]
<font color='red'>DIY</font>喇叭设计<font color='red'>制作</font>
小广播
最新嵌入式文章
何立民专栏 单片机及嵌入式宝典

北京航空航天大学教授,20余年来致力于单片机与嵌入式系统推广工作。

厂商技术中心

 
EEWorld订阅号

 
EEWorld服务号

 
汽车开发圈

 
机器人开发圈

电子工程世界版权所有 京ICP证060456号 京ICP备10001474号-1 电信业务审批[2006]字第258号函 京公网安备 11010802033920号 Copyright © 2005-2026 EEWORLD.com.cn, Inc. All rights reserved