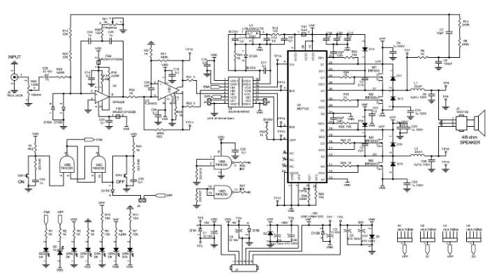
这是使用IC MD7120作为MOSFET驱动器的D类功率音频放大器的电路设计。 MD7120 用于驱动在 H 桥开关两侧运行的四个 N 沟道 MOSFET 晶体管。它由控制器逻辑电路、电平转换器、两个自举供电的高侧栅极驱动器、两个 VDD 供电的低侧栅极驱动器和过流保护电路(不使用电流检测电阻)组成。高侧和低侧的过流保护阈值均可单独通过电阻编程。

MD7120 设计用于驱动 3.0A 快速开关 MOSFET,在高侧和低侧之间以及从通道 A 到通道 B 之间具有匹配良好的输入到输出传播延迟。该电路采用直接耦合方法在其内部电平转换器中,从逻辑输入到 N 沟道功率 MOSFET 的栅极。
通过将 EN 引脚 H 逻辑电压电平连接到与开关控制输入相同的电平,可以将 MD7120 输入逻辑电压设置为 1.8 至 5.0V 之间的任何电压。内部 EN 引脚电路将在高电平时计算逻辑阈值,并在低电平时禁用输出。 MD7120 采用低电感、耐热、32 引脚、7.00×7.00mm QFN 封装。如果使用合适的 PCB 散热器,IC 功耗约为 3.5W。
高侧功率MOSFET漏极可以连接到高压电源,而底部N沟道MOSFET源极如果连接到单个高压电源则接地。在这种情况下,数字音频信号处理器 IC 输出可以直接连接到具有接地参考电平的 MD7120 输入,无需电平转换器。然而,扬声器或单通道输出参考不能接地。
关键字:MOSFET驱动器
引用地址:
使用MD7120 MOSFET驱动器的D类功率音频放大器电路设计
推荐阅读最新更新时间:2026-03-23 12:54
Vishay的采用延展型SO-6封装的新款 IGBT和MOSFET驱动器实现紧凑设计、快速开关和高压
器件峰值输出电流高达4 A,工作温度高达+125 °C,传播延迟低至200 ns 美国 宾夕法尼亚 MALVERN、中国 上海 — 2024年10月24日 — 日前,威世科技Vishay Intertechnology, Inc.宣布, 推出两款采用紧凑、高隔离延展型SO-6封装的最新IGBT和MOSFET驱动器---VOFD341A和VOFD343A 。Vishay VOFD341A和VOFD343A的峰值输出电流分别达3 A和4 A,工作温度高达+125 C,传播延迟低至200 ns。 今天发布的光耦合器包含一个AlGaAs LED(该LED通过光学耦合方式连接到具有功率输出级的集成电路,用于太阳能逆变器和微逆变
[电源管理]
Vishay推出SOP-4小型封装集成关断电路的汽车级光伏MOSFET驱动器
器件通过AEC-Q102认证,开关速度和开路输出电压(8.5V)达到业内先进水平 美国 宾夕法尼亚 MALVERN、中国 上海 — 2023年6月7日— 日前,Vishay Intertechnology, Inc.宣布, 推出一款业内先进的新型汽车级光伏MOSFET驱动器---VOMDA1271,该驱动器采用节省空间的SOP-4封装,集成关断电路 。Vishay Semiconductors VOMDA1271专门用来提高汽车应用性能,同时提高设计灵活性并降低成本,开关速度和开路输出电压均达到业内先进水平。 日前发布的光耦集成关断电路,典型关断时间为0.7ms,在SOP-4小型封装MOSFET驱动器中达到先进水平。
[汽车电子]
Allegro Microsystems推出全新BLDC MOSFET驱动器
新产品针对外部微处理器应用可提供完整的模拟系统解决方案 功率器件和传感器技术的全球领导厂商Allegro MicroSystems(以下简称Allegro)宣布推出符合ISO-26262标准的全新N沟道功率MOSFET驱动器 AMT49105 ,新产品能够简化电机系统设计,并通过集成所需的功率模拟系统而减少了PCB面积。 AMT49105得益于强大的输出驱动能力,因而适用于范围广泛的各种应用,其中包括大于1KW的功率应用。此外,AMT49105还集成有LIN收发器、MCU稳压电源、针对无感无刷直流电机(BLDC)控制的相位监视器以及其他独特功能,可降低当今高能效车辆的总功耗。 AMT49105非常适合于电源电压为
[电源管理]
美高森美和Analog在可扩展碳化硅MOSFET驱动器解决方案领域展开合作 以加快客户设计和上市速度
美高森美公司(Microsemi Corporation) 和Analog Devices公司宣布推出可扩展碳化硅(SiC)驱动器参考设计解决方案,其基础为美高森美的一系列碳化硅MOSFET产品和Analog Devices公司的ADuM4135 5KV隔离栅极驱动器。这款双碳化硅MOSFET驱动器参考设计提供用户友好的设计指南,并通过使用美高森美的碳化硅MOSFET缩短客户上市时间,也支持向美高森美的下一代碳化硅MOSFET过渡。下面就随电源管理小编一起来了解一下相关内容吧。 新的参考设计为客户提供高度隔离的碳化硅MOSFET双栅极驱动开关,以便通过多个拓扑来评估碳化硅MOSFET。这包括为支持同步死区时间保护的半桥开关和无保
[电源管理]
利用智能MOSFET驱动器提升数字控制电源性能
在电源系统中,MOSFET驱动器一般仅用于将PWM控制IC的输出信号转换为高速的大电流信号,以便以最快的速度打开和关闭MOSFET。由于驱动器IC与MOSFET的位置相邻,所以就需要增加智能保护功能以增强电源的可靠性。 UCD9110或UCD9501等新上市的数字电源控制器需要具备新型的智能型集成MOSFET驱动器的支持。电源设计人员仍然对数字电源控制技术心存疑虑。他们经常将PC的蓝屏现象归咎于软件冲突。当然,这种争议会阻碍数字控制电源以及查找控制器故障期间功率级保护策略的推广。这推动了不依赖数字电源控制器信号的具备功率级内部保护功能的MOSFET驱动器的发展。 图1:数字电源的典型实施方案。 图1是数字控制电源的典型实施方
[电源管理]
麦瑞半导体推出新型85V半桥MOSFET驱动器
该解决方案可自动设定停滞时间,保证电源效率最高;还能防止交叉导通,保证最佳可靠性 美国加利福尼亚州圣何塞消息―2014年1月8日― 高性能线性和电源解决方案、局域网以及时钟管理和通信解决方案领域的行业领导者麦瑞半导体公司(Micrel Inc.)(纳斯达克股票代码:MCRL)今天推出一款85V半桥MOSFET驱动器MIC4605,该驱动器具有自适应停滞时间和击穿保护功能。自适应停滞时间电路主动监测半桥,最大限度缩短高边和低边MOSFET间转换的时间,从而使电源效率达到最大。击穿保护电路防止错误输入和噪声造成高低边MOSFET同时导通。此外,MIC4605还提供5.5V至16V的宽工作电压范围,以便最大化提高系统效率。5.5V的低
[电源管理]
分立器件 一款可替代集成MOSFET驱动器的卓越解决方案
在电源设计小贴士 #42 中,我们讨论了 MOSFET 栅极驱动电路中使用的发射器跟踪器,并且了解到利用小型 SOT-23 晶体管便可以实现 2A 范围的驱动电流。在本设计小贴士中,我们来了解一下自驱动同整流器并探讨何时需要分立驱动器来保护同步整流器栅极免受过高电压带来的损坏。理想情况下,您 可以利用电源变压器直接驱动同步整流器,但是由于宽泛的输入电压变量,变压器电压会变得很高以至于可能会损坏同步整流器。 图 1 显示的是用于控制同步反向拓扑中 Q2 传导的分立器件。该电路可以让您控制开启栅极电流并保护整流器栅极免受高反向电压的损坏。该电路可以用变压器输出端的负电压进行驱动。12V 输入与 5V 输出相比负
[电源管理]
分立器件——一款可替代集成MOSFET驱动器的卓越解决方案
在电源设计小贴士 #42 中,我们讨论了 MOSFET 栅极驱动电路中使用的发射器跟踪器,并且了解到利用小型 SOT-23 晶体管便可以实现 2A 范围的驱动电流。在本设计小贴士中,我们来了解一下自驱动同整流器并探讨何时需要分立驱动器来保护 同步整流器 栅极免受过高电压带来的损坏。理想情况下,您可以利用电源变压器直接驱动同步整流器,但是由于宽泛的输入电压变量,变压器电压会变得很高以至于可能会损坏同步整流器。
一款可替代集成MOSFET驱动器的卓越解决方案
图 1 显示的是用于控制同步反向拓扑中 Q2 传导的 分立器件 。该电路可以让您控制开启栅极电流并保护整流器栅极免受高反向电压的损坏。该电路可以用
[电源管理]