TR5511是EDP转LVSD点屏转换方案芯片,CS5211也是EDP转LVDS屏转换桥接芯片,其两者的功能是一样的。
TR5511与CS5211功能参数一致:
内置CC控制器,用于插头和方向检测
用于充电器和正常通信的双端口CC。
DP1.2接收机
符合1.62Gbps、2.7Gbps、5.4Gbps的DisplayPort规范1.2
支持DisplayPort 1、2、4通道
支持HDCP 1.3
针对PCB、电缆和连接器损耗的自适应DisplayPort接收器均衡
支持AUX和IIC进行固件更新
单/双端口/四端口LVDS发射机
符合VESA和JEIDA标准
1/2/4可配置端口
每个端口1个时钟通道和4个可配置数据通道
CS5211与TR5511封装方式对比如下:

上图是TR5511管教封装

上图是CS5211的管教分配方式:
综上所示:
CS5211与TR5511封装的管脚是一样的,但是CS5211内置MCU,可以配置16组不同规格书和参数的LVDS屏,而TR5511固化了程序, 只能适应和调配一种规格的LVDS屏, 通用性较差,而且芯片成本上TR5511比CS5211的要高,整体BOM方案性价比较CS5211要差。
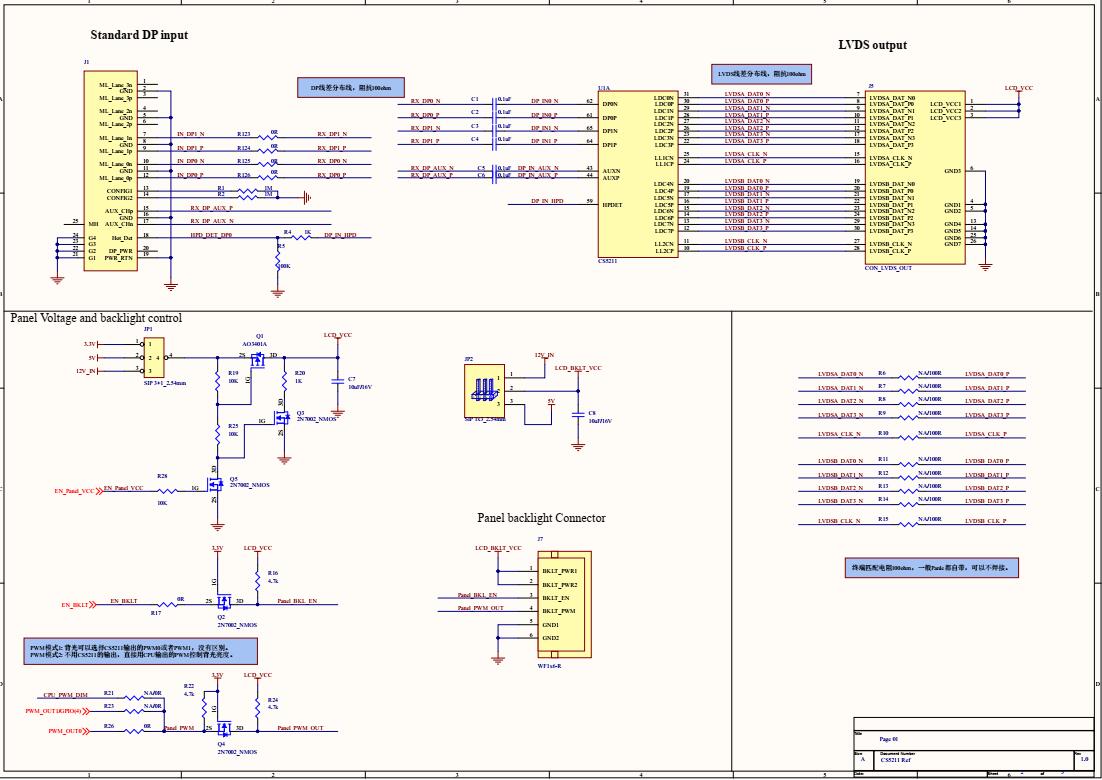
CS5211设计EDP转LVDS转接板或者屏驱动板的设计电路原理图如下:


CS5211设计上,很多客户用在LVDS屏端转接板如下所示:

如上图所示:设计的板框较小,可以内置在很多产品的驱动屏主板或者是产品的显示屏板端。
TR5511预计将很快停产,CS5211可以完全且PIN TO PIN t替代,通过软件方面的改写可以调试应用于16种不同规格书搭配的LVDS显示屏,在线更改成程序,不需要改动硬件电路,通用性和适用性都比TR5511要好。
上一篇:EN50332—媒体播放器(含耳机)输出音量安全规范测试方案
下一篇:CS5266低成本替代台湾安格AG9311typec转HDMI+PD+U3金典三合一拓展坞方案
推荐阅读最新更新时间:2026-03-24 15:44
- 边缘计算主机盒选购指南:五大核心指标解析
- Arm AGI CPU 更多细节:台积电 3nm 制程、Neoverse V3 微架构
- Arm AGI CPU 重磅发布:构筑代理式 AI 云时代的芯片基石
- Arm 拓展其计算平台矩阵,首次跨足芯片产品
- 阿里达摩院发布RISC-V CPU玄铁C950,首次原生支持千亿参数大模型
- 边缘 AI 加速的 Arm® Cortex® ‑M0+ MCU 如何为电子产品注入更强智能
- 阿里达摩院发布玄铁C950,打破全球RISC-V CPU性能纪录
- VPU中的“六边形战士”:安谋科技Arm China发布“玲珑”V560/V760 VPU IP
- 利用锚定可信平台模块(TPM)的FPGA构建人形机器人安全
- 支持 BLE 连接、由 4mA 至 20mA 电流回路供电的现场发送器参考设计
- AM2DM-0515DH60-NZ ±15 Vout、2W 双路输出 DC-DC 转换器的典型应用
- LTC6261IDC 音频耳机桥式驱动器运算放大器的典型应用
- LTC1775CS 2.5V/5A 可调输出降压稳压器的典型应用电路
- AD8601ARTZ-REEL7 符合 PC100 标准的线路输出放大器的典型应用
- 一种基于分立的 315MHz 振荡器解决方案,用于使用 BFR182 射频双极晶体管的远程无钥匙进入系统
- 使用 ROHM Semiconductor 的 BD49E39G-TR 的参考设计
- AM30EW-2405SZ 5V 三路输出 DC/DC 转换器的典型应用
- LTC3564 的电池在 1.2A 应用中达到 1.2V
- AL1676EV2,基于 AP1676 高亮度降压 LED 驱动控制器的评估板

CS5211AN_eDP TO LVDS_原理图
RF贴片查询_射频元件查询手册
现代雷达系统的信号设计
BFR340T






京公网安备 11010802033920号