纳芯微近日推出多通道24/16位、低功耗、高精密 Δ-Σ型ADC—NSAD124x和NSAD114x 系列,具有3ppm积分非线性和高达23.4位的有效分辨率,专为满足工业级高精度测温需求而设计。这两款产品可为热电偶测温、多线制RTD、热敏电阻、电阻桥式传感器等多种应用场景,以及工厂自动化、复杂过程控制系统等广泛工业应用,提供高精度、高稳定性测温解决方案。
NSAD124x和NSAD114x 系列最多可集成12个模拟输入通道,拥有片上基准源,片上振荡器和两路匹配电流源。其特殊设计的数字滤波器可以实现低延迟转换并能同时有效滤除50Hz和60Hz的工频干扰。此外,该系列还集成了传感器烧毁检测、热电偶偏置电压调整、基准监视器、PGA输出至轨检测电路、内置温度传感器以及多达8个GPIO接口等功能,全方位保障测温系统的可靠与安全运行。

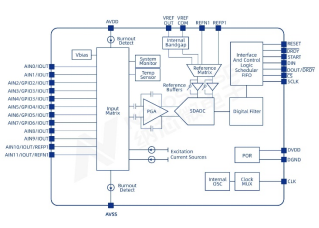
集成高精度低温漂信号链模块--赋能工业自动化
在工业自动化的RTD/TC温度采集应用中,纳芯微NSAD系列产品集成了系统所需的全部模块,提供单芯片完整方案,其中包括程控增益放大器、高精度基准源、匹配电流源(IDAC)、高精度PGA以及多种自校准机制等,为工业自动化中的高精度测温需求提供了全面支持。

IDAC:集成两个独立电流源,10μA~2000μA可配, 0.1% 匹配度
REF:集成片上2.048V基准,0.02% 初始精度,3 ppm/°C 温漂
CLOCK:集成 4.096MHz,clock 全温度范围 1% 精度
PGA:集成电容型PGA 1-128倍增益,并支持所有增益下任意共模输入范围
ADC:最高23.4bit有效分辨率
TEMP SENSOR:集成片上温度传感器,全温度范围±1.5℃ 精度
CALIBRATION:偏移/增益校准,自校准/系统校准
低延迟,工频宽抑制滤波器--快速单周期建立,同时抑制50/60Hz工频
纳芯微NSAD系列产品集成有特殊设计的低延迟滤波器,可以实现单周期快速建立,满足在多个通道间快速切换采集的需求。除此之外,该滤波器在低输出速率下,能同步抑制50Hz和60Hz的工频干扰,且在这两个频率点上各设有两个深陷波点。
以输出速率20Hz为例,在50Hz和60Hz±1Hz时,该系列产品依然能保持足够的抑制深度,意味着NSAD124x和NSAD114x 系列在时钟源频率偏差大到±2%时,仍能有效抑制工频噪声,确保测量的精确性。

数据输出速率为20sps时,低延迟滤波器的频率响应特性
采用电容型高共模输入范围PGA--共模输入范围不受阻碍
在微弱信号采集场景中,通常需要尽可能提高增益以获得接近满量程的转换结果。然而,传统的电阻型PGA输入级,往往需要在共模输入范围和增益权衡并取舍,常需额外的偏置电压源或偏置电阻来将传感器的共模电压调整到有限的范围内,或者不得不限制PGA的增益。
纳芯微NSAD系列产品采用电容型PGA,无论在何种增益设置下(1~128),均具备至轨的共模输入范围,由此满足在任何增益配置下,在正负电源轨之间的任意电平对传感器的共模电压进行偏置,显著提升了微弱信号采集的灵活性和精度。
丰富灵活可选内部资源,满足不同场景需求
NSAD124x和NSAD114x 系列提供了丰富可选的内部资源,包括模拟输入通道数、REF通道数、IDAC电流源数目以及GPIO口数量等。同时,这些器件还提供TSSOP28、TSSOP20或TSSOP16等多种封装形式。
上一篇:ADALM2000实验:变压器
下一篇:安森美推出业界领先的模拟和混合信号平台
推荐阅读最新更新时间:2026-03-24 12:36
- REF196 精密微功率、低压差堆叠电压基准的典型应用电路
- LTC4367IMS8 用于滞后调节的过压电源控制器的典型应用
- CLRC663非接触式读写器IC的典型应用
- 使用 ON Semiconductor 的 CS-5621 的参考设计
- RSO-0515S 15V、67mA输出DC/DC转换器典型应用电路
- NCP51200 3 Amp VTT 终端稳压器 DDR1、DDR2、DDR3、LPDDR3、DDR4 的典型应用
- LR645大电流SMPS启动电路典型应用
- ADR420 可编程电流源的典型应用
- DC417B,使用 LT1806CS8 多尺寸单运算放大器原型的演示板
- DM300019,用于评估 dsPIC30F 和 dsPIC33F MCU 系列器件的 dsPICDEM 入门开发板

Follow me第三季第4期任务汇总代码
Follow me第三季第3期源代码
现代雷达系统的信号设计
LMH6672LDX/NOPB
BFR340T






京公网安备 11010802033920号