STM32中的ADC是逐次逼近型ADC(Successive Approximation ADC),是逐个产生比较电压Vref,并逐次与输入电压分别比较,以逐渐逼近的方式进行A/D转换的。而其中的用来产生Vref的电路就是DAC电路。因此一般DAC电路比较容易设计,而DAC在采样速度和精度的权衡上会比较复杂。

SAR ADC的转换原理是把输入的模拟信号按规定的时间间隔采样(采样),并与一系列标准的数字信号相比较,数字信号逐次收敛,直至两种信号相等为止(量化完成),最后输出代表此信号的二进制数(编码)。
SAR ADC结构
结构上主要包括采样保持电路(S/H),比较器(COMPARATOR,COMP),SAR逻辑控制电路、时钟(CLOCK)和时序(TIMING)控制电路及DAC电路。

S/H电路
为了达到快速的采样,被采样的脉冲宽度一般是很短的,在下一个采样脉冲到来之前,要暂时保持所采得的样值脉冲幅度,以便进行后续转换。所以,在采样电路之后和比较电路之间要加保持电路。它的原理是通过一个开关连接一个电容,通过给电容进行充电来保持模拟信号的幅值信息。

DAC电路
大多SAR ADC的DAC都使用电容式DAC来提供内在的跟踪/保持功能。电容式DAC是采用电荷再分配原理来产生模拟输出电压的。电容式DAC由N个具有二进制权重值的电容器阵列再加上一个“虚拟LSB”电容器组成。
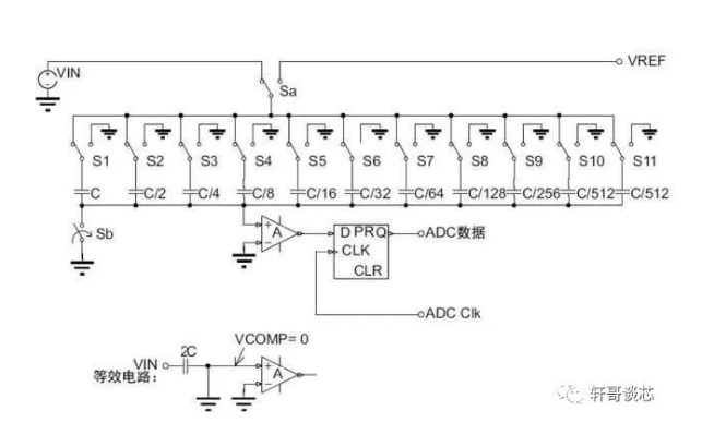
首先通过Sa开关连接VIN,并将所有S1-S11的开关连接到VIN,给所有并联的电容进行充电,这样就将所有电容充满,并且充电电压为VIN。
然后通过将Sa开关连接到Vref,并且通过数字信号对应到S1-S11的开关上,也就是关闭一些电容的开关连接到GND上,断开电容,对地放电。
此时对于Vref上的电压就会根据断开电容的容量使得输出电压降低,从而将数字信号转换成一个模拟信号。
电容器阵列容量总量要等于2C。

转换步骤
转换步骤数等于 ADC的分辨率,比如12bits ADC就有12个转换步骤,每个 ADC 时钟产生一个数据位。

采样状态
该状态下,电容充电至电压VIN。Sa切换至VIN,采样期间Sb开关闭合。
保持状态
该状态下,输入断开,电容保持输入电压。Sb开关打开,然后S1-S11切换至接地,且Sa切换至VREF。

转换(量化和编码)状态
该状态下,每个 ADCCLK 执行一个步骤,每一步完成后 ADC 输出一位数。采用二分法进行逐次逼近到 ADC 的精度(位数)。整个转换过程如下图所示。
关键字:STM32 SAR ADC 输入电压
引用地址:
STM32中的SAR ADC是怎么一回事?
推荐阅读最新更新时间:2026-03-25 06:54
STM32中的SAR ADC是怎么一回事
STM32中的ADC是逐次逼近型ADC(Successive Approximation ADC),是逐个产生比较电压Vref,并逐次与输入电压分别比较,以逐渐逼近的方式进行A/D转换的。而其中的用来产生Vref的电路就是DAC电路。因此一般DAC电路比较容易设计,而DAC在采样速度和精度的权衡上会比较复杂。 SAR ADC的转换原理是把输入的模拟信号按规定的时间间隔采样(采样),并与一系列标准的数字信号相比较,数字信号逐次收敛,直至两种信号相等为止(量化完成),最后输出代表此信号的二进制数(编码)。 SAR ADC结构 结构上主要包括采样保持电路(S/H),比较器(COMPARATOR,COMP),SAR逻辑控制电路、时
[单片机]
CTSD精密ADC—第4部分:轻松驱动ADC输入和基准电压源
CTSD精密ADC—第4部分:轻松驱动ADC输入和基准电压源,简化信号链设计 本文重点介绍新型连续时间Sigma-Delta (CTSD)精密ADC最重要的架构特性之一:轻松驱动阻性输入和基准电压源。实现最佳信号链性能的关键是确保其与ADC接口时输入源或基准电压源本身不被破坏。使用传统ADC时,为实现输入和基准电压源与ADC的无缝接口,需要复杂的信号调理电路设计——称为前端设计。CTSD ADC的独特架构特性可简化并创新这种ADC与输入和基准电压源的接口。首先,我们快速回顾一下传统ADC的前端设计。 传统ADC的前端设计 在本文中, 传感器 和 输入信号 可以互换使用,代表ADC信号链的任何类型的电压输入。ADC信号链
[模拟电子]
STM32的AD输入口存在电压的问题--连续转换模式
找到了AD输入口存在电压的问题 今天重新整了一下程序,改变了思路,结果不但解决了数据出现错位的问题.无意中居然把前面的问题也解决了,原先怀疑输入阻抗引起的结论是错误的。真正的罪魁祸首是下面这句话: ADC_InitStructure.ADC_ContinuousConvMode = ENABLE; 使用连续转换模式,在采用电阻分压取信号并且该分压电阻很大的情况下,容易出现信号被引脚电压淹没的现象。至于该电压为何在连续转换模式下产生,现在我没进一步研究。因为后来我的思路是不用连续转换,结果什么问题都解决了,呵呵。 上午我将Fadc改成16M, 并且Ts设成最小(1.5Cycles),当电池拿掉后,量AD输入口的电压,约为0.0
[单片机]
瑞萨推出包括先进可编程14位SAR ADC在内的 全新AnalogPAK可编程混合信号IC系列
全新产品几乎适用于任何应用,大幅减少元件数量、BOM成本和占板空间 2024 年 11 月 12 日,中国北京讯 - 全球半导体解决方案供应商瑞萨电子今日宣布推出全新AnalogPAK™ IC系列,其中包括低功耗——SLG47001/3和车规级产品——SLG47004-A,以及业界先进的可编程14位SAR ADC(逐次逼近寄存器模数转换器)——SLG47011。 AnalogPAK作为瑞萨GreenPAK™可编程混合信号矩阵产品家族的一员,是极具成本效益的非易失性存储器(NVM)可编程器件。 它使创新者能够整合多种系统功能,同时最大限度地减少元件数量、占板空间和功耗。GreenPAK和AnalogPAK IC可实现混
[嵌入式]
ADI—AD7380系列SAR ADC的片内过采样解析
简介 本应用笔记讨论逐次逼近寄存器(SAR)型模数转换器(ADC)中的片内过采样。常见过采样技术有两种:正常平均和滚动平均。这些技术是在AD7380/AD7381及其高吞吐速率SAR ADC系列中执行的,因此平均转换数据可以直接获得,数字控制器的负担得以减轻,这在数据采集系统中是一个优势。 在精密数据采集系统中,信噪比(SNR)和有效位数(ENOB)越高,系统在有宽带噪声的情况下测量信号的性能就越好。 噪声会降低系统性能。降低噪声的方法包括:用分辨率更高的ADC(例如Σ-Δ ADC或SAR ADC)替换该系统,或者进行过采样并使用数字滤波技术。 过采样技术在Σ-Δ ADC架构设计中有很长的历史。Σ-Δ ADC由Σ
[模拟电子]
具 0.5ppm 线性度的 32 位 SAR ADC 提供 148dB 动态范围
加利福尼亚州米尔皮塔斯 (MILPITAS, CA) 和马萨诸塞州诺伍德 (NORWOOD, MA) – 2017 年 4 月 3 日 – 不久前收购了凌力尔特公司 (Linear Technology Corporation) 的亚德诺半导体 (Analog Devices, Inc.,简称 ADI) 宣布推出 LTC2500-32,这是一款超高精确度的 32 位逐次逼近寄存器型 (SAR) 模数转换器 (ADC)。LTC2500-32 是一种面向精准测量应用的新型和可行方法,该器件把凌力尔特专有 SAR ADC 架构的高准确度和速度与灵活的集成化数字滤波器相整合,以优化系统信号带宽并放宽模拟抗混叠滤波器要求。 LTC250
[模拟电子]
具宽输入共模范围的 16 位 5Msps SAR ADC 简化了模拟前端电路
加利福尼亚州米尔皮塔斯 (MILPITAS, CA) 2016 年 5 月 24 日 凌力尔特公司 (Linear Technology Corporation) 推出具有宽轨至轨输入共模范围的 16 位 5Msps 逐次逼近寄存器 (SAR) 型模数转换器 (ADC) LTC2311-16。LTC2311-16 提供了灵活的差分输入,可接受直至奈奎斯特频率的模拟信号。这可实现多种信号类型的直接转换,同时在 2.2MHz 输入信号时保持良好的 81.6dB 信噪比 (SNR),并在同样高速的输入信号时实现 85dB 的高共模抑制比 (CMRR)。 需要信道至信道隔离的仪表和医疗应用常常采用单通道 ADC,以单独地隔离前端电路。每
[模拟电子]
基于SAR ADC的欠采样应用和技术(一)
传统上,欠采样都是用在需要对奈奎斯特频率以上的一系列非基带信号进行采样的通信应用中。这些信号的带宽小于采样系统的奈奎斯特速率。因此,在用带通滤波器限制这些系统的带宽,并且已知采样系统的奈奎斯特速率和目标信号带宽的条件下,我们可以重构这些特殊情况下的输入信号,而不会造成实际信息的损失。这就是所谓的奈奎斯特-香农采样定理。然而,在通信系统以外,还有一些应用可以利用ADC欠采样来实现系统性能目标。 逐次逼近型寄存器(SAR)模数转换器(ADC)一般不具备上一段所述系统要求的带宽和采样速率。然而,相比其他ADC架构,SAR ADC的确具有显著的功耗、尺寸、动态范围和精度优势。对于那些精确的频率知识并不重要并且用户主要关注幅度和
[模拟电子]