STM32处理器内部集成了实时时钟控制器(RTC),因此在实现实时时钟功能时,无须外扩时钟芯片即可构建实时时钟系统。
实时时钟 (RTC) 是一个独立的 BCD 定时器/计数器。RTC 提供一个日历时钟、两个可编程闹钟中断,以及一个具有中断功能的周期性可编程唤醒标志。RTC 还包含用于管理低功耗模式的自动唤醒单元。
两个 32 位寄存器包含二进码十进数格式 (BCD) 的秒、分钟、小时(12 或 24 小时制)、星期几、日期、月份和年份。此外,还可提供二进制格式的亚秒值。系统可以自动将月份的天数补偿为 28、29(闰年)、30 和 31天。并且还可以进行夏令时补偿。其它 32 位寄存器还包含可编程的闹钟亚秒、秒、分钟、小时、星期几和日期。
此外,还可以使用数字校准功能对晶振精度的偏差进行补偿。
上电复位后,所有 RTC 寄存器都会受到保护,以防止可能的非正常写访问。无论器件状态如何(运行模式、低功耗模式或处于复位状态),只要电源电压保持在工作范围内,RTC 便不会停止工作。
STM32F4XX的RTC模块和时钟配置可设置在备份区域,这样系统复位或者从待机模式唤醒后RTC的设置和时间依然维持不变,只要备份域供电正常,RTC模块就能持续地走时。为防止备份域被意外写操作,备份区域也是被写保护的。
备份区域包含20个备份寄存器,共80个字节。可利用备份寄存器模拟EEPROM,实现非易失功能,但是必须保证备份区域供电正常。通常,为保证系统掉电后RTC能够正常走时且备份寄存器非易失,都会为RTC模块配备一枚纽扣电池。
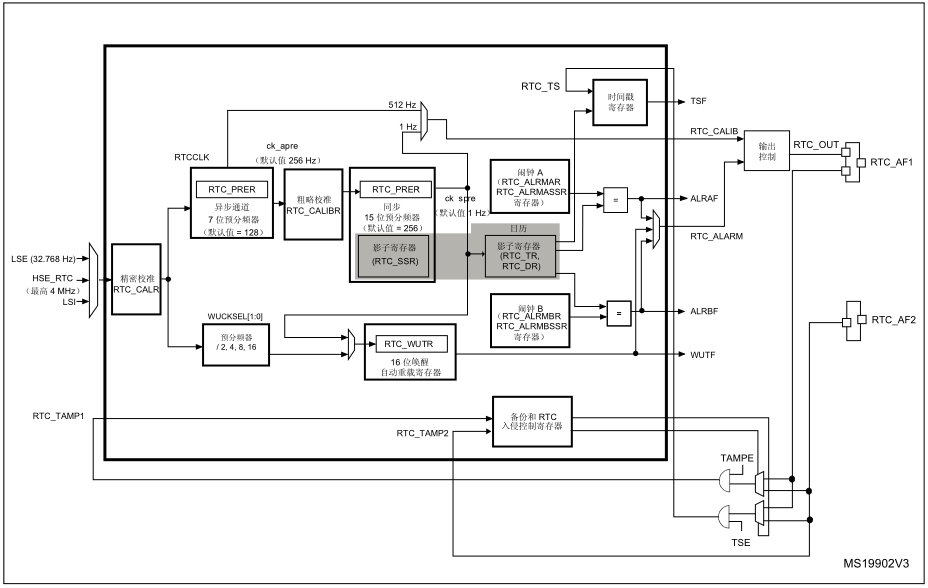
RTC框图

时钟和预分频器
RTC 时钟源 (RTCCLK) 通过时钟控制器从 LSE 时钟、LSI 振荡器时钟以及 HSE 时钟三者中选择。
可编程的预分频器阶段可生成 1 Hz 的时钟,用于更新日历。为最大程度地降低功耗,预分频器分为 2 个可编程的预分频器:
● 一个通过 RTC_PRER 寄存器的 PREDIV_A 位配置的 7 位异步预分频器。
● 一个通过 RTC_PRER 寄存器的 PREDIV_S 位配置的 15 位同步预分频器。
实时时钟和日历
RTC 日历时间和日期寄存器可通过与 PCLK1(APB1 时钟)同步的影子寄存器来访问。这些时间和日期寄存器也可以直接访问,这样可避免等待同步的持续时间。
● RTC_SSR 对应于亚秒
● RTC_TR 对应于时间
● RTC_DR 对应于日期
每隔两个 RTCCLK 周期,便将当前日历值复制到影子寄存器,并将 RTC_ISR 寄存器的 RSF位置 1。在停机和待机模式下不会执行复制操作。退出这两种模式时,影子寄存器会在最长 2 个 RTCCLK 周期后进行更新。
当应用读取日历寄存器时,它会访问影子寄存器的内容。也可以通过将 RTC_CR 寄存器的
BYPSHAD 控制位置 1 来直接访问日历寄存器。默认情况下,该位被清零,用户访问影子寄存器。
在 BYPSHAD=0 模式下读取 RTC_SSR、RTC_TR 或 RTC_DR 寄存器时,APB 时钟频率(f APB ) 必须至少为 RTC 时钟频率 (f RTCCLK ) 的 7 倍。
影子寄存器通过系统复位来复位。
RTC 寄存器写保护
系统复位后,可通过 PWR 电源控制寄存器 (PWR_CR) 的 DBP 位保护 RTC 寄存器以防止非正常的写访问。必须将 DBP 位置 1 才能使能 RTC 寄存器的写访问。
上电复位后,所有 RTC 寄存器均受到写保护。通过向写保护寄存器 (RTC_WPR) 写入一个密钥来使能对 RTC 寄存器的写操作。
要解锁所有 RTC 寄存器(RTC_ISR[13:8]、RTC_TAFCR 和 RTC_BKPxR 除外)的写保护,需要执行以下步骤:
将“0xCA”写入 RTC_WPR 寄存器。
将“0x53”写入 RTC_WPR 寄存器。
写入一个错误的关键字会再次激活写保护。保护机制不受系统复位影响。
日历初始化和配置
要编程包括时间格式和预分频器配置在内的初始时间和日期日历值,需按照以下顺序操作:
将 RTC_ISR 寄存器中的 INIT 位置 1 以进入初始化模式。在此模式下,日历计数器将停止工作并且其值可更新。
轮询 RTC_ISR 寄存器中的 INITF 位。当 INITF 置 1 时进入初始化阶段模式。大约需要2 个 RTCCLK 时钟周期(由于时钟同步)。
要为日历计数器生成 1 Hz 时钟,应首先编程 RTC_PRER 寄存器中的同步预分频系数,然后编程异步预分频系数。即使只需要更改这两个字段中之一,也必须对 RTC_PRER寄存器执行两次单独的写访问。
在影子寄存器(RTC_TR 和 RTC_DR)中加载初始时间和日期值,然后通过 RTC_CR寄存器中的 FMT 位配置时间格式(12 或 24 小时制)。
通过清零 INIT 位退出初始化模式。随后,自动加载实际日历计数器值,在 4 个 RTCCLK时钟周期后重新开始计数。
当初始化序列完成之后,日历开始计数。
注意:系统复位后,应用可读取 RTC_ISR 寄存器中的 INITS 标志,以检查日历是否已初始化。如果该标志为 0 ,表明日历尚未初始化,因为年份字段设置为其上电复位时的默认值 (0x00) 。
要在初始化之后读取日历,必须首先用软件检查 RTC_ISR 寄存器的 RSF 标志是否置 1 。
接着查看寄存器描述:
RTC 时间寄存器 (RTC_TR)
RTC_TR 是日历时间影子寄存器。只能在初始化模式下对该寄存器执行写操作。

位 22 PM:AM/PM 符号 (AM/PM notation)
0:AM 或 24 小时制
1:PM
位 21:20 HT[1:0]: 小时的十位(BCD 格式)(Hour tens in BCD format)
位 16:16 HU[3:0]: 小时的个位(BCD 格式)(Hour units in BCD format)
位 14:12 MNT[2:0]: 分钟的十位(BCD 格式)(Minute tens in BCD format)
位 11:8 MNU[3:0]: 分钟的个位(BCD 格式)(Minute units in BCD format)
位 6:4 ST[2:0]: 秒的十位(BCD 格式)(Second tens in BCD format)
位 3:0 SU[3:0]: 秒的个位(BCD 格式)(Second units in BCD format)
RTC 日期寄存器 (RTC_DR)
RTC_DR 是日历日期影子寄存器。只能在初始化模式下对该寄存器执行写操作。

位 23:20 YT[3:0]: 年份的十位(BCD 格式)(Year tens in BCD format)
位 19:16 YU[3:0]: 年份的个位(BCD 格式)(Year units in BCD format)
位 15:13 WDU[2:0]: 星期几的个位 (Week day units)
000:禁止
001:星期一
...
111:星期日
位 12 MT: 月份的十位(BCD 格式)(Month tens in BCD format)
位 11:8 MU: 月份的个位(BCD 格式)(Month units in BCD format)
位 5:4 DT[1:0]: 日期的十位(BCD 格式)(Date tens in BCD format)
位 3:0 DU[3:0]: 日期的个位(BCD 格式)(Date units in BCD format)
RTC 控制寄存器 (RTC_CR)

位 23 COE:校准输出使能 (Calibration output enable)
该位使能 RTC_CALIB 输出
0:禁止校准输出
1:使能校准输出
位 22:21 OSEL[1:0]:输出选择 (Output selection)
这些位用于选择要连接到 RTC_ALARM 输出的标志
00:禁止输出
01:使能闹钟 A 输出
10:使能闹钟 B 输出
11:使能唤醒输出
位 20 POL:输出极性 (Output polarity)
该位用于配置 RTC_ALARM 输出的极性
0:当 ALRAF/ALRBF/WUTF 置 1 时(取决于 OSEL[1:0]),该引脚为高电平
1:当 ALRAF/ALRBF/WUTF 置 1 时(取决于 OSEL[1:0]),该引脚为低电平
位 19 COSEL:校准输出选择 (Calibration output selection)
当 COE=1 时,该位可选择 RTC_CALIB 上输出的信号。
0:校准输出为 512 Hz
1:校准输出为 1 Hz
在 RTCCLK 为 32.768 kHz 且预分频器为其默认值(PREDIV_A=127 且 PREDIV_S=255)的条件下,这些频率有效。
位 18 BKP:备份 (Backup)
用户可对此位执行写操作以记录是否已对夏令时进行更改。
位 17 SUB1H:减少 1 小时(冬季时间更改)(Subtract 1 hour (winter time change))
当该位在初始化模式以外的模式下置 1 时,如果当前小时不是 0,则日历时间将减少 1 小时。此位始终读为 0。当前小时为 0 时,将此位置 1 没有任何作用。
0:无作用。
1:将当前时间减少 1 小时。这可用于冬季时间更改。
位 16 ADD1H:增加 1 小时(夏季时间更改)(Add 1 hour (summer time change))
当该位在初始化模式以外的模式下置 1 时,日历时间将增加 1 小时。此位始终读为 0。
0:无作用。
1:将当前时间增加 1 小时。这可用于夏季时间更改
位 15 TSIE:时间戳中断使能 (Timestamp interrupt enable)
0:禁止时间戳中断
1:使能时间戳中断
位 14 WUTIE:使能唤醒定时器使能 (Wakeup timer interrupt enable)
0:禁止唤醒定时器中断
1:使能唤醒定时器中断
位 13 ALRBIE: ** 闹钟 B 中断使能 (Alarm B interrupt enable)**
0:闹钟 B 中断禁止
1:闹钟 B 中断使能
位 12 ALRAIE:闹钟 A 中断使能 (Alarm A interrupt enable)
0:禁止闹钟 A 中断
1:使能闹钟 A 中断
位 11 TSE:时间戳使能 (Time stamp enable)
0:禁止时间戳
1:使能时间戳
位 10 WUTE:唤醒定时器使能 (Wakeup timer enable)
0:禁止唤醒定时器
1:使能唤醒定时器
位 9 ALRBE: ** 闹钟 B 使能 (Alarm B enable)**
0:禁止闹钟 B
1:使能闹钟 B
位 8 ALRAE :闹钟 A 使能 (Alarm A enable)
0:禁止闹钟 A
1:使能闹钟 A
位 7 DCE :粗略数字校准使能 (Coarse digital calibration enable)
0:禁止数字校准
1:使能数字校准
PREDIV_A 必须大于或等于 6
位 6 FMT:小时格式 (Hour format)
0:24 小时/天格式
1:AM/PM 小时格式
位 5 BYPSHAD:旁路影子寄存器 (Bypass the shadow registers)
0:日历值(从 RTC_SSR、RTC_TR 和 RTC_DR 读取时)取自影子寄存器,该影子寄存器每两个 RTCCLK 周期更新一次。
1:日历值(从 RTC_SSR、RTC_TR 和 RTC_DR 读取时)直接取自日历计数器。
注意:如果 APB1 时钟的频率低于 7 倍的 RTCCLK 频率,则必须将 BYPSHAD 置“ 1 ”。
位 4 REFCKON: **参考时钟检测使能(50 Hz 或 60 Hz)(Reference clock detection enable (50 or **60 Hz))
0:禁止参考时钟检测
1:使能参考时钟检测
注意:PREDIV_S 必须为 0x00FF 。
位 3 TSEDGE:时间戳事件有效边沿 (Timestamp event active edge)
0:TIMESTAMP 上升沿生成时间戳事件
1:TIMESTAMP 下降沿生成时间戳事件
TSEDGE 发生更改时,必须复位 TSE 以避免将 TSF 意外置 1
位 2:0 WUCKSEL[2:0]:唤醒时钟选择 (Wakeup clock selection)
000:选择 RTC/16 时钟
001:选择 RTC/8 时钟
010:选择 RTC/4 时钟
011:选择 RTC/2 时钟
10x:选择 ck_spre 时钟(通常为 1 Hz)
11x:选择 ck_spre 时钟(通常为 1 Hz)并将 WUT 计数器值增加 216
RTC 初始化和状态寄存器 (RTC_ISR)

位 16 RECALPF:重新校准挂起标志 (Recalibration pending Flag)
当软件对 RTC_CALR 寄存器执行写操作时,RECALPF 状态标志将自动置“1”,指示RTC_CALR 寄存器已屏蔽。当采用新的校准设置时,该位恢复为“0”。
位 14 TAMP2F:TAMPER2 检测标志 (TAMPER2 detection flag)
在入侵输入 2 上检测到入侵检测事件时,由硬件将此标志置 1。
该标志由软件写零清除。
位 13 TAMP1F:入侵检测标志 (Tamper detection flag)
当检测到入侵检测事件时,由硬件将此标志置 1。
该标志由软件写零清除。
位 12 TSOVF:时间戳溢出标志 (Timestamp overflow flag)
当在 TSF 已置 1 的情况下发生时间戳事件时,由硬件将此标志置 1。
该标志由软件写零清除。建议仅在 TSF 位清零之后再检查并清TSOVF 位。否则,如果时间戳事件恰好在清零 TSF 位之前刚刚发生,则溢出事件可能会被漏掉。
位 11 TSF:时间戳标志 (Timestamp flag)
发生时间戳事件时,由硬件将此标志置 1。
该标志由软件写零清除。
位 10 WUTF:唤醒定时器标志 (Wakeup timer flag)
当唤醒自动重载计数器计数到 0 时,由硬件将此标志置 1。
该标志由软件写零清除。
软件必须在 WUTF 再次置 1 的 1.5 个 RTCCLK 周期之前将该标志清零。
位 9 ALRBF:闹钟 B 标志 (Alarm B flag)
当时间/日期寄存器(RTC_TR 和 RTC_DR)与闹钟 B 寄存器 (RTC_ALRMBR) 匹配时,由硬件将该标志置 1。该标志由软件写零清除。
位 8 ALRAF:闹钟 A 标志 (Alarm A flag)
当时间/日期寄存器(RTC_TR 和 RTC_DR)与闹钟 A 寄存器 (RTC_ALRMAR) 匹配时,由
硬件将该标志置 1。
该标志由软件写零清除。
位 7 INIT:初始化模式 (Initialization mode)
0:自由运行模式。
1:初始化模式,用于编程时间和日期寄存器(RTC_TR 和 RTC_DR)以及预分频器寄存器(RTC_PRER)。计数器停止计数,当 INIT 被复位后,计数器从新值开始计数。
位 6 INITF:初始化标志 (Initialization flag)
当此位置 1 时,RTC 处于初始化状态,此时可更新事件、日期和预分频器寄存器。
0:不允许更新日历寄存器。
1:允许更新日历寄存器。
位 5 RSF:寄存器同步标志 (Registers synchronization flag)
每次将日历寄存器的值复制到影子寄存器(RTC_SSRx、RTC_TRx 和 RTC_DRx)时,都会由硬件将此位置 1。在初始化模式下、平移操作挂起时 (SHPF=1) 或在旁路影子寄存器模式 (BYPSHAD=1) 下,该位由硬件清零。该位还可由软件清零。
0:日历影子寄存器尚未同步
1:日历影子寄存器已同步
位 4 INITS:初始化状态标志 (Initialization status flag)
当日历年份字段不为 0 时(上电复位状态),由硬件将该位置 1。
0:日历尚未初始化
1:日历已经初始化
位 3 SHPF:平移操作挂起 (Shift operation pending)
0:没有平移操作挂起
1:某个平移操作挂起
只要通过对 RTC_SHIFTR 寄存器执行写操作来启动平移操作,此标志便由硬件置 1。执行完相应的平移操作后,此标志由硬件清零。对 SHPF 执行写入操作不起作用。
位 2 WUTWF:唤醒定时器写标志 (Wakeup timer write flag)
在 RTC_CR 寄存器中的 WUTE 位置 0 后,当唤醒定时器值可更改时,由硬件将该位置 1。
0:不允许更新唤醒定时器配置
1:允许更新唤醒定时器配置
位 1 ALRBWF:闹钟 B 写标志 (Alarm B write flag)
在 RTC_CR 寄存器中的 ALRBIE 位置 0 之后,当闹钟 B 的值可更改时,由硬件将该位置 1。该位在初始化模式下由硬件清零。
0:不允许更新闹钟 B
1:允许更新闹钟 B
位 0 ALRAWF:闹钟 A 写标志 (Alarm A write flag)
在 RTC_CR 寄存器中的 ALRAE 位置 0 后,当闹钟 A 的值可更改时,由硬件将该位置 1。
该位在初始化模式下由硬件清零。
0:不允许更新闹钟 A
1:允许更新闹钟 A
RTC 预分频器寄存器 (RTC_PRER)
预分频器寄存器复位值刚好使时钟频率为1Hz,满足RTC的需求,所以这里不对其进行配置。
RTC初始化程序如下:
#include 'RTC.h'
#include 'stm32f4xx.h'
void RTC_Init(u8 hour,u8 fen,u8 miao,u8 nian,u8 yue,u8 ri,u8 xingqi)
{
u32 temp = 0;
RCC- >APB1ENR |= 1< < 28; //开电源管理模块时钟
PWR- >CR |= 1< < 8; //解除保护
RCC- >BDCR &=~ (1< < 2); //调试模式下不旁路LSE
RCC- >BDCR |= 1< < 0; //开启LSE振荡器
while(!(RCC- >BDCR & 1< < 1));
RCC- >BDCR &=~ (0x3< < 8);
RCC- >BDCR |= 1< < 8; //选择LSE为RTC时钟源
RCC- >BDCR |= 1< < 15; //使能RTC模块
RTC- >WPR = 0xCA; //解除写保护
RTC- >WPR = 0x53; //解除写保护
RTC- >ISR |= 1< < 7; //INIT位置1
while((RTC- >ISR & (1< < 6))==0); //等待进入初始化模式
temp |= (hour/10)< < 20 | (hour%10)< < 16 | (fen/10)< < 12 | (fen%10)< < 8 | (miao/10)< < 4 | (miao%10);
RTC- >TR = temp;
temp = 0;
temp |= (nian/10)< < 20 | (nian%10)< < 16 | (xingqi)< < 13 | (yue/10)< < 12 | (yue%10)< < 8 | (ri/10)< < 4 | (ri%10);
RTC- >DR = temp;
RTC- >CR = 0;
RTC- >ISR &=~(1< < 7); //退出初始化模式
RTC- >WPR = 0; //写任意值,再次保护
}
编写主函数测试:
#include 'stm32f4xx.h'
#include 'usart.h'
#include 'delay.h'
#include 'stdio.h'
#include 'RTC.h'
typedef struct
{
u8 shi;
u8 fen;
u8 miao;
u8 nian;
u8 yue;
u8 ri;
u8 xingqi;
}TIME_Typedef;
TIME_Typedef time = {1};
int main()
{
Usart1_Init(115200);
RTC_Init(23,59,50,19,7,9,2);
while(1)
{
time.shi = ((RTC- >TR & 0x300000) >>20)*10 + ((RTC- >TR & 0xf0000) >>16);
time.fen = ((RTC- >TR & 0x7000) >>12)*10 + ((RTC- >TR & 0xf00) >>8);
time.miao = ((RTC- >TR & 0x70) >>4)*10 + (RTC- >TR & 0xf);
上一篇:STM32蜂鸣器音乐播放实例教程
下一篇:STM32标准外设库的文件结构解析
推荐阅读最新更新时间:2026-03-25 13:11
- 用于 7VIN 至 16VIN、1.5V 和 1.2V 输出的 LTM4628EV DC/DC 模块稳压器的典型应用电路
- 使用 Analog Devices 的 LTC3728LIGN 的参考设计
- DER-406 - 适用于 A19 灯的 5.76 W 高 PF 非隔离降压-升压型 TRIAC 调光 LED 驱动器
- ADR5045B 5V 输出精密微功率并联模式电压基准的典型应用
- LT3970EDDB-3.42 2.5V 降压转换器的典型应用
- MC78M08BDTG 8V 电流调节器的典型应用
- LT1021DCN8-5 精密电压基准的典型应用
- DER-282 - 100W, 扁平(11 mm), LLC DC-DC转换器
- REF193 低压差开尔文连接电压基准的典型应用电路
- LT3088EM 线性稳压器用于添加软启动的典型应用



STM32模拟串口
dm9000cep网卡通信
STM32 PMSM FOC 简介
现代雷达系统的信号设计
BFR340T






京公网安备 11010802033920号