1、LCD控制器主要有两方面的功能:
1)从framebuffer中取出某个像素的数据;
2)配合其他信号,一起将这个数据发送给LCD
不管是2440,还是其他型号的ARM芯片。它们的LCD控制器的功能都是一样的,只不过存储器的操作稍有区别。

LCDDMA:会从内存中把数据取出来,发送给LCD。
DMA:不需要cpu的参与,只需要把数据填好,它就会自动的取数据,发送给LCD。
怎样去设置极性、时序呢?
需要设置REGBANK,通过这些寄存器控制LCD控制器,让其发出合适的时序。
2、



使用8bpp时,会涉及到一个调色板。
为什么会涉及一个调色板的概念。

可以在framebuffer中,每个像素使用8bit来表示。
问:8bit的数据怎样得到16bit的数据,中间肯定得引入一个东西,这个东西就是调色板。
调色板中有多少项,8bit就得有2的8次方项,即256项。

这样,LCD控制器怎样去显示呢?
当设置为8bit时,LCD控制器会从framebuffer中得到8位的数据,这8位的数据不是直接发给lcd的,它是使用这8位的数据在这个调色板中作为索引,取出16位数据,再把这16位数据发给lcd。
8bpp:在framebuffer中存的是伪彩色
16bpp/24bpp:在framebuffer中存的是真彩色。
调色板就是一块特殊的内存,也许它就是放在lcd控制器里面,以后使用8bpp时,首先设置调色板。
如果将lcd设置成一种颜色,怎么办?
对于16bpp/24bpp这两种真彩色,只能填充framebuffer中的数据,把每个像素对应的值都填为同一种值。
对于8bpp,可以设置framebuffer,也可以设置调色板。比如说,把framebuffer中每个像素的值都设置为同一种值,也可以把调色板中的这256项,全部设置为同一种颜色。
其中,对于2440来说,还提供另一种办法,叫做临时调色板:


只要使能了TPALEN,对于lcd控制器来说,无论framebuffer中的数据是8bpp,16bpp还是24bpp,它都不管。它都会从临时调色板中取出数据,发送给lcd。因此,只要设置一个寄存器,就可以让整个lcd显示为同一种颜色,这是2440提供的一种特性。
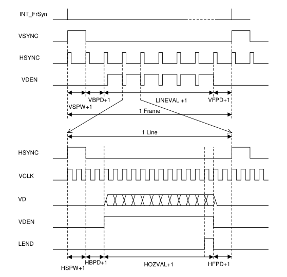
3、LCD控制器的时序图

根据外接的lcd,来设置上图中的各个参数。
关键字:S3C2440 LCD控制器 数据
引用地址:
S3C2440_LCD控制器
推荐阅读最新更新时间:2026-03-25 12:07
s3c6410 s3c2440串口发送接收数据的实现(轮询)及相关寄存器
1 6410与串口相关寄存器 一 需要设置的寄存器(其实进入uboot后,串口已经设置好了,直接发送数据就行了,) 1)模式 UCON (轮询,中断,DMA等) 2)相关参数 ULCON0 定义了串口数据的帧格式,数据位长度,奇偶校验位,停止位(8-N-1) BRDIV 定义了波特率的计算公式所得结果的整数部分 UDIVSLOT0 定义了波特率的计算公式所得结果的小数部分 3)高级选项(串口的发送接收缓冲的大小(fifo)默认是1B,可改成64B 二 发送接收数据 相关的寄存器 UTXH0 UART channel 0 transmit buffer register URXH0 UART chan
[单片机]
ARM 之LCD和LCD控制器
既然提到 了LCD那么我们首先必须要了解的就是他的种类,CD(liquid crystal display), 即液晶显示器,是这一种采用了液晶控制透光度计数来实现色彩的显示器,他与传统的CRT显示器相比有很多优点:轻薄,能耗低,辐射小等,市场 占有率越来越大,LCD有很多类型:STN,TFT,LTPS TFT,OLED等,各有优缺点。 一、 S3C2410,2440LCD控制器介绍 1:S3C2410,2440LCD控制器提供了驱动STNLCD TFTLCD所需要的所有信号, REGBANK是LCD控制器的寄存器组,含有17个寄存器及一块256X16的调色板内存,用来设置二线参数。 2:LCDCDMA则是CD控制器专用的
[单片机]
瑞萨电子推出首款具备MIPI-CSI2输入的全高清LCD视频控制器
瑞萨电子 株式会社宣布推出汽车行业首款具备4通道 MIPI-CSI2 输入的全高清 1080p LCD 视频控制器。 RAA278842 LCD 视频控制器的4通道(或2个双通道) MIPI-CSI2 输入支持每通道高达1Gbps的速率,可与最新一代车用摄像头、应用处理器和图形处理器连接。该控制器还支持150 MHz单通道OpenLDI接口,以及分辨率高达1920 x 1080的各种视频接口与 LCD 面板尺寸。RAA278842适用于汽车中央信息娱乐系统显示器(CID)与主机、仪表盘、抬头显示(HUD),以及可用于替换后视镜的应用,这些应用对于不断增长的高级驾驶辅助系统(ADAS)需求至关重要。 瑞萨电子 汽车混合
[汽车电子]
s3c2440_LCD控制器设置及代码详解
1. LCD工作的硬件需求: 要使一块LCD正常的显示文字或图像,不仅需要LCD驱动器,而且还需要相应的LCD控制器。在通常情况下,生产厂商把LCD驱动器会以COF/COG的 形式与LCD玻璃基板制作在一起,而LCD控制器则是由外部的电路来实现,现在很多的MCU内部都集成了LCD控制器,如S3C2410/2440等。通 过LCD控制器就可以产生LCD驱动器所需要的控制信号来控制STN/TFT屏了。 2. S3C2440内部LCD控制器结构图: 我们根据数据手册来描述一下这个集成在S3C2440内部的LCD控制器: a:LCD控制器由REGBANK、LCDCDMA、TIMEGEN、VIDPRCS寄存器组成; b:REGBAN
[单片机]
LCD和控制器接口电路
LCD和控制器接口电路图:在接口电路设计中,由于LM320160CCW液晶显示模块为5 V供电,而单片机为3.3 V供电,所以不能简单的彼此连接在一起,需要做电平处理。本次设计中选用741S245作为总线驱动器,并在单片机引脚加入5 V上拉电阻,这样即可保证信号的驱动能力,接口电路原理图如图3所示,其中P3和P7为单片机的I/O端口,RV1为可调电阻,用于调节液晶模块背光对比度。
[电源管理]
提升图像品质的集成多用途LCD显示屏控制器
随着消费者对汽车信息娱乐应用的期望升高,产品品质及功能也在大幅提升。故设计工程师在设计因素方面面临众多挑战。本视频将将介绍安森美半导体LC74900高集成度、多用途LCD显示屏控制器。这器件将视频信号转换为跟给定LCD面板对应的大小(及分辨率),因此提升几乎任何环境下的总体图像品质。这器件不仅超越现有能效及性能标准,还超越如今市场上所有其它方案的性能。LC74900提供3项主要优势——内容自适应背光控制、图像品质提升及快速观看功能。由于LC74900仅以单颗芯片提供多种功能,它既具设计友好性,又是高能效方案。
[嵌入式]
飞思卡尔推出单芯片图形LCD Kinetis微控制器系列
2011年12月12日,德州奥斯汀(商业资讯)讯-飞思卡尔半导体(NYSE: FSL)日前推出面向单芯片、图形LCD 应用的基于ARM® Cortex™-M4内核的微控制器(MCU)系列。高性能Kinetis K70系列的目标应用需要复杂的图形LCD用户界面以及先进的连接和安全功能,而没有多芯片设计相关的成本与功耗的增加。 为K70提供支持的是飞思卡尔便携嵌入式图形用户界面(PEG)图形开发套件,这是全面的可视化布局和设计工具,能够加快设计流程,使开发人员可以在简单的基于PC的环境内创建丰富的图形用户界面(GUI)。 图形LCD界面正在迅速取代传统的LED和分段LCD显示器,越来越多的设计人员利用图形LCD界面提供的美观性、灵
[单片机]
内置触摸屏与键盘接口的LCD控制器RA8806的应用
1 引言 LCD作为一种常见的显示设备。具有功耗低、体积小、重量轻、显示的信息量大等特点,尤其是在便携设备中,更是占据着绝对主流的地位。对于字符或数字的简单信息显示,通常可用段码式LCD驱动器。而对于复杂的信息显示,则必须由点阵式LCD驱动显示,最常见的点阵式LCD控制/驱动器中,有不带中文字库的LCD驱动器T6963,也有带中文字库的LCD驱动器ST7920。 对于输入设备,最常见的是键盘。在小型控制系统中,键盘通常利用处理器的I/O端口扫描矩阵式行列。但占用I/O端口线,并降低处理器效率。另一种方法是利用专用的键盘接口器件,如英特尔的8279。周立功的ZLG7289等。触摸屏作为一种简单、自然的输入设备。具有坚固耐用、
[工业控制]