针对小区电瓶车充电不合理问题,设计了基于嵌入式的智能计费充电装置。该装置由RN8208G电量采集芯片、STM32系列单片机、LCD1602显示器、TF储存器、支付模块、充电模块组成。该装置由RN8208G电量采集芯片充电消耗的电量,通过STM32单片机送到LCD1602显示器电路中显示用电量和电费等参数。用户进行IC卡支付或者投币式支付。通过SPI通信将用电量、电费等参数送到上位机,以便对该装置进行监测、断电、调压等操作。本装置采用电量计费可以有效的降低了用户充电费用,电量使用情况可以储存,以便让用户核对,支付方便,增加安全性和方便性。
随着我国环保意识的增强,城市污染和能源危机的加重电瓶车受到广泛的关注。据调查目前国内电瓶车使用量仍有继续增长的趋势,随着电瓶车数量的增多,电瓶车的充电也是一个问题。小区电瓶车充电大多数采用投币式和时间计费方式这样计费方式使电瓶车用户充电费用过多,收费不合理,给电瓶车用户增加了额外的经济负担。
该装置为了消除收费不合理情况,选取用户使用电量来进行收费的方法,使收费合理,能通过SPI协议与计算机lian系将电量,电费,充电电压,电流等数据传输到计算机内进行储存,分析可以很好的进行远程监控和控制,节省大量人力。国内外对电瓶车的充电进行了大量研究,充电桩实现耗电功率显示,投币式支付,按照充电时间进行支付的功能,具有输出电压显示,充电计时显示,充电电流显示,按充电时间投币的功能。用户对电能计量的要求越来越高,不仅要求智能电表计量准确,性能稳定,还要求能显示出用电量等信息。
所以本装置使用RN8208G芯片内部电源监测可以保证上电和断电时该装置性能稳定,具有防盗电和防漏电的功能,保证该装置的安全性和稳定性。采用电量计费,大大节省用户的充电费用,使收费更加合理。采用标准的四线同步双向串行SPI总线。能够高速的进行数据传递,将充电桩的充电电流,充电电压,用电量,充电功率传送到上位机中储存,一旦充电桩内充电数据异常能够快速反应,做出断电和调压等控制增加了该装置的可靠性和安全性。
1系统总体框图
该装置由电量采集模块、A/D装换模块、单片机小系统、储存模块、显示模块、支付模块和充电模块组成。系统总体框图如图1所示,通过RN8208G单相电量计量芯片模块将用户所用电量采集后通过A/D装换模块将模拟信号转换为数字信号经过单片机内部的程序算法将收费方式按照电量进行收费。电量使用情况可以储存在TF卡中长时间保存,可以供单片机读取,将电量使用情况和电费送到数码管中显示出来。用户可以通过IC卡和投币进行支付。系统总体框图如图1所示。
2系统设计

图1系统总体框图
2.1硬件设计
根据上述总体设计模型分析,进行智能充电桩嵌入式控制系统的优化设计,基于嵌入式技术进行智能充电桩嵌入式控制系统的硬件的模块化设计,系统的硬件电路设计主要包括了电量采集计量模块设计、支付模块设计等,对其分别描述如下:

图2电量采集计量模块工作电路
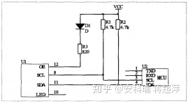
(1)该装置的电量采集计量模块主要进行电量的采集、计算、传输的作用。该模块具有全数字的增益、相位和当外部噪声 (如PCB噪声,变压器噪声等)较大,积分所得的能量影响到小信号精度时提高小信号有功精度的offset校正。大大的消除了电路内部干扰,提高了计量的精度。该模块能够进行SPI和USART通信,只需要控制RN8082G单相电量计量芯片的IS引脚的高低电平进行转换,可以方便与主控单片机进行通信。其内部具有电源监控电路可以保证断电和上电时芯片可靠工作。该电量采集计量模块的工作电路如图2所示 。
(2)该装置的支付模块主要作用是进行电费的的支付,以及将支付后的信息传递给单片机。该模块只需要简单的操作就可以完成对IC卡的全部操作,具有默认寻卡方式,当卡片进入天线时,LED出现低电平,上位机可以直接通过寻卡指令读取卡片序列号,通信采用硬件简单,资源消耗少的SPI通信,大大的提高了精度,降低了读卡失误率。用户刷卡信息直接通过单片机和上位机传到PC里保存,便于核对信息。该支付模电路图如图3所示。

图3支付模块电路图
该装置的充电模块充电电路主要是对电瓶车蓄电池进行充电。次级绕组接D1、D2、D3和D5构成二次整流电路,470UF的电解电容C8电容滤波电容。R23为蓄电池实际电压的采样电路,采样蓄电池电压的1/12。蓄电池的负极经0.1Q的采样电阻接到地上构成电流采样电路。次级绕组的中间接线端经二极管D3、限流电阻R2、12V稳压管ZD1、电解电容和瓷片电容组成12V稳压电路为散热风扇提供电源。该充电模块充电电路图如图4所示。

图4充电模块充电电路图
2.2软件设计
该系统软件有用户是否确认、有无错账记录、连接是否确认、充电模式是否确认、是否加电、是否充电结束、是否充电结算等软件和人工判断。其功能是充电模式设置能充电结束显示充电消耗电量,便于用户核对充电费用。此软件系统结合硬件系统可以达到省时、省电、安全可靠的目的,为用户提供良好的使用环境,也解决了用户采用电量计费的目的,大大节省用户的充电费用,使收费更加合理。对其分别描述如下:
(1) 用户是否确认的判断为了防止用户因误操作使电瓶车进入充电模式。有无错账记录判断为了防止充电桩充电过程中出现计费错误,给用户造成损失。连接是否确认判断为了检测插头是否固定好或者插头是否连接,提高使用安全性和可靠性。其软件设计如图5所示。

图5软件设计图
(2)充电模式是否确认判断为了保证在不同的充电时段内充电桩输出电压等不同,保证了充电省时、省电。是否上电判断为了确保充电过程中上电时间准确,防止电瓶车出现过充现象,延长电瓶车电池的使用寿命。其软件设计图如图6所示。

图6软件设计图
(3)是否充电结算判断为了核对是否充电结算存在错误,如果存在错误,用户可以不进行充电结算,待数据正常后进行结算,此设置为用户提供更为人性化的服务。其软件设计图如图7所示。

图7软件设计图
上一篇:如何得当使用C语言的特殊的用法
下一篇:应用笔记 | SPI读取数据的最后一位出错问题
推荐阅读最新更新时间:2026-03-25 11:02
- 热门资源推荐
- 热门放大器推荐
- 用于 7VIN 至 16VIN、1.5V 和 1.2V 输出的 LTM4628EV DC/DC 模块稳压器的典型应用电路
- 使用 Analog Devices 的 LTC3728LIGN 的参考设计
- DER-406 - 适用于 A19 灯的 5.76 W 高 PF 非隔离降压-升压型 TRIAC 调光 LED 驱动器
- ADR5045B 5V 输出精密微功率并联模式电压基准的典型应用
- LT3970EDDB-3.42 2.5V 降压转换器的典型应用
- MC78M08BDTG 8V 电流调节器的典型应用
- LT1021DCN8-5 精密电压基准的典型应用
- DER-282 - 100W, 扁平(11 mm), LLC DC-DC转换器
- REF193 低压差开尔文连接电压基准的典型应用电路
- LT3088EM 线性稳压器用于添加软启动的典型应用

电动车大灯电源方案(LED)
pic电瓶车控制器
电动车控制器维修手册
现代雷达系统的信号设计
BFR340T






京公网安备 11010802033920号